- 您的位置:
- 标准下载网 >>
- 标准分类 >>
- 纺织行业标准(FZ) >>
- FZ/T 14001-1992 服装用棉印染帆布
标准号:
FZ/T 14001-1992
标准名称:
服装用棉印染帆布
标准类别:
纺织行业标准(FZ)
标准状态:
已作废-
发布日期:
1992-12-09 -
实施日期:
1993-04-01 -
作废日期:
2006-01-01 出版语种:
简体中文下载格式:
.rar.pdf下载大小:
234.45 KB
中标分类号:
纺织>>印染制品>>W71棉与棉混纺织物印染品
替代情况:
被FZ/T 14001-2005代替

部分标准内容:
中华人民共和国纺织行业标准
服装用棉印染帆布
主题内容与适用范围
FZ/T 14001—92
本标准规定了服装用棉印染帆布的产品规格、技术要求、试验方法、检验规则及包装和标志。本标准适用于鉴定服装用棉漂白、染色和印花帆布的品质。2引用标准
GB250评定变色用灰色样卡
评定沾色用灰色样卡
GB/T420纺织品耐刷洗色牢度试验方法印染棉布验收规则
GB4321
GB3920
GB3921
GB3923
GB4667
GB4668
纺织品耐摩擦色牢度试验方法
纺织品耐洗色牢度试验方法
机织物断裂强力和断裂伸长的测定(条样法)机织物幅宽的测定
机织物密度的测定
消费品使用说明纺织品和服装使用说明GB6152
GB8427
GB8628
GB8629
GB8630
纺织品耐热压(熨烫)色牢度试验方法纺织品耐光色牢度试验方法氙弧测定织物尺寸变化时试样的准备、标记和测量纺织品试验时采用的家庭洗涤及干燥程序纺织品在洗涤和干燥时尺寸变化的测定ZBW08003:棉及化纤纯纺、混纺印染布包装和标志3术语
3.1线状:沿经向或纬向延伸,宽度不超过0.2cm的疵点。3.2条状:沿经向或纬向延伸,宽度超过0.2cm的疵点。3.3稀密路:沿纬向延伸的稀密不匀的横档疵点。3.4条花:沿经向延伸或断续散布全匹,色泽有深有浅,两边又无明显界限的疵点。3.5间类布样:指与生产实样属相同纤维原料及相同织物组织的布样。3.6
参考样:指与生产实样不相同纤维原料或不相同织物组织的来样。4
产品品种、规格
根据用户需要及服装用棉本色帆布产品品种规格标准结合印染工艺设计分别制订。中华人民共和国纺织工业部1992-12-09批准362
1993-04-01实施
5技术要求
FZ/T 14001—92
技术要求分为内在质量和外观质量两个方面。内在质量包括纬纱密度、断裂强力、水洗尺寸变化及染色牢度等项指标;外观质量包括局部性点和散布性疵点两类。5.1内在质量
5.1.1纬纱密度、断裂强力
根据服装用棉本色帆布的品种规格标准结合印染工艺设计,按规定的加工系数计算。加工系数及计算方法见附录A(补充件)。
5.1.2水洗尺寸变化
不同工艺的漂白、染色、印花产品的水洗尺寸变化规定指标见表1。表1
漂白布
印染布
防缩产品
注:水洗尺寸变化最大限度为1.5%。5.1.3染色牢度
根据所用染料不同,其染色牢度规定指标见表2.表2
还原染
料色布
深、中色
硫化染料色布
纳夫妥染料色布
印花布
其他染料
注:①耐光色牢度为保证指标。变色
②按规定指标危许低二个半级,不允许低一水洗尺寸变化
不低于
耐摩擦
耐刷洗
1—-2
耐熨烫
湿烫沾色
一级,但规指标为1一2级者,不允许再低半级。%
③深、中、浅色的分档,按GB250进行评级,5级及以上为深色,2级及以下为浅色,介于深、浅之间者为中色。5.1.4各项技术要求评等规定
各项技术要求评等规定见表3。
纬密,根/10cm
断裂强力,N
水洗尺寸变化,%
染色牢度,级
5.2外观质量
按设计规定
按设计规定
按规定指标
按规定指标
FZ/T 14001--92
一等品
5.0及以内
—10.0及以内
符合标准
符合标准
5.2.1局部性疵点平均每米允许最高评分见表4。表4
允许评分
一等品
100 cm及以下
100cm以上
局部性瓣点允许总分计算规定
允许偏差
二等品
低于—5.0
- 10. 1~~ -16. 0
低于标准
低于标准
二等品
每段布的局部性布面疵点允许总分根据每米允许评分和段长决定。允许总分一每米允许评分×段长(m)段长和总分均计算精确至小数一位,按四舍五入法保留整数。5.2.3局部性疵点评分方法见表5。表5
藏点名称
经向疵点
纬向疵点
稀密路
轻微徽
2~50cm
0.5~10 cm
0.5~10 cm
0.5 cm 及以内
2cm~半幅免费标准下载网bzxz
0.5~10 cm
0.5 cm 及以内
10 cm~半幅
10. 1~15 cm
[15.1~25 cm
10.1~15cm15.125cm
超过半幅
4.1~10 cm
10.1~15cm15,1~半幅
10. 1~15 cm|15. 1~25 cm
0. 6~~4 cm
超过半幅
14.1~10cm
10cm~半幅
三等品
16. 1~~ -20. 0
三等品
降等限度
二等品
25.1~100 cm
25.1~100 cm
10.1~100cm
超过半幅
25.1~全幅
10.1~全幅
超过半幅
三等品
三等品
等外品
二等品
三等品
三等品
等外品
二等品
等外品
微点程
斑点名称
深浅边
荷叶边
距边2cm及以内
深人0. 5~1cm
深人1.1~2cm
FZ/T 14001—92
续表5
每5cm
经纬共断 2 根
每50cm
深入0.5cm以上20cm及以内,每处注:①破损包括破洞、破边、豁边、跳花。2分
②距边2cm及以内的破洞按破边评分,距边2cm以上的破边按破洞评分。5.2.4局部性疵点量计规定
经纬共断3根
~2cm及以内
20.1~100cm,每处
降等限度
三等品
三等品
等外品
二等品
三等品
三等品
5.2.4.1疵点长度按经向或纬向疵点的最大长度量计。若疵点长度超过评分起点时,不再计评分起点,应从0.1cm开始量计。
5.2.4.2在经向100cm以内,有几种瘫点同时存在时,应分别量计,累计评分,其最大评分数不超过4分。
5.2.5局部性疵点评分说明
5.2.5.1局部性疵点轻微与明显程度的区别,按GB250检验评定。4级为轻微,3—4级及以下为明显,4级以上不评分。
5.2.5.2重叠的局部性疵点,按评分多的一项评定。未列入本标准的疵点,按其形态参照相似疵点评定。
5.2.5.3除破损和边疵外,距边1cm及以内的其他局部性疵点不评分;距边1.1~2cm的疵点,按表5有关疵点减半评分,降等限度为二等品。5.2.5.4处评4分的疵点,等品内不允许存在,应作降等或假开剪处理。5.2.5.5难以数清、不易量计的分散疵点,根据疵点程度和分散的最大长度按经纬向疵点评定。5.2.5.6印花布的布面疵点,应根据对花布总效果的影响程度评定。5.2.5.70.5cm及以内的破边,一等品中允许存在经向长3cm及以内的二处。三处以上假开剪处理。5.2.5.8影响外观、不到评分起点的明显疵点,经向50cm内,每满6只评1分。5.2.5.9一项局部性疵点已达到降等限度,而同时存在其他局部性疵点需累计评分时,可按已降等等级的起点分数加其他露累计的局部性疵点的评分,作为该段布的总分。5.2.5.10评定布面窥点时,均以布段正面为推,若反面有连续的明显瘫点时,须降一个等。5.2.5.11所有影响外观的纱织疵,如粗经、错纬、竹节纱、经缩、断经等按其疵点影响外观的最大长度评分,不影响外观的不评分。
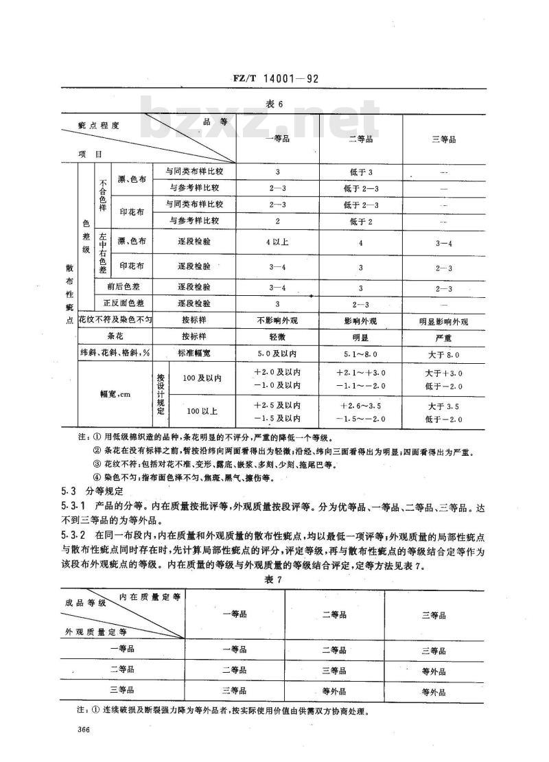
5.2.6散布性疵点评等规定见表6。365
窥点程度
不含色样
左中右色差
漂、色布
印花布
漂、色布
印花布
前后色差
正反面色差
花纹不符及染色不匀
纬斜、花斜、格斜,%
与同类布样比较
与参考样比较
与同类布样比较
与参考样比较
逐段检验
逐段检验
逐段检验
逐段检验
按标样
按标样
标准幅宽
按设计规定
幅宽,cm
100及以内
100以上
FZ/T 14001-92
-等品
4以上
不影响外观
5.0及以内
+2.0及以内
—1.0及以内
+2.5及以内
—1.5及以内
注:①用低级棉织造的品种,条花明显的不评分,严重的降低一个等级。二等品
低于3
低于2—3
低于2—3
低于2
影响外观
+2. 1~+3. 0
-1. 1~—2. 0
1.5~—2. 0
三等品
明显影响外观
大于8.0
大于+3.0
低于-2.0
大于3.5
低于-2.0
②条花在没有标样之前,暂按沿纬向两面看得出为轻微;沿经、纬向三面看得出为明显;四面看得出为严重。③花纹不符:包括对花不准、变形、露底、嵌浆、多刻、少刻、拖屉巴等。④染色不勾:指布面色泽不匀、焦斑、熙气、擦伤等。5.3分等规定
5.3.1产品的分等。内在质量按批评等,外观质量按段评等。分为优等品、一等品、二等品、三等品。达不到三等品的为等外品。
5.3.2在同一布段内,内在质量和外观质量的散布性疵点,均以最低一项评等;外观质量的局部性瘫点与散布性疵点同时存在时,先计算局部性疵点的评分,评定等级,再与散布性概点的等级结合定等作为该段布外观疵点的等级。内在质量的等级与外观质量的等级结合评定,定等方法见表7。表7
成品等级
内在质量定等
一等品
外观质量定等
一等品
二等品
三等品
一等品
二等品
三等品
二等品
二等品
三等品
等外品
注:①连续破损及断裂强力降为等外品者,按实际使用价值由供需双方协商处理。366
三等品
三等品
等外品
等外品
FZ/T 14001-92
②等外品中外观疵点严重而失去服用价值作为零瘫布处理。③局部性疵点与散布性疵点结合定等时,结合方法参照表7定等办法。5.3.3凡在一等品各项质量指标基础上,达到下列标准指标者为优等品。批内色差达到4级及以上,左、中、右色差:漂白、染色布达到4-5级,印花布达到4级。a.
局部性疵点平均每米允许最高评分:b.
幅宽100cm及以内,0.2分/m;
幅宽100cm以上,0.4分/m。
染色牢度不允许低于规定指标。纬斜、花斜、格斜不大于3%。
幅宽下偏差:
100cm及以内,一0.5cm;
100cm 以上,一1.0cm。
6试验检验方法
6.1幅宽按GB4667执行。
6.2纬纱密度按GB4668执行。
6.3断裂强力按GB3923执行。
6.4耐摩擦色牢度按GB3920执行。6.5耐洗色牢度按GB3921执行,其中试液配方与试验条件按6.3.1方法1执行。工厂常规试验,用块棉贴衬,有争议或仲裁时,采用二块贴衬,以沾色深的一块为评定依据。6.6水洗尺寸变化按GB8628、GB8629(其中洗涤用2A,干燥用F)GB8630执行。6.7耐光色牢度按GB8427中方法3执行。6.8耐刷洗色牢度按GB/T420执行,刷洗50次。6.9耐湿熨烫色牢度按GB6152执行,其中使用温度按6.1中(150士2)℃执行。6.10色差按GB250执行。
6.71外观质量检验规定
6.11.1采用灯光检验时,以40W加罩青光日光灯3~4支,照度不低于7501x为准。光源与布面距离为 1~1.2m。
6.11.2验布机上验布板的角度为45,布行速度最高为40m/min。布段的定等检验,按验布工做出的疵点标记,评分定等。
6.11.3布段的复验、验收应平摊桌面上按纬向展开,检验人员的视线正视布面,眼与布的距离为55~60cm。
6.12假开剪规定
6.12.1在一等品内,凡是达到降等程度和不允许存在的局部性疵点,允许假开剪,但必须做出明显标记。
6.12.2不同段长的假开剪规定
段长15m及以内不允许假开剪。超过15m,每增加10m允许假开剪一次,间距不限。6.12.3假开剪的加效长度,以10cm为量计单位,但经向超过50cm的瘫点不允许假开剪。7包装和标志
按ZBW08003执行。包内附有按GB5296.4要求的说明。8检验规则
参照GB432执行。
9其他
FZ/T1400192
特殊品种及用户对产品有特殊要求的,由供需双方另订协议。368
FZ/T 14001---92
附录A
服装用棉印染帆布加工系数
(补充件)
A1幅宽、密度、断裂强力的加工系数根据服装用棉本色帆布产品品种、规格标准,结合印染工艺设计,按规定的加工系数计算。加工系数见表Al。
白或经漂白染色
幅宽加工系数
注:防缩与特殊整理的产品不在此规定内。A2计算方法
标准幅宽
密度加工系数
标准幅宽=服装用棉本色帆布标准幅宽×幅宽加工系数标准经、纬纱密度
断裂强力加工系数
....(Al )
标准经、纬纱密度=服装用棉本色帆布标准经、纬纱密度×经、纬纱密度加工系数(A2)c.
标准经、纬向断裂强力
标准经、纬向断裂强力一服装用棉本色帆布标准经、纬向断裂强力×经、纬纱密度加工系数×经、纬向断裂强力加工系数(A3)附加说明:
本标准由纺织工业部科技发展司提出。本标准由上海纺织标准计量研究所归口。本标准由青岛纺织工业总公司和上海纺织工业局负责起草。本标准主要起草人王秀钧、何如榕、王丕琨、王嘉诚、夏富良。本标准是参考美国范友生公司的《梭织物的疵点分等标准》和日本纺织检查协会《棉织品(整理后)出口检查标准》制订的。优等品标准相当于国际先进水平,一等品标准相当于国际一般水平。369
小提示:此标准内容仅展示完整标准里的部分截取内容,若需要完整标准请到上方自行免费下载完整标准文档。
服装用棉印染帆布
主题内容与适用范围
FZ/T 14001—92
本标准规定了服装用棉印染帆布的产品规格、技术要求、试验方法、检验规则及包装和标志。本标准适用于鉴定服装用棉漂白、染色和印花帆布的品质。2引用标准
GB250评定变色用灰色样卡
评定沾色用灰色样卡
GB/T420纺织品耐刷洗色牢度试验方法印染棉布验收规则
GB4321
GB3920
GB3921
GB3923
GB4667
GB4668
纺织品耐摩擦色牢度试验方法
纺织品耐洗色牢度试验方法
机织物断裂强力和断裂伸长的测定(条样法)机织物幅宽的测定
机织物密度的测定
消费品使用说明纺织品和服装使用说明GB6152
GB8427
GB8628
GB8629
GB8630
纺织品耐热压(熨烫)色牢度试验方法纺织品耐光色牢度试验方法氙弧测定织物尺寸变化时试样的准备、标记和测量纺织品试验时采用的家庭洗涤及干燥程序纺织品在洗涤和干燥时尺寸变化的测定ZBW08003:棉及化纤纯纺、混纺印染布包装和标志3术语
3.1线状:沿经向或纬向延伸,宽度不超过0.2cm的疵点。3.2条状:沿经向或纬向延伸,宽度超过0.2cm的疵点。3.3稀密路:沿纬向延伸的稀密不匀的横档疵点。3.4条花:沿经向延伸或断续散布全匹,色泽有深有浅,两边又无明显界限的疵点。3.5间类布样:指与生产实样属相同纤维原料及相同织物组织的布样。3.6
参考样:指与生产实样不相同纤维原料或不相同织物组织的来样。4
产品品种、规格
根据用户需要及服装用棉本色帆布产品品种规格标准结合印染工艺设计分别制订。中华人民共和国纺织工业部1992-12-09批准362
1993-04-01实施
5技术要求
FZ/T 14001—92
技术要求分为内在质量和外观质量两个方面。内在质量包括纬纱密度、断裂强力、水洗尺寸变化及染色牢度等项指标;外观质量包括局部性点和散布性疵点两类。5.1内在质量
5.1.1纬纱密度、断裂强力
根据服装用棉本色帆布的品种规格标准结合印染工艺设计,按规定的加工系数计算。加工系数及计算方法见附录A(补充件)。
5.1.2水洗尺寸变化
不同工艺的漂白、染色、印花产品的水洗尺寸变化规定指标见表1。表1
漂白布
印染布
防缩产品
注:水洗尺寸变化最大限度为1.5%。5.1.3染色牢度
根据所用染料不同,其染色牢度规定指标见表2.表2
还原染
料色布
深、中色
硫化染料色布
纳夫妥染料色布
印花布
其他染料
注:①耐光色牢度为保证指标。变色
②按规定指标危许低二个半级,不允许低一水洗尺寸变化
不低于
耐摩擦
耐刷洗
1—-2
耐熨烫
湿烫沾色
一级,但规指标为1一2级者,不允许再低半级。%
③深、中、浅色的分档,按GB250进行评级,5级及以上为深色,2级及以下为浅色,介于深、浅之间者为中色。5.1.4各项技术要求评等规定
各项技术要求评等规定见表3。
纬密,根/10cm
断裂强力,N
水洗尺寸变化,%
染色牢度,级
5.2外观质量
按设计规定
按设计规定
按规定指标
按规定指标
FZ/T 14001--92
一等品
5.0及以内
—10.0及以内
符合标准
符合标准
5.2.1局部性疵点平均每米允许最高评分见表4。表4
允许评分
一等品
100 cm及以下
100cm以上
局部性瓣点允许总分计算规定
允许偏差
二等品
低于—5.0
- 10. 1~~ -16. 0
低于标准
低于标准
二等品
每段布的局部性布面疵点允许总分根据每米允许评分和段长决定。允许总分一每米允许评分×段长(m)段长和总分均计算精确至小数一位,按四舍五入法保留整数。5.2.3局部性疵点评分方法见表5。表5
藏点名称
经向疵点
纬向疵点
稀密路
轻微徽
2~50cm
0.5~10 cm
0.5~10 cm
0.5 cm 及以内
2cm~半幅免费标准下载网bzxz
0.5~10 cm
0.5 cm 及以内
10 cm~半幅
10. 1~15 cm
[15.1~25 cm
10.1~15cm15.125cm
超过半幅
4.1~10 cm
10.1~15cm15,1~半幅
10. 1~15 cm|15. 1~25 cm
0. 6~~4 cm
超过半幅
14.1~10cm
10cm~半幅
三等品
16. 1~~ -20. 0
三等品
降等限度
二等品
25.1~100 cm
25.1~100 cm
10.1~100cm
超过半幅
25.1~全幅
10.1~全幅
超过半幅
三等品
三等品
等外品
二等品
三等品
三等品
等外品
二等品
等外品
微点程
斑点名称
深浅边
荷叶边
距边2cm及以内
深人0. 5~1cm
深人1.1~2cm
FZ/T 14001—92
续表5
每5cm
经纬共断 2 根
每50cm
深入0.5cm以上20cm及以内,每处注:①破损包括破洞、破边、豁边、跳花。2分
②距边2cm及以内的破洞按破边评分,距边2cm以上的破边按破洞评分。5.2.4局部性疵点量计规定
经纬共断3根
~2cm及以内
20.1~100cm,每处
降等限度
三等品
三等品
等外品
二等品
三等品
三等品
5.2.4.1疵点长度按经向或纬向疵点的最大长度量计。若疵点长度超过评分起点时,不再计评分起点,应从0.1cm开始量计。
5.2.4.2在经向100cm以内,有几种瘫点同时存在时,应分别量计,累计评分,其最大评分数不超过4分。
5.2.5局部性疵点评分说明
5.2.5.1局部性疵点轻微与明显程度的区别,按GB250检验评定。4级为轻微,3—4级及以下为明显,4级以上不评分。
5.2.5.2重叠的局部性疵点,按评分多的一项评定。未列入本标准的疵点,按其形态参照相似疵点评定。
5.2.5.3除破损和边疵外,距边1cm及以内的其他局部性疵点不评分;距边1.1~2cm的疵点,按表5有关疵点减半评分,降等限度为二等品。5.2.5.4处评4分的疵点,等品内不允许存在,应作降等或假开剪处理。5.2.5.5难以数清、不易量计的分散疵点,根据疵点程度和分散的最大长度按经纬向疵点评定。5.2.5.6印花布的布面疵点,应根据对花布总效果的影响程度评定。5.2.5.70.5cm及以内的破边,一等品中允许存在经向长3cm及以内的二处。三处以上假开剪处理。5.2.5.8影响外观、不到评分起点的明显疵点,经向50cm内,每满6只评1分。5.2.5.9一项局部性疵点已达到降等限度,而同时存在其他局部性疵点需累计评分时,可按已降等等级的起点分数加其他露累计的局部性疵点的评分,作为该段布的总分。5.2.5.10评定布面窥点时,均以布段正面为推,若反面有连续的明显瘫点时,须降一个等。5.2.5.11所有影响外观的纱织疵,如粗经、错纬、竹节纱、经缩、断经等按其疵点影响外观的最大长度评分,不影响外观的不评分。
5.2.6散布性疵点评等规定见表6。365
窥点程度
不含色样
左中右色差
漂、色布
印花布
漂、色布
印花布
前后色差
正反面色差
花纹不符及染色不匀
纬斜、花斜、格斜,%
与同类布样比较
与参考样比较
与同类布样比较
与参考样比较
逐段检验
逐段检验
逐段检验
逐段检验
按标样
按标样
标准幅宽
按设计规定
幅宽,cm
100及以内
100以上
FZ/T 14001-92
-等品
4以上
不影响外观
5.0及以内
+2.0及以内
—1.0及以内
+2.5及以内
—1.5及以内
注:①用低级棉织造的品种,条花明显的不评分,严重的降低一个等级。二等品
低于3
低于2—3
低于2—3
低于2
影响外观
+2. 1~+3. 0
-1. 1~—2. 0
1.5~—2. 0
三等品
明显影响外观
大于8.0
大于+3.0
低于-2.0
大于3.5
低于-2.0
②条花在没有标样之前,暂按沿纬向两面看得出为轻微;沿经、纬向三面看得出为明显;四面看得出为严重。③花纹不符:包括对花不准、变形、露底、嵌浆、多刻、少刻、拖屉巴等。④染色不勾:指布面色泽不匀、焦斑、熙气、擦伤等。5.3分等规定
5.3.1产品的分等。内在质量按批评等,外观质量按段评等。分为优等品、一等品、二等品、三等品。达不到三等品的为等外品。
5.3.2在同一布段内,内在质量和外观质量的散布性疵点,均以最低一项评等;外观质量的局部性瘫点与散布性疵点同时存在时,先计算局部性疵点的评分,评定等级,再与散布性概点的等级结合定等作为该段布外观疵点的等级。内在质量的等级与外观质量的等级结合评定,定等方法见表7。表7
成品等级
内在质量定等
一等品
外观质量定等
一等品
二等品
三等品
一等品
二等品
三等品
二等品
二等品
三等品
等外品
注:①连续破损及断裂强力降为等外品者,按实际使用价值由供需双方协商处理。366
三等品
三等品
等外品
等外品
FZ/T 14001-92
②等外品中外观疵点严重而失去服用价值作为零瘫布处理。③局部性疵点与散布性疵点结合定等时,结合方法参照表7定等办法。5.3.3凡在一等品各项质量指标基础上,达到下列标准指标者为优等品。批内色差达到4级及以上,左、中、右色差:漂白、染色布达到4-5级,印花布达到4级。a.
局部性疵点平均每米允许最高评分:b.
幅宽100cm及以内,0.2分/m;
幅宽100cm以上,0.4分/m。
染色牢度不允许低于规定指标。纬斜、花斜、格斜不大于3%。
幅宽下偏差:
100cm及以内,一0.5cm;
100cm 以上,一1.0cm。
6试验检验方法
6.1幅宽按GB4667执行。
6.2纬纱密度按GB4668执行。
6.3断裂强力按GB3923执行。
6.4耐摩擦色牢度按GB3920执行。6.5耐洗色牢度按GB3921执行,其中试液配方与试验条件按6.3.1方法1执行。工厂常规试验,用块棉贴衬,有争议或仲裁时,采用二块贴衬,以沾色深的一块为评定依据。6.6水洗尺寸变化按GB8628、GB8629(其中洗涤用2A,干燥用F)GB8630执行。6.7耐光色牢度按GB8427中方法3执行。6.8耐刷洗色牢度按GB/T420执行,刷洗50次。6.9耐湿熨烫色牢度按GB6152执行,其中使用温度按6.1中(150士2)℃执行。6.10色差按GB250执行。
6.71外观质量检验规定
6.11.1采用灯光检验时,以40W加罩青光日光灯3~4支,照度不低于7501x为准。光源与布面距离为 1~1.2m。
6.11.2验布机上验布板的角度为45,布行速度最高为40m/min。布段的定等检验,按验布工做出的疵点标记,评分定等。
6.11.3布段的复验、验收应平摊桌面上按纬向展开,检验人员的视线正视布面,眼与布的距离为55~60cm。
6.12假开剪规定
6.12.1在一等品内,凡是达到降等程度和不允许存在的局部性疵点,允许假开剪,但必须做出明显标记。
6.12.2不同段长的假开剪规定
段长15m及以内不允许假开剪。超过15m,每增加10m允许假开剪一次,间距不限。6.12.3假开剪的加效长度,以10cm为量计单位,但经向超过50cm的瘫点不允许假开剪。7包装和标志
按ZBW08003执行。包内附有按GB5296.4要求的说明。8检验规则
参照GB432执行。
9其他
FZ/T1400192
特殊品种及用户对产品有特殊要求的,由供需双方另订协议。368
FZ/T 14001---92
附录A
服装用棉印染帆布加工系数
(补充件)
A1幅宽、密度、断裂强力的加工系数根据服装用棉本色帆布产品品种、规格标准,结合印染工艺设计,按规定的加工系数计算。加工系数见表Al。
白或经漂白染色
幅宽加工系数
注:防缩与特殊整理的产品不在此规定内。A2计算方法
标准幅宽
密度加工系数
标准幅宽=服装用棉本色帆布标准幅宽×幅宽加工系数标准经、纬纱密度
断裂强力加工系数
....(Al )
标准经、纬纱密度=服装用棉本色帆布标准经、纬纱密度×经、纬纱密度加工系数(A2)c.
标准经、纬向断裂强力
标准经、纬向断裂强力一服装用棉本色帆布标准经、纬向断裂强力×经、纬纱密度加工系数×经、纬向断裂强力加工系数(A3)附加说明:
本标准由纺织工业部科技发展司提出。本标准由上海纺织标准计量研究所归口。本标准由青岛纺织工业总公司和上海纺织工业局负责起草。本标准主要起草人王秀钧、何如榕、王丕琨、王嘉诚、夏富良。本标准是参考美国范友生公司的《梭织物的疵点分等标准》和日本纺织检查协会《棉织品(整理后)出口检查标准》制订的。优等品标准相当于国际先进水平,一等品标准相当于国际一般水平。369
小提示:此标准内容仅展示完整标准里的部分截取内容,若需要完整标准请到上方自行免费下载完整标准文档。

标准图片预览:





- 其它标准
- 热门标准
- 纺织行业标准(FZ)
- FZ/T94007.2-2013 综第2部分:织机综框用钢丝综
- FZ/T01057.1-2007 纺织纤维鉴别试验方法 第1部分:通用说明
- FZ/T61002-2019 化纤仿毛毛毯
- FZ/T34002-1992 亚麻印染布
- FZ/T01041-2014 绒毛织物 绒毛长度和绒毛高度的测定
- FZ/T63052—2020 涤纶短纤织带
- FZ/T73043—2020 针织衬衫
- FZ/T50002-2013 化学纤维异形度试验方法
- FZ/T63035-2016 聚酰胺复丝双层编织结构绳索
- FZ/T43018-2017 蚕丝绒毯
- FZ/T13051—2021 棉羊毛混纺涤纶弹力丝包芯纱本色布
- FZ/T52038-2014 充填用再生涤纶超短纤维
- FZ∕T14041-2018 灯芯绒涤棉混纺印染布
- FZ/T60014-2017 絮片耐洗涤性能试验方法
- FZ/T98007-2011 电子单纱强力仪
- 行业新闻
请牢记:“bzxz.net”即是“标准下载”四个汉字汉语拼音首字母与国际顶级域名“.net”的组合。 ©2009 标准下载网 www.bzxz.net 本站邮件:bzxznet@163.com
网站备案号:湘ICP备2023016450号-1
网站备案号:湘ICP备2023016450号-1