- 您的位置:
 - 标准下载网 >>
 - 标准分类 >>
 - 纺织行业标准(FZ) >>
 - FZ/T 14006-1996 印染棉经平绒
 
标准号:
FZ/T 14006-1996
标准名称:
印染棉经平绒
标准类别:
纺织行业标准(FZ)
标准状态:
现行- 
          	
发布日期:
1996-12-27 - 
		 
实施日期:
1997-07-01 出版语种:
简体中文下载格式:
.rar.pdf下载大小:
356.77 KB
标准ICS号:
纺织和皮革技术>>纺织产品>>59.080.30纺织物中标分类号:
纺织>>印染制品>>W71棉与棉混纺织物印染品
替代情况:
ZB W71003-89
起草单位:
中国纺织总会棉纺织印染标准化技术归口单位上海纺织标准计量研究所归口单位:
中国纺织总会棉纺织印染标准化技术归口单位上海纺织标准计量研究所发布部门:
中国纺织总会相关标签:
印染
点击下载
标准简介:
										 标准下载解压密码:www.bzxz.net
					 					 
						 
	        
	      本标 准 规 定了印染棉经平绒的产品规格、技术要求、试验方法、检验规则、包装、标志和运输、贮存\\r本标 准 适 用于鉴定各类漂白、染色、印花棉经平绒(经起绒)的质量。本标 准 也 适用于粘胶纱线、粘棉混纺纱线经平绒。 FZ/T 14006-1996 印染棉经平绒 FZ/T14006-1996
部分标准内容:
					
					FZ/T14006—1996
根据中国纺织总会下达的计划对ZBW71003一89《印染棉经平绒》专业标准进行修订。现将对ZBW71003的重要技术内容修改说明如下:由于采用原料品种的发展,在范围内增加了粘胶纱线、粘棉混纺纱线经平绒也适用于本标准的1.
规定。
鉴于外观疵点标样复制技术难度大,删去需采用疵点标样9个。平绒织造采用新型织机日渐增加,对门幅划分本着与其他标准相协调的原则作了调整。3.
为适应国内外市场对纬斜、花斜、格斜要求日益从严的趋向,其极限要求相应加严1%。4.
本标准分等规定采用以每米允许分的分等规定,绒面疵点的评分方法采用10分制的评分方5
法,检验规则采用FZ/T10005一93《棉及化纤纯纺、混纺印染布检验规则》,进一步与国家标准、国际标准统一,有利于平绒产品的国际国内的贸易和交流。外观质量中轻微线状和短绒疵点程度等都比原标准相应收严,提高了标准水平。6.
7.编写格式及部分文字措辞则按GB/T1.1—1993的新要求作了相应修改。本标准附录A是提示的附录。
本标准自生效之日起同时代替ZBW71003-89。本标准由中国纺织总会科技发展部提出。本标准由中国纺织总会棉纺织印染标准化技术归口单位上海纺织标准计量研究所归口。本标准由上海纺织标准计量研究所、上海望春花实业股份有限公司、苏州市吴县丝绒染整厂、沈阳第二印染厂、浙江幽兰集团股份有限公司共同起草。676
1范围
中华人民共和国纺织行业标准
印染棉经平绒
FZ/T 14006-1996
代替ZBW71003-89
本标准规定了印染棉经平绒的产品规格、技术要求、试验方法、检验规则、包装、标志和运输、贮存。本标准适用于鉴定各类漂白、染色、印花棉经平绒(经起绒)的质量。本标准也适用于粘胶纱线、粘棉混纺纱线经平绒。2引用标准
下列标准所包含的条文,通过在本标准中引用而构成为本标准的条文。本标准出版时,所示版本均为有效。所有标准都会被修订,使用本标准的各方应探讨使用下列标准最新版本的可能性。GB250-1995评定变色用灰色样卡GB 2511995
评定沾色用灰色样卡
GB 3920—-83
纺织品耐摩擦色牢度试验方法
GB 3921--83
纺织品耐洗色牢度试验方法
GB 3923—83#
机织物断裂强力和断裂伸长的测定(条样法)5机织物长度的测定
GB/T 4666—1995
GB/T4667-1995机织物幅宽的测定GB/T4668-1995机织物密度的测定GB/T4669—1995机织物单位长度质量和单位面积质量的测定GB 8427--87
纺织品耐光色牢度试验方法(氙弧)GB 8628--88
测定织物尺寸变化时试样的准备、标记和测量纺织品试验时采用的家庭洗涤及干燥程序GB 8629--88
GB 8630-—88
纺织品在洗涤和干燥时尺寸变化的测定FZ/T10005—93棉及化纤纯纺、混纺印染布检验规则FZ/T10010-1996棉及化纤纯纺、混纺印染布标志与包装3定义
本标准采用下列定义。
3.1经向疵点
沿经向延伸的长形疵点。宽度不超过0.2cm(包括0.2cm)为线状,宽度超过0.2cm的为条状。3.2纬向疵点
沿纬向延伸的长形疵点。宽度不超过0.2cm(包括0.2cm)为横线,宽度超过0.2cm的为横条。3.3倒绒
局部绒毛倒向不一致。
3.4厚薄段
绒面呈现规律性或不规则状的绒毛段稀、段密或段高、段低的现象。中国纺织总会1996-12-27批准
1997-07-01实施
3.5缺绒
绒面局部无绒毛,呈露地状。
3.6短绒
绒面上局部绒毛偏低。
FZ/T 14006--1996
3.7偏绒
由同一卷绒割出的两层绒面,一层薄,一层厚,属全幅性偏绒。同一匹绒前后或同幅绒左、中、右绒毛高低不一,属局部性偏绒。
3.8毛点
绒毛高出绒面或含在绒面里呈星点状的疵点。3.9鱼鳞斑
绒面呈现鱼鳞状的斑纹。
3.10压皱印
经过适当处理,可以恢复的折痕。3.11边疵
指深入绒面2cm及以内的疵点。
3.12 刀路
坏绒在割绒或印染加工剪绒时,局部绒毛被割(剪)得长短不齐,绒面上呈现规则或不规则的刀痕称为刀路。割绒时产生的刀路叫割刀路;剪绒时造成的刀路叫剪刀路。3.13条花
指经向延伸或断续散布全匹,色泽有深有浅的条状疵点。3.14豁边
边组织单断经纱。
3.15条格花型
指印花平绒的花型各条、各格经纬互相交叉成格型或花型成条状(格子最大一边不超过0.5cm,不算条格花型)。
3.16同类平绒样
指与生产实样属相同纤维原料及相同织物组织的来样。3.17参考样
指与生产实样不同纤维原料及不同组织的来样。4产品分类
印染棉经平绒的产品分类按本色棉经平绒品种规格标准结合印染工艺设计分别制定,特殊品种及用户有特殊要求的由供需双方另订协议。5要求
印染棉经平绒的技术要求,分为内在质量和外观质量两个方面。内在质量包括密度、断裂强力、质量(平方米克重)、水洗尺寸变化率、色牢度等项指标;外观质量包括局部性疵点和散布性疵点两类。5.1内在质量
5.1.1密度、断裂强力、质量(平方米克重)印染棉经平绒的密度、断裂强力、质量(平方米克重)的标准由各生产部门根据本色棉经平绒技术要求及附录A规定的各种印染加工系数,分别计算制定。凡使用不符合附录A规定的各种印染加工系数的坏布加工生产的产品,其物理指标及水洗尺寸变化率不按本标准的指标考核。
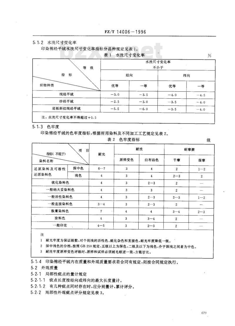
5.1.2水洗尺寸变化率
FZ/T14006-1996
印染棉经平绒水洗尺寸变化率指标分品种规定见表1。表1水洗尺寸变化率
水洗尺寸变化率
织物种类
线经平绒
纱经平绒
底板斜纹线经平绒
注:水洗尺寸变化率不得超过+1.55.1.3色牢度
不小于
印染棉经平绒的色牢度指标,根据所用染料及不同加工工艺规定见表2。表2色牢度指标
指标(不低于)
染料名称
还原染料及可溶性
还原染料色
硫化染料色
深中色
一般纳夫妥染料色
般活性染料色
一般直接染料色
酥菁染料色
涂料色
-般印花
原样变色
白布沾色
耐摩擦
耐光牢度为保证级数,对个别浅的活性色、硫化杂色和直接色,耐光牢度降低一级。2深中浅色的分档,按照GB250规定,五级以上为深色,二级及以下为浅色,介于深浅之间者为中色。耐洗牢度原样变色评级时,原样和试样必须绒毛顺逆一致,方能对比。3
5.1.4印染棉经平绒内在质量和外观质量要求若合同有规定,则按合同规定执行。5.2外观质量
5.2.1局部性疵点的量计规定
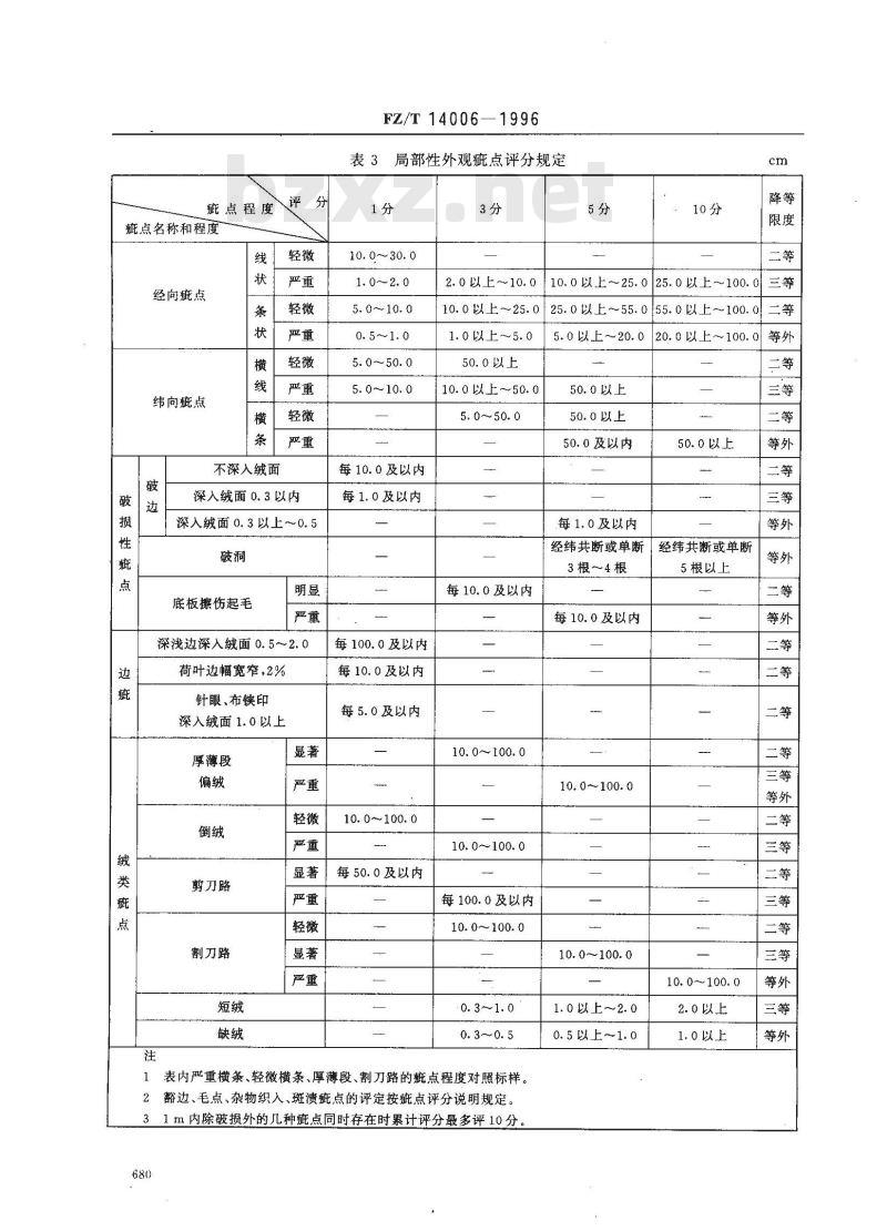
5.2.1.1疵点长度按经向或纬向的最大长度量计。5.2.1.2有几种疵点同时存在时,应分别量计,累计评分。5.2.2局部性外观疵点评分规定见表3。一等
疵点程度
疵点名称和程度
经向疵点免费标准bzxz.net
纬向疵点
不深入绒面
深入绒面0.3以内
深入绒面0.3以上~0.5
底板擦伤起毛
深浅边深入绒面0.5~2.0
荷叶边幅宽窄,2%
针眼、布侠印
深入绒面1.0以上
厚薄段
剪刀路
割刀路
FZ/T14006—1996
表3局部性外观疵点评分规定
10.0~~30.0
1. 0~2. 0
5. 0~10.0
0. 5 ~1. 0
每 10. 0 及以内
每1.0及以内
每100.0及以内
每10.0及以内
每5.0及以内
10.0~100.0
显著每50.0及以内
2.0以上~10.010.0以上~25.025.0以上~~100.0三等
10.0以上~25.0
25.0以上~55.055.0以上~~100.01. 0 以上~5. 0
50.0以上
10.0以上~50. 0
每10.0及以内
10. 0~100. 0
10. 0~100. 0
每100.0及以内
10.0~100.0
表内严重横条、轻微横条、厚薄段、割刀路的疵点程度对照标样。2豁边、毛点、杂物织入、斑渍疵点的评定按疵点评分说明规定。31m内除破损外的几种疵点同时存在时累计评分最多评10分。680
5.0以上~20.020.0以上~100.050.0以上
50.0以上
50.0及以内
每1.0及以内
经纬共断或单断
3根~4根
每10.0及以内
10.0~~100.0
10. 0~~100. 0
1.0以上~2. 0
0. 5以上~1. 0
50.0以上
经纬共断或单断
5根以上
10. 0 ~~ 100. 0
2.0以上
1.0以上
5.2.3局部性疵点评分说明
FZ/T14006--1996
5.2.3.1豁边深入绒面0.5cm及以内每处评1分,降等限度为二等,深入绒面0.5~1.0cm每处评3分,降等限度为三等。
5.2.3.2杂物织入粗0.1~0.2cm每个评1分,粗0.2cm以上~0.3cm每个评3分,粗0.3cm以上每个评10分,降等限度为二等。5.2.3.3毛点25cm×25cm之内20个及以内每100cm评1分,降等限度为二等;满30个每100cm评5分,降等限度为三等;满30个以上每100cm评10分,降等限度为等外。5.2.3.4个别斑溃轻微的按严重线状评分,降等限度为二等,严重的按严重条状加倍评分,降等限度为三等。分散斑渍轻微10.0~100.0cm评3分,降等限度为三等,严重的0.5~50.0cm评10分,降等限度为等外。
5.2.3.5除破损和边疵外,深入绒面2cm及以内的疵点,按原疵点减半评分(累计后取整数)。5.2.3.6重叠的局部性疵点,按评分多的一项评分。5.2.3.7绒面的疵点和标准评定方法按顺光平摊桌面,经向、纬向四方面看。两面达到,两面达不到,为达不到,一面超过,一面达到,两面达不到,为达到。5.2.4散布性疵点按幅宽偏差、色差、歪斜等不同疵点类别,采取对不同等级产品规定不同症点程度的方法,其允许程度见表4规定。
表4·散布性疵点允许程度规定
允许程度
疵点名称和类别
100cm及以下
100.1 cm~135 cm
135cm以上
漂、色
花平绒
左中右
同类平绒样
参考样
同类平绒样
参考样
漂、色平绒
花平绒
纬斜、漂、色平绒和一般花平绒花斜、
条格花平绒
条花(标样)
优等品
一等品
+2.0cm及以内|+2.0cm及以内
—1.0 cm 及以内
-1.0cm及以内
+2.5cm及以内+2.5cm及以内
-1.5cm及以内」
二等品
2.1 cm~4.0 cm
1.1 cm~-3. 0.cml
2.6 cm~4.4 cm
可一1.5cm及以内
g—1.6cm~~—3.5cml
+3.0cm及以内+3.0cm及以内
2.0cm及以内
≥3级
≥3级
≥4级
≥4级
棉结杂质深浅瓣点鱼鳞斑(标样)花纹不符及染色不匀(标样)
压皱印
不影响外观
3.1 cm~5.1 cm
-2.0 cm 及以内l
-2. 1 cm~
2—3级
2—3级
3--4级
3—4级
3. 0% ~5. 0%
3. 0% ~ 4. 0%
轻微影响外观
不影喇外观
轻微影响外观
2—3级
1—2级
3-4级
5. 1% ~8. 0%
4. 1%~7.0%
显著影响外观
轻微影响外观
严重影响外观
三等品
超过二等品
允许偏差
超过二等品
允许偏差
超过二等品
允许偏差
2—3级
2--3级
超过8.0%
超过 7. 0%
等外品
2—3级
显著影响外观严重影响外观
5.3分等规定
FZ/T14006—1996
5.3.1印染棉经平绒的分等,内在质量按批评等,外观质量按匹评等,以两者中最低等级为最后评定等级。分为优等品、一等品、二等品和三等品,达不到三等品的为等外品。5.3.2在同-匹内,内在质量以最低一项评等;外观质量的局部性疵点采用有限度的每米允许评分的办法评定等级,散布性疵点按最低一项评等。外观质量的局部性疵点与散布性疵点同时存在时,先计算局部性疵点的评分,评定等级,再与散布性疵点的等级结合定等作为该匹绒布外观疵点的等级。结合方法见表5。
表5结合定等表
外观质量等级
散布性疵点等级
局部性疵点等级
5.3.3内在质量评等见表6规定。优等
表6内在质量评等表
根/10cm
断裂强力
质量(平方米克重)
水洗尺寸变化率
染色牢度
优等品
按设计规定
按设计规定
按设计规定
按设计规定
按品种规定,见表1
按试验项目规定,见表2
局部性疵点评等规定见表7。
平均每米允许评分数
一1.5%及以内
--2.0%及以内
-8%及以内
-3%及以内
符合优等指标
符合指标
100cm及以内
100. 1 cm~135 cm
135cm以上
5.3.5局部性疵点允许总分计算规定一等品
允许偏差
-1. 6% ~-2. 0%
-2. 1% ~ -3. 0%
8. 1% ~ 10%
-3. 1% ~ -5%
符合一等指标
二等品
超过—2.0%
超过—3.0%
-10. 1% ~-16%
超过一5%
大于等指标
其中允许二项低1/2级
低于一等品允许偏差
局部性疵点评等表
优等品
二等品
三等品
三等品
局部性疵点允许总分根据每米允许评分数乘以段长所得的积保留一位小数,四舍五入取整数。5.3.6外观质量的评等说明
5.3.6.1优等品不允许有评5分及以上的局部性疵点存在,不允许破边、缺边、豁边。一等品不允许有682
FZ/T 14006-1996
评10分的局部性疵点存在,评5分的局部性疵点允许1处。但允许假开剪的疵点,按假开剪规定处理。5.3.6.2局部性外观疵点的轻微与严重程度区别按GB250规定评定。3级及以上为轻微,3级以下为严重。绒毛高度相差0.25mm~0.4mm,偏绒为显著,绒毛高度差异0.4mm以上为严重。5.3.6.3印花平绒的外观疵点,应根据原样和总效果评定。5.3.6.4评定外观疵点时,均以绒面为准。反面有通匹性散布的严重疵点,须降一个等。5.3.6.5未列入本标准的疵点,按其形态,参照相似疵点评定。5.3.7假开剪的规定
5.3.7.1印染棉经平绒的假开剪,其段长应在10cm及以上,距匹端2m及以上,间隔至少4m,平均满10m允许一处假开剪。每10cm的疵点让尺10cm,不足10cm以10cm计。假开剪处应作出明显标(印)志。
5.3.7.2下列疵点必须开剪:
25cm以上的严重线状;
深入绒面0.5cm以上,经向长2cm以上的破边、缺边;经纬共断或单断,最大距离1cm以上的破洞;d)
10cm以上的短绒;
3cm以上的缺绒;
f)25cm以上的严重底板擦伤;
g)2cm以上的严重斑渍。
5.3.7.3假开剪后的平绒应是一等品。6试验方法
6.1长度按GB/T4666执行。
6.2幅宽按GB/T4667执行。
6.3密度按GB/T4668执行。
6.4质量按GB/T4669执行。
6.5耐摩擦牢度按GB3920执行(采用经向试样)。6.6耐洗色牢度按GB3921中6.3.1方法3执行。6.7断裂强力按GB3923执行。
6.8耐光色牢度按GB8427执行。
6.9水洗尺寸变化率按GB8628、GB8630及GB8629中2A法执行。6.10色差、变色按GB250评定。
6.11沾色按GB251评定。
6.12外观质量检验规定
6.12.1光线以天然北光为准,不可有东南西光反射。若使用灯光检验时,须用40W加罩青光日光灯管3~4只。照度不低于750lx,光源与绒面距离为1~1.2m。6.12.2绒匹的定等检验、复验、验收应平摊桌面上,逐幅检验。检验人员俯视绒面。眼睛距离绒面疵点中心为50~60cm,俯视角为45°~50°。6.12.3幅宽135cm以上的,应两人检验,最高布速为30m/min。6.12.4规定棉经平绒检验正面,梢印盖在反面。7检验规则
按FZ/T10005执行。
8包装、标志
FZ/T 14006--1996
印染棉经平绒的包装、标志按FZ/T10010有关规定及8.1条的要求执行。8.1
每包(件)的长度及段数规定见表8。表8包(件)长度及段数规定
每件布长度
8.2标志
整匹布允许最多匹数
匹/件
拼件布允许最多段数
段/件
印染棉经平绒成品可粘贴成品说明书,优等品用白纸红字。也可拴挂吊牌,注有品名、色(花)号、色名、长度、幅宽等内容。具体格式按协议规定执行。9运输、贮存
9.1运输
印染棉经平绒出厂后,漂白产品及硫化染料产品贮存期不超过1年半。在此期限内,如发生变质,经查明原因,确属生产厂责任,应由生产厂负责处理。9.2贮存
印染棉经平绒凡因运输、保管以及其他原因,以致品质受到影响时,则通过调查分析,查清责任,由责任方负责处理。
9.3复验或仲裁的一切费用由责任方负责。s
FZ/T 14006--1996
附录A
(提示的附录)
印染棉经平绒各项物理指标计算方法及规定(供生产广内部执行)
S=Se×K_
式中:S-印染棉经平绒标准幅宽,cm;Ss本色棉经平绒标准宽,cm;
K,—幅宽加工系数。
幅宽加工系数和经向密度加工系数规定见表A1表A1幅宽加工系数和经向密度加工系数织物种类
各类棉经平绒
A2经向密度
式中:Er—
幅宽加工系数
0.900~0. 935
E = P ×K × 2—
印染棉经平绒标准经向密度;
Pr—一本色棉经平绒标准经向密度;Kr——经向密度加工系数;
K2——割绒加工系数
K ~--经向密度修正数。
式中:Mn-
一个完全的底经根数;
一一个完全组织的总经根数。
经向密度修正系数规定见表A2。表A2
成品计算经密
200根及以下
201~400根
401根及以上
注:经密不包括绒经。
A3纬向密度
经向密度修正系数
......(Al)
经向密度加工系数
1.1111.070
(A2)
·(A3)
(A4)
经向密度修正系数
Ew = Pw× Kw
式中:Ew-
-印染棉经平绒标准纬向密度;
Pw-本色棉经平绒标准纬向密度;·(A5)
式中:R
一纬向密度加工系数。
一伸长率。
纬向密度加工系数规定见表A3。织物种类
线经平绒
纱经平绒
底板斜纹经平绒
经向断裂强力
FZ/T14006—1996
纬向密度加工系数
Ff-f×K×Er
式中:F-印染棉经平绒标准经向断裂强力,N;fr—本色棉经平绒标准经向断裂强力,N;K。经向断裂强力加工系数;
-印染棉经平绒标准经密;
Pr——本色棉经平绒标准经密。断裂强力加工系数规定见表A4。表A4
成品种类
一般染色
菁染色
一般印花
精元印花
A5纬向断裂强力
断裂强力加工系数
浅中色
Fw=fw×K,×Kw
式中:Fw-
印染棉经平绒标准纬向断裂强力,N,fw本色棉经平绒标准纬向断裂强力,N;K。纬向断裂强力加工系数;
A6质量
式中:Q-
-印染棉经平绒纬向密度加工系数。Q = Qp X K
印染棉经平绒标准质量,g/m\;坏布变形质量;
一质量加工系数。
Qp = Qe X K1 X Kw
+++++++++++*
纬向密度加工系数
可按公式计算
断裂强力加工系数
(A7)
(A8)
(A9)
(A10)
式中:Qp—坏布变形质量;
FZ/T 14006
Qe—本色棉经平绒标准质量,g/m;Kf—经向密度加工系数;
一纬向密度加工系数
质量加工系数见表A5。
表A5质量加工系数
织物种类
地板平纹棉经平绒
质量加工系数
各项物理指标,均以整数表示,计算时精确至小数一位,按四舍五入法保留整数。A7其他
特殊需要,不按本标准规定“幅宽加工系数”生产的印染线经平绒均不能纳入本办法计算规定之内。687
小提示:此标准内容仅展示完整标准里的部分截取内容,若需要完整标准请到上方自行免费下载完整标准文档。
	 
	        
	      根据中国纺织总会下达的计划对ZBW71003一89《印染棉经平绒》专业标准进行修订。现将对ZBW71003的重要技术内容修改说明如下:由于采用原料品种的发展,在范围内增加了粘胶纱线、粘棉混纺纱线经平绒也适用于本标准的1.
规定。
鉴于外观疵点标样复制技术难度大,删去需采用疵点标样9个。平绒织造采用新型织机日渐增加,对门幅划分本着与其他标准相协调的原则作了调整。3.
为适应国内外市场对纬斜、花斜、格斜要求日益从严的趋向,其极限要求相应加严1%。4.
本标准分等规定采用以每米允许分的分等规定,绒面疵点的评分方法采用10分制的评分方5
法,检验规则采用FZ/T10005一93《棉及化纤纯纺、混纺印染布检验规则》,进一步与国家标准、国际标准统一,有利于平绒产品的国际国内的贸易和交流。外观质量中轻微线状和短绒疵点程度等都比原标准相应收严,提高了标准水平。6.
7.编写格式及部分文字措辞则按GB/T1.1—1993的新要求作了相应修改。本标准附录A是提示的附录。
本标准自生效之日起同时代替ZBW71003-89。本标准由中国纺织总会科技发展部提出。本标准由中国纺织总会棉纺织印染标准化技术归口单位上海纺织标准计量研究所归口。本标准由上海纺织标准计量研究所、上海望春花实业股份有限公司、苏州市吴县丝绒染整厂、沈阳第二印染厂、浙江幽兰集团股份有限公司共同起草。676
1范围
中华人民共和国纺织行业标准
印染棉经平绒
FZ/T 14006-1996
代替ZBW71003-89
本标准规定了印染棉经平绒的产品规格、技术要求、试验方法、检验规则、包装、标志和运输、贮存。本标准适用于鉴定各类漂白、染色、印花棉经平绒(经起绒)的质量。本标准也适用于粘胶纱线、粘棉混纺纱线经平绒。2引用标准
下列标准所包含的条文,通过在本标准中引用而构成为本标准的条文。本标准出版时,所示版本均为有效。所有标准都会被修订,使用本标准的各方应探讨使用下列标准最新版本的可能性。GB250-1995评定变色用灰色样卡GB 2511995
评定沾色用灰色样卡
GB 3920—-83
纺织品耐摩擦色牢度试验方法
GB 3921--83
纺织品耐洗色牢度试验方法
GB 3923—83#
机织物断裂强力和断裂伸长的测定(条样法)5机织物长度的测定
GB/T 4666—1995
GB/T4667-1995机织物幅宽的测定GB/T4668-1995机织物密度的测定GB/T4669—1995机织物单位长度质量和单位面积质量的测定GB 8427--87
纺织品耐光色牢度试验方法(氙弧)GB 8628--88
测定织物尺寸变化时试样的准备、标记和测量纺织品试验时采用的家庭洗涤及干燥程序GB 8629--88
GB 8630-—88
纺织品在洗涤和干燥时尺寸变化的测定FZ/T10005—93棉及化纤纯纺、混纺印染布检验规则FZ/T10010-1996棉及化纤纯纺、混纺印染布标志与包装3定义
本标准采用下列定义。
3.1经向疵点
沿经向延伸的长形疵点。宽度不超过0.2cm(包括0.2cm)为线状,宽度超过0.2cm的为条状。3.2纬向疵点
沿纬向延伸的长形疵点。宽度不超过0.2cm(包括0.2cm)为横线,宽度超过0.2cm的为横条。3.3倒绒
局部绒毛倒向不一致。
3.4厚薄段
绒面呈现规律性或不规则状的绒毛段稀、段密或段高、段低的现象。中国纺织总会1996-12-27批准
1997-07-01实施
3.5缺绒
绒面局部无绒毛,呈露地状。
3.6短绒
绒面上局部绒毛偏低。
FZ/T 14006--1996
3.7偏绒
由同一卷绒割出的两层绒面,一层薄,一层厚,属全幅性偏绒。同一匹绒前后或同幅绒左、中、右绒毛高低不一,属局部性偏绒。
3.8毛点
绒毛高出绒面或含在绒面里呈星点状的疵点。3.9鱼鳞斑
绒面呈现鱼鳞状的斑纹。
3.10压皱印
经过适当处理,可以恢复的折痕。3.11边疵
指深入绒面2cm及以内的疵点。
3.12 刀路
坏绒在割绒或印染加工剪绒时,局部绒毛被割(剪)得长短不齐,绒面上呈现规则或不规则的刀痕称为刀路。割绒时产生的刀路叫割刀路;剪绒时造成的刀路叫剪刀路。3.13条花
指经向延伸或断续散布全匹,色泽有深有浅的条状疵点。3.14豁边
边组织单断经纱。
3.15条格花型
指印花平绒的花型各条、各格经纬互相交叉成格型或花型成条状(格子最大一边不超过0.5cm,不算条格花型)。
3.16同类平绒样
指与生产实样属相同纤维原料及相同织物组织的来样。3.17参考样
指与生产实样不同纤维原料及不同组织的来样。4产品分类
印染棉经平绒的产品分类按本色棉经平绒品种规格标准结合印染工艺设计分别制定,特殊品种及用户有特殊要求的由供需双方另订协议。5要求
印染棉经平绒的技术要求,分为内在质量和外观质量两个方面。内在质量包括密度、断裂强力、质量(平方米克重)、水洗尺寸变化率、色牢度等项指标;外观质量包括局部性疵点和散布性疵点两类。5.1内在质量
5.1.1密度、断裂强力、质量(平方米克重)印染棉经平绒的密度、断裂强力、质量(平方米克重)的标准由各生产部门根据本色棉经平绒技术要求及附录A规定的各种印染加工系数,分别计算制定。凡使用不符合附录A规定的各种印染加工系数的坏布加工生产的产品,其物理指标及水洗尺寸变化率不按本标准的指标考核。
5.1.2水洗尺寸变化率
FZ/T14006-1996
印染棉经平绒水洗尺寸变化率指标分品种规定见表1。表1水洗尺寸变化率
水洗尺寸变化率
织物种类
线经平绒
纱经平绒
底板斜纹线经平绒
注:水洗尺寸变化率不得超过+1.55.1.3色牢度
不小于
印染棉经平绒的色牢度指标,根据所用染料及不同加工工艺规定见表2。表2色牢度指标
指标(不低于)
染料名称
还原染料及可溶性
还原染料色
硫化染料色
深中色
一般纳夫妥染料色
般活性染料色
一般直接染料色
酥菁染料色
涂料色
-般印花
原样变色
白布沾色
耐摩擦
耐光牢度为保证级数,对个别浅的活性色、硫化杂色和直接色,耐光牢度降低一级。2深中浅色的分档,按照GB250规定,五级以上为深色,二级及以下为浅色,介于深浅之间者为中色。耐洗牢度原样变色评级时,原样和试样必须绒毛顺逆一致,方能对比。3
5.1.4印染棉经平绒内在质量和外观质量要求若合同有规定,则按合同规定执行。5.2外观质量
5.2.1局部性疵点的量计规定
5.2.1.1疵点长度按经向或纬向的最大长度量计。5.2.1.2有几种疵点同时存在时,应分别量计,累计评分。5.2.2局部性外观疵点评分规定见表3。一等
疵点程度
疵点名称和程度
经向疵点免费标准bzxz.net
纬向疵点
不深入绒面
深入绒面0.3以内
深入绒面0.3以上~0.5
底板擦伤起毛
深浅边深入绒面0.5~2.0
荷叶边幅宽窄,2%
针眼、布侠印
深入绒面1.0以上
厚薄段
剪刀路
割刀路
FZ/T14006—1996
表3局部性外观疵点评分规定
10.0~~30.0
1. 0~2. 0
5. 0~10.0
0. 5 ~1. 0
每 10. 0 及以内
每1.0及以内
每100.0及以内
每10.0及以内
每5.0及以内
10.0~100.0
显著每50.0及以内
2.0以上~10.010.0以上~25.025.0以上~~100.0三等
10.0以上~25.0
25.0以上~55.055.0以上~~100.01. 0 以上~5. 0
50.0以上
10.0以上~50. 0
每10.0及以内
10. 0~100. 0
10. 0~100. 0
每100.0及以内
10.0~100.0
表内严重横条、轻微横条、厚薄段、割刀路的疵点程度对照标样。2豁边、毛点、杂物织入、斑渍疵点的评定按疵点评分说明规定。31m内除破损外的几种疵点同时存在时累计评分最多评10分。680
5.0以上~20.020.0以上~100.050.0以上
50.0以上
50.0及以内
每1.0及以内
经纬共断或单断
3根~4根
每10.0及以内
10.0~~100.0
10. 0~~100. 0
1.0以上~2. 0
0. 5以上~1. 0
50.0以上
经纬共断或单断
5根以上
10. 0 ~~ 100. 0
2.0以上
1.0以上
5.2.3局部性疵点评分说明
FZ/T14006--1996
5.2.3.1豁边深入绒面0.5cm及以内每处评1分,降等限度为二等,深入绒面0.5~1.0cm每处评3分,降等限度为三等。
5.2.3.2杂物织入粗0.1~0.2cm每个评1分,粗0.2cm以上~0.3cm每个评3分,粗0.3cm以上每个评10分,降等限度为二等。5.2.3.3毛点25cm×25cm之内20个及以内每100cm评1分,降等限度为二等;满30个每100cm评5分,降等限度为三等;满30个以上每100cm评10分,降等限度为等外。5.2.3.4个别斑溃轻微的按严重线状评分,降等限度为二等,严重的按严重条状加倍评分,降等限度为三等。分散斑渍轻微10.0~100.0cm评3分,降等限度为三等,严重的0.5~50.0cm评10分,降等限度为等外。
5.2.3.5除破损和边疵外,深入绒面2cm及以内的疵点,按原疵点减半评分(累计后取整数)。5.2.3.6重叠的局部性疵点,按评分多的一项评分。5.2.3.7绒面的疵点和标准评定方法按顺光平摊桌面,经向、纬向四方面看。两面达到,两面达不到,为达不到,一面超过,一面达到,两面达不到,为达到。5.2.4散布性疵点按幅宽偏差、色差、歪斜等不同疵点类别,采取对不同等级产品规定不同症点程度的方法,其允许程度见表4规定。
表4·散布性疵点允许程度规定
允许程度
疵点名称和类别
100cm及以下
100.1 cm~135 cm
135cm以上
漂、色
花平绒
左中右
同类平绒样
参考样
同类平绒样
参考样
漂、色平绒
花平绒
纬斜、漂、色平绒和一般花平绒花斜、
条格花平绒
条花(标样)
优等品
一等品
+2.0cm及以内|+2.0cm及以内
—1.0 cm 及以内
-1.0cm及以内
+2.5cm及以内+2.5cm及以内
-1.5cm及以内」
二等品
2.1 cm~4.0 cm
1.1 cm~-3. 0.cml
2.6 cm~4.4 cm
可一1.5cm及以内
g—1.6cm~~—3.5cml
+3.0cm及以内+3.0cm及以内
2.0cm及以内
≥3级
≥3级
≥4级
≥4级
棉结杂质深浅瓣点鱼鳞斑(标样)花纹不符及染色不匀(标样)
压皱印
不影响外观
3.1 cm~5.1 cm
-2.0 cm 及以内l
-2. 1 cm~
2—3级
2—3级
3--4级
3—4级
3. 0% ~5. 0%
3. 0% ~ 4. 0%
轻微影响外观
不影喇外观
轻微影响外观
2—3级
1—2级
3-4级
5. 1% ~8. 0%
4. 1%~7.0%
显著影响外观
轻微影响外观
严重影响外观
三等品
超过二等品
允许偏差
超过二等品
允许偏差
超过二等品
允许偏差
2—3级
2--3级
超过8.0%
超过 7. 0%
等外品
2—3级
显著影响外观严重影响外观
5.3分等规定
FZ/T14006—1996
5.3.1印染棉经平绒的分等,内在质量按批评等,外观质量按匹评等,以两者中最低等级为最后评定等级。分为优等品、一等品、二等品和三等品,达不到三等品的为等外品。5.3.2在同-匹内,内在质量以最低一项评等;外观质量的局部性疵点采用有限度的每米允许评分的办法评定等级,散布性疵点按最低一项评等。外观质量的局部性疵点与散布性疵点同时存在时,先计算局部性疵点的评分,评定等级,再与散布性疵点的等级结合定等作为该匹绒布外观疵点的等级。结合方法见表5。
表5结合定等表
外观质量等级
散布性疵点等级
局部性疵点等级
5.3.3内在质量评等见表6规定。优等
表6内在质量评等表
根/10cm
断裂强力
质量(平方米克重)
水洗尺寸变化率
染色牢度
优等品
按设计规定
按设计规定
按设计规定
按设计规定
按品种规定,见表1
按试验项目规定,见表2
局部性疵点评等规定见表7。
平均每米允许评分数
一1.5%及以内
--2.0%及以内
-8%及以内
-3%及以内
符合优等指标
符合指标
100cm及以内
100. 1 cm~135 cm
135cm以上
5.3.5局部性疵点允许总分计算规定一等品
允许偏差
-1. 6% ~-2. 0%
-2. 1% ~ -3. 0%
8. 1% ~ 10%
-3. 1% ~ -5%
符合一等指标
二等品
超过—2.0%
超过—3.0%
-10. 1% ~-16%
超过一5%
大于等指标
其中允许二项低1/2级
低于一等品允许偏差
局部性疵点评等表
优等品
二等品
三等品
三等品
局部性疵点允许总分根据每米允许评分数乘以段长所得的积保留一位小数,四舍五入取整数。5.3.6外观质量的评等说明
5.3.6.1优等品不允许有评5分及以上的局部性疵点存在,不允许破边、缺边、豁边。一等品不允许有682
FZ/T 14006-1996
评10分的局部性疵点存在,评5分的局部性疵点允许1处。但允许假开剪的疵点,按假开剪规定处理。5.3.6.2局部性外观疵点的轻微与严重程度区别按GB250规定评定。3级及以上为轻微,3级以下为严重。绒毛高度相差0.25mm~0.4mm,偏绒为显著,绒毛高度差异0.4mm以上为严重。5.3.6.3印花平绒的外观疵点,应根据原样和总效果评定。5.3.6.4评定外观疵点时,均以绒面为准。反面有通匹性散布的严重疵点,须降一个等。5.3.6.5未列入本标准的疵点,按其形态,参照相似疵点评定。5.3.7假开剪的规定
5.3.7.1印染棉经平绒的假开剪,其段长应在10cm及以上,距匹端2m及以上,间隔至少4m,平均满10m允许一处假开剪。每10cm的疵点让尺10cm,不足10cm以10cm计。假开剪处应作出明显标(印)志。
5.3.7.2下列疵点必须开剪:
25cm以上的严重线状;
深入绒面0.5cm以上,经向长2cm以上的破边、缺边;经纬共断或单断,最大距离1cm以上的破洞;d)
10cm以上的短绒;
3cm以上的缺绒;
f)25cm以上的严重底板擦伤;
g)2cm以上的严重斑渍。
5.3.7.3假开剪后的平绒应是一等品。6试验方法
6.1长度按GB/T4666执行。
6.2幅宽按GB/T4667执行。
6.3密度按GB/T4668执行。
6.4质量按GB/T4669执行。
6.5耐摩擦牢度按GB3920执行(采用经向试样)。6.6耐洗色牢度按GB3921中6.3.1方法3执行。6.7断裂强力按GB3923执行。
6.8耐光色牢度按GB8427执行。
6.9水洗尺寸变化率按GB8628、GB8630及GB8629中2A法执行。6.10色差、变色按GB250评定。
6.11沾色按GB251评定。
6.12外观质量检验规定
6.12.1光线以天然北光为准,不可有东南西光反射。若使用灯光检验时,须用40W加罩青光日光灯管3~4只。照度不低于750lx,光源与绒面距离为1~1.2m。6.12.2绒匹的定等检验、复验、验收应平摊桌面上,逐幅检验。检验人员俯视绒面。眼睛距离绒面疵点中心为50~60cm,俯视角为45°~50°。6.12.3幅宽135cm以上的,应两人检验,最高布速为30m/min。6.12.4规定棉经平绒检验正面,梢印盖在反面。7检验规则
按FZ/T10005执行。
8包装、标志
FZ/T 14006--1996
印染棉经平绒的包装、标志按FZ/T10010有关规定及8.1条的要求执行。8.1
每包(件)的长度及段数规定见表8。表8包(件)长度及段数规定
每件布长度
8.2标志
整匹布允许最多匹数
匹/件
拼件布允许最多段数
段/件
印染棉经平绒成品可粘贴成品说明书,优等品用白纸红字。也可拴挂吊牌,注有品名、色(花)号、色名、长度、幅宽等内容。具体格式按协议规定执行。9运输、贮存
9.1运输
印染棉经平绒出厂后,漂白产品及硫化染料产品贮存期不超过1年半。在此期限内,如发生变质,经查明原因,确属生产厂责任,应由生产厂负责处理。9.2贮存
印染棉经平绒凡因运输、保管以及其他原因,以致品质受到影响时,则通过调查分析,查清责任,由责任方负责处理。
9.3复验或仲裁的一切费用由责任方负责。s
FZ/T 14006--1996
附录A
(提示的附录)
印染棉经平绒各项物理指标计算方法及规定(供生产广内部执行)
S=Se×K_
式中:S-印染棉经平绒标准幅宽,cm;Ss本色棉经平绒标准宽,cm;
K,—幅宽加工系数。
幅宽加工系数和经向密度加工系数规定见表A1表A1幅宽加工系数和经向密度加工系数织物种类
各类棉经平绒
A2经向密度
式中:Er—
幅宽加工系数
0.900~0. 935
E = P ×K × 2—
印染棉经平绒标准经向密度;
Pr—一本色棉经平绒标准经向密度;Kr——经向密度加工系数;
K2——割绒加工系数
K ~--经向密度修正数。
式中:Mn-
一个完全的底经根数;
一一个完全组织的总经根数。
经向密度修正系数规定见表A2。表A2
成品计算经密
200根及以下
201~400根
401根及以上
注:经密不包括绒经。
A3纬向密度
经向密度修正系数
......(Al)
经向密度加工系数
1.1111.070
(A2)
·(A3)
(A4)
经向密度修正系数
Ew = Pw× Kw
式中:Ew-
-印染棉经平绒标准纬向密度;
Pw-本色棉经平绒标准纬向密度;·(A5)
式中:R
一纬向密度加工系数。
一伸长率。
纬向密度加工系数规定见表A3。织物种类
线经平绒
纱经平绒
底板斜纹经平绒
经向断裂强力
FZ/T14006—1996
纬向密度加工系数
Ff-f×K×Er
式中:F-印染棉经平绒标准经向断裂强力,N;fr—本色棉经平绒标准经向断裂强力,N;K。经向断裂强力加工系数;
-印染棉经平绒标准经密;
Pr——本色棉经平绒标准经密。断裂强力加工系数规定见表A4。表A4
成品种类
一般染色
菁染色
一般印花
精元印花
A5纬向断裂强力
断裂强力加工系数
浅中色
Fw=fw×K,×Kw
式中:Fw-
印染棉经平绒标准纬向断裂强力,N,fw本色棉经平绒标准纬向断裂强力,N;K。纬向断裂强力加工系数;
A6质量
式中:Q-
-印染棉经平绒纬向密度加工系数。Q = Qp X K
印染棉经平绒标准质量,g/m\;坏布变形质量;
一质量加工系数。
Qp = Qe X K1 X Kw
+++++++++++*
纬向密度加工系数
可按公式计算
断裂强力加工系数
(A7)
(A8)
(A9)
(A10)
式中:Qp—坏布变形质量;
FZ/T 14006
Qe—本色棉经平绒标准质量,g/m;Kf—经向密度加工系数;
一纬向密度加工系数
质量加工系数见表A5。
表A5质量加工系数
织物种类
地板平纹棉经平绒
质量加工系数
各项物理指标,均以整数表示,计算时精确至小数一位,按四舍五入法保留整数。A7其他
特殊需要,不按本标准规定“幅宽加工系数”生产的印染线经平绒均不能纳入本办法计算规定之内。687
小提示:此标准内容仅展示完整标准里的部分截取内容,若需要完整标准请到上方自行免费下载完整标准文档。
标准图片预览:





- 其它标准
 
- 热门标准
 - 纺织行业标准(FZ)
 
- FZ/T62037-2017 灯芯绒被套
 - FZ/T61006-2019 纬编腈纶毛毯
 - FZ/T20027-2014 羊绒制品异味测定方法
 - FZ/T54025-2009 锦纶66预取向丝
 - FZ/T54062-2012 海岛涤纶预取向丝
 - FZ/T54091-2016 导电锦纶6牵伸丝
 - FZ/T73016-2013 针织保暖内衣 絮片型
 - FZ∕T01077-2018 服装衬布氯损强力试验方法
 - FZ/T61001-2019 纯毛、毛混纺毛毯
 - FZ∕T14013-2018 莫代尔纤维印染布
 - FZ/T80013-2012 洁净室服装 易脱落大微粒检测方法
 - FZ/T50034-2016 氨纶长丝 耐氯性能试验方法
 - FZ/T50008-2015 锦纶长丝染色均匀度试验方法
 - FZ/T64070-2019 衬纬经编针织拉毛粘合衬
 - FZ/T50032-2015 聚丙烯睛基碳纤维原丝残留溶剂测试方法
 
- 行业新闻
 
请牢记:“bzxz.net”即是“标准下载”四个汉字汉语拼音首字母与国际顶级域名“.net”的组合。 ©2025 标准下载网 www.bzxz.net 本站邮件:bzxznet@163.com
网站备案号:湘ICP备2025141790号-2
网站备案号:湘ICP备2025141790号-2