- 您的位置:
- 标准下载网 >>
- 标准分类 >>
- 纺织行业标准(FZ) >>
- FZ/T 13002-1992 服装用棉本色帆布
标准号:
FZ/T 13002-1992
标准名称:
服装用棉本色帆布
标准类别:
纺织行业标准(FZ)
标准状态:
已作废-
发布日期:
1992-12-09 -
实施日期:
1993-04-01 -
作废日期:
2006-01-01 出版语种:
简体中文下载格式:
.rar.pdf下载大小:
197.70 KB
替代情况:
被FZ/T 13002-2005代替
部分标准内容:
中华人民共和国纺织行业标准
服装用棉本色帆布
主题内容与适用范围
FZ/T 13002—92
本标准规定了服装用棉本色帆布的产品品种、规格、技术要求、布面疵点检验评分、试验方法、检验规则、标志、包装及其他。
本标准适用于鉴定服装用棉本色帆布的品质。本标准不适用于鉴定三股以上服装用棉本色帆布的品质。2引用标准
GB398本色棉纱线技术要求
GB406附件本色棉布技术条件制订规定GB408本色棉布试验方法
GB410本色棉布验收规则
FZ/T10003帆布织物试验方法
ZBW04006.2温度与回潮率对棉及化纤纯纺、混纺制品断裂强力的修正方法本色布断裂强力的修正方法
棉及化纤纯纺、纺混本色布包装和标志ZBW08 002
3产品品种、规格
服装用棉本色帆布的产品品种、规格,根据用户需要,由生产部门制订。4技术要求
4.1服装用棉本色帆布技术要求项目包括织物组织、幅宽、密度、断裂强力、棉结杂质疵点格率、布面疵点六项。
4.2分等规定
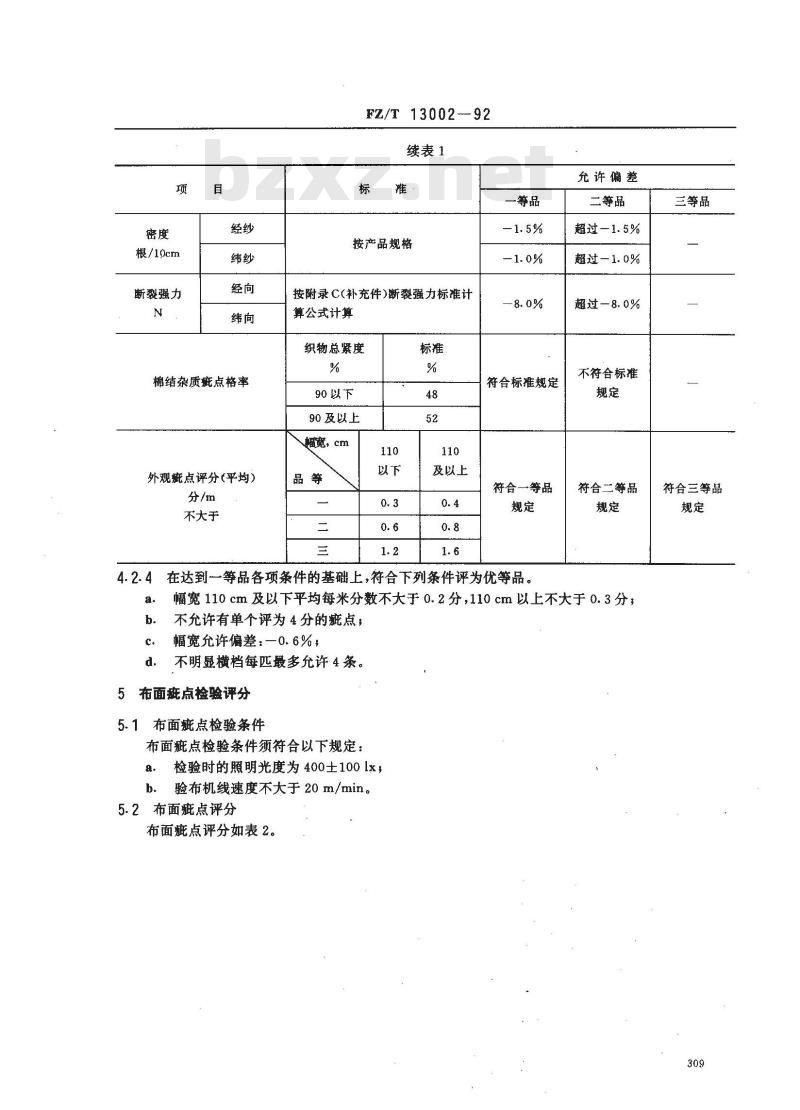
4.2.1服装用棉本色帆布的品等分为优等品、一等品、二等品、三等品,低于三等品的为等外品、4.2.2服装用棉本色帆布的评等以匹为单位,织物组织、幅宽、布面疵点按匹评等,密度、断裂强力、棉结杂质疵点格率按批评等,并以其中最低的品等为该匹布的品等。4.2.3分等规定如表1。
织物组织
按设计规定
按产品规格
中华人民共和国纺织工业部1992-12-09批准308
一等品
允许偏差
二等品
符合设计要求
符合设计要求
三等品
符合设计要求
超过+2.5%
1993-04-01实施
根/10cm
断裂强力
棉结杂质疵点格率
外观点评分(平均)
不大于
FZ/T 13002--92
续表1
按产品规格
按附录C(补充件)断裂强力标准计算公式计算
织物总紧度
90以下
90及以上
幅宽,cm
及以上
一等品
符合标准规定
符合一等品
在达到一等品各项条件的基础上,符合下列条件评为优等品。4.2.4
允许偏差
二等品
超过一1.5%
超过-1.0%
超过一8.0%
不符合标准
符合二等品
幅宽110cm及以下平均每米分数不大于0.2分,110cm以上不大于0.3分;不允许有单个评为4分的疵点,
幅宽允许偏差:一0.6%
不明显横档每匹最多允许4条。
5布面疵点检验评分
5.1布面点检验条件
布面疵点检验条件须符合以下规定:a.检验时的照明光度为400士1001x,b.验布机线速度不大于20m/min。5.2布面疵点评分
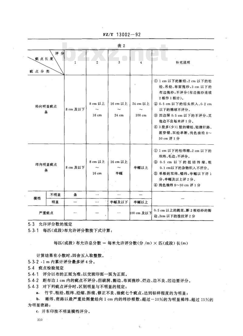
布面疵点评分如表 2。
三等品
符合三等品
鹿点长度
疵点分类
经向明显窥点
纬向明显疵点
不明显
严重疵点
8 cm 及以下
8cm及以下
5.3允许评分数的规定
FZ/T 13002-—92
8cm以上
8cm以上
116 cm 以上
16 cm 以上
半幅及以下
5.3.1每匹(或段)布允许评分数按下式计算:24 cm以上
半幅以上
半幅以上
00 cm 及以下
补充说明
①1cm以下的断经,2cm以下的松经、吊经、布面拖纱,3cm以下的布边拖纱,不评分(布边拖纱连续2根作1根计)。
②0.5cm以下的结头织入、0.2cm以下的棉球不评分。免费标准下载网bzxz
③凹边深0.5cm以下的不评分,其他边不良每米评1分。
④3股多(少)1股的错经、轻微针路、穿错、双经单断、浅色油经 8 ~~50cm评1分
①1cm以下的松纬缩,2cm以下的双纬、毛边,不评分。
②0.5cm以下的扭结纬缩、粗
0.1cm以下的杂物织入不评分。
③单根的双纬、错纬,半幅以下评1分,半幅及以上评2分。
④浅色油纬8~50cm评1分
0. 5 cm 以上的跳花、断 2 根经纱的豁边、2cm以下的浪纹评2分
每匹(或段)布允许总分数=每米允许评分数(分/m)×匹(或段)长(m)计算结果有小数时,四舍五入取整数。5.3.2·1m内累计评分最多评4分。5.4疵点检验规定
5.4.1评分以布的正面为准,以交班印面一面为正面。5.4.2距布边1 cm内的疵点不评分,但破洞、豁边、布面拖纱、烂边、边不良、凹边要评分。5.4.3对下列疵点评分时,区别明显与不明显的规定:a.
竹节、粗经、粗纬、经缩、拆痕、修正不良、油疵七个疵点,达到标样程度的为明显;稀纬、密路以最严重处测量经向1 cm内的纬纱根数,超过一10%的为明显稀纬,超过 15%的b.
为明显密路;
c.开车印按不明显横档评分。
FZ/T 13002—92
5.4.4达不到评分程度的经(纬)向疵点,密集在24cm×24cm内每满4只评1分。1 cm以上的深色油渍、锈渍加倍评分。5.4.5
5.5点量计
疵点的长度以经向或纬向最大长度量计。一个或几个经(纬)向疵点,在宽 1 cm以内的按一条评分,宽度超过 1 cm 的每 1 cm 为一条,其不足 1 cm的按一条计。
5.5.3在一条内断续发生的疵点,经(纬)向长8cm内有二个及以上的,则按连续长度量计评分。5.5.4经向明显点及严重疵点,长度超过1m的,其超过部分按表2再行评分。5.5.5不同名称、不同程度的疵点在一起发生,如按分别评分加合计算大于按程度严重的全部量评分,则按程度严重的全部量评分,否则按分别量评分加合计算,疵点轻重程度难于分别时,全部按程度重的量计。
5.6加工坏布中不评分的疵点(不包括优等品)漂白坏中的污渍、水渍、流印、路、箍穿错、拖纱、花经、花纬;a.
b。·印花坏中的针路、路、穿错、条干不匀、轻微云织、双经、双纬、花经、花纬。上述疵点如用户另有要求时,按协议执行。5.7对部分疵点数量的限制
一等品每两联匹允许单个评为4分的疵点(不包括严重疵点)1个。5.8对疵点的修织要求
5.8.1凡在织厂能修织好的疵点,应一律修好后出厂。5.8.2金属硬性杂物织入,必须在织厂剔除。5.8.31cm以上的破洞、2cm以上的跳花、连续2.5cm以上的烂边、断0.5cm的豁边、不对接轧梭和稀弄六个疵点,必须在织厂剪除。5.9假开剪和拼件的规定
印染加工后能假开剪或拼件的,可实际假开剪,凡不符合假开剪规定的可开剪作联匹拼件处理,但须符合ZBW08002的规定。
6试验方法
6.1棉结杂质疵点格率检验按GB408第五章规定执行。6.2其他试验方法按FZ/T10003执行。7检验规则
按GB410执行。
8标志、包装
按ZBW08002的规定执行。
9其他
用户对产品有特殊要求时,可由供需双方另订协议。311
A1经向明显疵点
FZ/T 13002—92
附录A
各类布面疵点的具体内容
(补充件)
断经、断疵、跳纱、沉纱、吊经、松经、紧经、错经、经缩波纹、路、穿错、综穿错、针路、边撑疵、油经、不褪色的色线、拖纱、棉球、竹节、结头、花经、烂边、凹边、修整不良、油溃、锈渍、水溃、油花纱、错纤维、松紧边。
A2纬向明显疵点
双纬、脱纬、错纬、花纬、纬缩(包括扭结纬缩、起圈纬缩、松纬缩)、油纬、毛边、云织、条干不匀、杂物织入。
A3横档
稀纬、密路、拆痕、开车印。
A4严重疵点
破洞、跳花、豁边、连续1cm以上的烂边、霉斑、损伤布底的修正不良、稀弄、经向8 crm内满10只的结头、经缩浪纹、金属及粗0.3cm的杂物织入。A5经向点及纬向疵点中,有些是二类共同性的,在分类中只列入了经向明显疵点,如在纬向出现时,则按纬向明显疵点评分。
A6布面上出现上述分类中没有包括的疵点,只要符合评分条件,也应评分。附录B
疵点名称的说明
(补充件)
跳花:3根及以上经纬纱相互脱离组织,包括隔开一个完全组织。B1
破洞:3根及以上经纬纱共断或单断经、纬纱,包括隔开1~2根好纱。B2
豁边:边组织内3根及以上经纬纱共断或单断经纱,包括隔开一个完全组织(双边纱2根作1根计)。
烂边:边组织内单断纬纱,且有一处连续断3根及以上的(隔1根纬纱断1根的为连续)。B4
修整不良:布面被刮起毛、经纬纱交叉不均、起皱不平。稀弄:布面上缺纬而形成明显的空档疵点。毛边:边部纬纱不正常地织入布内,或纬纱并列露出边外成须状。边撑疵:边撑不良使织物中纱线被轧断。B8
B9开车印:织造中布面起的印痕。B10跳纱:1~~2根经纱或纬纱跳过1个及以上的完全组织。B11
沉纱:经纱脱离组织沉浮在布面上。B12
断疵:经纱断头后,纱尾被织入布内。B13
紧经:括度过大的经纱。
吊经:张力过大的经纱。
松经:张力松弛的经纱。
经缩:经纱受到意外张力后,使织物表面呈现块状或条状的起伏不平,按其严重程度分为经缩浪B16
纹和经缩波纹(浪纹必须三楞起算)。312
FZ/T 13002—92
凹边:纬纱张力过大,把布边拉成凹陷缺口。B18条干不勾:前后都能与正常纬纱划分得开的。云织:纬纱密度段稀段密有四处以上的。B19
B20拆痕:拆布后布面上留下的起毛痕迹。脱纬:-梭内有3根及以上的纬纱织入布内。B21
花纬:由于不同的配棉成分或陈旧纬纱,使布面呈现色泽不同且有1~2条分界线。杂物:指飞花、回丝、木质、皮质等织入。错经(纬):包括错特克斯、错纤维、错股数。松紧边:经向1m长,布边与布中间相差2cm以上为松紧边(在距边1cm处量计)。B25
附录C
断裂强力标准制订办法
(补充件)
C1断裂强力标准计算公式
断裂强力标准按式(C1)计算:
-织物断裂强力,N,
式中. Q
一纱线一等品品质指标;
D.B.N.K.ter
2×1000×1000
B—由品质指标换算单根纱线断裂强度的系数:N织物中纱线标准密度,根/10cm;K织物中纱线强力的利用系数,
织物纱线的特数。
C2 织物中纱线强力的利用系数 K 值织物中纱线强力的利用系数K值如表C1、表C2。表C1
经向紧度,%
经向紧度,%
经向紧度,%
注:紧度每相差士1%,K经则相差士0.00277。51
纬向紧度,%
FZ/T13002—92
36~48
0. 900~~0. 950
注:紧度每相差±1%,K则相差±0.00417。附录D
用于常温测定织物断裂强力的温度回潮率的修正(补充件)
0. 954~1.000
工厂定等试验,内部质量控制试验,可采用一般温湿度条件下快速测定,然后用标准温度和回潮率换算的办法,以修正试样的断裂强力,但试验地点的温湿度必须保证稳定。D1断裂强力修正公式
修正后的断裂强力(N)一实测断裂强力(N)×强力修正系数D2强力修正系数
按ZBW04006.2执行。
附加说明:
本标准由纺织工业部科技发展司提出。本标准由上海纺织标准计量研究所归口。本标准由青岛市纺织工业总公司和上海市纺织工业局负责起草。本标准主要起草人朱龙江、薛革、王志荣、彭剑带、冷立华。...( D1)
本标准是参考美国范友生公司《梭织物的范友生疵点分等标准》制订的。优等品相当于国际先进水苹,一等品相当于国际一般水平。314
小提示:此标准内容仅展示完整标准里的部分截取内容,若需要完整标准请到上方自行免费下载完整标准文档。
服装用棉本色帆布
主题内容与适用范围
FZ/T 13002—92
本标准规定了服装用棉本色帆布的产品品种、规格、技术要求、布面疵点检验评分、试验方法、检验规则、标志、包装及其他。
本标准适用于鉴定服装用棉本色帆布的品质。本标准不适用于鉴定三股以上服装用棉本色帆布的品质。2引用标准
GB398本色棉纱线技术要求
GB406附件本色棉布技术条件制订规定GB408本色棉布试验方法
GB410本色棉布验收规则
FZ/T10003帆布织物试验方法
ZBW04006.2温度与回潮率对棉及化纤纯纺、混纺制品断裂强力的修正方法本色布断裂强力的修正方法
棉及化纤纯纺、纺混本色布包装和标志ZBW08 002
3产品品种、规格
服装用棉本色帆布的产品品种、规格,根据用户需要,由生产部门制订。4技术要求
4.1服装用棉本色帆布技术要求项目包括织物组织、幅宽、密度、断裂强力、棉结杂质疵点格率、布面疵点六项。
4.2分等规定
4.2.1服装用棉本色帆布的品等分为优等品、一等品、二等品、三等品,低于三等品的为等外品、4.2.2服装用棉本色帆布的评等以匹为单位,织物组织、幅宽、布面疵点按匹评等,密度、断裂强力、棉结杂质疵点格率按批评等,并以其中最低的品等为该匹布的品等。4.2.3分等规定如表1。
织物组织
按设计规定
按产品规格
中华人民共和国纺织工业部1992-12-09批准308
一等品
允许偏差
二等品
符合设计要求
符合设计要求
三等品
符合设计要求
超过+2.5%
1993-04-01实施
根/10cm
断裂强力
棉结杂质疵点格率
外观点评分(平均)
不大于
FZ/T 13002--92
续表1
按产品规格
按附录C(补充件)断裂强力标准计算公式计算
织物总紧度
90以下
90及以上
幅宽,cm
及以上
一等品
符合标准规定
符合一等品
在达到一等品各项条件的基础上,符合下列条件评为优等品。4.2.4
允许偏差
二等品
超过一1.5%
超过-1.0%
超过一8.0%
不符合标准
符合二等品
幅宽110cm及以下平均每米分数不大于0.2分,110cm以上不大于0.3分;不允许有单个评为4分的疵点,
幅宽允许偏差:一0.6%
不明显横档每匹最多允许4条。
5布面疵点检验评分
5.1布面点检验条件
布面疵点检验条件须符合以下规定:a.检验时的照明光度为400士1001x,b.验布机线速度不大于20m/min。5.2布面疵点评分
布面疵点评分如表 2。
三等品
符合三等品
鹿点长度
疵点分类
经向明显窥点
纬向明显疵点
不明显
严重疵点
8 cm 及以下
8cm及以下
5.3允许评分数的规定
FZ/T 13002-—92
8cm以上
8cm以上
116 cm 以上
16 cm 以上
半幅及以下
5.3.1每匹(或段)布允许评分数按下式计算:24 cm以上
半幅以上
半幅以上
00 cm 及以下
补充说明
①1cm以下的断经,2cm以下的松经、吊经、布面拖纱,3cm以下的布边拖纱,不评分(布边拖纱连续2根作1根计)。
②0.5cm以下的结头织入、0.2cm以下的棉球不评分。免费标准下载网bzxz
③凹边深0.5cm以下的不评分,其他边不良每米评1分。
④3股多(少)1股的错经、轻微针路、穿错、双经单断、浅色油经 8 ~~50cm评1分
①1cm以下的松纬缩,2cm以下的双纬、毛边,不评分。
②0.5cm以下的扭结纬缩、粗
0.1cm以下的杂物织入不评分。
③单根的双纬、错纬,半幅以下评1分,半幅及以上评2分。
④浅色油纬8~50cm评1分
0. 5 cm 以上的跳花、断 2 根经纱的豁边、2cm以下的浪纹评2分
每匹(或段)布允许总分数=每米允许评分数(分/m)×匹(或段)长(m)计算结果有小数时,四舍五入取整数。5.3.2·1m内累计评分最多评4分。5.4疵点检验规定
5.4.1评分以布的正面为准,以交班印面一面为正面。5.4.2距布边1 cm内的疵点不评分,但破洞、豁边、布面拖纱、烂边、边不良、凹边要评分。5.4.3对下列疵点评分时,区别明显与不明显的规定:a.
竹节、粗经、粗纬、经缩、拆痕、修正不良、油疵七个疵点,达到标样程度的为明显;稀纬、密路以最严重处测量经向1 cm内的纬纱根数,超过一10%的为明显稀纬,超过 15%的b.
为明显密路;
c.开车印按不明显横档评分。
FZ/T 13002—92
5.4.4达不到评分程度的经(纬)向疵点,密集在24cm×24cm内每满4只评1分。1 cm以上的深色油渍、锈渍加倍评分。5.4.5
5.5点量计
疵点的长度以经向或纬向最大长度量计。一个或几个经(纬)向疵点,在宽 1 cm以内的按一条评分,宽度超过 1 cm 的每 1 cm 为一条,其不足 1 cm的按一条计。
5.5.3在一条内断续发生的疵点,经(纬)向长8cm内有二个及以上的,则按连续长度量计评分。5.5.4经向明显点及严重疵点,长度超过1m的,其超过部分按表2再行评分。5.5.5不同名称、不同程度的疵点在一起发生,如按分别评分加合计算大于按程度严重的全部量评分,则按程度严重的全部量评分,否则按分别量评分加合计算,疵点轻重程度难于分别时,全部按程度重的量计。
5.6加工坏布中不评分的疵点(不包括优等品)漂白坏中的污渍、水渍、流印、路、箍穿错、拖纱、花经、花纬;a.
b。·印花坏中的针路、路、穿错、条干不匀、轻微云织、双经、双纬、花经、花纬。上述疵点如用户另有要求时,按协议执行。5.7对部分疵点数量的限制
一等品每两联匹允许单个评为4分的疵点(不包括严重疵点)1个。5.8对疵点的修织要求
5.8.1凡在织厂能修织好的疵点,应一律修好后出厂。5.8.2金属硬性杂物织入,必须在织厂剔除。5.8.31cm以上的破洞、2cm以上的跳花、连续2.5cm以上的烂边、断0.5cm的豁边、不对接轧梭和稀弄六个疵点,必须在织厂剪除。5.9假开剪和拼件的规定
印染加工后能假开剪或拼件的,可实际假开剪,凡不符合假开剪规定的可开剪作联匹拼件处理,但须符合ZBW08002的规定。
6试验方法
6.1棉结杂质疵点格率检验按GB408第五章规定执行。6.2其他试验方法按FZ/T10003执行。7检验规则
按GB410执行。
8标志、包装
按ZBW08002的规定执行。
9其他
用户对产品有特殊要求时,可由供需双方另订协议。311
A1经向明显疵点
FZ/T 13002—92
附录A
各类布面疵点的具体内容
(补充件)
断经、断疵、跳纱、沉纱、吊经、松经、紧经、错经、经缩波纹、路、穿错、综穿错、针路、边撑疵、油经、不褪色的色线、拖纱、棉球、竹节、结头、花经、烂边、凹边、修整不良、油溃、锈渍、水溃、油花纱、错纤维、松紧边。
A2纬向明显疵点
双纬、脱纬、错纬、花纬、纬缩(包括扭结纬缩、起圈纬缩、松纬缩)、油纬、毛边、云织、条干不匀、杂物织入。
A3横档
稀纬、密路、拆痕、开车印。
A4严重疵点
破洞、跳花、豁边、连续1cm以上的烂边、霉斑、损伤布底的修正不良、稀弄、经向8 crm内满10只的结头、经缩浪纹、金属及粗0.3cm的杂物织入。A5经向点及纬向疵点中,有些是二类共同性的,在分类中只列入了经向明显疵点,如在纬向出现时,则按纬向明显疵点评分。
A6布面上出现上述分类中没有包括的疵点,只要符合评分条件,也应评分。附录B
疵点名称的说明
(补充件)
跳花:3根及以上经纬纱相互脱离组织,包括隔开一个完全组织。B1
破洞:3根及以上经纬纱共断或单断经、纬纱,包括隔开1~2根好纱。B2
豁边:边组织内3根及以上经纬纱共断或单断经纱,包括隔开一个完全组织(双边纱2根作1根计)。
烂边:边组织内单断纬纱,且有一处连续断3根及以上的(隔1根纬纱断1根的为连续)。B4
修整不良:布面被刮起毛、经纬纱交叉不均、起皱不平。稀弄:布面上缺纬而形成明显的空档疵点。毛边:边部纬纱不正常地织入布内,或纬纱并列露出边外成须状。边撑疵:边撑不良使织物中纱线被轧断。B8
B9开车印:织造中布面起的印痕。B10跳纱:1~~2根经纱或纬纱跳过1个及以上的完全组织。B11
沉纱:经纱脱离组织沉浮在布面上。B12
断疵:经纱断头后,纱尾被织入布内。B13
紧经:括度过大的经纱。
吊经:张力过大的经纱。
松经:张力松弛的经纱。
经缩:经纱受到意外张力后,使织物表面呈现块状或条状的起伏不平,按其严重程度分为经缩浪B16
纹和经缩波纹(浪纹必须三楞起算)。312
FZ/T 13002—92
凹边:纬纱张力过大,把布边拉成凹陷缺口。B18条干不勾:前后都能与正常纬纱划分得开的。云织:纬纱密度段稀段密有四处以上的。B19
B20拆痕:拆布后布面上留下的起毛痕迹。脱纬:-梭内有3根及以上的纬纱织入布内。B21
花纬:由于不同的配棉成分或陈旧纬纱,使布面呈现色泽不同且有1~2条分界线。杂物:指飞花、回丝、木质、皮质等织入。错经(纬):包括错特克斯、错纤维、错股数。松紧边:经向1m长,布边与布中间相差2cm以上为松紧边(在距边1cm处量计)。B25
附录C
断裂强力标准制订办法
(补充件)
C1断裂强力标准计算公式
断裂强力标准按式(C1)计算:
-织物断裂强力,N,
式中. Q
一纱线一等品品质指标;
D.B.N.K.ter
2×1000×1000
B—由品质指标换算单根纱线断裂强度的系数:N织物中纱线标准密度,根/10cm;K织物中纱线强力的利用系数,
织物纱线的特数。
C2 织物中纱线强力的利用系数 K 值织物中纱线强力的利用系数K值如表C1、表C2。表C1
经向紧度,%
经向紧度,%
经向紧度,%
注:紧度每相差士1%,K经则相差士0.00277。51
纬向紧度,%
FZ/T13002—92
36~48
0. 900~~0. 950
注:紧度每相差±1%,K则相差±0.00417。附录D
用于常温测定织物断裂强力的温度回潮率的修正(补充件)
0. 954~1.000
工厂定等试验,内部质量控制试验,可采用一般温湿度条件下快速测定,然后用标准温度和回潮率换算的办法,以修正试样的断裂强力,但试验地点的温湿度必须保证稳定。D1断裂强力修正公式
修正后的断裂强力(N)一实测断裂强力(N)×强力修正系数D2强力修正系数
按ZBW04006.2执行。
附加说明:
本标准由纺织工业部科技发展司提出。本标准由上海纺织标准计量研究所归口。本标准由青岛市纺织工业总公司和上海市纺织工业局负责起草。本标准主要起草人朱龙江、薛革、王志荣、彭剑带、冷立华。...( D1)
本标准是参考美国范友生公司《梭织物的范友生疵点分等标准》制订的。优等品相当于国际先进水苹,一等品相当于国际一般水平。314
小提示:此标准内容仅展示完整标准里的部分截取内容,若需要完整标准请到上方自行免费下载完整标准文档。
标准图片预览:





- 其它标准
- 上一篇: FZ/T 12009-1999 腈纶本色纱
- 下一篇: FZ/T 13003-1992 鞋用棉本色帆布
- 热门标准
- 纺织行业标准(FZ)
- FZ/T90083-1995 纺织机械筒子架主要尺寸
- FZ/T92054-1996 倍捻锭子
- FZ/T92038-1995 熔融纺丝圆形孔喷丝板
- FZ/T92052-1995 轴承内径φ12mm环锭锭子
- FZ/T33010-1999 苎麻卷烟带
- FZ/T60033-2012 家用纺织品 毛巾不均匀水洗尺寸变化的测定
- FZ/T24010-2013 防缩毛纺织产品
- FZ/T43004-2013 桑蚕丝纬编针织绸
- FZ/T73011-2013 针织腹带
- FZ/T32024-2019 亚麻与棉混纺色纺纱
- FZ/T70012-2016 -次成型束身无缝内衣号型
- FZ/T70001-2003 针织和编结绒线试验方法
- FZ/T73018-2002 毛针织品
- FZ60007-1991 毛毯试验方法
- FZ/T01053-1998 纺织品 纤维含量的标识
- 行业新闻
请牢记:“bzxz.net”即是“标准下载”四个汉字汉语拼音首字母与国际顶级域名“.net”的组合。 ©2025 标准下载网 www.bzxz.net 本站邮件:bzxznet@163.com
网站备案号:湘ICP备2025141790号-2
网站备案号:湘ICP备2025141790号-2