- 您的位置:
- 标准下载网 >>
- 标准分类 >>
- 农业行业标准(NY) >>
- NY/T 754-2003 绿色食品 蛋与蛋制品
标准号:
NY/T 754-2003
标准名称:
绿色食品 蛋与蛋制品
标准类别:
农业行业标准(NY)
标准状态:
现行-
发布日期:
2003-12-01 -
实施日期:
2004-03-01 出版语种:
简体中文下载格式:
.rar.pdf下载大小:
191.33 KB
标准ICS号:
食品技术>>肉、肉制品和其他动物类食品>>67.120.20家禽和蛋中标分类号:
食品>>食品加工与制品>>X18禽、蛋加工与制品
点击下载
标准简介:
标准下载解压密码:www.bzxz.net
本标准规定了绿色食品蛋与蛋制品的定义、技术要求、检测方法、检验规则、标志、标签、包装、运输及贮存。本标准适用于绿色食品蛋与蛋制品。 NY/T 754-2003 绿色食品 蛋与蛋制品 NY/T754-2003
部分标准内容:
本标准由中华人民共和国农业部提出。本标准由中华人民共和国农业部归口。前言
NY/T754—2003
本标准由农业部畜禽产品质量监督检验测试中心、中国绿色食品发展中心、北京国农工贸发展中心负责起章。
本标准主要起草人:刘素英、陈刚、谢焱、尤华、蔡英华、本标准由农业部畜禽产品质量监督检验测试中心负责解释。I
1范围
绿色食品
蛋与蛋制品
NY/T 754—2003
本标准规定了绿色食品蛋与蛋制品的定义、技术要求、检测方法、检验规则、标志、标签、包装、运输及贮存。
本标准适用于绿色食品蛋与蛋制品。2规范性引用文件
下列文件中的条款通过本标准的引用而成为本标准的条款。凡是注日期的引用文件,其随后所有的修改单(不包括勘误的内容)或修订版均不适用于本标准,然而,鼓励根据本标准达成协议的各方研究是否可使用这些文件的最新版本。凡是不注日期的引用文件,其最新版本适用于本标准。GB/T 191
包装储运图示标志
验菌落总数测定
GB/T4789.2食品卫生微生物学检验GB/T 4789. 3
食品卫生微生物学检验大肠菌群测定GB/T 4789.4
GB/T 4789. 5
GB/T 4789. 10
GB/T 4789. 11
GB/T 5009. 3
GB/T 5009. 6
GB/T 5009. 11
GB/T 5009. 12
GB/T 5009.13
GB/T 5009. 14
GB/T 5009. 15
GB/T 5009. 17
GB/T 5009, 18
GB/T 5009.19
GB/T 5009. 47
食品卫生微生物学检验
沙门氏菌检验
食品卫生微生物学检验
志贺氏菌检验
金黄色葡萄球菌检验
食品卫生微生物学检验
食品卫生微生物学检验
食品中水分的测定
食品中脂肪的测定
溶血性链球菌检验
食品中总砷及无机碑的测定
食品中铅的测定
食品中铜的测定
食品中锌的测定
食品中的测定
食品中总汞及有机汞的测定
食品中氟的测定
食品中六六六、滴滴涕残留量的测定蛋与蛋制品卫生标准的分析方法GB/T 5009. 116
GB/T 5009. 123
畜禽肉中土霉素、四环素、金霉素残留量的测定(高效液相色谱法)食品中铬的测定
GB7718食品标签通用标准
NY/T 391
NY/T 392
NY/T 471
NY/T 472
NY/T 473
NY/T 658
NY 5029
NY 5039
绿色食品
绿色食品
绿色食品
绿色食品
绿色食品
绿色食品
无公害食品
无公害食品
产地环境技术条件
食品添加剂使用准则
饲料和饲料添加剂
兽药使用准则
动物卫生准则
包装通用推则
NY/T 754-—2003
NY 5143
无公害食品皮蛋
SB/T10277鲜鸡蛋
中华人民共和国农业部动物性食品中兽药最高残留限量3术语和定义
下列术语和定义适用于本标准。3.1
green food
绿色食品
见 NY/T 391。
劣蛋bad egg
禽蛋受自然条件、保存时间和保存条件的影响而变质,成为不能供食用的废品。包括:雨淋蛋、出汗蛋、靠黄蛋、散黄蛋、腐败蛋、霉蛋等。3.3
次蛋inferior egg
因家禽生理、病理、饲料等原因生产的非正常蛋。包括:无黄蛋,沙壳蛋、血(肉)斑蛋、寄生虫蛋等。3.4
破损蛋broken egg
蛋壳有不同程度破损的蛋,包括:裂纹蛋、喀窝蛋、损壳蛋、流清蛋等。3.5
破次率 ratio of broken and inferior egg破损蛋和次蛋所占百分率。
ratio of bad egg
劣蛋率
劣蛋所占百分率。
干燥蛋制品driedeggproducts
蛋制品生产过程中经过干燥处理的产品,包括巴氏杀菌全蛋粉、蛋黄粉、蛋白片等。3.8
冰蛋制品frozen egg products
鲜蛋去壳后,所得的蛋液经一系列加工工艺,最后制成冷冻和保鲜的蛋制品,包括巴氏杀菌冰全蛋、冰蛋黄、冰蛋白等。
reformed egg
再制蛋
蛋加工过程中不去壳、不改变蛋形的制成品,包括皮蛋、咸蛋、糟蛋等。4技术要求
4.1原料
禽蛋应来自于非疫区、健康家禽生产的蛋。禽的饲养环境、饲料及饲料添加剂、兽药、饲养管理应分别符合NY/T391、NY/T471、NY/T472、NY/T473的要求。用于加工的原料蛋应新鲜良好,蛋壳清清完整。
4.2加工
4.2.1加工用水应符合NY/T391的规定。2
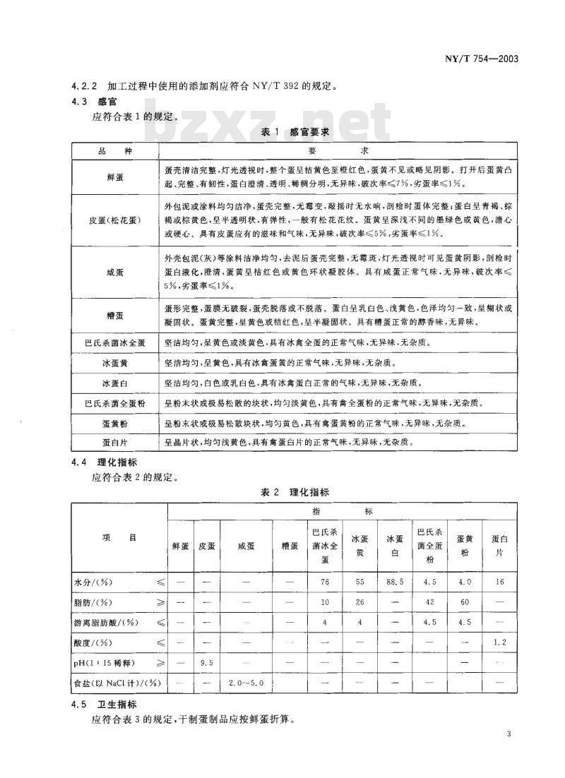
4.2.2加工过程中使用的添加剂应符合NY/T392的规定。4.3感官
应符合表1的规定。
表1感官要求
皮蛋(松花蛋)
巴氏杀菌冰全蛋
冰蛋黄
冰蛋白
巴氏杀菌全蛋粉
蛋黄粉
蛋白片
理化指标
NY/T754—2003
蛋壳清洁完整,灯光透视时,整个蛋呈桔黄色至橙红色,蛋黄不见或略见阴影。打开后蛋黄凸起、完整、有韧性,蛋白澄清、透明、稀稠分明,无异味,破次率≤7%,劣蛋率≤1%。外包泥或涂料均匀洁净,蛋壳完整,无霉变,敲摇时无水响,剖检时蛋体完整;蛋白呈青褐、棕褐或棕黄色,呈半透明状,有弹性,一般有松花花纹。蛋黄呈深浅不同的墨绿色或黄色,心或硬心。具有皮蛋应有的滋味和气味,无异味,破次率5%,劣蛋率≤1%。外壳包泥(灰)等涂料洁净均匀,去泥后蛋壳完整,无霉斑,灯光透视时可见蛋黄阴影,剖检时蛋白液化,澄清,蛋黄呈桔红色或黄色环状凝胶体。具有威蛋正常气味,无异味,破被次率≤5%,劣蛋率≤1%。
蛋形完整,蛋膜无破裂,蛋壳脱落或不脱落。蛋白呈乳白色、浅黄色,色泽均匀一致,呈糊状或凝固状。蛋黄完整,呈黄色或桔红色,呈半凝固状。具有糟蛋正常的醇香味,无异味。坚洁均匀,呈黄色或淡黄色,具有冰禽全蛋的正常气味,无异味,无杂质。坚洁均匀,呈黄色,具有冰禽蛋黄的正常气味,无异味,无杂质。坚洁均匀,白色或乳白色,具有冰禽蛋白正常的气味,无异味,无杂质。呈粉末状或极易松散的块状,均匀淡黄色,具有禽全蛋粉的正常气味,无异味,无杂质。呈粉末状或极易松散块状,均匀黄色,具有禽蛋黄粉的正常气味,无异味,无杂质。呈晶片状,均匀浅黄色,具有禽蛋白片的正常气味,无异味,无杂质:应符合表2的规定。
表2理化指标
水分/(%)
脂肪/(%)
游离脂肪酸/(%)
酸度/(%)
pH(1:15稀释)
食盐(以NaCI计)/(%)
4.5卫生指标bzxZ.net
鲜蛋皮蛋
2. 0-~5. 0
应符合表3的规定,干制蛋制品应按鲜蛋折算。巴氏杀
菌冰全
巴氏杀
菌全蛋
NY/T 754--2003
汞(以Hg计)/(mg/kg)
铅(以Pb计)/(mg/kg)
碑(以As计)/(mg/kg)
镉(以 Cd计)/(mg/kg)
氟(以F计)/(mg/kg)
铜(以 Cu计)/(mg/kg)
锌(以 Zn计)/(mg/kg)
铬(以 Cr计)/(mg/kg)
六六六/(mg/kg)
滴滴沸/(mg/kg)
四环素/(mg/kg)
金舞素/(mg/kg)
土番素/(mg/kg)
呋喃唑酮/(mg/kg)
磺胺类(以磺胺类总量计)/(mg/kg)注;表中锌指标仅对皮蛋需要检测。4.6微生物指标
应符合表4的规定。
菌落总数/(cfu/g)
大肠菌群/(MPN/100g)
沙门氏菌
志贺氏菌
金黄色葡萄球菌
溶血性链球菌
5检验方法
感官检验
5×104
卫生指标
按GB/T5009.47规定的方法检验。5.2理化检验
5.2.1水分
按GB/T5009.3规定的方法测定。4
微生物指标
5(皮蛋不超过10)
巴氏杀
巴氏杀
糟蛋菌冰全冰蛋黄冰蛋白菌全蛋「威蛋
1 0001.1×10%/1. 1×10%
不得检出
不得检出
不得检出
不得检出
蛋黄粉
5×104
蛋白片
5×104
5.2.2脂肪
按GB/T5009.6规定的方法测定。5. 2.3游离脂肪酸、酸度、pH、食盐均按GB/T5009.47规定的方法测定。5.3卫生检验
按GB/T5009.17规定的方法测定。5.3.2铅
按GB/T5009.12规定的方法测定。5.3.3砷
按GB/T5009.11规定的方法测定。5.3.4镐
按GB/T5009.15规定的方法测定。5.3.5氟
按GB/T5009.18规定的方法测定。5.3.6铜
按GB/T5009.13规定的方法测定。5.3.7锌
按GB/T5009.14规定的方法测定。5.3.8铬
按GB/T5009.123规定的方法测定。5.3.9六六六、滴滴递
按GB/T5009.19规定的方法测定。5.3.10四环素
按GB/T5009.116规定的方法测定。5.3.11土露素、金霏素
按NY5029规定的方法测定。
5.3.12呋喃唑酮
按NY5039规定的方法测定。
5.3.13磺胺类
按NY5029规定的方法测定。
5.4微生物检验
5.4.1菌落总数
按GB/T4789.2规定的方法测定。5.4.2大肠菌群
按GB/T4789.3规定的方法测定。5.4.3沙门氏菌
按GB/T4789.4规定的方法检验。5.4.4志贺氏菌
按GB/T4789.5规定的方法检验。5.4.5金黄色葡萄球菌
按GB/T4789.10规定的方法检验。NY/T754—2003
NY/T 754—2003
5.4.6溶血性链球菌
按GB/T4789.11规定的方法检验。6检验规则
6.1组批
以同一班次、同一生产线生产的同品种、同规格且包装完好的产品为一组批。6.2抽样方法
6.2.1鲜蛋的抽样方法参照SB/T10277规定执行6.2.2皮蛋、咸蛋、糟蛋抽样方法参照NY5143规定执行。6.2.3其他蛋制品的抽样方法
在成品库中每组产品中随机抽取足够样品供检验。6.3出厂检验
每批产品出厂前,生产企业均应进行出厂检验,出厂检验内容包括包装、标签、标志、感官、理化及微生物指标几方面,检验检疫合格并附合格证的产品方可出厂。6.4型式检验
型式检验是对产品进行全面考核,即对本标准规定的全部技术要求进行检验。有下列情况之一者应进行型式检验:
a)申请使用绿色食品标志时;
b)正式生产后,产品原料、工艺、配方有较大变化,可能影响产品质量时;国家质量监督机构或主管部门提出进行型式检验要求时;c
d)有关各方对产品质量有争议需仲裁时。6.5判定规则
6.5.1产品的感官指标不符合本标准为缺陷项,其他指标不符合标准为关键项,缺陷项两项或关键项一项,判为不合格产品。
6.5.2受检样品的缺陷项目检验不合格时,允许按6.2的规定重新加倍抽取样品进行复检,以复检结果为最终检验结果。关键项目检验不合格时,受检企业对检测结果如有异议,经主管部门同意,允许重新抽样复检。
7标志、标签
7.1标志
产品的销售和运输包装上都应在明显位置标注绿色食品标志,储运图示标志按GB/T191执行。7.2标签
产品的标签应符合GB7718规定。8包装、运输、贮存
8.1包装
包装应符合NY/T658的规定。
8.2运输
运输工具应清洁卫生,具有防雨、防晒、防尘、控温设施,严禁与有毒、有害、有异味的物品混运,运输中应轻装、轻卸。
8.3.1鲜蛋
鲜蛋的贮存环境应清洁卫生,有防鼠设施,无异味,无有毒有害物品。贮存冷库温度为一1℃~0℃,6
相对湿度保持在80%90%。
8.3.2再制蛋
NY/T 754-2003
应在通风良好的场所贮存,不应同有毒、有害、有异味的物品混存,在包装完好的情况下保存期为3个月
8.3.3冰蛋制品
应贮存于一18℃以下的冷冻库内,库温昼夜升降幅度不超过1℃。8.3.4干蛋制品
在常温、干燥和有防潮设施处贮存。贮存库房应清洁、干燥、通风良好,无虫害及鼠害。严禁与有毒、有害、有腐蚀性、易发霉、发潮、有异味的物品混存。
小提示:此标准内容仅展示完整标准里的部分截取内容,若需要完整标准请到上方自行免费下载完整标准文档。
NY/T754—2003
本标准由农业部畜禽产品质量监督检验测试中心、中国绿色食品发展中心、北京国农工贸发展中心负责起章。
本标准主要起草人:刘素英、陈刚、谢焱、尤华、蔡英华、本标准由农业部畜禽产品质量监督检验测试中心负责解释。I
1范围
绿色食品
蛋与蛋制品
NY/T 754—2003
本标准规定了绿色食品蛋与蛋制品的定义、技术要求、检测方法、检验规则、标志、标签、包装、运输及贮存。
本标准适用于绿色食品蛋与蛋制品。2规范性引用文件
下列文件中的条款通过本标准的引用而成为本标准的条款。凡是注日期的引用文件,其随后所有的修改单(不包括勘误的内容)或修订版均不适用于本标准,然而,鼓励根据本标准达成协议的各方研究是否可使用这些文件的最新版本。凡是不注日期的引用文件,其最新版本适用于本标准。GB/T 191
包装储运图示标志
验菌落总数测定
GB/T4789.2食品卫生微生物学检验GB/T 4789. 3
食品卫生微生物学检验大肠菌群测定GB/T 4789.4
GB/T 4789. 5
GB/T 4789. 10
GB/T 4789. 11
GB/T 5009. 3
GB/T 5009. 6
GB/T 5009. 11
GB/T 5009. 12
GB/T 5009.13
GB/T 5009. 14
GB/T 5009. 15
GB/T 5009. 17
GB/T 5009, 18
GB/T 5009.19
GB/T 5009. 47
食品卫生微生物学检验
沙门氏菌检验
食品卫生微生物学检验
志贺氏菌检验
金黄色葡萄球菌检验
食品卫生微生物学检验
食品卫生微生物学检验
食品中水分的测定
食品中脂肪的测定
溶血性链球菌检验
食品中总砷及无机碑的测定
食品中铅的测定
食品中铜的测定
食品中锌的测定
食品中的测定
食品中总汞及有机汞的测定
食品中氟的测定
食品中六六六、滴滴涕残留量的测定蛋与蛋制品卫生标准的分析方法GB/T 5009. 116
GB/T 5009. 123
畜禽肉中土霉素、四环素、金霉素残留量的测定(高效液相色谱法)食品中铬的测定
GB7718食品标签通用标准
NY/T 391
NY/T 392
NY/T 471
NY/T 472
NY/T 473
NY/T 658
NY 5029
NY 5039
绿色食品
绿色食品
绿色食品
绿色食品
绿色食品
绿色食品
无公害食品
无公害食品
产地环境技术条件
食品添加剂使用准则
饲料和饲料添加剂
兽药使用准则
动物卫生准则
包装通用推则
NY/T 754-—2003
NY 5143
无公害食品皮蛋
SB/T10277鲜鸡蛋
中华人民共和国农业部动物性食品中兽药最高残留限量3术语和定义
下列术语和定义适用于本标准。3.1
green food
绿色食品
见 NY/T 391。
劣蛋bad egg
禽蛋受自然条件、保存时间和保存条件的影响而变质,成为不能供食用的废品。包括:雨淋蛋、出汗蛋、靠黄蛋、散黄蛋、腐败蛋、霉蛋等。3.3
次蛋inferior egg
因家禽生理、病理、饲料等原因生产的非正常蛋。包括:无黄蛋,沙壳蛋、血(肉)斑蛋、寄生虫蛋等。3.4
破损蛋broken egg
蛋壳有不同程度破损的蛋,包括:裂纹蛋、喀窝蛋、损壳蛋、流清蛋等。3.5
破次率 ratio of broken and inferior egg破损蛋和次蛋所占百分率。
ratio of bad egg
劣蛋率
劣蛋所占百分率。
干燥蛋制品driedeggproducts
蛋制品生产过程中经过干燥处理的产品,包括巴氏杀菌全蛋粉、蛋黄粉、蛋白片等。3.8
冰蛋制品frozen egg products
鲜蛋去壳后,所得的蛋液经一系列加工工艺,最后制成冷冻和保鲜的蛋制品,包括巴氏杀菌冰全蛋、冰蛋黄、冰蛋白等。
reformed egg
再制蛋
蛋加工过程中不去壳、不改变蛋形的制成品,包括皮蛋、咸蛋、糟蛋等。4技术要求
4.1原料
禽蛋应来自于非疫区、健康家禽生产的蛋。禽的饲养环境、饲料及饲料添加剂、兽药、饲养管理应分别符合NY/T391、NY/T471、NY/T472、NY/T473的要求。用于加工的原料蛋应新鲜良好,蛋壳清清完整。
4.2加工
4.2.1加工用水应符合NY/T391的规定。2
4.2.2加工过程中使用的添加剂应符合NY/T392的规定。4.3感官
应符合表1的规定。
表1感官要求
皮蛋(松花蛋)
巴氏杀菌冰全蛋
冰蛋黄
冰蛋白
巴氏杀菌全蛋粉
蛋黄粉
蛋白片
理化指标
NY/T754—2003
蛋壳清洁完整,灯光透视时,整个蛋呈桔黄色至橙红色,蛋黄不见或略见阴影。打开后蛋黄凸起、完整、有韧性,蛋白澄清、透明、稀稠分明,无异味,破次率≤7%,劣蛋率≤1%。外包泥或涂料均匀洁净,蛋壳完整,无霉变,敲摇时无水响,剖检时蛋体完整;蛋白呈青褐、棕褐或棕黄色,呈半透明状,有弹性,一般有松花花纹。蛋黄呈深浅不同的墨绿色或黄色,心或硬心。具有皮蛋应有的滋味和气味,无异味,破次率5%,劣蛋率≤1%。外壳包泥(灰)等涂料洁净均匀,去泥后蛋壳完整,无霉斑,灯光透视时可见蛋黄阴影,剖检时蛋白液化,澄清,蛋黄呈桔红色或黄色环状凝胶体。具有威蛋正常气味,无异味,破被次率≤5%,劣蛋率≤1%。
蛋形完整,蛋膜无破裂,蛋壳脱落或不脱落。蛋白呈乳白色、浅黄色,色泽均匀一致,呈糊状或凝固状。蛋黄完整,呈黄色或桔红色,呈半凝固状。具有糟蛋正常的醇香味,无异味。坚洁均匀,呈黄色或淡黄色,具有冰禽全蛋的正常气味,无异味,无杂质。坚洁均匀,呈黄色,具有冰禽蛋黄的正常气味,无异味,无杂质。坚洁均匀,白色或乳白色,具有冰禽蛋白正常的气味,无异味,无杂质。呈粉末状或极易松散的块状,均匀淡黄色,具有禽全蛋粉的正常气味,无异味,无杂质。呈粉末状或极易松散块状,均匀黄色,具有禽蛋黄粉的正常气味,无异味,无杂质。呈晶片状,均匀浅黄色,具有禽蛋白片的正常气味,无异味,无杂质:应符合表2的规定。
表2理化指标
水分/(%)
脂肪/(%)
游离脂肪酸/(%)
酸度/(%)
pH(1:15稀释)
食盐(以NaCI计)/(%)
4.5卫生指标bzxZ.net
鲜蛋皮蛋
2. 0-~5. 0
应符合表3的规定,干制蛋制品应按鲜蛋折算。巴氏杀
菌冰全
巴氏杀
菌全蛋
NY/T 754--2003
汞(以Hg计)/(mg/kg)
铅(以Pb计)/(mg/kg)
碑(以As计)/(mg/kg)
镉(以 Cd计)/(mg/kg)
氟(以F计)/(mg/kg)
铜(以 Cu计)/(mg/kg)
锌(以 Zn计)/(mg/kg)
铬(以 Cr计)/(mg/kg)
六六六/(mg/kg)
滴滴沸/(mg/kg)
四环素/(mg/kg)
金舞素/(mg/kg)
土番素/(mg/kg)
呋喃唑酮/(mg/kg)
磺胺类(以磺胺类总量计)/(mg/kg)注;表中锌指标仅对皮蛋需要检测。4.6微生物指标
应符合表4的规定。
菌落总数/(cfu/g)
大肠菌群/(MPN/100g)
沙门氏菌
志贺氏菌
金黄色葡萄球菌
溶血性链球菌
5检验方法
感官检验
5×104
卫生指标
按GB/T5009.47规定的方法检验。5.2理化检验
5.2.1水分
按GB/T5009.3规定的方法测定。4
微生物指标
5(皮蛋不超过10)
巴氏杀
巴氏杀
糟蛋菌冰全冰蛋黄冰蛋白菌全蛋「威蛋
1 0001.1×10%/1. 1×10%
不得检出
不得检出
不得检出
不得检出
蛋黄粉
5×104
蛋白片
5×104
5.2.2脂肪
按GB/T5009.6规定的方法测定。5. 2.3游离脂肪酸、酸度、pH、食盐均按GB/T5009.47规定的方法测定。5.3卫生检验
按GB/T5009.17规定的方法测定。5.3.2铅
按GB/T5009.12规定的方法测定。5.3.3砷
按GB/T5009.11规定的方法测定。5.3.4镐
按GB/T5009.15规定的方法测定。5.3.5氟
按GB/T5009.18规定的方法测定。5.3.6铜
按GB/T5009.13规定的方法测定。5.3.7锌
按GB/T5009.14规定的方法测定。5.3.8铬
按GB/T5009.123规定的方法测定。5.3.9六六六、滴滴递
按GB/T5009.19规定的方法测定。5.3.10四环素
按GB/T5009.116规定的方法测定。5.3.11土露素、金霏素
按NY5029规定的方法测定。
5.3.12呋喃唑酮
按NY5039规定的方法测定。
5.3.13磺胺类
按NY5029规定的方法测定。
5.4微生物检验
5.4.1菌落总数
按GB/T4789.2规定的方法测定。5.4.2大肠菌群
按GB/T4789.3规定的方法测定。5.4.3沙门氏菌
按GB/T4789.4规定的方法检验。5.4.4志贺氏菌
按GB/T4789.5规定的方法检验。5.4.5金黄色葡萄球菌
按GB/T4789.10规定的方法检验。NY/T754—2003
NY/T 754—2003
5.4.6溶血性链球菌
按GB/T4789.11规定的方法检验。6检验规则
6.1组批
以同一班次、同一生产线生产的同品种、同规格且包装完好的产品为一组批。6.2抽样方法
6.2.1鲜蛋的抽样方法参照SB/T10277规定执行6.2.2皮蛋、咸蛋、糟蛋抽样方法参照NY5143规定执行。6.2.3其他蛋制品的抽样方法
在成品库中每组产品中随机抽取足够样品供检验。6.3出厂检验
每批产品出厂前,生产企业均应进行出厂检验,出厂检验内容包括包装、标签、标志、感官、理化及微生物指标几方面,检验检疫合格并附合格证的产品方可出厂。6.4型式检验
型式检验是对产品进行全面考核,即对本标准规定的全部技术要求进行检验。有下列情况之一者应进行型式检验:
a)申请使用绿色食品标志时;
b)正式生产后,产品原料、工艺、配方有较大变化,可能影响产品质量时;国家质量监督机构或主管部门提出进行型式检验要求时;c
d)有关各方对产品质量有争议需仲裁时。6.5判定规则
6.5.1产品的感官指标不符合本标准为缺陷项,其他指标不符合标准为关键项,缺陷项两项或关键项一项,判为不合格产品。
6.5.2受检样品的缺陷项目检验不合格时,允许按6.2的规定重新加倍抽取样品进行复检,以复检结果为最终检验结果。关键项目检验不合格时,受检企业对检测结果如有异议,经主管部门同意,允许重新抽样复检。
7标志、标签
7.1标志
产品的销售和运输包装上都应在明显位置标注绿色食品标志,储运图示标志按GB/T191执行。7.2标签
产品的标签应符合GB7718规定。8包装、运输、贮存
8.1包装
包装应符合NY/T658的规定。
8.2运输
运输工具应清洁卫生,具有防雨、防晒、防尘、控温设施,严禁与有毒、有害、有异味的物品混运,运输中应轻装、轻卸。
8.3.1鲜蛋
鲜蛋的贮存环境应清洁卫生,有防鼠设施,无异味,无有毒有害物品。贮存冷库温度为一1℃~0℃,6
相对湿度保持在80%90%。
8.3.2再制蛋
NY/T 754-2003
应在通风良好的场所贮存,不应同有毒、有害、有异味的物品混存,在包装完好的情况下保存期为3个月
8.3.3冰蛋制品
应贮存于一18℃以下的冷冻库内,库温昼夜升降幅度不超过1℃。8.3.4干蛋制品
在常温、干燥和有防潮设施处贮存。贮存库房应清洁、干燥、通风良好,无虫害及鼠害。严禁与有毒、有害、有腐蚀性、易发霉、发潮、有异味的物品混存。
小提示:此标准内容仅展示完整标准里的部分截取内容,若需要完整标准请到上方自行免费下载完整标准文档。
标准图片预览:





- 其它标准
- 上一篇: NY 5141-2002 灭菌乳
- 下一篇: NY 5172-2002 无公害食品 水发水产品
- 热门标准
- 农业行业标准(NY)
- NY∕T3212-2018 拖拉机和联合收割机登记证书
- NY/T5357-2007 无公害食品 海洋水产品捕捞生产管理规范
- NY2188-2012 联合收割机号牌座设置技术要求
- NY/T2444-2013 菠萝叶纤维
- NY/T3051-2016 生乳安全指标监测前样品处理规范
- NY/T1153.2-2013 农药登记用白蚁防治剂药效试验方法及评价 第2部分农药对白蚁毒效传递的室内测定
- NY/T2686-2015 旱作玉米全膜覆盖技术规范
- NY/T605-2006 焙炒咖啡
- NY/T2423-2013 植物新品种特异性、一致性和稳定性测试指南 小豆
- NY/T2493-2013 植物新品种特异性、一致性和稳定性测试指南 荞麦
- NY/T1178-2006 牧区牛羊棚圈建设技术规范
- NY/T2251-2012 香蕉花叶心腐病和束顶病病原分子检测技术规范
- NY/T2446-2013 热带作物品种区域试验技术规程 木薯
- NY/T2520-2013 植物新品种特异性、一致性和稳定性测试指南 树莓
- NY/T2464-2013 马铃薯收获机 作业质量
- 行业新闻
请牢记:“bzxz.net”即是“标准下载”四个汉字汉语拼音首字母与国际顶级域名“.net”的组合。 ©2025 标准下载网 www.bzxz.net 本站邮件:bzxznet@163.com
网站备案号:湘ICP备2025141790号-2
网站备案号:湘ICP备2025141790号-2