- 您的位置:
- 标准下载网 >>
- 标准分类 >>
- 机械行业标准(JB) >>
- JB/T 8494-1996 金属打包液压机 技术条件
标准号:
JB/T 8494-1996
标准名称:
金属打包液压机 技术条件
标准类别:
机械行业标准(JB)
英文名称:
Technical requirements for hydraulic presses for metal baling标准状态:
现行-
发布日期:
1996-11-07 -
实施日期:
1997-01-01 出版语种:
简体中文下载格式:
.rar.pdf下载大小:
218.78 KB
替代情况:
ZB J62013-87
点击下载
标准简介:
标准下载解压密码:www.bzxz.net
本标准规定了金属打包液压机的技术要求、检验规则和试验方法、包装、储运及标志。 本标准适用于金属打包液压机。 JB/T 8494-1996 金属打包液压机 技术条件 JB/T8494-1996
部分标准内容:
中华人民共和国机械行业标准
JB/T 8494—96
金属打包液压机
1996-11-07发布
技术条件
1997-1-01实施
中华人民共和国机械工业部
JH/T8494-96
生标准是柜据机床工凡行业15S2年标准市查会提小的“原2B62C137金届打液H机
摘度应度止,机应的技未要求应纳人产品的技术条件\的意见证制前的.本标准以J38R一4液层机技术条件为依据,结合企打包液片机能使用要求,标准中的“证人费求,试验方达与查验规则、包装、储运“等都进行门图的规定,保证了念属打似液压机的各生力!“家的产品性能护标,技不要求的,?逆性本标从效月起止5一金打包满压机速标准1997年1月1实距,
本标准而机协业音济南券造股函汇仙究所提出川,本标准资起单单位,了机末股份有限分司。本孙北主费厄草人,范扬华,品区贞、郊芸国、贵帐版1
1范图
中华人民共租国械行业标准
金属打包液压机技术条件
JB/T8494—6
本标准规定了金属打包瓶压机的技求要求,捡验境购和试验方法,包装、储运皮标志本标准适用于金回打包压相(以下简称打包机)2引用标准
下列标准所包含的涤文,通过在本标雅中引用而构成为本标准的条文,本标准出版时,所示版本均为有效。所右标准都会被修计,使用本标准的各方应欲讨使用下划标殊最新版本的可能性。G191-
GB 3766—R
GR422384
GB/T 5226.1—1S96
GR7935-87
GB/T13506—91
GH/T1336492
JB3240-83
J133623-84
JB3AR-
JB391585
ZBJ50 0118
J13-39
ZTJ5001
ZB16200186
ZBJ62 DD6—87
7.R J62 025-B9
3技术要求
创装储运图示标志
筛压系统通用技不杀件
回护碳灰钢分变丝技术条件
1业桃械电气设备第部分:通用技术条件微压元件通用挂术染件
机电产品包装通用技术条件
锻压机械操作指示形象化符号
锻压机噪声测黄方法
液压机技术杀件
被压机安全技术条门
机床染率技机条件
防锈技术条牛
机床包装状术杀件
段压机械激压系统猎活度
锻压机换噪声限值
眼压机械焊摄技术条件
3.1打包机的型式与其术参数应符合按规定舒序批准的图群总技术更件的规定3.3打包机应有足的度,其喇度值应符合有关的规定。3.3打包机打限范位块,其密度应符合GB422的规定。3.4配套要求
3.4.1包机出!时应保试其完整性,并备有术文件中规定的专用游件及备用易损件。特殊附件巾心和制造厂共同商定,或的机供成或单独订货。3,4,2制造厂应保证打包机外购件(如减压,电气元)符合规行标廉和取移合格证,且减安装在上机上网时进行运转试验,
3.5 安与防扩
机械工业部1996·110批准
1997-01-01 实施
JD/T849496
3.5.1于包机必纠其有可靠的安全误护费置,并符台JB3915的规是。3.5.2行起机关操数机落溯医全间靠,当打包做羊次循严动作时,不得发生下猫环的连续动作。3.5.1扩包机的机尝应有齿止动下落的措施。3.5.4打位机随!系范的染数小应将个GH3766的规定,3.5.5打包机中气改备的定全与防护应符合B/525.1的规定。3.6:润游
订包机应有准劳续置·润整管路及准尚点应有对应的编号标表.保证各运转部位得正常的制准。3.7标志
机成有铭牌,指示润带、换双可安全要求等示志和标牌:标牌应符合B门13306的规定,标牌上的形家件号成持会B321规定,款虑虚靠正年阅电固定在醒日与适有的俭置。3.8等、锻、识件
3.8.1铸嵌件、将闲件、件接件、做件剂与色金件均应符合现行标准的视定,对铸,锻、焊挖件的缺陷、亡保证使州要求和外观量的案件:,分订按有关标准片规宗声行偿补,3.8.2打包机电要的停、锻,好找世,应逆行消除内应方处现,3.质单
3.91么机的训1量,应符会设计图年、艺规程有关标谁要求;已间志值不成有或制,均英他利病损们,除特殊效定,将源鱼满使.3.9.2整样上未注明公老受求的切制加工尺小其借差应符合有美标注的定3. 1心装配质质
310.打包机应度密配1艺就进行装配,不分许费人图样1末锦定的法,食炎等紫件3.10.2提货%川的零、举准(包范致,外动计>均成符合质量要求机身惊析探册贴合面应贴合好用5m座尺进行检验,充许员部插人,其后入探度一3.10.3
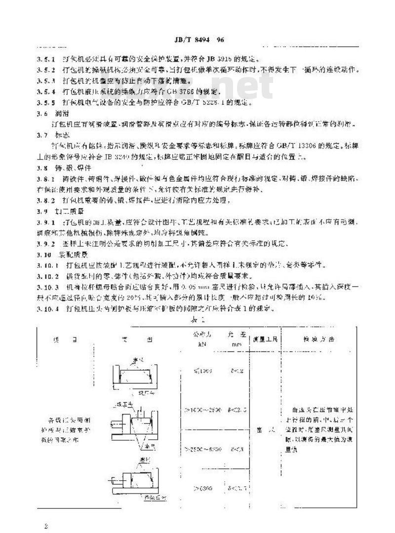
不应更适径出账含宽闪20,其插入音守的累长度股人应招过可检两长的03.10.打包机正头均测护板与用缩按的原之计应符介表1的规定。女
许级义四
护与缩育
依的司系之市
资压务
-16x--25-2.5
按源法
当进在室中处
上行任的前,心后一个
立准对,氏型尽测量儿后,
限,以演在的最太位为遗
JB/T849496
3.10.5液压、冷划系统的曾路通其收谢指内表酬,在装配前均应过行所锈去行处理,符合有关现行清法度标准的规定。
3.,6都管路,笋接头、法冷及范他固定要,将封处片应准接主带、密封良好,不应有增端现象。3.11液压装配质年
打包忧的获压装配原量应符合JF38二8的规光,3.12气设备
卡包机的电气设备质冠应符含:H/F5226.1的规定,3.13外观质取
3,3.1扫付划的外表面,小度为图料上来规定的户起、明扭精不乎和案他损析3.13.2底渠、侧架、前架,后架、门架、支持架各综合处应整,不床有明显的缝隙杆带位3.13.3外露探链应格整7.自,均匀,开穿合有关标证的规定。3.13.4液运,润滑普路及中气路望汀包机外虑安装时,应排整亦、美观,不得导相对运办的李前件接爬,
3,13. 5须头弹钉人应案出季件法值;端择尿继应寒小1归之外,但采叫前不应过长和参并不3.13.6打机兰的各种铭弹,标牌,固定位實应调显、平整牛固,不料。3.14烧锂5配筑
3.14.择包机许亲率质单过名台2350的规定。3.14.2订色机出评应符合2B,5014的规定.4检验
4.芯本款的给验
打回机基去参数的偏益应符合表2的现定表”
冬称内
压头量大程
中肾转单达精师叶间
心决密度
4.茎性违的尬验
符分标求或设计识定
+13头
太丁或等于球产或设计提定位
打包机的系本性靠检致应在审运转和负价运转试物中结合进行,按产品制造与妆装术案件中的专门试验规茂进行式验:
)起动、等山试验.连装逃行少工3双、动作应录数、可靠5)瓜,凯、门各运动机的运转试验连绞进行,不心二3次,动作应半稳,可牢,r)安全装些的可微性;
d!润滑终却,加热装骨的作封性可靠性。4.装配质量的按验www.bzxz.net
打包机应接10的要状选行装配感剪性登验,4.4液装配点量的按验
打包机在穿运转试验前印任实运转试验过倡中,应控下则项疗波压装配质量进行控监:.)滤乐系统的安全技灾罗求,符合JB3818中有关规定:3
JBT 8494-96
b)种计数器,指示器的灵嫩性和可靠性滤压离统正力调整私丁作时的平稳性与可靠生:)各种联链装登的灵活性和可掌性:e)减压,系统密均性
f)酸压系统的操凱力;
g)抽检神液情清,应存合2BJ52001的婴求。4.5电气,设务质量的检险
打包机在空运转试验前印空运转式验过程中,应按下列项日对机器的电气设备进行试验和检查:i电气设备工作的安全性与可靠些;发以元件的减极与可性
老示讯号制性与可性;
)电气设备与液条统的协述与可靠;e)绝试验;
们保护导线连续性前检验。
4.6空运转试
打包机在变免荷状态下进行运轻试避,止对基所需以方,沿度变化,账页等项目进行惊验,打包机的空运转试验必知连慈进行时间个安十,益户,每欢循之闻小断的字运转试验不少于2h英众时间可做单改循以感单个油缸的动作试验46.2礼操作上的效作应互动调,平可靠4,6,3波压部性次应发牛周另的冲击现象,机关、和压头的动作度平稳、产读,4.6.4打包机的全部商、低压液压系统,润谢系毓、冷却系统的管路、接头、法兰及其他还接接键处,培应密塔良好,无洲,水的外落端相互混入等情说。4.5空运转试输守,油箱变出策进口处的油温(或池箱池再)度超对604. %,6打包机在空诊转试验中,其操作位肾的噪声限消 %,成符合ZR 62 00%.1的规息,4.7负荷运转试验
负荷运转试验应在军教试验合格后光行、试监方法可采用金属打包或其他加或谐,4.7.1打包机负荷运获时,序进行逐级升卫的谢正试验。各规范下动作应平稳,可靠。4.7.3汕箱仙温应符合1.6.的要求。47.3各系统的案均情况度符存4.6.4的要求。4.7.4噪声限值成符台1.5.6的要。4.7.5打应机的公整压小和主电动机防率应符合设文件和有关标准的要述,4.8预货低验
行包机进行超负商试验,且不少于日次工作循环,试验方法可采用金氧打包或其他加载措施。4.8.1超负柯试验应与安全网的调完检验结合进行,超负荷试压力般应符合表的观定。3
体最上作
试物力
4.8.2打位机在超负荷试验中和试验后,零、部件心得有任何揭环和求久变形,液压系统·不得有谢猫及其件不正常现象,
4. 9工作试验
JB/T 8494-96
每台打包机必应按规定的度金属料进行工作试验,工作试验可与长有试验结台进行,打包不交于决,也快密度应符合3.3的规亲。4.10唤声险
4.10.1打包机的哦市测量站益成在合3623的规定,4.1.打包机存空载连续运转总满载时,在换作位置之赚声A计数而压级pLA(A)应符合7PJ62006.1的规定。
4.11外观质量的检管
包机外观质量应符合的规定。
4.12包装检验
门包礼的包考势第6的起定进行拾验。S验收规则
5.!打与机分为回厂验和翌式将验。5.2出检粉
每台打包机向尚经制造」质量构焰部门进行出」格验,合格片方能出厂。打他机应度下列项上进行出厂检检和试游:a本参效的检验:
b)基本性能的检验
)装配就量的构验:
山)压装配质量的控验:
)电气设备检验:
F)字让转试验;
图!所荷运转试验:
)超负荷运转试验:
1.作试验,
1)噪由将岭:
上)外观质量的检愉:
川)位检验。
5.1型比检验
离下例情况之者制洗的乘…台产品必须进行型式试验,型式试整合格后才能正式牛产:)新产品或考产品转」生产美试制定型鉴是,5)正式土产后的站、材料,工也有较大改么,可能账响产品啡时:)下常生产付,完期积累一定产量后应周期性进行-次检跑:d)产品长榭停产后恢复生产时:心)出厂检龄站果与【.失型式验结果有控大差异靠时:!量监者机内选出型式试些要求时打包机约要式诚验,除应进行!检验的所有项H外,还需讲行下列项H的检验和试验:)丰整等件脏的检验
b?例意的试验;
油液流洁变的抢验
心包装、储运和标志
6.」打纠执的求件,部件.附件和备用件的外器加工表,成除锈剂后,再了以位装。5
JB/T 8494-96
6.2打包汇采用箱整时应符会2BJ50014的规定,采压微装,装等包装系式时,应符合GB/T13224的规定。
3打包机的包装、储运度六标本成等合GB151的规定。6.4打包机必随机附若的技术文件)合格证明:
)产品使用说明:
!装箱单。
小提示:此标准内容仅展示完整标准里的部分截取内容,若需要完整标准请到上方自行免费下载完整标准文档。
JB/T 8494—96
金属打包液压机
1996-11-07发布
技术条件
1997-1-01实施
中华人民共和国机械工业部
JH/T8494-96
生标准是柜据机床工凡行业15S2年标准市查会提小的“原2B62C137金届打液H机
摘度应度止,机应的技未要求应纳人产品的技术条件\的意见证制前的.本标准以J38R一4液层机技术条件为依据,结合企打包液片机能使用要求,标准中的“证人费求,试验方达与查验规则、包装、储运“等都进行门图的规定,保证了念属打似液压机的各生力!“家的产品性能护标,技不要求的,?逆性本标从效月起止5一金打包满压机速标准1997年1月1实距,
本标准而机协业音济南券造股函汇仙究所提出川,本标准资起单单位,了机末股份有限分司。本孙北主费厄草人,范扬华,品区贞、郊芸国、贵帐版1
1范图
中华人民共租国械行业标准
金属打包液压机技术条件
JB/T8494—6
本标准规定了金属打包瓶压机的技求要求,捡验境购和试验方法,包装、储运皮标志本标准适用于金回打包压相(以下简称打包机)2引用标准
下列标准所包含的涤文,通过在本标雅中引用而构成为本标准的条文,本标准出版时,所示版本均为有效。所右标准都会被修计,使用本标准的各方应欲讨使用下划标殊最新版本的可能性。G191-
GB 3766—R
GR422384
GB/T 5226.1—1S96
GR7935-87
GB/T13506—91
GH/T1336492
JB3240-83
J133623-84
JB3AR-
JB391585
ZBJ50 0118
J13-39
ZTJ5001
ZB16200186
ZBJ62 DD6—87
7.R J62 025-B9
3技术要求
创装储运图示标志
筛压系统通用技不杀件
回护碳灰钢分变丝技术条件
1业桃械电气设备第部分:通用技术条件微压元件通用挂术染件
机电产品包装通用技术条件
锻压机械操作指示形象化符号
锻压机噪声测黄方法
液压机技术杀件
被压机安全技术条门
机床染率技机条件
防锈技术条牛
机床包装状术杀件
段压机械激压系统猎活度
锻压机换噪声限值
眼压机械焊摄技术条件
3.1打包机的型式与其术参数应符合按规定舒序批准的图群总技术更件的规定3.3打包机应有足的度,其喇度值应符合有关的规定。3.3打包机打限范位块,其密度应符合GB422的规定。3.4配套要求
3.4.1包机出!时应保试其完整性,并备有术文件中规定的专用游件及备用易损件。特殊附件巾心和制造厂共同商定,或的机供成或单独订货。3,4,2制造厂应保证打包机外购件(如减压,电气元)符合规行标廉和取移合格证,且减安装在上机上网时进行运转试验,
3.5 安与防扩
机械工业部1996·110批准
1997-01-01 实施
JD/T849496
3.5.1于包机必纠其有可靠的安全误护费置,并符台JB3915的规是。3.5.2行起机关操数机落溯医全间靠,当打包做羊次循严动作时,不得发生下猫环的连续动作。3.5.1扩包机的机尝应有齿止动下落的措施。3.5.4打位机随!系范的染数小应将个GH3766的规定,3.5.5打包机中气改备的定全与防护应符合B/525.1的规定。3.6:润游
订包机应有准劳续置·润整管路及准尚点应有对应的编号标表.保证各运转部位得正常的制准。3.7标志
机成有铭牌,指示润带、换双可安全要求等示志和标牌:标牌应符合B门13306的规定,标牌上的形家件号成持会B321规定,款虑虚靠正年阅电固定在醒日与适有的俭置。3.8等、锻、识件
3.8.1铸嵌件、将闲件、件接件、做件剂与色金件均应符合现行标准的视定,对铸,锻、焊挖件的缺陷、亡保证使州要求和外观量的案件:,分订按有关标准片规宗声行偿补,3.8.2打包机电要的停、锻,好找世,应逆行消除内应方处现,3.质单
3.91么机的训1量,应符会设计图年、艺规程有关标谁要求;已间志值不成有或制,均英他利病损们,除特殊效定,将源鱼满使.3.9.2整样上未注明公老受求的切制加工尺小其借差应符合有美标注的定3. 1心装配质质
310.打包机应度密配1艺就进行装配,不分许费人图样1末锦定的法,食炎等紫件3.10.2提货%川的零、举准(包范致,外动计>均成符合质量要求机身惊析探册贴合面应贴合好用5m座尺进行检验,充许员部插人,其后入探度一3.10.3
不应更适径出账含宽闪20,其插入音守的累长度股人应招过可检两长的03.10.打包机正头均测护板与用缩按的原之计应符介表1的规定。女
许级义四
护与缩育
依的司系之市
资压务
-16x--25-2.5
按源法
当进在室中处
上行任的前,心后一个
立准对,氏型尽测量儿后,
限,以演在的最太位为遗
JB/T849496
3.10.5液压、冷划系统的曾路通其收谢指内表酬,在装配前均应过行所锈去行处理,符合有关现行清法度标准的规定。
3.,6都管路,笋接头、法冷及范他固定要,将封处片应准接主带、密封良好,不应有增端现象。3.11液压装配质年
打包忧的获压装配原量应符合JF38二8的规光,3.12气设备
卡包机的电气设备质冠应符含:H/F5226.1的规定,3.13外观质取
3,3.1扫付划的外表面,小度为图料上来规定的户起、明扭精不乎和案他损析3.13.2底渠、侧架、前架,后架、门架、支持架各综合处应整,不床有明显的缝隙杆带位3.13.3外露探链应格整7.自,均匀,开穿合有关标证的规定。3.13.4液运,润滑普路及中气路望汀包机外虑安装时,应排整亦、美观,不得导相对运办的李前件接爬,
3,13. 5须头弹钉人应案出季件法值;端择尿继应寒小1归之外,但采叫前不应过长和参并不3.13.6打机兰的各种铭弹,标牌,固定位實应调显、平整牛固,不料。3.14烧锂5配筑
3.14.择包机许亲率质单过名台2350的规定。3.14.2订色机出评应符合2B,5014的规定.4检验
4.芯本款的给验
打回机基去参数的偏益应符合表2的现定表”
冬称内
压头量大程
中肾转单达精师叶间
心决密度
4.茎性违的尬验
符分标求或设计识定
+13头
太丁或等于球产或设计提定位
打包机的系本性靠检致应在审运转和负价运转试物中结合进行,按产品制造与妆装术案件中的专门试验规茂进行式验:
)起动、等山试验.连装逃行少工3双、动作应录数、可靠5)瓜,凯、门各运动机的运转试验连绞进行,不心二3次,动作应半稳,可牢,r)安全装些的可微性;
d!润滑终却,加热装骨的作封性可靠性。4.装配质量的按验www.bzxz.net
打包机应接10的要状选行装配感剪性登验,4.4液装配点量的按验
打包机在穿运转试验前印任实运转试验过倡中,应控下则项疗波压装配质量进行控监:.)滤乐系统的安全技灾罗求,符合JB3818中有关规定:3
JBT 8494-96
b)种计数器,指示器的灵嫩性和可靠性滤压离统正力调整私丁作时的平稳性与可靠生:)各种联链装登的灵活性和可掌性:e)减压,系统密均性
f)酸压系统的操凱力;
g)抽检神液情清,应存合2BJ52001的婴求。4.5电气,设务质量的检险
打包机在空运转试验前印空运转式验过程中,应按下列项日对机器的电气设备进行试验和检查:i电气设备工作的安全性与可靠些;发以元件的减极与可性
老示讯号制性与可性;
)电气设备与液条统的协述与可靠;e)绝试验;
们保护导线连续性前检验。
4.6空运转试
打包机在变免荷状态下进行运轻试避,止对基所需以方,沿度变化,账页等项目进行惊验,打包机的空运转试验必知连慈进行时间个安十,益户,每欢循之闻小断的字运转试验不少于2h英众时间可做单改循以感单个油缸的动作试验46.2礼操作上的效作应互动调,平可靠4,6,3波压部性次应发牛周另的冲击现象,机关、和压头的动作度平稳、产读,4.6.4打包机的全部商、低压液压系统,润谢系毓、冷却系统的管路、接头、法兰及其他还接接键处,培应密塔良好,无洲,水的外落端相互混入等情说。4.5空运转试输守,油箱变出策进口处的油温(或池箱池再)度超对604. %,6打包机在空诊转试验中,其操作位肾的噪声限消 %,成符合ZR 62 00%.1的规息,4.7负荷运转试验
负荷运转试验应在军教试验合格后光行、试监方法可采用金属打包或其他加或谐,4.7.1打包机负荷运获时,序进行逐级升卫的谢正试验。各规范下动作应平稳,可靠。4.7.3汕箱仙温应符合1.6.的要求。47.3各系统的案均情况度符存4.6.4的要求。4.7.4噪声限值成符台1.5.6的要。4.7.5打应机的公整压小和主电动机防率应符合设文件和有关标准的要述,4.8预货低验
行包机进行超负商试验,且不少于日次工作循环,试验方法可采用金氧打包或其他加载措施。4.8.1超负柯试验应与安全网的调完检验结合进行,超负荷试压力般应符合表的观定。3
体最上作
试物力
4.8.2打位机在超负荷试验中和试验后,零、部件心得有任何揭环和求久变形,液压系统·不得有谢猫及其件不正常现象,
4. 9工作试验
JB/T 8494-96
每台打包机必应按规定的度金属料进行工作试验,工作试验可与长有试验结台进行,打包不交于决,也快密度应符合3.3的规亲。4.10唤声险
4.10.1打包机的哦市测量站益成在合3623的规定,4.1.打包机存空载连续运转总满载时,在换作位置之赚声A计数而压级pLA(A)应符合7PJ62006.1的规定。
4.11外观质量的检管
包机外观质量应符合的规定。
4.12包装检验
门包礼的包考势第6的起定进行拾验。S验收规则
5.!打与机分为回厂验和翌式将验。5.2出检粉
每台打包机向尚经制造」质量构焰部门进行出」格验,合格片方能出厂。打他机应度下列项上进行出厂检检和试游:a本参效的检验:
b)基本性能的检验
)装配就量的构验:
山)压装配质量的控验:
)电气设备检验:
F)字让转试验;
图!所荷运转试验:
)超负荷运转试验:
1.作试验,
1)噪由将岭:
上)外观质量的检愉:
川)位检验。
5.1型比检验
离下例情况之者制洗的乘…台产品必须进行型式试验,型式试整合格后才能正式牛产:)新产品或考产品转」生产美试制定型鉴是,5)正式土产后的站、材料,工也有较大改么,可能账响产品啡时:)下常生产付,完期积累一定产量后应周期性进行-次检跑:d)产品长榭停产后恢复生产时:心)出厂检龄站果与【.失型式验结果有控大差异靠时:!量监者机内选出型式试些要求时打包机约要式诚验,除应进行!检验的所有项H外,还需讲行下列项H的检验和试验:)丰整等件脏的检验
b?例意的试验;
油液流洁变的抢验
心包装、储运和标志
6.」打纠执的求件,部件.附件和备用件的外器加工表,成除锈剂后,再了以位装。5
JB/T 8494-96
6.2打包汇采用箱整时应符会2BJ50014的规定,采压微装,装等包装系式时,应符合GB/T13224的规定。
3打包机的包装、储运度六标本成等合GB151的规定。6.4打包机必随机附若的技术文件)合格证明:
)产品使用说明:
!装箱单。
小提示:此标准内容仅展示完整标准里的部分截取内容,若需要完整标准请到上方自行免费下载完整标准文档。
标准图片预览:





- 其它标准
- 热门标准
- 机械行业标准(JB)
- JB/T9396-1999 环块磨损试验机 技术条件
- JB/T7422.2-1999 立式内圆珩磨机 精度检验
- JB/T7665-1995 通用机械噪声声功率级现场测定 声强法
- JB/T7732.1-1995 地膜覆盖机 技术条件
- JB/T9272-1999 氨压力表
- JB/T7273.8-1994 背面波纹手轮
- JB/T5810-1991 电机磁极线圈及磁场绕组匝间绝缘试验规范
- JB/T450-1992 PN16.0~32.0MPa锻造角式高压阀门、管件、紧固件 技术条件
- JB/T6664.2-1993 自吸泵 技术条件
- JB/T8368.1-1996 电锤钻
- JB/T9014.7-1999 连续输送设备 散粒物料 堆积角的测定
- JB/T9541-1999 家用换气扇用电动机 通用技术条件
- JB/T9991-1999 电镀金刚石铰刀
- JB/T10352-2002 YFB系列粉尘防爆型三相异步电动机(机座号63~355)技术条件
- JB/T10438-2004 额定电压450/750V及以下交联聚氯乙烯绝缘电线和电缆
- 行业新闻
请牢记:“bzxz.net”即是“标准下载”四个汉字汉语拼音首字母与国际顶级域名“.net”的组合。 ©2025 标准下载网 www.bzxz.net 本站邮件:bzxznet@163.com
网站备案号:湘ICP备2025141790号-2
网站备案号:湘ICP备2025141790号-2