- 您的位置:
 - 标准下载网 >>
 - 标准分类 >>
 - 国家标准(GB) >>
 - GB 772-1987 高压绝缘子瓷件技术条件
 
标准号:
GB 772-1987
标准名称:
高压绝缘子瓷件技术条件
标准类别:
国家标准(GB)
标准状态:
已作废- 
          	
发布日期:
1987-01-02 - 
		 
实施日期:
1989-01-01 - 
          	
作废日期:
2006-04-01 出版语种:
简体中文下载格式:
.rar.pdf下载大小:
497.48 KB
替代情况:
GB 772-1977;被GB/T 772-2005代替采标情况:
≈IEC 233-1974
部分标准内容:
					
					中华人民共和国国家标准
高压绝缘子瓷件
Technical specifications of porcelainelement for high voltage insulatorsGB 77287
代替GB772—77
木标准适用丁交流额定电压10V及以上架空电力线路,电器和配电装置绝缘子上用的未装配(或不装配的瓷件(以下简称瓷件)。瓷件使用场所的周围环境温度为一40~十40C。安装在电器上的瓷件,其使用场所的正值温度应符合其相应电器标准的规定,如无特殊规定,正值温度一般为十40℃。本标准不适旧于在有破坏凳及轴的介质(气休或液休)中工作的瓷件。对」在SF。气体中使用的瓷性,用用供需效方协议参照来用。本标准参照来用了国际电工委贸会(IEC)如下出版物:a、IFC233《电气设备用空心绝缘子试验》第二版1974年;h.IEC 1G8《额定电压高下1000V的系统用户内和户外瓷或玻璃支杜绝缘子的试验》第二版1979年;
心.[FC383&额定电压高丁1000V的架空线路用瓷或玻璃绝缘子的试验》第三版1983年。1术语
1.1外观质量部分
斑点—
熔化在瓷件表面上的杂物(如铁质,石膏等)所形成的昇色斑点:烧缺…·坏体内杂物烧去后所形成深入瓷体上的叫陷;杂质一
粘附在瓷件表面上的钵屑、粒、石英粉等颗粒;气泡因杂物分解在瓷体表面所形成的泡;釉面针孔一一种面上呈现的不深入体的,直径衣]mm 以下的小孔;釉泡
刀痕—
因烧成不良而在釉面上形成的泡;烧成后在瓷体或釉面上形成的裂口,裂纹指宽度很微小的开裂(如免裂等):高出正常釉面的积轴部分;
瓷件规定应「釉的裘面露出的瓷体无釉部分坏泥折叠在坏件表面上而米开裂的痕迹;环件丧面因受压而造成的凹陷痕迹;由于坏件加工不当,在表面上成的细条痕迹:一出丁拯件加工不当,在表面上造成的不平痕迹,波纹一
瓷件在焙烧时因瓷件相互或与外物粘连而损坏釉面或瓷体的缺陷;碰损·--坏件或瓷件相五或与外物相碰击而伤及釉面或瓷体的缺;生烧
瓷件最终烧成温度低丁坏料成瓷温度或保温时间不够以致瓷件烧成不充分,经礼隙性试验有吸红现象者;
国家机械工业委员会1987-11-23批准1988.10.01实施
GB 772-B7
过火一瓷件最终烧成温度高于坏料成瓷温度或保温时间过长所形成的瓷体发胞,以及由于温度过高而引起的起泡现象计
氧化起泡
一瓷件因烧成不良而引起瓷体膨胀或起泡现象;瓷件规定应上砂的表面上露出的无砂现象局部高出正常上砂层的砂粒堆积现象;标记不清
1.2制造工艺部分
商标或标记模糊而辨认不清。
湿法成型一一采用真空挤制泥段,在坏料具有塑性状态下应用各种加工工艺(压旋、车削等)成型的方法;
起米。
经粗加丁的单个泥坏,在其具有塑性状态下用粘接剂将两个以上的泥坏永久地接合1.3形位公差部分
形状与位置公差部分的术语,除应符合GB 1183形状和位置公差术语及定义的规定外,还应衍台下述规定:
伞缘变形度-
瓷件命缘上的各点与基准平面(检查平台平面)间的最人距离:璧厚均勾性一一在瓷套的同一端面上.最厚瓷壁与最薄瓷壁之差值;有限结构尺寸
一影响瓷件装配附件的部位尺:无限结构尺寸……瓷件不装配附件的部位尺寸。1.4本标推所采用的其他术语应符合GB2900.8电工名词术语绝缘子》的规定。2技术要求
2.1瓷件的尺寸偏差
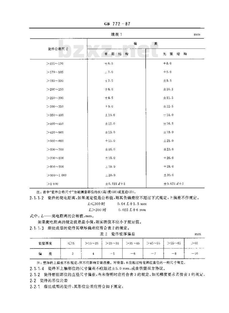
2.1.1瓷件应按规定程序批准的图样制造。2. 1. 1. 1湿法成型瓷件一般尺寸偏差应符合表 1 的规定表1湿法成型瓷件·-般尺寸偏差偏
瓷件公称尺寸
有限结构
*45~-60
>60~70
>80~90
>90~110
>110~125
>125 ~110
>140~155
无限结构
瓷件公称尺小
155~170
170---185
185--200
>200~250
250~-300
300~-350
350~400
>400-~45[
450~~500
>500~600
2600~700
700~800
860~900
2900~-1 000
GB 772 -87
续表1
有限结构
. 7. 6
± 12 0
±t. 015 d+- 5
注:表中\瓷件公称尺寸\为被测量部位的长(高)度(H)或直径(D)。差
无限结构
± 0. 025 d+5
2.1.1.2瓷件的爬电距离,如果规定值是公称值,其负偏差应不超过下式规定,上偏差不作规定。L300时
L2300时
武中:L
-爬电距离的公称值,mm。
0. 01 L+1. 5 1nt
0. 025 L+6 mm
如果爬电距离的规定值是最小值,则实测值不应小于规定值。2.1.1.3混法成型的瓷件其厚偏差应符合表2的规定。表2瓷件壁厚偏差
瓷壁厚度
>15~25
>25~35
235~45
>45-56
-55--65
注:壁厚的上遍差不作规定,但不应影响安装连接。对瓷套,个应超过所在部位直径的一般尺守编差。2.1. 7.4瓷件不上轴部位的寸偏差不应超过士5. 0 mm,或由供需双方协议。mm
2.1.2瓷件磨别部位的直径尺寸偏差,当未指明时应符合表3的规定。如无精度要求者按表1的规定。2.2瓷件的形位公差
2.2.1混法成型的瓷件,其形位公差应符合如下规定:GB 772—87
瓷件两端面平行度应不超过0.026Dmm(D-:
一般指直径,或端面尺寸);
瓷件轴线的直线度应不超过0.8%H+1,5tmitn(H为瓷件长度或高度);h.
当瓷件主体长度H与直径)的比值H/)>0时,瓷件轴线的直线度由供需双方协议,由于轴线的弯曲可能引起瓷件伞裙的倾斜而影响瓷件两端与金属附件的装配时,瓷件两端伞裙倾斜不应使Hm-Hmm>0.032D+3m(Hmx—距离,D瓷件端部伞裙直径,mm)。c。瓷件的圆度应不超过下列规定:-伞裙至端面的最大距离,Hmim—表3瓷件磨削部位的直径尺寸偏差直
250~-315
2315~400
?400~~500
偏差等级
D≤250时0.01D+2.5mm
D>250时0.02Dmm
式中:D瓷件直径,mm。
500~630
>630~800
800~1 000
瓷件同-端面的壁厚均勾性应符合表1的规定。表4瓷件端面壁厚均匀性
均匀性
(不大于)
>15 ~25
>35~45
一伞裙至端面的最小
偏差等级
≥45~55
>55--65
盘形悬式绝缘子和针式绝缘子瓷件的伞缘变形度,应不超过0.02I)mm(D2.2.2瓷件经磨削后的形位公差及表而状态,应符合下列规定:a.
瓷件两端面平行度应不超过:
等级「
等级I
等级1
式中:D-
0.18%D mm
0. 35%D mm
0.52%D mm
瓷件直径,mm。
瓷件的上下端同轴度应不超过:b.
等级1
等级 T
等级1
0.30%H mm
式中:-—-瓷件长(高)度,m。
瓷件端面的粗糙度应符合表5的规定。C
瓷件伞裙径,
衣面粗糙度
适用范
GB 772—87
表5磨削表面粗糙度
无密封要求,只是
出下制造上的原因
需要摩削者
油密封面
汽体带封面
特殊要求的光滑面
注:检查时.一般可采用试品与标样(瓷)目力观测的方法进行比较,必要时采用仪器进行测量。2.3瓷件的外观质量
2.3.1瓷件应按图样规定的部位均匀地上一层瓷釉。釉面应光滑,不有显菩的色调不均现象。2.3.2瓷件表面缺陷不应影响瓷件的安装和连接,且不应超过表6的规定。瓷件不应有生烧,过火和氧化起泡现象。表6瓷件外观质量
瓷件分类
>50~400
>1 t.3--3 (00
>3 000~7 500免费标准下载网bzxz
7 500~15 000
2-15 000
注:①表中H
斑点、杂质、
烧缺、气泡等直径
瓷件高度或长度,cm;
资件最人外径,n。
粘釉或碰损面积
内表面
外表面
②内夜面(内孔及胶装部位.但不包悬试头部胶装部位)缺陷总而积不作规定。③括弧内数值适用于线路针式和式绝缘子的瓷件。深
外表面缺陷
总面积
2.3.3当耐污型产品的肥电距离1./H>2.2时(1,肥电距离,H--瓷件高度,mm),其允许的缺陷总面积,应不大十表6中各该类外表面缺陷总面积乘以L/II×1/2的系数。2.3.4瓷件主体部位外表面单个缺釉面积应不超过表6外表面釉面积的0.7倍。2.3.5釉面缺陷不能过分集中。轴面针孔在任500mm面积范围内应不超过20个。缺陷的堆聚(例如堆砂)应算作单个缺陷。
2.3.6堆釉,折痕的高度或深度应不超过表6的规定,刀痕和波纹的深度应不超过0.5mm,以上缺陷不计算面积。
瓷件焙烧支承面不上轴部位不算作缺釉·但其不上釉高度应不超过表的规定,超过部分按缺2. 3. 71
釉计算其面积。磨削部位表面不算作缺釉。瓷件分类
不上釉高度,不大于,mm
GB 772—87
表?瓷件焙烧支承面不上釉高度类
2.3.8线路绝缘子瓷件不允许有裂纹,但线路棒式绝缘子瓷件允许在距离主体(包括电极)部位1cm以外的伞棱表面上有裂纹、
电器和配电装置用瓷件般不允许有开裂。作为主绝缘用的及承受较大冲击机械负荷的瓷件,允许在距离主体(包括电极)部位1cm以外的伞校表面上有裂纹,其它瓷件允许在距离电极部位1cm以外的表面上有裂纹。
以上裂纹的宽度应不超过 0. 05 cm,单.个长度应不超过 1 cm,裂纹总长不应超过0.1×处表面缺陷总面秘cm
2.3.9瓷件表面缺陷超过本标准规定时,缺陷的修补按主管部门的有关规定进行,但应由供需双方协议。
瓷件剃面应均质致密,经孔隙性试验后不应有任何渗透现象。孔隙性试验的压力不低于20×10° Pa,压力与时间(h)的乘积应为 180×106h·Pa。2.5瓷件应能耐受一次温度急剧变化而不损坏,其试验温度差按表8规定。表8温度循环试验温度差
件尺寸.mm
瓷件类型
B型瓷件
A型瓷件
2400~600
2600~750
高(长)度
21 000~1 200
1 200~1 500
>1 500
2>45~60
>60~-70
250~-120
>120-~150
注:(I)当瓷件的直径、高度或厚度(或杆径)分别“按表8确定的温度差不同时,应取最小温度差作为瓷件温度循环试验的温度差,
?厚度定义按GB775.1《绝缘子试验方法第-部分--般试验方法的定义确定。③A型瓷件:瓷体内最短击穿鹿离至少为瓷绝缘外部两电极间空气的最短距离!一半的瓷件,即L1L/2。
①H型瓷件:瓷体内最短击穿距离I,小于瓷绝缘子外部两电极距间空气的最短距离1一半的瓷件,邸LL2/2。
.2.6瓷件(瓷套、瓷管)壁厚工频击穿电压应不低于表9的规定。厚
工频击穿电压
kV(有效值)
GB 772--87
表9壁厚工颛击穿电压
注:当瓷件壁厚介于表中的中间数值时,其击穿电压按线性插入法确定。40
27作主绝缘用的B型及空心瓷件,应能耐受连续5min的工颖火花电压试验而不击穿、损坏或异常发热
2.8作非主绝缘用的瓷件,其瓷壁应能耐受连续5min的工频电压试验而不击穿,其试验电压值为表9规定值的1/2
注:对于小型瓷件或山于结构上的原按本条试验时可能要发生闪络的瓷件,应矩加该瓷件发生闪络时的闪络电乐的90%。
2.9瓷件应按产品标准的规定进行超声波探测检查,瓷件内部不应有超声波能发现的缺降(如生烧、氧化、开裂和气孔夹层等)。
2.10瓷件应按产品标准或图样的规定进行机械强度和内压破坏试验。2.11本标准末规定的或其它特殊要求,如尺寸偏差等,应符合有关标准或图样的规定或也供需双方协议。
由于电气性能还取决于所带附件或相应的产品结构,故其电气性能应在装配成相应的产品后进行试验。
2.12自交货之日(即制造厂发出提货通知单之口)起两年内、如果用户在遵守本标准和按规定程序批的运输、保管、安装和运行规定的条件下,发现有瓷件不符合本标准规定时,制造厂必须无偿地给予更换。
3检验规则
3.1瓷件应内制造」技术检验部门验收,制造厂应保证全部送交的瓷件符合本标准的要求3.2按照本标准规定的检验规则和试验方法,用户有权检验瓷件的质量和指标是否符合本标准规定的各项要求。
3.3瓷件的检验分为逐个(例行)试验、抽样(抽查)试验和型式试验。3.4检验瓷件的试验方法应符合如下标准:a、GB775.1《绝缘子试验方法第1部分一般试验方法》;b.GB775.2绝缘子试验方法第2部分电气试验方法》;c.GB775.3《绝缘子试验方法第3部分机械试验方法》;d.JB/Z262≤超声波探测瓷件内部缺陷指导性技术文件》3.5出厂的每一只瓷件应按表10规定顺序进行逐个试验,如瓷件有不符合表中规定的任何一项要求,则此瓷件不符合本标准要求。
试验项目名称
外观检查
尺寸捡查
形位公差检查
超声波探测检查
工频火花电压试验
瓷壁压试验
逐个机负将试验
逐个试验项目
试验根据
本标摊第 2. 3 条及4. 2 条
本标准第2.1条
本标推第2.2条
本标准第2.9条
小标准第 2. 7条
本标准第2.8条
本标准第2.10条
注:尺寸及形位公差检查系检查图样上规定检查的尺寸。试验方法
GB 775. 1
JIB/Z262
GB 775. 1
GIB 775-2
②用整体成型方法制造的瓷龚,瓷整耐压试验允为孩抽样试验的试品数量进行抽样试验,如不合格则应进行逐个试验。
3.6瓷件的抽样试验
3.6.1瓷件应按批进行验收,以同一工艺方法制成的同·-型号(或代号)的瓷件算作一批,每批数量对大型瓷件(相当于5类及以上瓷件)不应超过500只,小型瓷件不应超过3200只。3.6.2瓷件应按批进行抽样试验,拍样试验在逐个试验合格后的批中随机抽取试品进行,抽样规则按JB3384双高压绝缘子抽样方案》规定。3.6.2.1批量与样本容量(每项试验的试品数)字码关系按表11规定。表 11批量与样本容量字码
26~-50
91--150
151~500
501--1 200
1201~3200
范:(i)中字母 A,对于特大型产品,允许样本容显为\1”。)如尤特殊规定,检查水平按下列规定a.
特大型瓷件(相当于7类):
大型瓷件(相当」5~6类);
般资件或有重要要求的瓷件。
GB 772—87
3.6.2.2计件抽样方案的判定准则列于表12。表12
判定准
A或瑚
注:A。
样本容量
接收判定数。第次抽样的接收判定数为Al,第二次抽样的接收判定数为Ac2指收判定数。第次抽样的拒妆判定数为RI.第二次抽择的判定数为Re.次抽样的样本容量或二次抽样的第次捆取的样本容量。次抽样的第:次抽取的样本容量。抽样试验项目及其试验顺序规定丁表13。3.6.3
表13样试验项目
项日名称
尺守及形位公差检查
温度循环试验
机械破坏负荷试验
孔隙性试验
试根据
本标准第 2. 1 改 2.2 条
本标准第2. 5条
本标准第2.10条
和标准第2.4条
注:()尺寸及形位公差检查系检查图拌规定的重要尺寸及爬电距离。大型瓷件经温度循环试验合搭的试品,可以提交用户使用,R
试品数量
按检代水平规定柑出总数的全
经项 1 试验后的全部
按检查水平规定并经项2试验
按检查水平规定
②如机械破环试验有两种机械负荷试验时,其试品数量应为检查水平规定数量的两倍。①孔取性试验用的试块,可以选取机械破坏负荷试验后的瓷块或用相向工艺制造的问等厚度的试块进行。试验采用计件一饮抽样方案(当样本容鼠为“1\时,采用计件---次方案),其判定程序如下:如果第一样本n,中,不合格品数d,≤A1,则该批接收。若d≥R,则拒收该批。如果A.三次试验时仅心寸或形位公差和外观质量不合格.充许逐只进行检查,合格品则可以出厂。3.7瓷件的型式试验
新产品试制定型或正常产品修改结构、改变原材料配方及工艺方法时,必领进行型式试验。每项试验的试品数地大型瓷件为3只(对丁大型瓷件的破坏性试验项日允许抽1只),小型瓷件为5只。型式试验征逐个试验合格后按表11的规定进行试验时,即使有一只试品不符合表14中规定的任何项要求,则型式试验不合格。表14型式试验项目
项日名称
尺小及形位公差检查
温度循环试验
内压被坏试验
机械敲坏负荷试验
壁厚工频击穿电压试验
孔腺性试验
试验根据
本标第 2. 1 及 2. 2 条
本标摊第 2. 5 条
本标准第2.10条
本标准第 2. 10 条
本标准第2.6条
本标准第 2. 4 条
注:(1)尺寸及形位公差检查系检查图样规定的重要尺寸和胆电距离。试验数量
抽出总数的全部
经项1试验后的全部
经项 2 试验后的 3 只或 5 只
经项2试验底的3只或5只
经破坏试验后的瓷块,每只试品取一块
经破坏试验后的密块,每只试品取一块
②孔隙性试能和壁厚工频击穿电乐试验时,如人型资件试品仅一!时,则应选取三块瓷块进行)如型式试验中包据项3和项4的试验或其中之一项,则“抽出总数的全部”,即各项试验试品数受之和。4包装与标志
瓷件的包装必须保证在正常运输途中不致因包装不良而损坏瓷件。4.1
有特殊要求的瓷件应保持瓷件表而清洁干净,密封装询应严加防护。瓷件应按图样规笼的部清晰面牢固地标出制造厂商标及制造年份。4.2
瓷件包装箱(或篓)上应标明:a.
制造广名称:
瓷件型号(或代号):
瓷件数量;
包装箱的重量,
“小心轻放”、“瓷件”等字样或指示标记。4.4随着每批送交的瓷件附有产品检验合格证此证应具有制造厂技术检验部门的印章。附加说明:
本标准出西安中瓷研究所归口。本标准出四安电瓷研究所侦贡起草。本标推主要起草人刘树横。
小提示:此标准内容仅展示完整标准里的部分截取内容,若需要完整标准请到上方自行免费下载完整标准文档。 
	 
	        
	      高压绝缘子瓷件
Technical specifications of porcelainelement for high voltage insulatorsGB 77287
代替GB772—77
木标准适用丁交流额定电压10V及以上架空电力线路,电器和配电装置绝缘子上用的未装配(或不装配的瓷件(以下简称瓷件)。瓷件使用场所的周围环境温度为一40~十40C。安装在电器上的瓷件,其使用场所的正值温度应符合其相应电器标准的规定,如无特殊规定,正值温度一般为十40℃。本标准不适旧于在有破坏凳及轴的介质(气休或液休)中工作的瓷件。对」在SF。气体中使用的瓷性,用用供需效方协议参照来用。本标准参照来用了国际电工委贸会(IEC)如下出版物:a、IFC233《电气设备用空心绝缘子试验》第二版1974年;h.IEC 1G8《额定电压高下1000V的系统用户内和户外瓷或玻璃支杜绝缘子的试验》第二版1979年;
心.[FC383&额定电压高丁1000V的架空线路用瓷或玻璃绝缘子的试验》第三版1983年。1术语
1.1外观质量部分
斑点—
熔化在瓷件表面上的杂物(如铁质,石膏等)所形成的昇色斑点:烧缺…·坏体内杂物烧去后所形成深入瓷体上的叫陷;杂质一
粘附在瓷件表面上的钵屑、粒、石英粉等颗粒;气泡因杂物分解在瓷体表面所形成的泡;釉面针孔一一种面上呈现的不深入体的,直径衣]mm 以下的小孔;釉泡
刀痕—
因烧成不良而在釉面上形成的泡;烧成后在瓷体或釉面上形成的裂口,裂纹指宽度很微小的开裂(如免裂等):高出正常釉面的积轴部分;
瓷件规定应「釉的裘面露出的瓷体无釉部分坏泥折叠在坏件表面上而米开裂的痕迹;环件丧面因受压而造成的凹陷痕迹;由于坏件加工不当,在表面上成的细条痕迹:一出丁拯件加工不当,在表面上造成的不平痕迹,波纹一
瓷件在焙烧时因瓷件相互或与外物粘连而损坏釉面或瓷体的缺陷;碰损·--坏件或瓷件相五或与外物相碰击而伤及釉面或瓷体的缺;生烧
瓷件最终烧成温度低丁坏料成瓷温度或保温时间不够以致瓷件烧成不充分,经礼隙性试验有吸红现象者;
国家机械工业委员会1987-11-23批准1988.10.01实施
GB 772-B7
过火一瓷件最终烧成温度高于坏料成瓷温度或保温时间过长所形成的瓷体发胞,以及由于温度过高而引起的起泡现象计
氧化起泡
一瓷件因烧成不良而引起瓷体膨胀或起泡现象;瓷件规定应上砂的表面上露出的无砂现象局部高出正常上砂层的砂粒堆积现象;标记不清
1.2制造工艺部分
商标或标记模糊而辨认不清。
湿法成型一一采用真空挤制泥段,在坏料具有塑性状态下应用各种加工工艺(压旋、车削等)成型的方法;
起米。
经粗加丁的单个泥坏,在其具有塑性状态下用粘接剂将两个以上的泥坏永久地接合1.3形位公差部分
形状与位置公差部分的术语,除应符合GB 1183形状和位置公差术语及定义的规定外,还应衍台下述规定:
伞缘变形度-
瓷件命缘上的各点与基准平面(检查平台平面)间的最人距离:璧厚均勾性一一在瓷套的同一端面上.最厚瓷壁与最薄瓷壁之差值;有限结构尺寸
一影响瓷件装配附件的部位尺:无限结构尺寸……瓷件不装配附件的部位尺寸。1.4本标推所采用的其他术语应符合GB2900.8电工名词术语绝缘子》的规定。2技术要求
2.1瓷件的尺寸偏差
2.1.1瓷件应按规定程序批准的图样制造。2. 1. 1. 1湿法成型瓷件一般尺寸偏差应符合表 1 的规定表1湿法成型瓷件·-般尺寸偏差偏
瓷件公称尺寸
有限结构
*45~-60
>60~70
>80~90
>90~110
>110~125
>125 ~110
>140~155
无限结构
瓷件公称尺小
155~170
170---185
185--200
>200~250
250~-300
300~-350
350~400
>400-~45[
450~~500
>500~600
2600~700
700~800
860~900
2900~-1 000
GB 772 -87
续表1
有限结构
. 7. 6
± 12 0
±t. 015 d+- 5
注:表中\瓷件公称尺寸\为被测量部位的长(高)度(H)或直径(D)。差
无限结构
± 0. 025 d+5
2.1.1.2瓷件的爬电距离,如果规定值是公称值,其负偏差应不超过下式规定,上偏差不作规定。L300时
L2300时
武中:L
-爬电距离的公称值,mm。
0. 01 L+1. 5 1nt
0. 025 L+6 mm
如果爬电距离的规定值是最小值,则实测值不应小于规定值。2.1.1.3混法成型的瓷件其厚偏差应符合表2的规定。表2瓷件壁厚偏差
瓷壁厚度
>15~25
>25~35
235~45
>45-56
-55--65
注:壁厚的上遍差不作规定,但不应影响安装连接。对瓷套,个应超过所在部位直径的一般尺守编差。2.1. 7.4瓷件不上轴部位的寸偏差不应超过士5. 0 mm,或由供需双方协议。mm
2.1.2瓷件磨别部位的直径尺寸偏差,当未指明时应符合表3的规定。如无精度要求者按表1的规定。2.2瓷件的形位公差
2.2.1混法成型的瓷件,其形位公差应符合如下规定:GB 772—87
瓷件两端面平行度应不超过0.026Dmm(D-:
一般指直径,或端面尺寸);
瓷件轴线的直线度应不超过0.8%H+1,5tmitn(H为瓷件长度或高度);h.
当瓷件主体长度H与直径)的比值H/)>0时,瓷件轴线的直线度由供需双方协议,由于轴线的弯曲可能引起瓷件伞裙的倾斜而影响瓷件两端与金属附件的装配时,瓷件两端伞裙倾斜不应使Hm-Hmm>0.032D+3m(Hmx—距离,D瓷件端部伞裙直径,mm)。c。瓷件的圆度应不超过下列规定:-伞裙至端面的最大距离,Hmim—表3瓷件磨削部位的直径尺寸偏差直
250~-315
2315~400
?400~~500
偏差等级
D≤250时0.01D+2.5mm
D>250时0.02Dmm
式中:D瓷件直径,mm。
500~630
>630~800
800~1 000
瓷件同-端面的壁厚均勾性应符合表1的规定。表4瓷件端面壁厚均匀性
均匀性
(不大于)
>15 ~25
>35~45
一伞裙至端面的最小
偏差等级
≥45~55
>55--65
盘形悬式绝缘子和针式绝缘子瓷件的伞缘变形度,应不超过0.02I)mm(D2.2.2瓷件经磨削后的形位公差及表而状态,应符合下列规定:a.
瓷件两端面平行度应不超过:
等级「
等级I
等级1
式中:D-
0.18%D mm
0. 35%D mm
0.52%D mm
瓷件直径,mm。
瓷件的上下端同轴度应不超过:b.
等级1
等级 T
等级1
0.30%H mm
式中:-—-瓷件长(高)度,m。
瓷件端面的粗糙度应符合表5的规定。C
瓷件伞裙径,
衣面粗糙度
适用范
GB 772—87
表5磨削表面粗糙度
无密封要求,只是
出下制造上的原因
需要摩削者
油密封面
汽体带封面
特殊要求的光滑面
注:检查时.一般可采用试品与标样(瓷)目力观测的方法进行比较,必要时采用仪器进行测量。2.3瓷件的外观质量
2.3.1瓷件应按图样规定的部位均匀地上一层瓷釉。釉面应光滑,不有显菩的色调不均现象。2.3.2瓷件表面缺陷不应影响瓷件的安装和连接,且不应超过表6的规定。瓷件不应有生烧,过火和氧化起泡现象。表6瓷件外观质量
瓷件分类
>50~400
>1 t.3--3 (00
>3 000~7 500免费标准下载网bzxz
7 500~15 000
2-15 000
注:①表中H
斑点、杂质、
烧缺、气泡等直径
瓷件高度或长度,cm;
资件最人外径,n。
粘釉或碰损面积
内表面
外表面
②内夜面(内孔及胶装部位.但不包悬试头部胶装部位)缺陷总而积不作规定。③括弧内数值适用于线路针式和式绝缘子的瓷件。深
外表面缺陷
总面积
2.3.3当耐污型产品的肥电距离1./H>2.2时(1,肥电距离,H--瓷件高度,mm),其允许的缺陷总面积,应不大十表6中各该类外表面缺陷总面积乘以L/II×1/2的系数。2.3.4瓷件主体部位外表面单个缺釉面积应不超过表6外表面釉面积的0.7倍。2.3.5釉面缺陷不能过分集中。轴面针孔在任500mm面积范围内应不超过20个。缺陷的堆聚(例如堆砂)应算作单个缺陷。
2.3.6堆釉,折痕的高度或深度应不超过表6的规定,刀痕和波纹的深度应不超过0.5mm,以上缺陷不计算面积。
瓷件焙烧支承面不上轴部位不算作缺釉·但其不上釉高度应不超过表的规定,超过部分按缺2. 3. 71
釉计算其面积。磨削部位表面不算作缺釉。瓷件分类
不上釉高度,不大于,mm
GB 772—87
表?瓷件焙烧支承面不上釉高度类
2.3.8线路绝缘子瓷件不允许有裂纹,但线路棒式绝缘子瓷件允许在距离主体(包括电极)部位1cm以外的伞棱表面上有裂纹、
电器和配电装置用瓷件般不允许有开裂。作为主绝缘用的及承受较大冲击机械负荷的瓷件,允许在距离主体(包括电极)部位1cm以外的伞校表面上有裂纹,其它瓷件允许在距离电极部位1cm以外的表面上有裂纹。
以上裂纹的宽度应不超过 0. 05 cm,单.个长度应不超过 1 cm,裂纹总长不应超过0.1×处表面缺陷总面秘cm
2.3.9瓷件表面缺陷超过本标准规定时,缺陷的修补按主管部门的有关规定进行,但应由供需双方协议。
瓷件剃面应均质致密,经孔隙性试验后不应有任何渗透现象。孔隙性试验的压力不低于20×10° Pa,压力与时间(h)的乘积应为 180×106h·Pa。2.5瓷件应能耐受一次温度急剧变化而不损坏,其试验温度差按表8规定。表8温度循环试验温度差
件尺寸.mm
瓷件类型
B型瓷件
A型瓷件
2400~600
2600~750
高(长)度
21 000~1 200
1 200~1 500
>1 500
2>45~60
>60~-70
250~-120
>120-~150
注:(I)当瓷件的直径、高度或厚度(或杆径)分别“按表8确定的温度差不同时,应取最小温度差作为瓷件温度循环试验的温度差,
?厚度定义按GB775.1《绝缘子试验方法第-部分--般试验方法的定义确定。③A型瓷件:瓷体内最短击穿鹿离至少为瓷绝缘外部两电极间空气的最短距离!一半的瓷件,即L1L/2。
①H型瓷件:瓷体内最短击穿距离I,小于瓷绝缘子外部两电极距间空气的最短距离1一半的瓷件,邸LL2/2。
.2.6瓷件(瓷套、瓷管)壁厚工频击穿电压应不低于表9的规定。厚
工频击穿电压
kV(有效值)
GB 772--87
表9壁厚工颛击穿电压
注:当瓷件壁厚介于表中的中间数值时,其击穿电压按线性插入法确定。40
27作主绝缘用的B型及空心瓷件,应能耐受连续5min的工颖火花电压试验而不击穿、损坏或异常发热
2.8作非主绝缘用的瓷件,其瓷壁应能耐受连续5min的工频电压试验而不击穿,其试验电压值为表9规定值的1/2
注:对于小型瓷件或山于结构上的原按本条试验时可能要发生闪络的瓷件,应矩加该瓷件发生闪络时的闪络电乐的90%。
2.9瓷件应按产品标准的规定进行超声波探测检查,瓷件内部不应有超声波能发现的缺降(如生烧、氧化、开裂和气孔夹层等)。
2.10瓷件应按产品标准或图样的规定进行机械强度和内压破坏试验。2.11本标准末规定的或其它特殊要求,如尺寸偏差等,应符合有关标准或图样的规定或也供需双方协议。
由于电气性能还取决于所带附件或相应的产品结构,故其电气性能应在装配成相应的产品后进行试验。
2.12自交货之日(即制造厂发出提货通知单之口)起两年内、如果用户在遵守本标准和按规定程序批的运输、保管、安装和运行规定的条件下,发现有瓷件不符合本标准规定时,制造厂必须无偿地给予更换。
3检验规则
3.1瓷件应内制造」技术检验部门验收,制造厂应保证全部送交的瓷件符合本标准的要求3.2按照本标准规定的检验规则和试验方法,用户有权检验瓷件的质量和指标是否符合本标准规定的各项要求。
3.3瓷件的检验分为逐个(例行)试验、抽样(抽查)试验和型式试验。3.4检验瓷件的试验方法应符合如下标准:a、GB775.1《绝缘子试验方法第1部分一般试验方法》;b.GB775.2绝缘子试验方法第2部分电气试验方法》;c.GB775.3《绝缘子试验方法第3部分机械试验方法》;d.JB/Z262≤超声波探测瓷件内部缺陷指导性技术文件》3.5出厂的每一只瓷件应按表10规定顺序进行逐个试验,如瓷件有不符合表中规定的任何一项要求,则此瓷件不符合本标准要求。
试验项目名称
外观检查
尺寸捡查
形位公差检查
超声波探测检查
工频火花电压试验
瓷壁压试验
逐个机负将试验
逐个试验项目
试验根据
本标摊第 2. 3 条及4. 2 条
本标准第2.1条
本标推第2.2条
本标准第2.9条
小标准第 2. 7条
本标准第2.8条
本标准第2.10条
注:尺寸及形位公差检查系检查图样上规定检查的尺寸。试验方法
GB 775. 1
JIB/Z262
GB 775. 1
GIB 775-2
②用整体成型方法制造的瓷龚,瓷整耐压试验允为孩抽样试验的试品数量进行抽样试验,如不合格则应进行逐个试验。
3.6瓷件的抽样试验
3.6.1瓷件应按批进行验收,以同一工艺方法制成的同·-型号(或代号)的瓷件算作一批,每批数量对大型瓷件(相当于5类及以上瓷件)不应超过500只,小型瓷件不应超过3200只。3.6.2瓷件应按批进行抽样试验,拍样试验在逐个试验合格后的批中随机抽取试品进行,抽样规则按JB3384双高压绝缘子抽样方案》规定。3.6.2.1批量与样本容量(每项试验的试品数)字码关系按表11规定。表 11批量与样本容量字码
26~-50
91--150
151~500
501--1 200
1201~3200
范:(i)中字母 A,对于特大型产品,允许样本容显为\1”。)如尤特殊规定,检查水平按下列规定a.
特大型瓷件(相当于7类):
大型瓷件(相当」5~6类);
般资件或有重要要求的瓷件。
GB 772—87
3.6.2.2计件抽样方案的判定准则列于表12。表12
判定准
A或瑚
注:A。
样本容量
接收判定数。第次抽样的接收判定数为Al,第二次抽样的接收判定数为Ac2指收判定数。第次抽样的拒妆判定数为RI.第二次抽择的判定数为Re.次抽样的样本容量或二次抽样的第次捆取的样本容量。次抽样的第:次抽取的样本容量。抽样试验项目及其试验顺序规定丁表13。3.6.3
表13样试验项目
项日名称
尺守及形位公差检查
温度循环试验
机械破坏负荷试验
孔隙性试验
试根据
本标准第 2. 1 改 2.2 条
本标准第2. 5条
本标准第2.10条
和标准第2.4条
注:()尺寸及形位公差检查系检查图拌规定的重要尺寸及爬电距离。大型瓷件经温度循环试验合搭的试品,可以提交用户使用,R
试品数量
按检代水平规定柑出总数的全
经项 1 试验后的全部
按检查水平规定并经项2试验
按检查水平规定
②如机械破环试验有两种机械负荷试验时,其试品数量应为检查水平规定数量的两倍。①孔取性试验用的试块,可以选取机械破坏负荷试验后的瓷块或用相向工艺制造的问等厚度的试块进行。试验采用计件一饮抽样方案(当样本容鼠为“1\时,采用计件---次方案),其判定程序如下:如果第一样本n,中,不合格品数d,≤A1,则该批接收。若d≥R,则拒收该批。如果A.
新产品试制定型或正常产品修改结构、改变原材料配方及工艺方法时,必领进行型式试验。每项试验的试品数地大型瓷件为3只(对丁大型瓷件的破坏性试验项日允许抽1只),小型瓷件为5只。型式试验征逐个试验合格后按表11的规定进行试验时,即使有一只试品不符合表14中规定的任何项要求,则型式试验不合格。表14型式试验项目
项日名称
尺小及形位公差检查
温度循环试验
内压被坏试验
机械敲坏负荷试验
壁厚工频击穿电压试验
孔腺性试验
试验根据
本标第 2. 1 及 2. 2 条
本标摊第 2. 5 条
本标准第2.10条
本标准第 2. 10 条
本标准第2.6条
本标准第 2. 4 条
注:(1)尺寸及形位公差检查系检查图样规定的重要尺寸和胆电距离。试验数量
抽出总数的全部
经项1试验后的全部
经项 2 试验后的 3 只或 5 只
经项2试验底的3只或5只
经破坏试验后的瓷块,每只试品取一块
经破坏试验后的密块,每只试品取一块
②孔隙性试能和壁厚工频击穿电乐试验时,如人型资件试品仅一!时,则应选取三块瓷块进行)如型式试验中包据项3和项4的试验或其中之一项,则“抽出总数的全部”,即各项试验试品数受之和。4包装与标志
瓷件的包装必须保证在正常运输途中不致因包装不良而损坏瓷件。4.1
有特殊要求的瓷件应保持瓷件表而清洁干净,密封装询应严加防护。瓷件应按图样规笼的部清晰面牢固地标出制造厂商标及制造年份。4.2
瓷件包装箱(或篓)上应标明:a.
制造广名称:
瓷件型号(或代号):
瓷件数量;
包装箱的重量,
“小心轻放”、“瓷件”等字样或指示标记。4.4随着每批送交的瓷件附有产品检验合格证此证应具有制造厂技术检验部门的印章。附加说明:
本标准出西安中瓷研究所归口。本标准出四安电瓷研究所侦贡起草。本标推主要起草人刘树横。
小提示:此标准内容仅展示完整标准里的部分截取内容,若需要完整标准请到上方自行免费下载完整标准文档。
标准图片预览:





- 其它标准
 
- 热门标准
 - 国家标准(GB)
 
- GB/T21666-2008 尿吸收辅助器具 评价的一般指南
 - GB/T38684-2020 金属材料 薄板和薄带 双轴应力-应变曲线胀形试验 光学测量方法
 - GB5585.3-1985 电工用铜、铝及其合金母线 第3部分:铝母线
 - GB/T19561-2004 寒地节能日光温室建造规程
 - GB/T7574-1987 信息处理交换用磁带标号和文卷结构
 - GB/T24715-2009 氧源转换器
 - GB11564-2008 机动车回复反射器
 - GB/Z21193.2-2008 矿物燃烧蒸汽发电站 第2部分:汽包水位控制
 - GB/T18442.6-2011 固定式真空绝热深冷压力容器 第6部分:安全防护
 - GB∕T33370-2016 铜及铜合金软化温度的测定方法
 - GB/Z18039.7-2011 电磁兼容 环境公用供电系统中的电压暂降、短时中断及其测量统计结果
 - GB/T283-2007 滚动轴承圆柱滚子轴承外形尺寸
 - GB/T12500-1990 信息处理系统 开放系统互连 面向连接的运输协议规范
 - GB/T21242-2019 烟花爆竹 禁限用物质定性检测方法
 - GB/T39088-2020 船舶和海上技术 声响接收系统
 
- 行业新闻
 
请牢记:“bzxz.net”即是“标准下载”四个汉字汉语拼音首字母与国际顶级域名“.net”的组合。 ©2025 标准下载网 www.bzxz.net 本站邮件:bzxznet@163.com
网站备案号:湘ICP备2025141790号-2
网站备案号:湘ICP备2025141790号-2