- 您的位置:
- 标准下载网 >>
- 标准分类 >>
- 国家标准(GB) >>
- GB 3971.2-1983 电话自动交换网局间中继数字型线路信号方式
标准号:
GB 3971.2-1983
标准名称:
电话自动交换网局间中继数字型线路信号方式
标准类别:
国家标准(GB)
标准状态:
现行-
发布日期:
1983-12-15 -
实施日期:
1984-10-01 出版语种:
简体中文下载格式:
.rar.pdf下载大小:
265.63 KB
标准ICS号:
电信、音频和视频技术>>电信系统>>33.040.30交换和信令系统中标分类号:
通信、广播>>通信网>>M12通信网编号、信号、连接
点击下载
标准简介:
标准下载解压密码:www.bzxz.net
数字型线路信号方式是在电话交换网局间中断采用PCM系统时的线路信号方式。本标准规定我国电话网中纵横制市话局(包括准电子局),程控市话局和自动长话局之间数字型线路信号编码,接口中继方式以及信号设备的相关技术指标。 GB 3971.2-1983 电话自动交换网局间中继数字型线路信号方式 GB3971.2-1983
部分标准内容:
中华人民共和国国家标准
电话自动交换网局间中继数字型线路信号方式
Interoffice junction digital line signalling systemfor telephone automatic switching networkUDC 621.395.37
: 621.391.8
GB 3971.2—83
数字型线路信号方式是在电话交换网局间中继采用PCM系统时的线路信号方式。本标准规定我国电话网中纵横制市话局(包括准电子局),程控市话局和自动长话局之间数字型线路信号编码,接口中继方式以及信号设备的相关技术指标。数字型线路信号编码
1.130/32路PCM系统传送信号的编码格式30/32路PCM系统中30个话路的数字型线路信号由第16时隙按复顿抽样集中传送(每一复顿由16个子顿组成)。其中,每一话路的两个传输方向各有a、6、c、d四位码可供线路信号编码,第16时隙的结构格式如表1所示。
表1第16时隙毕特分配
第16时隙
0000XYXX
第16时隙
第1话路
其rt:X=备用毕特,末用时置1。abcd
第16话路
第16时隙
第2话路
第17话路
第16时隙
第15话路
Y=复顿失步对告毕特。Y=0,表示正常。Y=1,表示复顿失步对告。当c、d毕特未用时,应置c=1,d=1。建议a、b、c、d四位码不采用0000码作为信号码位传送。1.2编码含义
第30话路
根据30/32路PCM系统传送信号的编码格式,考虑到目前我国电话交换网线路信号的容量,前向采用ab、cr三位码,后向采用ab、bb、Ch三位码,它价们的基本含义如下:α/码表示发话交换局状态的前向信号af=0为摘机占用状态;
a=1为挂机拆线状态。
b/码表示故障状态的前向信号
bj= 0 为正常状态;
bf=1为故障状态。
Cf码表示话务员再振铃或强拆的前向信号Cf=0为话务员再振铃或进行强拆操作;cf=1为话务员未进行再振铃或未进行强拆操作。%码表示被叫用户摘挂机状态的后向信号=0为被叫摘机状态,
国家标准局1983-12-15发布
1984-10-01实施
GB 3971.2-83
数标方式(1)
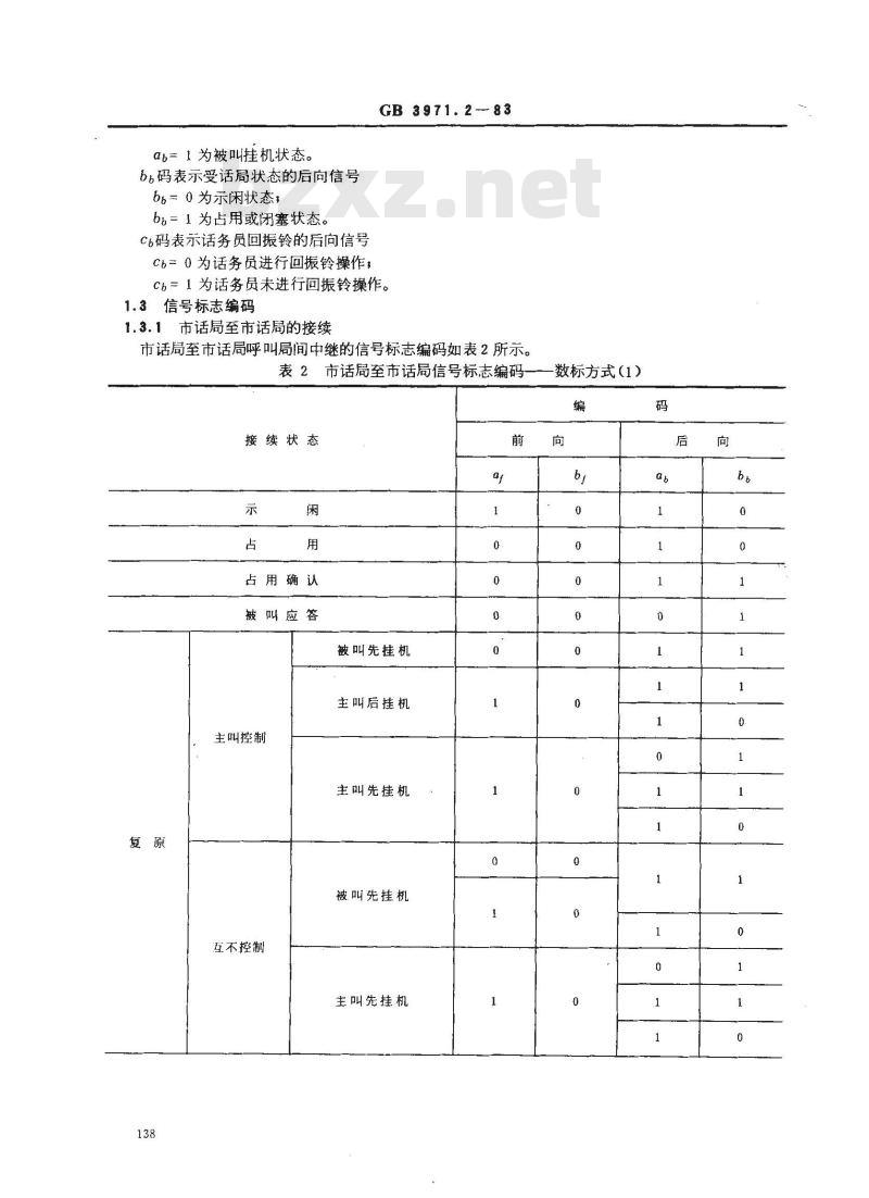
市话局至市话局呼叫局间中继的信号标志编码如表2所示。表2市话局至市话局信号标志编码Cb=1为话务员未进行回振铃操作。bb码表示受话局状态的后向信号C6码表示话务员回振铃的后向信号Cb=0为话务员进行回振铃操作;bh=1为占用或闭塞状态。
ab=1为被叫挂机状态。
1.3.1市话局至市话局的接续
bb=0为示闲状态,
1.3信号标志编码
接续状态
占用确认
皴叫应答
被叫先挂机
主叫后挂机
主叫控制
主叫先挂机
被叫先挂机
互不控制
主叫先挂机
GB 3971.2—83
续表2
接续状态
被叫先挂机
被叫控制
主叫先挂机
被叫后挂机
1.3.2市话局至长话局的自动接续数标方式(2)
表3市话局至长话局全自动接续信号标志编码市话局至长话局自动接续局间中继信号标志编码如表3所示。向
接续状态
占用确认
被叫应答
主叫挂机
1.3.3市话局至长话局半自动接续139
GB3971.283
市话局至长话周半座动接续弱间中1继信号标志编码如表4所示。数标方式(3)
表4市话局至长话局半自动接续信号标志编码向
接续状态
占用确认
话务员应答前
话务员应答
主叫用户挂机
回叫摄铃
话务员拆线
1.3.4长话局至市话局的终端接续长话局至市话局终端接续局间中继信号标志编码如表5所示。数标方式(4)
表5长话局至市话局终端接续信号标志编码间
接续状态
占用确认
被圳应答
被叫挂机
再振铃
长途强拆
长途拆线
2局间中继接口配合方式
GB 3971.2—83
2.1α、6b线接口配合方式和E、M线接口配合方式我因市一市、市一长和长一市周间中继采用PCM系统后,可使用两种接口配合方式,a、6线接口配合方式和E、M线接口配合方式。根据我[的具体情况,纵横制市话周可以采用a、6线接口或E、M线接口配合方式,但尽量采用E、M线接口配合方式。自动长话局规定使用E、M线接口配合方式。2.1.1a、b线接口配合方式
a、b线接口配合方式是指交换局中继器与PCM系统中信号转换设备之间信号传送用a、b线连接的方式,其接口配合中继方式示意图如图1所示。PCM
中继器
发话局
催巧转换器
复用设备
PCM线路
复用设备
信号转换器
图1α、6线接口配合中继方式示意图2.1.2E、M线接口配合方式
入中继器
受话局
E、M线接口配合方式是指交换局中继器与PCM系统中信号转换设备之间信号传送用E、M线连接的方式。其间中继接口配合方式示意图如图2所示。对交换扁侧来说,图中M线为信号发送线,E线为信号接收线。PCM
复用设备
发话扇
信号转换器
PCM线路
复用设备
信写转换器
图2E、M线接口配合方式示意图
人中心
受话局
GB 3971.2--83
2.2各种长、市话局间接口配合中继方式的规定2.2.1市话局至市话局
2.2.1.1纵横制局与纵横制局间
8采用α、b线接口配合中继方式示意图如图3所示。ZAXZBX
图中代号:
SL—绳路,
纵横发话局
信号转换器
复用设备
PCM线路
复用设备
信号转换器
图34、b线接口配合中继方式
YJF——用户记发器,
ZAX、ZBX-—-选组级A、B分级接线器CJ——出中继器,
RJ——人中继器,
RZAX、RZBX—人局选组级A、B分级接线器DPS M-—-多频收码器。
采用E、M线接口配合的中继方式示意图如图4所示。b.
复用设备
ZAXZBX
出中继器
纵横发话局
转换器
PCM线路
复用设备
转换哭
人中继器
RZAX RZBX
纵横受话局
RZAX RZBX
DPSM纵横受话局
图4E、M线接口配合中继方式示意图142
GB3971.2--83
c.a、6线和E、M线接口配合中继方式示意图如图5所示。ZAXZBX
ZAX ZBX
出中继器
纵横发话局
信号转换器
复用设备
复用设备
信号转换器
PCM线路.
PCM线路
复用设备
信号转换器
复用设备
信号转换器
人中继器
RZAX RZBX
RZAX RZBX
纵横受话局
图5a、b线和E、M线接口配合中继方式示意图2.2.1.2纵横局与程控局间
a.采用α、b线接口与程控局配合的中继方式示意图如图6所示。ZAX ZBX
纵横发话局
信号转换器
复用设备
程控局
终端设备
数据处
理系统
程控发话局
PCM线路
程控局
终端设备
数据处
理系统
程控受话局
复用设备
信号转换器
RZAX RZBX
纵横受话局
图6α、6线接口与程控局间配合中继方式示意图143
GB3971.2--83
b.采用E、M线接口与程控局配合的中继方式示意图如图7所示。PCM
ZAXZBX
出中继器
纵横发话局
程控局
终端设备
数据处
理系统
程控发话局
复用设备
PCM线路
复用设备
转换器
人中继
程控局
终端设备
数据处
理系统
程控受话局
RZAXRZBX
DPSM纵横受话局
图7采用E、M线接口与程控局间配合的中继方式示意图2.2.1.3程控周与程控局间
程控局与程控局间配合中继方式示意图如图8所示。程控局
终端设备
处理系统
程控发话局
PCM线路
程控局
终端设备
处理系统
程控受话局
图8程控局间中继方式示意图
2.2.2市话局至长话局
2.2.2.1纵横制至长话局的自动接续144
GB 3971.2--83
采用a、b线接口和E、M线接口配合中继方式示意图如图9所示。ZAX ZBX
信号转换器
纵横发话局
复用设备
PCM线路
复用设备
长话局
市话自动人中继器
图9采用a、b线接口和E、M线接口配合的中继方式示意图图中代号:
长途自动出中继器,
长途自动记发器,
市话自动记发器。
采用E、M线接口与E、M线接口配合的中继方式示意图如图10所示。b.
复用设备
ZAX ZBX
自动出中继
纵横发话局
信号转
PCM线路
复用设备
?转换
长话局
人中继器
图10采用E、M线接口与E、M线接口配合的中继方式示意图2.2.2.2程控局至长话局的自动接续程控局与长话局E,M线接口配合中继方式示意图如图11所示。
程控局
终端设备
处理系统
程控发话局
PCM线路
复用设备
信号转换器
长话局
市话自动人中继器
程控局与E、M线接口配合的中继方式示意图图
纵横制局至长话局的半自动接续2.2.2.3
GB3971.2—83
a、6线接口与E、M线接口配合的中继方式示意图如图12所示。ZAXZBX
图中代号:
纵横发话局
信号转换器
复用设备
PCM线路
复用设备
信号转换器
长话局
市话半自动人中继器
采用a、b线接口与E、M线接口配合的中继方式示意图接录出中继器,
排队记发器。
采用E、M线接口与E、M线接口配合的中继方式示意图如图13所示。b.
ZAX ZBX
求出中继器
纵横发话局
复用设备
信号转换器
PCM线路
复用设备
信号转换器
长话局
市话半自动人中继器
图13采用E、M线接口与E、M线接口配合中继方式示意图2.2.2.4程控局至长话局的半自动接续程控局与长话局E、M线接口配合中继方式示意图如图14所示。程控局
终端设备
处理系统
程控发话局
PCM线路下载标准就来标准下载网
复用设备
信号转换器
长话局
市话半自动人中继器
图14,程控局与E、M线接口配合中继方式示意图146
2.2.3长话局至市话局
GB 3971.2—83
2.2.3.1长话局至纵横制局的终端接续(采用多频互控记发器信号)a。采用E、M线接口与a、b线接口配合的中继方式示意图如图15所示。PCM
复用设备
话出中
继器電
长话局
转换器
PCM线路!
复用设备
信号转换器
纵横受话局
图15采用E、M线接口与a、b线接口配合的中继方式示意图图中代号:
CRJ—长途人中继器,
CSM——-长途多频收码器,
CLJ—长途来话中继器,
LJF——来话记发器。
b.采用E,M线接口与E、M线接口配合中继方式示意图如图16所示。PCM
复用设备
出中继器
长话局
借号转换器
PCM线路
复用设备
亏转换
纵横受话局
长途人中继器
E、M线接口与E、M线接口配合中继方式示意图图16
2.2.3.2长话局至程控局的终端接续(采用多频记发器信号)长话局E、M线接口与程控局配合中继方式示意图如图17所示。PCM
复用设备
市话出中继器
长话局
信号转换器
PCM线路
程控局
终端设备
数据处
理系统
程控受话局
图17采用E、M线接口与程控局配合的中继方式示意图147
3信号设备技术要求
3.1信号接口电路配合参数
GB 3971.2 83
3.1.1采用a、6线接口中继方式时,交换局中继器与PCM信号转换设备传送的直流标志信号,要求高阻的标称值不小于9000S2,极性标志电阻的标称值可以根据实际需要选定,“_”为负60V电源,“→”为地,“0”为断路。
3.1.2采用E、M接口中继方式时,规定E线和M线无电流时编码为1状态,接通有电流时为0状态。交换局E、M中继器负电源为负60V,PCM信号转换设备的E、M中继器可根据采用元器件的特点,采用不同的电源值。E、M线工作电流一般不大于80mA,最大不应超过120mA。3.2信号设备的技术指标
3.2.1在每一信号电路上,状态0和1之间相互转变时,识别时间为20±10ms。3.2.2在同一方向的两个信号电路上,同时传送数字型线路信号的时间差,不得超过2ms。附加说明:
本标准由中华人民共和国邮电部电信传输研究所负责起草。本标准主要起草人王立言、胡世明。148
小提示:此标准内容仅展示完整标准里的部分截取内容,若需要完整标准请到上方自行免费下载完整标准文档。
电话自动交换网局间中继数字型线路信号方式
Interoffice junction digital line signalling systemfor telephone automatic switching networkUDC 621.395.37
: 621.391.8
GB 3971.2—83
数字型线路信号方式是在电话交换网局间中继采用PCM系统时的线路信号方式。本标准规定我国电话网中纵横制市话局(包括准电子局),程控市话局和自动长话局之间数字型线路信号编码,接口中继方式以及信号设备的相关技术指标。数字型线路信号编码
1.130/32路PCM系统传送信号的编码格式30/32路PCM系统中30个话路的数字型线路信号由第16时隙按复顿抽样集中传送(每一复顿由16个子顿组成)。其中,每一话路的两个传输方向各有a、6、c、d四位码可供线路信号编码,第16时隙的结构格式如表1所示。
表1第16时隙毕特分配
第16时隙
0000XYXX
第16时隙
第1话路
其rt:X=备用毕特,末用时置1。abcd
第16话路
第16时隙
第2话路
第17话路
第16时隙
第15话路
Y=复顿失步对告毕特。Y=0,表示正常。Y=1,表示复顿失步对告。当c、d毕特未用时,应置c=1,d=1。建议a、b、c、d四位码不采用0000码作为信号码位传送。1.2编码含义
第30话路
根据30/32路PCM系统传送信号的编码格式,考虑到目前我国电话交换网线路信号的容量,前向采用ab、cr三位码,后向采用ab、bb、Ch三位码,它价们的基本含义如下:α/码表示发话交换局状态的前向信号af=0为摘机占用状态;
a=1为挂机拆线状态。
b/码表示故障状态的前向信号
bj= 0 为正常状态;
bf=1为故障状态。
Cf码表示话务员再振铃或强拆的前向信号Cf=0为话务员再振铃或进行强拆操作;cf=1为话务员未进行再振铃或未进行强拆操作。%码表示被叫用户摘挂机状态的后向信号=0为被叫摘机状态,
国家标准局1983-12-15发布
1984-10-01实施
GB 3971.2-83
数标方式(1)
市话局至市话局呼叫局间中继的信号标志编码如表2所示。表2市话局至市话局信号标志编码Cb=1为话务员未进行回振铃操作。bb码表示受话局状态的后向信号C6码表示话务员回振铃的后向信号Cb=0为话务员进行回振铃操作;bh=1为占用或闭塞状态。
ab=1为被叫挂机状态。
1.3.1市话局至市话局的接续
bb=0为示闲状态,
1.3信号标志编码
接续状态
占用确认
皴叫应答
被叫先挂机
主叫后挂机
主叫控制
主叫先挂机
被叫先挂机
互不控制
主叫先挂机
GB 3971.2—83
续表2
接续状态
被叫先挂机
被叫控制
主叫先挂机
被叫后挂机
1.3.2市话局至长话局的自动接续数标方式(2)
表3市话局至长话局全自动接续信号标志编码市话局至长话局自动接续局间中继信号标志编码如表3所示。向
接续状态
占用确认
被叫应答
主叫挂机
1.3.3市话局至长话局半自动接续139
GB3971.283
市话局至长话周半座动接续弱间中1继信号标志编码如表4所示。数标方式(3)
表4市话局至长话局半自动接续信号标志编码向
接续状态
占用确认
话务员应答前
话务员应答
主叫用户挂机
回叫摄铃
话务员拆线
1.3.4长话局至市话局的终端接续长话局至市话局终端接续局间中继信号标志编码如表5所示。数标方式(4)
表5长话局至市话局终端接续信号标志编码间
接续状态
占用确认
被圳应答
被叫挂机
再振铃
长途强拆
长途拆线
2局间中继接口配合方式
GB 3971.2—83
2.1α、6b线接口配合方式和E、M线接口配合方式我因市一市、市一长和长一市周间中继采用PCM系统后,可使用两种接口配合方式,a、6线接口配合方式和E、M线接口配合方式。根据我[的具体情况,纵横制市话周可以采用a、6线接口或E、M线接口配合方式,但尽量采用E、M线接口配合方式。自动长话局规定使用E、M线接口配合方式。2.1.1a、b线接口配合方式
a、b线接口配合方式是指交换局中继器与PCM系统中信号转换设备之间信号传送用a、b线连接的方式,其接口配合中继方式示意图如图1所示。PCM
中继器
发话局
催巧转换器
复用设备
PCM线路
复用设备
信号转换器
图1α、6线接口配合中继方式示意图2.1.2E、M线接口配合方式
入中继器
受话局
E、M线接口配合方式是指交换局中继器与PCM系统中信号转换设备之间信号传送用E、M线连接的方式。其间中继接口配合方式示意图如图2所示。对交换扁侧来说,图中M线为信号发送线,E线为信号接收线。PCM
复用设备
发话扇
信号转换器
PCM线路
复用设备
信写转换器
图2E、M线接口配合方式示意图
人中心
受话局
GB 3971.2--83
2.2各种长、市话局间接口配合中继方式的规定2.2.1市话局至市话局
2.2.1.1纵横制局与纵横制局间
8采用α、b线接口配合中继方式示意图如图3所示。ZAXZBX
图中代号:
SL—绳路,
纵横发话局
信号转换器
复用设备
PCM线路
复用设备
信号转换器
图34、b线接口配合中继方式
YJF——用户记发器,
ZAX、ZBX-—-选组级A、B分级接线器CJ——出中继器,
RJ——人中继器,
RZAX、RZBX—人局选组级A、B分级接线器DPS M-—-多频收码器。
采用E、M线接口配合的中继方式示意图如图4所示。b.
复用设备
ZAXZBX
出中继器
纵横发话局
转换器
PCM线路
复用设备
转换哭
人中继器
RZAX RZBX
纵横受话局
RZAX RZBX
DPSM纵横受话局
图4E、M线接口配合中继方式示意图142
GB3971.2--83
c.a、6线和E、M线接口配合中继方式示意图如图5所示。ZAXZBX
ZAX ZBX
出中继器
纵横发话局
信号转换器
复用设备
复用设备
信号转换器
PCM线路.
PCM线路
复用设备
信号转换器
复用设备
信号转换器
人中继器
RZAX RZBX
RZAX RZBX
纵横受话局
图5a、b线和E、M线接口配合中继方式示意图2.2.1.2纵横局与程控局间
a.采用α、b线接口与程控局配合的中继方式示意图如图6所示。ZAX ZBX
纵横发话局
信号转换器
复用设备
程控局
终端设备
数据处
理系统
程控发话局
PCM线路
程控局
终端设备
数据处
理系统
程控受话局
复用设备
信号转换器
RZAX RZBX
纵横受话局
图6α、6线接口与程控局间配合中继方式示意图143
GB3971.2--83
b.采用E、M线接口与程控局配合的中继方式示意图如图7所示。PCM
ZAXZBX
出中继器
纵横发话局
程控局
终端设备
数据处
理系统
程控发话局
复用设备
PCM线路
复用设备
转换器
人中继
程控局
终端设备
数据处
理系统
程控受话局
RZAXRZBX
DPSM纵横受话局
图7采用E、M线接口与程控局间配合的中继方式示意图2.2.1.3程控周与程控局间
程控局与程控局间配合中继方式示意图如图8所示。程控局
终端设备
处理系统
程控发话局
PCM线路
程控局
终端设备
处理系统
程控受话局
图8程控局间中继方式示意图
2.2.2市话局至长话局
2.2.2.1纵横制至长话局的自动接续144
GB 3971.2--83
采用a、b线接口和E、M线接口配合中继方式示意图如图9所示。ZAX ZBX
信号转换器
纵横发话局
复用设备
PCM线路
复用设备
长话局
市话自动人中继器
图9采用a、b线接口和E、M线接口配合的中继方式示意图图中代号:
长途自动出中继器,
长途自动记发器,
市话自动记发器。
采用E、M线接口与E、M线接口配合的中继方式示意图如图10所示。b.
复用设备
ZAX ZBX
自动出中继
纵横发话局
信号转
PCM线路
复用设备
?转换
长话局
人中继器
图10采用E、M线接口与E、M线接口配合的中继方式示意图2.2.2.2程控局至长话局的自动接续程控局与长话局E,M线接口配合中继方式示意图如图11所示。
程控局
终端设备
处理系统
程控发话局
PCM线路
复用设备
信号转换器
长话局
市话自动人中继器
程控局与E、M线接口配合的中继方式示意图图
纵横制局至长话局的半自动接续2.2.2.3
GB3971.2—83
a、6线接口与E、M线接口配合的中继方式示意图如图12所示。ZAXZBX
图中代号:
纵横发话局
信号转换器
复用设备
PCM线路
复用设备
信号转换器
长话局
市话半自动人中继器
采用a、b线接口与E、M线接口配合的中继方式示意图接录出中继器,
排队记发器。
采用E、M线接口与E、M线接口配合的中继方式示意图如图13所示。b.
ZAX ZBX
求出中继器
纵横发话局
复用设备
信号转换器
PCM线路
复用设备
信号转换器
长话局
市话半自动人中继器
图13采用E、M线接口与E、M线接口配合中继方式示意图2.2.2.4程控局至长话局的半自动接续程控局与长话局E、M线接口配合中继方式示意图如图14所示。程控局
终端设备
处理系统
程控发话局
PCM线路下载标准就来标准下载网
复用设备
信号转换器
长话局
市话半自动人中继器
图14,程控局与E、M线接口配合中继方式示意图146
2.2.3长话局至市话局
GB 3971.2—83
2.2.3.1长话局至纵横制局的终端接续(采用多频互控记发器信号)a。采用E、M线接口与a、b线接口配合的中继方式示意图如图15所示。PCM
复用设备
话出中
继器電
长话局
转换器
PCM线路!
复用设备
信号转换器
纵横受话局
图15采用E、M线接口与a、b线接口配合的中继方式示意图图中代号:
CRJ—长途人中继器,
CSM——-长途多频收码器,
CLJ—长途来话中继器,
LJF——来话记发器。
b.采用E,M线接口与E、M线接口配合中继方式示意图如图16所示。PCM
复用设备
出中继器
长话局
借号转换器
PCM线路
复用设备
亏转换
纵横受话局
长途人中继器
E、M线接口与E、M线接口配合中继方式示意图图16
2.2.3.2长话局至程控局的终端接续(采用多频记发器信号)长话局E、M线接口与程控局配合中继方式示意图如图17所示。PCM
复用设备
市话出中继器
长话局
信号转换器
PCM线路
程控局
终端设备
数据处
理系统
程控受话局
图17采用E、M线接口与程控局配合的中继方式示意图147
3信号设备技术要求
3.1信号接口电路配合参数
GB 3971.2 83
3.1.1采用a、6线接口中继方式时,交换局中继器与PCM信号转换设备传送的直流标志信号,要求高阻的标称值不小于9000S2,极性标志电阻的标称值可以根据实际需要选定,“_”为负60V电源,“→”为地,“0”为断路。
3.1.2采用E、M接口中继方式时,规定E线和M线无电流时编码为1状态,接通有电流时为0状态。交换局E、M中继器负电源为负60V,PCM信号转换设备的E、M中继器可根据采用元器件的特点,采用不同的电源值。E、M线工作电流一般不大于80mA,最大不应超过120mA。3.2信号设备的技术指标
3.2.1在每一信号电路上,状态0和1之间相互转变时,识别时间为20±10ms。3.2.2在同一方向的两个信号电路上,同时传送数字型线路信号的时间差,不得超过2ms。附加说明:
本标准由中华人民共和国邮电部电信传输研究所负责起草。本标准主要起草人王立言、胡世明。148
小提示:此标准内容仅展示完整标准里的部分截取内容,若需要完整标准请到上方自行免费下载完整标准文档。
标准图片预览:





- 其它标准
- 热门标准
- 国家标准(GB)
- GB/T30917—2014 /ISo 29941:2010 天然胶乳橡胶避孕套中可迁移亚硝胺的测定
- GB/T12777-1999 金属波纹管膨胀节通用技术条件
- GB15193.5-2003 骨髓细胞微核试验
- GB/T29633.4-2020 南极地名 第4部分:罗马字母拼写
- GB/T39964-2021 造纸行业能源管理体系实施指南
- GB/T43929-2024 空间用纤维光学器件测试指南
- GB/T43225-2023 空间物体登记要求
- GB15985-1995 丝虫病诊断标准及处理原则
- GB19159-2003 车用液化石油气
- GB/T7407-1997 中国及世界主要海运贸易港口代码
- GB1913.2-1990 漂白浸渍绝缘纸
- GB14287.4-2014 电气火灾监控系统 第4部分:故障电弧探测器
- GB5237.3-2008 铝合金建筑型材 第3部分:电泳涂漆型材
- GB/T9771.6-2020 通信用单模光纤 第6部分:宽波长段 光传输用非零色散单模光纤特性
- GB29140-2024 纯碱单位产品能源消耗限额
- 行业新闻
请牢记:“bzxz.net”即是“标准下载”四个汉字汉语拼音首字母与国际顶级域名“.net”的组合。 ©2025 标准下载网 www.bzxz.net 本站邮件:bzxznet@163.com
网站备案号:湘ICP备2025141790号-2
网站备案号:湘ICP备2025141790号-2