- 您的位置:
- 标准下载网 >>
- 标准分类 >>
- 国家标准(GB) >>
- GB/T 1593.2-2003 农业轮式拖拉机后置式三点悬挂装置 第2部分:1N类
标准号:
GB/T 1593.2-2003
标准名称:
农业轮式拖拉机后置式三点悬挂装置 第2部分:1N类
标准类别:
国家标准(GB)
标准状态:
现行-
发布日期:
2003-11-25 -
实施日期:
2004-06-01 出版语种:
简体中文下载格式:
.rar.pdf下载大小:
120.82 KB
替代情况:
GB/T 1593.2-1987采标情况:
ISO 730-2:1979,NEQ
点击下载
标准简介:
标准下载解压密码:www.bzxz.net
GB/T 1593的本部分规定了窄轮距农业轮式拖拉机后置式三点悬挂装置的主要尺寸和参数。GB/T 1593的本部分适用于动力输出轴功率不大于48kW(65马力)的窄轮距(轮距小于1150mm)农业轮式拖拉机。 GB/T 1593.2-2003 农业轮式拖拉机后置式三点悬挂装置 第2部分:1N类 GB/T1593.2-2003
部分标准内容:
CB/T 1593.2—2003
下1393在表业轮式拖拉机置必三点尽持装主标题下,内以下一部分组成GB/T1593.1农业轮式瓶效机后置式一点总拉装2第1邵分12、31类G3/T1593.2农业轮式拖拉机后胃式工点想拆装置第2部分N类
GB/下1593.4农业抢式范拉机后置式一点片装置第1前分0类本部分尺GB/个593的第2部分:4部分非举效采用150731-2:1974农轮式执拉三点录提装置第2部分1N樊(喀轮改)(英文版)本部分代替(1693.219875农用轮式箍控机三点想完装置2部分IN岁3。本分马
B/T1593.21987和IS7:-2:1979柜比主些变化下三点总拌按分类方状孩范招抗争引功收支小分美改为按范范机动力拍出轴功中人小名类。动力缩山整功率确定方法州GB/T3371.3[SS.总批点联尺寸公益按GB/T15,1—136标催中据荐尺小修订。对总注打约两心位受内要求改用6B/T1593.11996标准中的表述方法,:额向瞬心公置山原标非要求的\上下拉控行瞬心位置应在中地型献状态付文批延长载与a)
地面全点向前5线”,屏心减来线与抢拉机抽距的C.5~!.2估构成书刃边彩范良内条教改为“重直后案版离不小于拉拉机灿距的0,倍”水半群心位置用项标心要求的\左右下教杆的求平汇离角15“0\收为“水.象高b
I ou mm2 (o mm.
增加了下拉杆在下甚拉点处“止扰转浮动量“要求的录款:术部分自中国机械工业联合公摄出。本部分全而摊拉机标准化提术承员会山,本部分起单单位,落阳抢拉机研究所。本郝分主要起草人:姚当快,谢继样,本部分所代容标准的历次源本发准情况为:C15/T 1593.21987,
1范围
农业轮式拖拉机后置式三点悬挂装置第2部分:1V类
GB/T 1593.2—2C03
GH:1533的本郝分划定了准轮距发业论式接拉机后晋式点品择装置均丰要尺寸和每数,GB/T3的本邯分适州于动输出拍功率不大于4W(!的窄轮亞(轮距小1153mm>报业轮式拖拉(以下简称施拉机)。2规范性引用文件
下到文件中的案款通过(613/1.93的本郝分用而成为本部分范条款:凡后注日期的引月文件,其随后所有的修改单(不包括做读的内容成彦订版均不适用丁车部分,然而,效励根本部分达成动议的各方到完是否使用这些文件的量新版本。共足不许日期的用文件,其最所版本谨用十本部分
七BT1593.1-1996农业轮式施拉机后宜式-点愁挂装宜第【部分:1、2,3知4类([S0739-1:19012
3术语和定支(见图1
G111.93.1—1996中确文的术语和定义适用GT/T13的本前分,上抗杆,
一下拉托,
F然扣点:
上较泄点:
下较获点:
上悬挂点双结销:
下总挂点状举增
上铃策点销:
槎川杆,
支快:
喜性高度:
下悬违点阳:
须府凡距两、
图1三点品挂装置
CB/T 1593,220C3
4拖拉机三点最挂装置
4. 1尺寸
当拖效机安装带荐的正节优格逆油内轮胎时,真三点反挂装受的尺寸应符合图2,图3、图一、医5、图及表「,表生,4的规定,
4.2上缺结点的布量
上较站点的个置应满尺4使用3)刀ITl立桂高度时:运输角应能达判一3°~。-3和1G\-115°自山伍转浮动量的数值应满是表2心要求,并后盛另分锁北自山扭转浮实品的消施,图2立柱调整示惠图
下业计水下放膏
图3动力撤出辅末未端到下暴挂点的愿离,下最娃点最低高压,
下悬挂点水半当节范M:
板升让轻
·运摘尚率。
下利品回期。
13,一联统明径
上月补点
下品扑点
为一或模头施况
一世销书医息
山一联结钧孔白经
5—球孩头鱼片
共点辐垫
与施拉机悬挂点有关的尺寸
用5三点是挂的尽寸
表1与拖拉机有关的尽挂点的尺寸R
举李只!,当使更版农时,时以收变语尺寸下激推点
GB/T 1593.2—2003
单化为毫
到整拉机中心平面
吃回更肉
横内根动冠
下拉灯水平时动力辆由末州至
悬持点的能高
(/T1593,2—2003
1一悬挂点风位身度
1元。赶子行社
19:适输高度免费标准bzxz.net
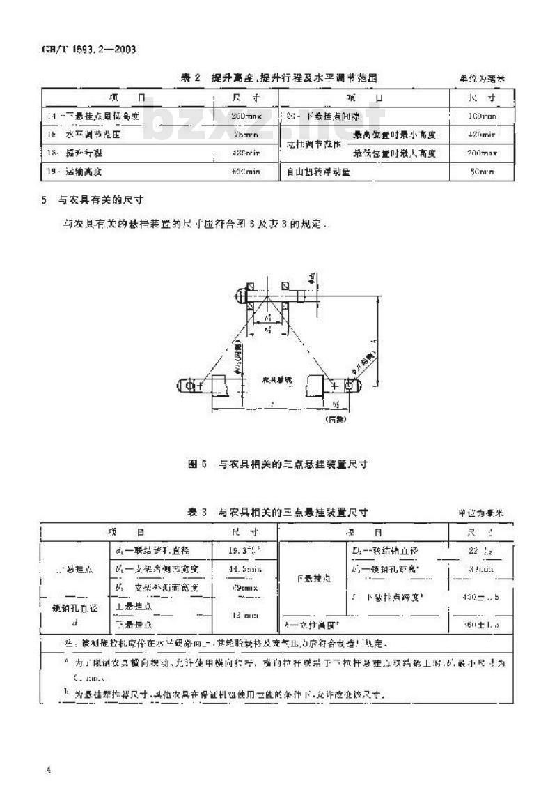
与农具有关的尺寸
表2提升高壁、提升行程及水平调节范围R寸
2-下放连点险
可拉调节获
自山转弹动量
与发具有关均甚措兼置的尺了应符合图及求3的规定农
最离致查时最小育空
最位时最人度
图6与农具相关的三点最挂装置尺寸表 3 与农具担关的三点悬挂装置尺寸目
d一联站诊T.直径
锁销孔选
改一支架内测再克率
支架外院
上是造点
是卡点
29cmmk
下甚挂点
一文高图
-我动证
的一頭拍孔离·
下慧扑点浮安”
丝限划准盐机伴在变以锂带网一,其处股划格及充气止,底行合出查!点定,单
IGii-an
+znmit
单达为米
为!限创放三梭向视动,许蚀用模向护片,为联节一抗托挂点联约时,以最小尺!为.
1:为基佳型物举尺寸,头他求在保证机当使用能的举件下.孔许改变该尺寸,6动力提升能力
GB/T 1593.2—2003
在下长点后面610mm处,每:瓦k牵可功率应其有不小丁生顺N的提升前力行:上还效成尼在漫累统安全阀用劳止力的90高准作的信高惠时,整个动升揭上能升更出部能法至的数适请是提升共立与段垂我之间的展小也为1G\(型),2—水平案距离
普京商。
图7汇聚距离
表4患挂杆件瞬心位置
·水汇聚更路
重内配聚更货
不小下拉的轴的的9件
小提示:此标准内容仅展示完整标准里的部分截取内容,若需要完整标准请到上方自行免费下载完整标准文档。
下1393在表业轮式拖拉机置必三点尽持装主标题下,内以下一部分组成GB/T1593.1农业轮式瓶效机后置式一点总拉装2第1邵分12、31类G3/T1593.2农业轮式拖拉机后胃式工点想拆装置第2部分N类
GB/下1593.4农业抢式范拉机后置式一点片装置第1前分0类本部分尺GB/个593的第2部分:4部分非举效采用150731-2:1974农轮式执拉三点录提装置第2部分1N樊(喀轮改)(英文版)本部分代替(1693.219875农用轮式箍控机三点想完装置2部分IN岁3。本分马
B/T1593.21987和IS7:-2:1979柜比主些变化下三点总拌按分类方状孩范招抗争引功收支小分美改为按范范机动力拍出轴功中人小名类。动力缩山整功率确定方法州GB/T3371.3[SS.总批点联尺寸公益按GB/T15,1—136标催中据荐尺小修订。对总注打约两心位受内要求改用6B/T1593.11996标准中的表述方法,:额向瞬心公置山原标非要求的\上下拉控行瞬心位置应在中地型献状态付文批延长载与a)
地面全点向前5线”,屏心减来线与抢拉机抽距的C.5~!.2估构成书刃边彩范良内条教改为“重直后案版离不小于拉拉机灿距的0,倍”水半群心位置用项标心要求的\左右下教杆的求平汇离角15“0\收为“水.象高b
I ou mm2 (o mm.
增加了下拉杆在下甚拉点处“止扰转浮动量“要求的录款:术部分自中国机械工业联合公摄出。本部分全而摊拉机标准化提术承员会山,本部分起单单位,落阳抢拉机研究所。本郝分主要起草人:姚当快,谢继样,本部分所代容标准的历次源本发准情况为:C15/T 1593.21987,
1范围
农业轮式拖拉机后置式三点悬挂装置第2部分:1V类
GB/T 1593.2—2C03
GH:1533的本郝分划定了准轮距发业论式接拉机后晋式点品择装置均丰要尺寸和每数,GB/T3的本邯分适州于动输出拍功率不大于4W(!的窄轮亞(轮距小1153mm>报业轮式拖拉(以下简称施拉机)。2规范性引用文件
下到文件中的案款通过(613/1.93的本郝分用而成为本部分范条款:凡后注日期的引月文件,其随后所有的修改单(不包括做读的内容成彦订版均不适用丁车部分,然而,效励根本部分达成动议的各方到完是否使用这些文件的量新版本。共足不许日期的用文件,其最所版本谨用十本部分
七BT1593.1-1996农业轮式施拉机后宜式-点愁挂装宜第【部分:1、2,3知4类([S0739-1:19012
3术语和定支(见图1
G111.93.1—1996中确文的术语和定义适用GT/T13的本前分,上抗杆,
一下拉托,
F然扣点:
上较泄点:
下较获点:
上悬挂点双结销:
下总挂点状举增
上铃策点销:
槎川杆,
支快:
喜性高度:
下悬违点阳:
须府凡距两、
图1三点品挂装置
CB/T 1593,220C3
4拖拉机三点最挂装置
4. 1尺寸
当拖效机安装带荐的正节优格逆油内轮胎时,真三点反挂装受的尺寸应符合图2,图3、图一、医5、图及表「,表生,4的规定,
4.2上缺结点的布量
上较站点的个置应满尺4使用3)刀ITl立桂高度时:运输角应能达判一3°~。-3和1G\-115°自山伍转浮动量的数值应满是表2心要求,并后盛另分锁北自山扭转浮实品的消施,图2立柱调整示惠图
下业计水下放膏
图3动力撤出辅末未端到下暴挂点的愿离,下最娃点最低高压,
下悬挂点水半当节范M:
板升让轻
·运摘尚率。
下利品回期。
13,一联统明径
上月补点
下品扑点
为一或模头施况
一世销书医息
山一联结钧孔白经
5—球孩头鱼片
共点辐垫
与施拉机悬挂点有关的尺寸
用5三点是挂的尽寸
表1与拖拉机有关的尽挂点的尺寸R
举李只!,当使更版农时,时以收变语尺寸下激推点
GB/T 1593.2—2003
单化为毫
到整拉机中心平面
吃回更肉
横内根动冠
下拉灯水平时动力辆由末州至
悬持点的能高
(/T1593,2—2003
1一悬挂点风位身度
1元。赶子行社
19:适输高度免费标准bzxz.net
与农具有关的尺寸
表2提升高壁、提升行程及水平调节范围R寸
2-下放连点险
可拉调节获
自山转弹动量
与发具有关均甚措兼置的尺了应符合图及求3的规定农
最离致查时最小育空
最位时最人度
图6与农具相关的三点最挂装置尺寸表 3 与农具担关的三点悬挂装置尺寸目
d一联站诊T.直径
锁销孔选
改一支架内测再克率
支架外院
上是造点
是卡点
29cmmk
下甚挂点
一文高图
-我动证
的一頭拍孔离·
下慧扑点浮安”
丝限划准盐机伴在变以锂带网一,其处股划格及充气止,底行合出查!点定,单
IGii-an
+znmit
单达为米
为!限创放三梭向视动,许蚀用模向护片,为联节一抗托挂点联约时,以最小尺!为.
1:为基佳型物举尺寸,头他求在保证机当使用能的举件下.孔许改变该尺寸,6动力提升能力
GB/T 1593.2—2003
在下长点后面610mm处,每:瓦k牵可功率应其有不小丁生顺N的提升前力行:上还效成尼在漫累统安全阀用劳止力的90高准作的信高惠时,整个动升揭上能升更出部能法至的数适请是提升共立与段垂我之间的展小也为1G\(型),2—水平案距离
普京商。
图7汇聚距离
表4患挂杆件瞬心位置
·水汇聚更路
重内配聚更货
不小下拉的轴的的9件
小提示:此标准内容仅展示完整标准里的部分截取内容,若需要完整标准请到上方自行免费下载完整标准文档。
标准图片预览:





- 热门标准
- 国家标准(GB)
- GB/T18204.4-2000 公共场所毛巾、床上卧具微生物检验方法细菌总数测定
- GB/T23892.3-2009 滑动轴承 稳态条件下流体动压可倾瓦块止推轴承 第3部分:可倾瓦块止推轴承计算的许用值
- GB/T11839-1989 二氧化铀芯块中硼的测定 姜黄素萃取光度法
- GB/T7433-1987 对称电缆载波通信系统抗无线电广播和通信干扰的指标
- GB/T21238-2007 玻璃纤维增强塑料夹砂管
- GB/T28809-2012 轨道交通 通信、信号和处理系统 信号用安全相关电子系统
- GB15603-2022 危险化学品仓库储存通则
- GB6819-1996 溶解乙炔
- GB/T9239-1988 刚性转子平衡品质 许用不平衡的确定
- GB/T15917.3-1995 金属镝及氧化镝化学分析方法 对氯苯基荧光酮--溴化十六烷基三甲基胺分光光度法测定钽量
- GB/T5738-1995 瓶装酒、饮料塑料周转箱
- GB/T13985-1992 照相机操作力和强度
- GB/T6397-1986 金属拉伸试验试样
- GB5793-1986 字鼓式行式打印机色带卷轴基本尺寸
- GB/T16483-2008 化学品安全技术说明书 内容和项目顺序
- 行业新闻
请牢记:“bzxz.net”即是“标准下载”四个汉字汉语拼音首字母与国际顶级域名“.net”的组合。 ©2025 标准下载网 www.bzxz.net 本站邮件:bzxznet@163.com
网站备案号:湘ICP备2025141790号-2
网站备案号:湘ICP备2025141790号-2