- 您的位置:
- 标准下载网 >>
- 标准分类 >>
- 国家标准(GB) >>
- GB/T 1131.1-2004 手用较刀 第1部分:型式和尺寸
标准号:
GB/T 1131.1-2004
标准名称:
手用较刀 第1部分:型式和尺寸
标准类别:
国家标准(GB)
标准状态:
现行-
发布日期:
2004-02-10 -
实施日期:
2004-08-01 出版语种:
简体中文下载格式:
.rar.pdf下载大小:
176.30 KB
替代情况:
GB/T 1131-1984部分采标情况:
ISO 236-1:1976,MOD
点击下载
标准简介:
标准下载解压密码:www.bzxz.net
本部分规定了手用铰刀的型式和尺寸。本部分包括分别列出的三个表:——直径和各相应尺寸,单位:毫米;——直径和各相应尺寸,单位:英寸;——以直径分段的尺寸,单位:毫米和英寸。此外,还规定了长度、刃部直径和柄部直径的公差。 GB/T 1131.1-2004 手用较刀 第1部分:型式和尺寸 GB/T1131.1-2004
部分标准内容:
ICS.25.100.30
中华人民共和国国家标准
GB/T 1131. 1-2004
代替GB/T1131-1984部分
手用铰刀
第1部分:型式和尺寸
Hand reamers---Part 1: Types and dimensions(ISO 236-1:1976,Hand reamers,MOD)2004-02-10发布
中华人民共和国国家质量监督检验检疫总局中国国家标准化管理委员会
2004-08-01实施
GB/T1131《手用铰刀》分为两个部分:第1部分:型式和尺寸;
第2部分:技术条件。
本部分为GB/T1131的第1部分。
本部分修改采用ISO236-1:1976《手用铰刀》(英文版)。GB/T1131.1--2004
本部分与ISO236-1:1976相比有下列技术差异和按GB/T1.1进行编辑性修改:规范性引用文件中,取消了ISO236-2《莫氏锥柄长刃机用铰刀》、取消了ISO521《直柄或莫氏锥柄机用铰刀》;ISO237用GB/T4267《直柄回转工具柄部直径和传动方头尺寸》代替;增加了GB/T4246《铰刀特殊公差》;增加了标记示例;
增加了规范性附录A“加工H7、H8、H9级孔手用铰刀直径公差”;“本国际标准”一词改为“本部分”用小数点“”代替作为小数点的逗号“,”;-删除了国际标准的前言;
本部分代替GB/T1131一1984《手用铰刀》中的型式和尺寸部分。本部分与GB/T1131—1984相比主要变化如下:技术要求列入第2部分技术条件中;按ISO236-1调整了直径范围;
图用国际标准的简图表示,表面粗糙度列人技术条件中;按国际标准的表格,分为:长度公差、推荐直径和各相应尺寸、以直径分段的尺寸,并将英制尺寸列人其中;
取消了GB/T1131—1984表1中的参考尺寸:l1、2、α、f和齿数;将表1中的总长L改为l,切削刃长1改为;
修改了手用铰刀的标记示例;
增加了手用铰刀的直径公差:m6;增加了互换性;
增加了规范性附录A“加工H7、H8、H9级孔手用铰刀直径公差”。本部分的附录A为规范性附录。
本部分由中国机械工业联合会提出。本部分由全国刀具标准化技术委员会(SAC/TC91)归口。本部分起草单位:成都工具研究所。本部分主要起草人:刘玉玲、查国兵。本部分所代替标准的历次发布情况:GB 113173,GB/T 1131--1984。
1范围
手用铰刀第1部分:型式和尺寸
本部分规定了手用铰刀的型式和尺寸。本部分包括分别列出的三个表:一直径和各相应尺寸,单位:毫米;一直径和各相应尺寸,单位:英寸;一以直径分段的尺寸,单位:毫米和英寸。此外,还规定了长度、刃部直径和柄部直径的公差。2规范性引用文件
GB/T 1131. 1—2004
下列文件中的条款通过GB/T1131的本部分的引用而成为本部分的条款。凡是注日期的引用文件,其随后所有的修改单(不包括勘误的内容)或修订版均不适用于本部分,然而,鼓励根据本部分达成协议的各方研究是否可使用这些文件的最新版本。凡是不注日期的引用文件,其最新版本适用于本部分。
GB/T4246
(GB/T4246-2004,ISO522.1975,IDT)铰刀特殊公差
GB/T4267直柄回转工具柄部直径和传动方头的尺寸(GB/14267--2004,ISO237:1975,IDI)3互换性
编制各尺寸表时,考虑了保证以毫米和英寸表示的各标推尺寸尽可能相等。为此目的,将全部直径范围再细分成一系列尺寸分段。米制直径尺寸分段的极限值取自优先数系列,并直接转换成英制数值;同一直径分段中,米制和英制的长度保持相同。然而,在两种计量单位制里,推荐直径是不同的,并且在同一直径分段中,推荐的直径数也是不同的。
4·柄部
柄部直径和切削刃部的直径相等。表2和表3所列的传动方头按GB/T4267标准规定。5公差
5.1切削部分
直径d在紧接切削锥之后测量。对于常备标准铰刀,直径d的公差为:m6,对于加工特定公差孔的铰刀直径公差按GB/T4246设计,本部分的附录A给出了加工H7、H8、H9级孔的铰刀直径公差。5.2柄部
柄部直径公差为:h9。
5.3长度
长度公差按表1规定。
对于特殊公差的铰刀,其长度可以从相邻的较大或较小的尺寸分段内选择,但公差应按表1的规定。,
示例:直径为4mm的特殊公差铰刀,长度l,可取35mm,l可取71mm;或者长度l可取41mm和l可取81mm(见表4)。
GB/T 1131.1—2004
总长1和切削刃长1
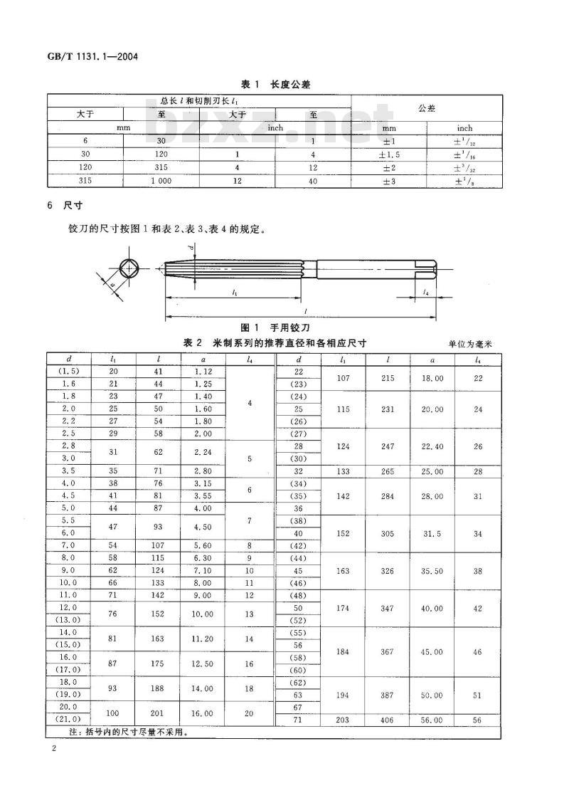
表1长度公差
铰刀的尺寸按图1和表2、表3、表4的规定。a
注:括号内的尺寸尽量不采用。2
手用铰刀
米制系列的推荐直径和各相应尺寸14
(34)
(48)
(60)
±:/32
单位为毫米
11 /32
(1% /sa)
(1% /s2)
213/16
33/6
3°/16
3\5/16
表 3 英制系列的推荐直径和各相应尺寸Q
注:括号内的尺寸尽量不采用。直径分段d
5 / 18
13 /52
15 /32
23 / 2免费标准bzxz.net
(1 /1)
(1'/s)
(15/16))
(1\/h)
(1°/8)
(1/)
表4以直径分段的尺寸
41/。
6°/16
715/16
10°/16
113/18
13\/16
GB/T 1131. 1--2004
单位为英寸
25 / 32
13 / r6
29 / 2
25 / 2
15 /16
12\ / 2
113//6
GB/T 1131. 1—2004
直径分段 d
表4(续)
13/。
25/。
3\ / 16
4°/。
4°。
715/ 16
10°/16
113/16
标记示例
直径分段d
表4(续)
GB/T1131.1-2004
6°/16
直径d=10mm,公差为m6的手用铰刀为:手用铰刀10GB/T1131.1-200412
1213/15
13\/1s
147/16
15°/4
16 11/16
直径d=10mm,加工H8级精度孔的手用铰刀为:手用铰刀H8GB/T1131.1--2004
GB/T1131.1--2004
直径范围
附录A
(规范性附录)
加工H7、H8、H9级孔的手用铰刀直径公差表A.1
极限偏差
单位为毫米
小提示:此标准内容仅展示完整标准里的部分截取内容,若需要完整标准请到上方自行免费下载完整标准文档。
中华人民共和国国家标准
GB/T 1131. 1-2004
代替GB/T1131-1984部分
手用铰刀
第1部分:型式和尺寸
Hand reamers---Part 1: Types and dimensions(ISO 236-1:1976,Hand reamers,MOD)2004-02-10发布
中华人民共和国国家质量监督检验检疫总局中国国家标准化管理委员会
2004-08-01实施
GB/T1131《手用铰刀》分为两个部分:第1部分:型式和尺寸;
第2部分:技术条件。
本部分为GB/T1131的第1部分。
本部分修改采用ISO236-1:1976《手用铰刀》(英文版)。GB/T1131.1--2004
本部分与ISO236-1:1976相比有下列技术差异和按GB/T1.1进行编辑性修改:规范性引用文件中,取消了ISO236-2《莫氏锥柄长刃机用铰刀》、取消了ISO521《直柄或莫氏锥柄机用铰刀》;ISO237用GB/T4267《直柄回转工具柄部直径和传动方头尺寸》代替;增加了GB/T4246《铰刀特殊公差》;增加了标记示例;
增加了规范性附录A“加工H7、H8、H9级孔手用铰刀直径公差”;“本国际标准”一词改为“本部分”用小数点“”代替作为小数点的逗号“,”;-删除了国际标准的前言;
本部分代替GB/T1131一1984《手用铰刀》中的型式和尺寸部分。本部分与GB/T1131—1984相比主要变化如下:技术要求列入第2部分技术条件中;按ISO236-1调整了直径范围;
图用国际标准的简图表示,表面粗糙度列人技术条件中;按国际标准的表格,分为:长度公差、推荐直径和各相应尺寸、以直径分段的尺寸,并将英制尺寸列人其中;
取消了GB/T1131—1984表1中的参考尺寸:l1、2、α、f和齿数;将表1中的总长L改为l,切削刃长1改为;
修改了手用铰刀的标记示例;
增加了手用铰刀的直径公差:m6;增加了互换性;
增加了规范性附录A“加工H7、H8、H9级孔手用铰刀直径公差”。本部分的附录A为规范性附录。
本部分由中国机械工业联合会提出。本部分由全国刀具标准化技术委员会(SAC/TC91)归口。本部分起草单位:成都工具研究所。本部分主要起草人:刘玉玲、查国兵。本部分所代替标准的历次发布情况:GB 113173,GB/T 1131--1984。
1范围
手用铰刀第1部分:型式和尺寸
本部分规定了手用铰刀的型式和尺寸。本部分包括分别列出的三个表:一直径和各相应尺寸,单位:毫米;一直径和各相应尺寸,单位:英寸;一以直径分段的尺寸,单位:毫米和英寸。此外,还规定了长度、刃部直径和柄部直径的公差。2规范性引用文件
GB/T 1131. 1—2004
下列文件中的条款通过GB/T1131的本部分的引用而成为本部分的条款。凡是注日期的引用文件,其随后所有的修改单(不包括勘误的内容)或修订版均不适用于本部分,然而,鼓励根据本部分达成协议的各方研究是否可使用这些文件的最新版本。凡是不注日期的引用文件,其最新版本适用于本部分。
GB/T4246
(GB/T4246-2004,ISO522.1975,IDT)铰刀特殊公差
GB/T4267直柄回转工具柄部直径和传动方头的尺寸(GB/14267--2004,ISO237:1975,IDI)3互换性
编制各尺寸表时,考虑了保证以毫米和英寸表示的各标推尺寸尽可能相等。为此目的,将全部直径范围再细分成一系列尺寸分段。米制直径尺寸分段的极限值取自优先数系列,并直接转换成英制数值;同一直径分段中,米制和英制的长度保持相同。然而,在两种计量单位制里,推荐直径是不同的,并且在同一直径分段中,推荐的直径数也是不同的。
4·柄部
柄部直径和切削刃部的直径相等。表2和表3所列的传动方头按GB/T4267标准规定。5公差
5.1切削部分
直径d在紧接切削锥之后测量。对于常备标准铰刀,直径d的公差为:m6,对于加工特定公差孔的铰刀直径公差按GB/T4246设计,本部分的附录A给出了加工H7、H8、H9级孔的铰刀直径公差。5.2柄部
柄部直径公差为:h9。
5.3长度
长度公差按表1规定。
对于特殊公差的铰刀,其长度可以从相邻的较大或较小的尺寸分段内选择,但公差应按表1的规定。,
示例:直径为4mm的特殊公差铰刀,长度l,可取35mm,l可取71mm;或者长度l可取41mm和l可取81mm(见表4)。
GB/T 1131.1—2004
总长1和切削刃长1
表1长度公差
铰刀的尺寸按图1和表2、表3、表4的规定。a
注:括号内的尺寸尽量不采用。2
手用铰刀
米制系列的推荐直径和各相应尺寸14
(34)
(48)
(60)
±:/32
单位为毫米
11 /32
(1% /sa)
(1% /s2)
213/16
33/6
3°/16
3\5/16
表 3 英制系列的推荐直径和各相应尺寸Q
注:括号内的尺寸尽量不采用。直径分段d
5 / 18
13 /52
15 /32
23 / 2免费标准bzxz.net
(1 /1)
(1'/s)
(15/16))
(1\/h)
(1°/8)
(1/)
表4以直径分段的尺寸
41/。
6°/16
715/16
10°/16
113/18
13\/16
GB/T 1131. 1--2004
单位为英寸
25 / 32
13 / r6
29 / 2
25 / 2
15 /16
12\ / 2
113//6
GB/T 1131. 1—2004
直径分段 d
表4(续)
13/。
25/。
3\ / 16
4°/。
4°。
715/ 16
10°/16
113/16
标记示例
直径分段d
表4(续)
GB/T1131.1-2004
6°/16
直径d=10mm,公差为m6的手用铰刀为:手用铰刀10GB/T1131.1-200412
1213/15
13\/1s
147/16
15°/4
16 11/16
直径d=10mm,加工H8级精度孔的手用铰刀为:手用铰刀H8GB/T1131.1--2004
GB/T1131.1--2004
直径范围
附录A
(规范性附录)
加工H7、H8、H9级孔的手用铰刀直径公差表A.1
极限偏差
单位为毫米
小提示:此标准内容仅展示完整标准里的部分截取内容,若需要完整标准请到上方自行免费下载完整标准文档。
标准图片预览:





- 其它标准
- 热门标准
- 国家标准(GB)
- GB/T2828.1-2012 计数抽样检验程序 第1部分:按接收质量限(AQL)检索的逐批检验抽样计划
- GB/T228.1-2021 金属材料 拉伸试验 第1部分:室温试验方法
- GB30486-2013 制革及毛皮加工工业水污染物排放标准
- GB/T39210-2020 耙吸挖泥船吃水装载系统
- GB/T24675.4-2009 保护性耕作机械 圆盘耙
- GB/T37414.3-2020 工业机器人电气设备及系统第3部分:交流伺服电动机技术条件
- GB/T37757-2019 电子电气产品用材料和零部件中挥发性有机物释放速率的测定 释放测试舱-气相色谱质谱法
- GB35638-2017 地理信息 位置服务 术语
- GB/T9966.11-2021 天然石材试验方法第11部分:激冷激热加速老化强度测定
- GB/T14959-1994 个人中子剂量计的性能要求与刻度(中子能量小于20MeV)
- GB∕T39626-2020 第三方电子商务交易平台社会责任实施指南
- GB/T39676-2020 跨境电子商务 物流信息申报和支付信息申报电子单证
- GB/T38627-2020 信息技术 实时定位 磁定位数据接口
- GB8173-1987 农用粉煤灰中污染物控制标准
- GB11021-1989 电气绝缘的耐热性评定和分级
- 行业新闻
请牢记:“bzxz.net”即是“标准下载”四个汉字汉语拼音首字母与国际顶级域名“.net”的组合。 ©2025 标准下载网 www.bzxz.net 本站邮件:bzxznet@163.com
网站备案号:湘ICP备2025141790号-2
网站备案号:湘ICP备2025141790号-2