- 您的位置:
- 标准下载网 >>
- 标准分类 >>
- 国家标准(GB) >>
- GB/T 539-1995 耐油石棉橡胶板
标准号:
GB/T 539-1995
标准名称:
耐油石棉橡胶板
标准类别:
国家标准(GB)
标准状态:
已作废-
发布日期:
1995-04-04 -
实施日期:
1995-01-02 -
作废日期:
2009-04-01 出版语种:
简体中文下载格式:
.rar.pdf下载大小:
141.17 KB

点击下载
标准简介:
标准下载解压密码:www.bzxz.net
本标准规定了耐油石棉橡胶板的产品分类、技术要求、试验方法、检验规则、标志、包装、运输、贮存。本标准适用于油类、冷气系统等设备和管道法兰连接处的密封衬垫材料用耐油石棉橡胶板。 GB/T 539-1995 耐油石棉橡胶板 GB/T539-1995

部分标准内容:
四、其他橡胶制品标准
中华人民共和国国家标准
耐油石棉橡胶板
Oil -resisting asbestos-rubber sheets1 主题内容与适用范围
GB/T 539-1995
代替GB539---83
本标准规定了耐油石棉橡胶板的产品分类、技术要求、试验方法、检验规则、标志、包装、运输、贮存。本标准适用于油类、冷气系统等设备和管道法兰连接处的密封衬垫材料用耐油石棉橡胶板。2引用标准
20号航空润滑油
GB1737
GB2828
GB 3912
GB 3913
耐油石棉橡胶板密封性试验方法石棉橡胶板抗张强度试验方法
耐油石棉橡胶板吸油率试验方法石棉橡胶板密度试验方法
75号航空汽油
逐批检查计数抽样程序及抽样表(适用于连续批的检查)耐油石棉橡胶板浸油增厚率试验方法耐油石棉橡胶板腐蚀性试验方法石棉橡胶板
GB/T 3985
GB 3988
GB6537
石棉橡胶板压缩率、回弹率试验方法3号喷气燃料
GB 8170
数值修约规则
3产品分类及标记
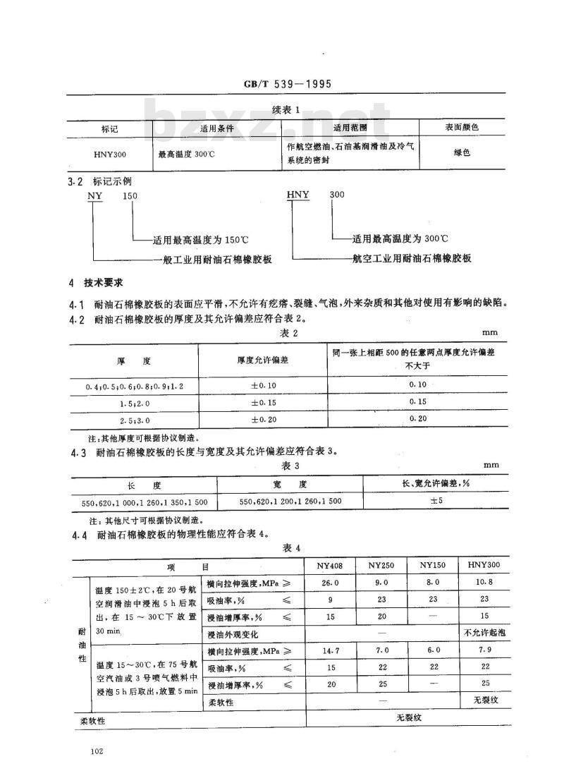
3.1耐油石棉橡胶板根据其用途,分为两大类,即一般工业用耐油石棉橡胶板和航空工业用耐油石棉橡胶板。见表1。
适用条件
最高温度150℃
最大压力1.5MPa
最高温度250℃
最大压力2.5MPa
最高温度400℃
最大压力 4MPa
国家技术监督局1995-04-04批准适用范围
作炼油设备,管道及汽车、拖拉机、柴油机的输油管道接合处的密封作炼油设备及管道法兰连接处的密封
作热油、石油裂化、煤蒸馏设备及管道法兰连接处的密封
表面颜色
浅蓝色
石墨色
1995-12-01实施
HNY300
3.2标记示例
4技术要求
适用条件
最高温度300℃
GB/T539--1995
续表1
适用范围
作航空燃油、石油基润滑油及玲气系统的密封
适用最高温度为150℃
般工业用耐油石棉橡胶板
表面颜色
适用最高温度为300℃
航空工业用耐油石棉橡胶板
4.1耐油石棉橡胶板的表面应平滑,不允许有疙瘩、裂缝、气泡,外来杂质和其他对使用有影响的缺陷4.2耐油石棉橡胶板的厚度及其允许偏差应符合表2。表2
0. 4;0. 5:0. 6;0.8;0. 9,1. 21.5;2.0
注:其他厚度可根据协议制造。厚度允许偏差
间一张上相距500的任意两点厚度允许偏差不大于
4.3耐油石棉橡胶板的长度与宽度及其允许偏差应符合表3。表3
550620,1000,1260,1350,1500
注:其他尺寸可根据协议制造。度
550,620.1 200,1 260,1 500
4.4耐油石棉橡胶板的物理性能应符合表4。表4
温度150士2℃,在20号航
空润滑油中浸泡 5 h 后取
出,在15~30℃下放置
温度15~30℃,在75号航
空汽油或3号喷气燃料中
浸泡5h后取出,放置5min
柔软性
横向拉伸强度,MPa ≥
吸油率,%
浸油增厚率,%
浸油外观变化
横向拉伸强度,MPa ≥
吸油率,%
浸油增厚率,%
柔软性
长、宽允许偏差,%
无裂纹
HNY300
不允许起泡
无裂纹
密度,g/cm
压缩率,%
回弹率,%
油密封性
温度15~30℃,
GB/T539--1995
续表4
压力为
介质为75号航空汽油或3号喷气燃料对硬铝板,低碳素钢板
腐蚀性
横向拉伸强度,MPa
应力松弛率,%
注:①厚度大于3.0mm不做拉伸强度试验。②厚度大于等于2.5mm不做柔软性试验。5试验方法
5.1外观检查采用目测。
压力为
10 MPa
压力为
完全密封
,HNY300
压力为
无腐蚀
5.2长度和宽度用精度为1mm的钢卷尺或直尺测量。厚度以工作面直径为6~10mm,精度为0.01mm的干分尺测量,分别在耐油石棉橡胶板的纵横向离边缘10~20mm范围内各测量三点,点间距离为250mm或500mm。以六个读数的算术平均值作为测试结果。5.3所有理化性能试验样品应在100士2℃的恒温箱中放置1h后,放入干燥器中冷却至室温,再进行试验。
5.4拉伸强度试验按GB541进行
5.5吸油率试验按GB543进行。
5.6浸油增厚率试验按GB3912进行。5.7压缩率、回弹率试验按GB3988进行。密度试验按GB544进行。
5.9柔软性试验按GB/T3985中5.5条进行。5.10腐蚀性试验按GB3913进行。5.11
密封性试验按GB540进行。
应力松驰率试验按GB/T3985附录A进行。5.13所有检验结果按GB8170进行修约,数值取位与表4技术指标-致。6检验规则
6.1检验分类:
耐油石棉橡胶板检验分出厂检验(或交收检验)和型式检验(或例行检验)。6.1.1出厂检验项目为:外观、尺寸及其偏差、浸油后横向拉伸强度、吸油率、浸油增厚率、浸油外观变化、压缩率、回弹率、密度、柔软性、油密封性,耐腐蚀性。型式检验项目为技术要求中规定的所有项目。6.1.2有下列情况之时,应进行型式检验。首批或试制产品;
b.正式生产后,如结构、材料、工艺有较大改变,可能影响产品性能时;103
正常生产半年时;
产品长期停产后,恢复生产时;d.
GB/T539—1995
出厂检验结果与上次型式检验有较大差异时;国家质量监督机构提出进行型式检验的要求时;f.
g:用户提出进行型式检验的要求时。6.2同牌号、同规格的耐油石棉橡胶板以1000kg为一批,不足1000kg的按批计算。6.3耐油石棉橡胶板外观、尺寸偏差的检查采用随机抽样,按GB2828,使用正常检查一次抽样方案,执行检查水平Ⅱ,合格质量水平为6.5。不同批量所需的抽样量、合格批或不合格批的判定,应符合表5。表5
91~150
151~280
样本大小
合格判定数
注:HNY300的外观、尺寸出厂时应逐张检验。批合格判定仍按表5进行,不合格判定数
6.4耐油石棉橡胶板性能检验样本。在外观、尺寸偏差检查合格后的样本中随机抽样一张。按表4项目进行,每项试验以三个试样的算术平均值为测试结果。6.5任何一项试验结果不合格时,应加倍取样对该项指标进行复验,如复验结果仍不合格,则该批产品为不合格。
7标志、包装、运输、贮存
7.1标志
7.1.1每张耐油石棉橡胶板应印刷制造厂标志、产品名称、规格、批量及制造日期,印刷必须清楚7.1.2产品包装上应印产品名称、批号、毛重、净重、制造日期,及制造厂名称。7.2包装
7.2.1耐油石棉橡胶板以衬有防潮纸的箱装或捆装。每箱净重不超过110kg;每捆净重不超过50kg。7.2.2每个包装箱内应附有产品合格证。内容包括:产品名称、牌号、批号、标准编号、制造厂名称、制造日期、生产许可证号。
7.2.3每箱(捆)耐油石棉橡胶板不允许超过二个取样口,允许有不小于500mm×500mm的产品一张。
7.3运输
耐油石棉橡胶板应用有篷交通工具运输。7.4贮存
7.4.1耐油石棉橡胶板在贮存期应放置在温度为0~~30℃的仓库内,并防止日照或靠近热源1m以内的地方。
7.4.2耐油石棉橡胶板贮存期从制造日期起为两年半。104
附加说明:wwW.bzxz.Net
本标准由国家建筑材料工业局提出。本标准由咸阳非金属矿研究所归口。本标准由咸阳非金属矿研究所起草。本标准起草人沈小萍、尚兴春。GB/T539—1995
自本标准实施之日起,原国家建筑材料工业局部标准JC203-76《400石棉耐油橡胶板》作废。105
小提示:此标准内容仅展示完整标准里的部分截取内容,若需要完整标准请到上方自行免费下载完整标准文档。
中华人民共和国国家标准
耐油石棉橡胶板
Oil -resisting asbestos-rubber sheets1 主题内容与适用范围
GB/T 539-1995
代替GB539---83
本标准规定了耐油石棉橡胶板的产品分类、技术要求、试验方法、检验规则、标志、包装、运输、贮存。本标准适用于油类、冷气系统等设备和管道法兰连接处的密封衬垫材料用耐油石棉橡胶板。2引用标准
20号航空润滑油
GB1737
GB2828
GB 3912
GB 3913
耐油石棉橡胶板密封性试验方法石棉橡胶板抗张强度试验方法
耐油石棉橡胶板吸油率试验方法石棉橡胶板密度试验方法
75号航空汽油
逐批检查计数抽样程序及抽样表(适用于连续批的检查)耐油石棉橡胶板浸油增厚率试验方法耐油石棉橡胶板腐蚀性试验方法石棉橡胶板
GB/T 3985
GB 3988
GB6537
石棉橡胶板压缩率、回弹率试验方法3号喷气燃料
GB 8170
数值修约规则
3产品分类及标记
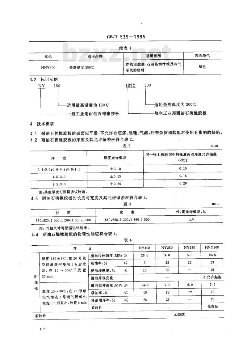
3.1耐油石棉橡胶板根据其用途,分为两大类,即一般工业用耐油石棉橡胶板和航空工业用耐油石棉橡胶板。见表1。
适用条件
最高温度150℃
最大压力1.5MPa
最高温度250℃
最大压力2.5MPa
最高温度400℃
最大压力 4MPa
国家技术监督局1995-04-04批准适用范围
作炼油设备,管道及汽车、拖拉机、柴油机的输油管道接合处的密封作炼油设备及管道法兰连接处的密封
作热油、石油裂化、煤蒸馏设备及管道法兰连接处的密封
表面颜色
浅蓝色
石墨色
1995-12-01实施
HNY300
3.2标记示例
4技术要求
适用条件
最高温度300℃
GB/T539--1995
续表1
适用范围
作航空燃油、石油基润滑油及玲气系统的密封
适用最高温度为150℃
般工业用耐油石棉橡胶板
表面颜色
适用最高温度为300℃
航空工业用耐油石棉橡胶板
4.1耐油石棉橡胶板的表面应平滑,不允许有疙瘩、裂缝、气泡,外来杂质和其他对使用有影响的缺陷4.2耐油石棉橡胶板的厚度及其允许偏差应符合表2。表2
0. 4;0. 5:0. 6;0.8;0. 9,1. 21.5;2.0
注:其他厚度可根据协议制造。厚度允许偏差
间一张上相距500的任意两点厚度允许偏差不大于
4.3耐油石棉橡胶板的长度与宽度及其允许偏差应符合表3。表3
550620,1000,1260,1350,1500
注:其他尺寸可根据协议制造。度
550,620.1 200,1 260,1 500
4.4耐油石棉橡胶板的物理性能应符合表4。表4
温度150士2℃,在20号航
空润滑油中浸泡 5 h 后取
出,在15~30℃下放置
温度15~30℃,在75号航
空汽油或3号喷气燃料中
浸泡5h后取出,放置5min
柔软性
横向拉伸强度,MPa ≥
吸油率,%
浸油增厚率,%
浸油外观变化
横向拉伸强度,MPa ≥
吸油率,%
浸油增厚率,%
柔软性
长、宽允许偏差,%
无裂纹
HNY300
不允许起泡
无裂纹
密度,g/cm
压缩率,%
回弹率,%
油密封性
温度15~30℃,
GB/T539--1995
续表4
压力为
介质为75号航空汽油或3号喷气燃料对硬铝板,低碳素钢板
腐蚀性
横向拉伸强度,MPa
应力松弛率,%
注:①厚度大于3.0mm不做拉伸强度试验。②厚度大于等于2.5mm不做柔软性试验。5试验方法
5.1外观检查采用目测。
压力为
10 MPa
压力为
完全密封
,HNY300
压力为
无腐蚀
5.2长度和宽度用精度为1mm的钢卷尺或直尺测量。厚度以工作面直径为6~10mm,精度为0.01mm的干分尺测量,分别在耐油石棉橡胶板的纵横向离边缘10~20mm范围内各测量三点,点间距离为250mm或500mm。以六个读数的算术平均值作为测试结果。5.3所有理化性能试验样品应在100士2℃的恒温箱中放置1h后,放入干燥器中冷却至室温,再进行试验。
5.4拉伸强度试验按GB541进行
5.5吸油率试验按GB543进行。
5.6浸油增厚率试验按GB3912进行。5.7压缩率、回弹率试验按GB3988进行。密度试验按GB544进行。
5.9柔软性试验按GB/T3985中5.5条进行。5.10腐蚀性试验按GB3913进行。5.11
密封性试验按GB540进行。
应力松驰率试验按GB/T3985附录A进行。5.13所有检验结果按GB8170进行修约,数值取位与表4技术指标-致。6检验规则
6.1检验分类:
耐油石棉橡胶板检验分出厂检验(或交收检验)和型式检验(或例行检验)。6.1.1出厂检验项目为:外观、尺寸及其偏差、浸油后横向拉伸强度、吸油率、浸油增厚率、浸油外观变化、压缩率、回弹率、密度、柔软性、油密封性,耐腐蚀性。型式检验项目为技术要求中规定的所有项目。6.1.2有下列情况之时,应进行型式检验。首批或试制产品;
b.正式生产后,如结构、材料、工艺有较大改变,可能影响产品性能时;103
正常生产半年时;
产品长期停产后,恢复生产时;d.
GB/T539—1995
出厂检验结果与上次型式检验有较大差异时;国家质量监督机构提出进行型式检验的要求时;f.
g:用户提出进行型式检验的要求时。6.2同牌号、同规格的耐油石棉橡胶板以1000kg为一批,不足1000kg的按批计算。6.3耐油石棉橡胶板外观、尺寸偏差的检查采用随机抽样,按GB2828,使用正常检查一次抽样方案,执行检查水平Ⅱ,合格质量水平为6.5。不同批量所需的抽样量、合格批或不合格批的判定,应符合表5。表5
91~150
151~280
样本大小
合格判定数
注:HNY300的外观、尺寸出厂时应逐张检验。批合格判定仍按表5进行,不合格判定数
6.4耐油石棉橡胶板性能检验样本。在外观、尺寸偏差检查合格后的样本中随机抽样一张。按表4项目进行,每项试验以三个试样的算术平均值为测试结果。6.5任何一项试验结果不合格时,应加倍取样对该项指标进行复验,如复验结果仍不合格,则该批产品为不合格。
7标志、包装、运输、贮存
7.1标志
7.1.1每张耐油石棉橡胶板应印刷制造厂标志、产品名称、规格、批量及制造日期,印刷必须清楚7.1.2产品包装上应印产品名称、批号、毛重、净重、制造日期,及制造厂名称。7.2包装
7.2.1耐油石棉橡胶板以衬有防潮纸的箱装或捆装。每箱净重不超过110kg;每捆净重不超过50kg。7.2.2每个包装箱内应附有产品合格证。内容包括:产品名称、牌号、批号、标准编号、制造厂名称、制造日期、生产许可证号。
7.2.3每箱(捆)耐油石棉橡胶板不允许超过二个取样口,允许有不小于500mm×500mm的产品一张。
7.3运输
耐油石棉橡胶板应用有篷交通工具运输。7.4贮存
7.4.1耐油石棉橡胶板在贮存期应放置在温度为0~~30℃的仓库内,并防止日照或靠近热源1m以内的地方。
7.4.2耐油石棉橡胶板贮存期从制造日期起为两年半。104
附加说明:wwW.bzxz.Net
本标准由国家建筑材料工业局提出。本标准由咸阳非金属矿研究所归口。本标准由咸阳非金属矿研究所起草。本标准起草人沈小萍、尚兴春。GB/T539—1995
自本标准实施之日起,原国家建筑材料工业局部标准JC203-76《400石棉耐油橡胶板》作废。105
小提示:此标准内容仅展示完整标准里的部分截取内容,若需要完整标准请到上方自行免费下载完整标准文档。

标准图片预览:





- 其它标准
- 上一篇: GB/T 538-1990 工业硼酸
- 下一篇: GB/T 540-1999 耐油石棉橡胶板试验方法
- 热门标准
- 国家标准(GB)
- GB4623-1994 环形预应力混凝土电杆
- GB/T19250-2013 聚氨酯防水涂料
- GB/T17972-2000 信息处理系统 数据通信 局域网中使用X.25包级协议
- GB/T23344-2009 纺织品 4-氨基偶氮苯的测定
- GB16853-1997 结核病监测标准
- GB/T37319-2019 电梯节能逆变电源装置
- GB∕T4937.20-2018 半导体器件 机械和气候试验方法 第20部分:塑封表面安装器件耐潮湿和焊接热综合影响
- GB/T39351-2020 空间数据与信息传输系统 遥测空间数据链路协议
- GB/T11828.2-2005 水位测量仪器 第2部分:压力式水位计
- GB/T22427.5-2008 淀粉细度测定
- GB/T21666-2008 尿吸收辅助器具 评价的一般指南
- GB/T43762-2024 航空航天 卡箍术语
- GB/T38142-2019 ISO 4918:2016 弹性、纺织和层压铺地物脚轮椅测试
- GB/T14929.2-1994 花生仁、棉籽油、花生油中涕灭威残留量测定方法
- GB/T16849-2008 光纤放大器总规范
- 行业新闻
请牢记:“bzxz.net”即是“标准下载”四个汉字汉语拼音首字母与国际顶级域名“.net”的组合。 ©2009 标准下载网 www.bzxz.net 本站邮件:bzxznet@163.com
网站备案号:湘ICP备2023016450号-1
网站备案号:湘ICP备2023016450号-1