- 您的位置:
- 标准下载网 >>
- 标准分类 >>
- 机械行业标准(JB) >>
- JB/T 7963.2-1997 金属切割带锯条 第2部分 基本尺寸和公差
标准号:
JB/T 7963.2-1997
标准名称:
金属切割带锯条 第2部分 基本尺寸和公差
标准类别:
机械行业标准(JB)
英文名称:
Metal cutting band saw blades Part 2 Basic dimensions and tolerances标准状态:
现行-
发布日期:
1997-08-18 -
实施日期:
1998-01-01 出版语种:
简体中文下载格式:
.rar.pdf下载大小:
84.66 KB
替代情况:
JB/T 7963.2-95采标情况:
ISO 4875/Ⅱ-78 MOD
点击下载
标准简介:
标准下载解压密码:www.bzxz.net
JB/T 7963.2-1997 JB/T 7963.2-1997 金属切割带锯条 第2部分 基本尺寸和公差 JB/T7963.2-1997
部分标准内容:
中华人民共和国机械行业标准
JB/T7963.1~7963.3-1997
金属切割带锯条
1997-08-18发布
中华人民共和国机械工业部
1998-01-01实施
JB/T 7963.21997
本标准等效采用ISO4875/11978金属切割带锯条第2部分:基本尺寸和公差》。由于ISO4875/1所确定的基本尺寸代表了金属切割带锯条的主要特征,给出的尺寸和公差,基本适合国内要求,故等效采用。并根据近年来国内外市场需要和生产发展补充了宽度尺寸27和34,厚度尺寸1,齿距2.12。
根据GB/T1.1~1993的规定,标准中一律采用国家颁布的法定计量单位及代号,所以本标准只用了1SO4875/1中的米制尺寸和公差,去除了英制尺寸和公差,用括号形式保留丁齿鹿中的每英寸齿数的代号。
JB/T7963在金属切制带锯条》总标题下,包括三个部分:第1部分(JB/T7963.1);定义和名调术语:第2部分(JB/T7963.2):基本尺寸和公差;第3部分(JB/T7963.3):类型和特性。本标准由全国刀具标准化技术委员会提出并归口。本标准主要起草单位:潮南机床厂、本溪工具厂。本标准主要起草人,徐子文、张激华、李兰桂、邓方。本标准从生效之日起,同时代替JB/T7963.2一1995%金属切制带锯条种类、规格与技术要求》(原GB6079.2-85)
JB/T7963.2-1997
ISO(国际标准化组织)是各个国家标准协会(ISO成员团体)的世界性联监。国际标准的制订一般由ISO各技术委员会来进行的。每个成员团体,对已经建立技术委员会的项目如感兴趣,都有权参加该委员会。与ISO有联络关系的各国际组织(政府的和非政府的)也可参加此项工作。经各技术委员会采纳的国际标准草案.先发至各成员团体通过、然后由ISO理事会批准作为国际标准。
国际标准ISO4875/1是由ISO/TC29(工具)技术委员会起草的.非于1976年8月发至各成员团体。
本标准已由下列国家的成员团体通过:澳大利亚
比利时
保加利变
捷克斯洛伐克
西班牙
以色列
意大利
墨西哥
菲律宾
罗马尼亚
南非共和国此内容来自标准下载网
土耳其
南斯拉夫
下列国家的成员团体表示在技术上不同意本文件:西德
中华人民共和国机械行业标准
金属切割带锯条
第2部分:基本尺寸和公差
本标准规定了金属切制带锯条(以下筒称带锯条)的基本尺寸和公差。JB/T 7963.21997
eqv ISO 4875/ I1978
对于每种型式的带锯条,公称尺寸×齿距的各种组合列于B/T7963.3-1997中,金属切割带镶条的各种术语在JB/T7963.11997中规定。引用标准
下列标准所包含的条文,通过在本标准中引用而构成为本标准的条文。本标准出版时,所示版本均为有效。所有标准都会被修订,使用本标准的各方应探讨使用下列标准最新版本的可能性。JB/T 7963.11997
金属切割带锯条第1部分:定义和名词术语金属切割带锯条
第3部分:类型和特性
JB/T7963.31997
基本尺寸和公差
带锯条的宽度(见表1)、厚度(见表2)和齿距(见表3)选自优先数R40系列,表3还列出了齿距和每25mm(1in)齿数之间的关系。
宽度尺寸
宽度尺寸
3.2厚度
宽度尺寸
± 0. 025
机械工业部1997-08-18批准
带锯条宽度及公差
表2带锯条厚度及公差
1998-01-01实施
3.3齿距
每25mm
(1 in)的齿数
其他公差
4.1分齿盘偏差
JB/T7963.21997
带锯条齿距
总分齿量由制造厂自行确定。带条每侧的分齿量应相等,其偏差应限制在土0.05mm或总分齿量偏差限制在±0.10mm以内。
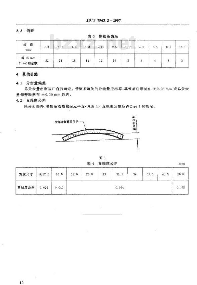
4.2直线度公差
除分齿处外,带锯条沿横截面应平直(见图1),直线度公差应符合表4的规定。带锯条横载雨形务
宽度尺寸
直线度公差
直线度公差
小提示:此标准内容仅展示完整标准里的部分截取内容,若需要完整标准请到上方自行免费下载完整标准文档。
JB/T7963.1~7963.3-1997
金属切割带锯条
1997-08-18发布
中华人民共和国机械工业部
1998-01-01实施
JB/T 7963.21997
本标准等效采用ISO4875/11978金属切割带锯条第2部分:基本尺寸和公差》。由于ISO4875/1所确定的基本尺寸代表了金属切割带锯条的主要特征,给出的尺寸和公差,基本适合国内要求,故等效采用。并根据近年来国内外市场需要和生产发展补充了宽度尺寸27和34,厚度尺寸1,齿距2.12。
根据GB/T1.1~1993的规定,标准中一律采用国家颁布的法定计量单位及代号,所以本标准只用了1SO4875/1中的米制尺寸和公差,去除了英制尺寸和公差,用括号形式保留丁齿鹿中的每英寸齿数的代号。
JB/T7963在金属切制带锯条》总标题下,包括三个部分:第1部分(JB/T7963.1);定义和名调术语:第2部分(JB/T7963.2):基本尺寸和公差;第3部分(JB/T7963.3):类型和特性。本标准由全国刀具标准化技术委员会提出并归口。本标准主要起草单位:潮南机床厂、本溪工具厂。本标准主要起草人,徐子文、张激华、李兰桂、邓方。本标准从生效之日起,同时代替JB/T7963.2一1995%金属切制带锯条种类、规格与技术要求》(原GB6079.2-85)
JB/T7963.2-1997
ISO(国际标准化组织)是各个国家标准协会(ISO成员团体)的世界性联监。国际标准的制订一般由ISO各技术委员会来进行的。每个成员团体,对已经建立技术委员会的项目如感兴趣,都有权参加该委员会。与ISO有联络关系的各国际组织(政府的和非政府的)也可参加此项工作。经各技术委员会采纳的国际标准草案.先发至各成员团体通过、然后由ISO理事会批准作为国际标准。
国际标准ISO4875/1是由ISO/TC29(工具)技术委员会起草的.非于1976年8月发至各成员团体。
本标准已由下列国家的成员团体通过:澳大利亚
比利时
保加利变
捷克斯洛伐克
西班牙
以色列
意大利
墨西哥
菲律宾
罗马尼亚
南非共和国此内容来自标准下载网
土耳其
南斯拉夫
下列国家的成员团体表示在技术上不同意本文件:西德
中华人民共和国机械行业标准
金属切割带锯条
第2部分:基本尺寸和公差
本标准规定了金属切制带锯条(以下筒称带锯条)的基本尺寸和公差。JB/T 7963.21997
eqv ISO 4875/ I1978
对于每种型式的带锯条,公称尺寸×齿距的各种组合列于B/T7963.3-1997中,金属切割带镶条的各种术语在JB/T7963.11997中规定。引用标准
下列标准所包含的条文,通过在本标准中引用而构成为本标准的条文。本标准出版时,所示版本均为有效。所有标准都会被修订,使用本标准的各方应探讨使用下列标准最新版本的可能性。JB/T 7963.11997
金属切割带锯条第1部分:定义和名词术语金属切割带锯条
第3部分:类型和特性
JB/T7963.31997
基本尺寸和公差
带锯条的宽度(见表1)、厚度(见表2)和齿距(见表3)选自优先数R40系列,表3还列出了齿距和每25mm(1in)齿数之间的关系。
宽度尺寸
宽度尺寸
3.2厚度
宽度尺寸
± 0. 025
机械工业部1997-08-18批准
带锯条宽度及公差
表2带锯条厚度及公差
1998-01-01实施
3.3齿距
每25mm
(1 in)的齿数
其他公差
4.1分齿盘偏差
JB/T7963.21997
带锯条齿距
总分齿量由制造厂自行确定。带条每侧的分齿量应相等,其偏差应限制在土0.05mm或总分齿量偏差限制在±0.10mm以内。
4.2直线度公差
除分齿处外,带锯条沿横截面应平直(见图1),直线度公差应符合表4的规定。带锯条横载雨形务
宽度尺寸
直线度公差
直线度公差
小提示:此标准内容仅展示完整标准里的部分截取内容,若需要完整标准请到上方自行免费下载完整标准文档。
标准图片预览:





- 热门标准
- 机械行业标准(JB)
- JB/T6316-2006 Z4系列直流电动机技术条件(机座号100~450)
- JB/T8679-2008 炭弧气刨炭棒 物理及使用性能试验方法
- JB/T7895-2008 永磁筒式磁选机
- JB/T10930-2010 200级耐电晕漆包铜圆线
- JB∕T12675-2016 拖拉机液压系统清洁度限值及测量方法
- JB3704-1984 特种调压器用碳电阻片柱电气机械性能试验方法
- JB2664-1980 自动电压调整器用碳电阻片柱
- JB/T8674-2007 YB2系列高压隔爆型三相异步电动机 技术条件(机座号355~560)
- JB/T5425-2013 印刷机械 真空压力复合气泵
- JB/T7140.1-1993 牲畜药浴机械 型式与基本参数
- JB/T8511-2011 空气绝缘母线干线系统(空气绝缘母线槽)
- JB/T56054.1-XXXX 电焊机产品质量分等 总则(内部使用)
- JB/T12865-2016 畜类屠宰加工机械 螺旋自动刨毛机
- JB/T54308-1993 JHY1系列组合式接线端子
- JB3113-1982 特种调压器用碳电阻片柱
- 行业新闻
请牢记:“bzxz.net”即是“标准下载”四个汉字汉语拼音首字母与国际顶级域名“.net”的组合。 ©2025 标准下载网 www.bzxz.net 本站邮件:bzxznet@163.com
网站备案号:湘ICP备2025141790号-2
网站备案号:湘ICP备2025141790号-2