- 您的位置:
- 标准下载网 >>
- 标准分类 >>
- 轻工行业标准(QB) >>
- QB/T 1295-1991 家用电冰箱用门封磁条
标准号:
QB/T 1295-1991
标准名称:
家用电冰箱用门封磁条
标准类别:
轻工行业标准(QB)
标准状态:
现行-
发布日期:
1991-10-17 -
实施日期:
1992-01-01 出版语种:
简体中文下载格式:
.rar.pdf下载大小:
246.95 KB
中标分类号:
轻工、文化与生活用品>>家用电器、日用机具>>Y61家用空调与冷藏器具
点击下载
标准简介:
标准下载解压密码:www.bzxz.net
本标准规定厂家用电冰箱用门封磁条(以下简称“磁条”)的产品分类、技术要求、试验方法、检验规则、标志、包装、运输和贮存本标准适用于家用电冰箱门封永磁铁氧体磁条。 QB/T 1295-1991 家用电冰箱用门封磁条 QB/T1295-1991
部分标准内容:
中华人民共和国轻工行业标准
家用电冰箱用门封磁条
1主题内容与适用范围
QB/T 1295—91
本标准规定了家用电冰箱用门封磁条(以下简称“磁条”)的产品分类、技术要求,试验方法、检验规厕、标志、包装、运输和延疗。本标推适用于家用电冰箱门封永磁铁氧体磁条。引用标准
GB 3217
水磁(硬磁)材料磁性能测试方法GR1040Www.bzxZ.net
塑料拉仰试验方法
GB 2411
G 1033
GB 2828
GB2829
3产品分类
塑料邵氏硬度试验方法
塑料比重试验方法
逐批检查计数捕样程序及拥样表周期检查计数抽样程序及抽样表S
用阿拉伯数字表示截面的宽度
一用阿拉伯数字表示截面的长度以塑料和磁条的第一个汉语拼音字母素尔磁条在设计文件中的填写示例:Sc8×4表示截面长度为8mm,截而宽度为4mm的磁条。3.2截面形状及规格
3.2.1截而形状如图1所示
S,N表示充磁极面.无磁极面用条V槽表示。R1.C
图1磁条截面图
中华人民共和国轻工业部1991-10-17批准RO.2
1992-06-01实施
3.2.2规格见表 1.
4技术要求
4.1使用环境条件
环境温度:—25~=—55C
相对湿度:不人于5%;
大气压力:86~106 kPa。
4.2外观质量及尺寸偏
QB/1 1295 — 91
极限尺寸
4.2.1外观质量:磁条丧面应平直,光洁无裂痕.无泡4.2.2尺寸偏差:应符合3.2.2条要求。4.3磁学性能
4.3.1吸著重量
按5.2、1条方法试验,要求见表 2。表2
4.3.2磁性能
规格+mm
9. t×2. 0
10. 0 X2. 0
9. 5×2. 5
9. 0× 3. 0
吸着重量·g/cm\
按 5.2.2方法试验,要求见表 3,序
4.4理化性能
4.4. 1 拉伸强度
剩余磁感应强度 B,,m T
矫顽H,,kA/m1
最大磁能积(BI)mx+ki/m
按5.3.1方法试验,拉伸强度不小于264N/心mB
规格m
10. 0x3. 0
8.0×4. 0
9. 5×4. 5
极限尺寸
吸着重量+g/cm
com4. 4.2断裂伸长率(延伸率)
QB/T 1295 — 91
按5.3,2方法诚验,断裂伸长率不小于30%。4.4.3硬度
按 5. 3.3方法试验,硬度不人于 98 HS(A)4.4.4比重
按5.3.4方法试验,要求3.6±0.24.4.5绕曲持性
接5.3.5方法试验,不允许有裂缝,要求见表4。表4
4.4.6扭转特性
9. 0×2. 0
10, 0×2. 0
9. 5×2. 5
按5.3.6方法试验,不允许有裂缝,4.5高温老化性能
4.5. 1 拉伸强度
绕曲性
按 5. 4. 1方法试验,伸强度不小于原来值的90%。4.5.2断裂件长率
按5.4.2方法试验.断裂仲长率不小十原来值的80%,4.5. 3硬度
按 5.4. 3方法试验.硬度不大原来值的 105不。5试验方法
5.1型式试验室条件及测量仪器要求a试验室温度:205℃;
b.试验室相对滤度:(70士10)%:规
10.0×3.0
测量仪器要求,量具精度不低于0.02 mm;高温箱恒温精度不低于士3℃。5.2磁学性能试验
5.2.1吸着重量试验
缆曲特性
吸着标准样块材料牌号为DT4,面积为25.4mm×15mm,高度依照样块的自重不同可任意调节,详见附录A(补充件)。件微测磁条吸附面粘合:块厚(.350.05mm的非导磁材料,样块外表面镀锌;
b.被测磁条的长度为 60 mm:
C.将标准祥块放置于不受磁场影响的工作台上,被测磁茶沿样块的长度方向均勾地使其吸合居,用手轻提磁条的两端,每吸三次中,有二次样块离开工.作台10 mm间隔即判合格,5.2.2磁性能试验
按GB3217测量
5.3理化性能试验
5. 3. 1 拉伸强度
按GB1040测量。
m5.3.2断裂伸长率(延怖率)
按GB1040测量
5.3.3硬度
按GB 2411 測量,
5.3.4比重
按GB1033测量,
5.3.5绕曲特性
QB/T 1295 --- 91
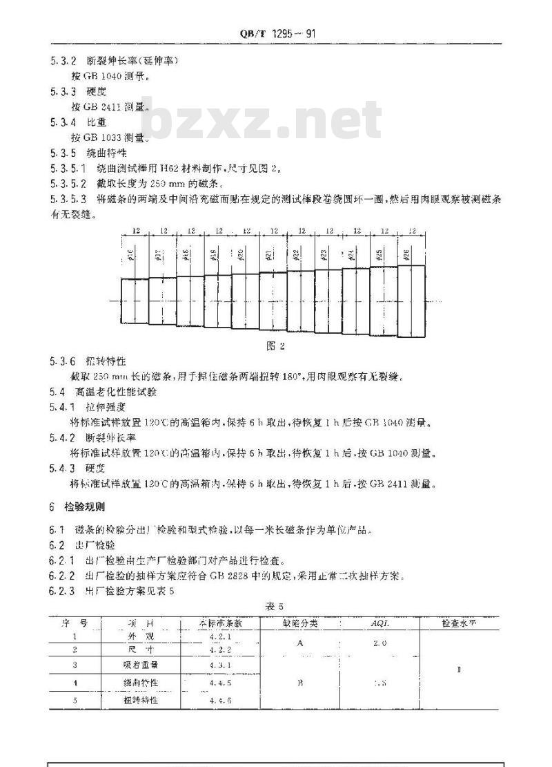
5.3.5.1绕曲测试棒用H62材料制作,尺寸见图2,5.3.5.2截取长度为259mm的磁条。5.3.5.3将磁条的两端及中间沿充磁面贴在规定的测试棒段卷绕圆坏一圈,然后用肉眼观察被测磁条有无裂缝。
5. 3.6扔转特性
截取250mtm长的磁条,用于掉住磁条两端扭转180°,用肉眼观察有无裂,5.4高温老化性能试验
5.4.1拉伸强度
将标准试样放置120℃的高温箱内,保持6h取出,待恢复1h后按GB104测量。5.4.2断裂此长率
将标准试样放置120的高温箱内.保持6 h取出,待恢复1h后按GB1010测量。5.4.3硬度
将标准试祥放置120C的高漏箱内.保持6h取出,待恢复1h后.按GB2411测显。6检验规则
6.下磁条的检验分出!检验和型式检验,以每一米长磁条作为单位产品6.2出厂检验
6.2.1出产捡验出生产厂检验部门对产品逃行检查。6.2.2出厂检验的抽样方案应符合GH2828中的规定,采用止常二次拉样方案,6. 2. 3 出厂检验方案见表 5
吸若重量
绕特性
扭转桦性
益际希条款
缺陷分类
捡弯水平
6.3型式检验
式捡验在认下情况下进行。
正常生产时,每年进行一次;
生产定型鉴定时;
OB/T 1295 - 91
当.艺、材料变动或连续停产半年以上嵌复牛产时:国家质量监督机关提出要求时。型式检验由检验部门按照GB 2829中规定逊行。采用二次抽样为案,判别水平I型式检验方案见表5,
检验项目
磁性能
理化性能
高温老化
余磁感应强度 B.
矫顽力
磁能积(BH)m
拉伸强度
断樱伸长率
拉讲长度
断裂伸长率
标志.包装.运输、贮存
7.1标志
本标准条款
梯本大小
7.1.包装表面标明产品名称、规格、数量、质垫,制造厂及出厂日期。7.1.2拓箱产品内放入合格证·-张。7.2包装
7.2.1、经检验合格的产品用硬质材料作为外包装。7.2.2内包装用察薄膜,每层用衬垫将产品隔开。7.3运输
这品可用各种运输工具,性应避免直接叫光嚏晒和雨雪侵袭。7.4存
判别水平
13~~-40℃,根对湿度不大丁80%.周用环境应无酸、碱性及其它有害物包装后的产品应贮存在
质的库房内。
标理块吸重,g/cm
附加说明:
标准块自重:8
QB/T 1295 -- 91
附录A
标准块自重及尺寸数
(补充件)
标推块体积,nm标雅吸重,g/em25. 4 X 15 × 17. 6
25. 4X15X18. 4
25. 4×15×19. 2
25. =× 15X20. 1
25. 4×15 X 20. 4
25, 4X15× 21. 8
25. 4 ×15× 32. 6
25, 4X15×23. 5
25.4X15×24.3
25. 4 ×1× 215. 2
25. 4X15× 26.
本标准由轻工业部质量标准司提出本标准市全国家用电器标滩化中心归HT。31
标准块自
标准块体识,mm
25. 4X15 X 26. 9
25. 4× 15X27. ?
25. 1×15×28. 5
25. 4X15×29. 4
25. 4×15× 30. 2
25.4×15×31.1
25. 1×15 ×32. 0
25. 4 X15× 32. 9
25. 4 X 15 X 33. 7
25.4X15X34.6
本标准由上海磁性材料二厂、广州万宝电器工业公司、北京电冰箱配件厂,湖北沙市电冰箱总厂、湖北沙市磁性材料厂、广东梅州市磁性材料厂负麦起草,本标雅主要起草人;馨国华朱瑾。
小提示:此标准内容仅展示完整标准里的部分截取内容,若需要完整标准请到上方自行免费下载完整标准文档。
家用电冰箱用门封磁条
1主题内容与适用范围
QB/T 1295—91
本标准规定了家用电冰箱用门封磁条(以下简称“磁条”)的产品分类、技术要求,试验方法、检验规厕、标志、包装、运输和延疗。本标推适用于家用电冰箱门封永磁铁氧体磁条。引用标准
GB 3217
水磁(硬磁)材料磁性能测试方法GR1040Www.bzxZ.net
塑料拉仰试验方法
GB 2411
G 1033
GB 2828
GB2829
3产品分类
塑料邵氏硬度试验方法
塑料比重试验方法
逐批检查计数捕样程序及拥样表周期检查计数抽样程序及抽样表S
用阿拉伯数字表示截面的宽度
一用阿拉伯数字表示截面的长度以塑料和磁条的第一个汉语拼音字母素尔磁条在设计文件中的填写示例:Sc8×4表示截面长度为8mm,截而宽度为4mm的磁条。3.2截面形状及规格
3.2.1截而形状如图1所示
S,N表示充磁极面.无磁极面用条V槽表示。R1.C
图1磁条截面图
中华人民共和国轻工业部1991-10-17批准RO.2
1992-06-01实施
3.2.2规格见表 1.
4技术要求
4.1使用环境条件
环境温度:—25~=—55C
相对湿度:不人于5%;
大气压力:86~106 kPa。
4.2外观质量及尺寸偏
QB/1 1295 — 91
极限尺寸
4.2.1外观质量:磁条丧面应平直,光洁无裂痕.无泡4.2.2尺寸偏差:应符合3.2.2条要求。4.3磁学性能
4.3.1吸著重量
按5.2、1条方法试验,要求见表 2。表2
4.3.2磁性能
规格+mm
9. t×2. 0
10. 0 X2. 0
9. 5×2. 5
9. 0× 3. 0
吸着重量·g/cm\
按 5.2.2方法试验,要求见表 3,序
4.4理化性能
4.4. 1 拉伸强度
剩余磁感应强度 B,,m T
矫顽H,,kA/m1
最大磁能积(BI)mx+ki/m
按5.3.1方法试验,拉伸强度不小于264N/心mB
规格m
10. 0x3. 0
8.0×4. 0
9. 5×4. 5
极限尺寸
吸着重量+g/cm
com4. 4.2断裂伸长率(延伸率)
QB/T 1295 — 91
按5.3,2方法诚验,断裂伸长率不小于30%。4.4.3硬度
按 5. 3.3方法试验,硬度不人于 98 HS(A)4.4.4比重
按5.3.4方法试验,要求3.6±0.24.4.5绕曲持性
接5.3.5方法试验,不允许有裂缝,要求见表4。表4
4.4.6扭转特性
9. 0×2. 0
10, 0×2. 0
9. 5×2. 5
按5.3.6方法试验,不允许有裂缝,4.5高温老化性能
4.5. 1 拉伸强度
绕曲性
按 5. 4. 1方法试验,伸强度不小于原来值的90%。4.5.2断裂件长率
按5.4.2方法试验.断裂仲长率不小十原来值的80%,4.5. 3硬度
按 5.4. 3方法试验.硬度不大原来值的 105不。5试验方法
5.1型式试验室条件及测量仪器要求a试验室温度:205℃;
b.试验室相对滤度:(70士10)%:规
10.0×3.0
测量仪器要求,量具精度不低于0.02 mm;高温箱恒温精度不低于士3℃。5.2磁学性能试验
5.2.1吸着重量试验
缆曲特性
吸着标准样块材料牌号为DT4,面积为25.4mm×15mm,高度依照样块的自重不同可任意调节,详见附录A(补充件)。件微测磁条吸附面粘合:块厚(.350.05mm的非导磁材料,样块外表面镀锌;
b.被测磁条的长度为 60 mm:
C.将标准祥块放置于不受磁场影响的工作台上,被测磁茶沿样块的长度方向均勾地使其吸合居,用手轻提磁条的两端,每吸三次中,有二次样块离开工.作台10 mm间隔即判合格,5.2.2磁性能试验
按GB3217测量
5.3理化性能试验
5. 3. 1 拉伸强度
按GB1040测量。
m5.3.2断裂伸长率(延怖率)
按GB1040测量
5.3.3硬度
按GB 2411 測量,
5.3.4比重
按GB1033测量,
5.3.5绕曲特性
QB/T 1295 --- 91
5.3.5.1绕曲测试棒用H62材料制作,尺寸见图2,5.3.5.2截取长度为259mm的磁条。5.3.5.3将磁条的两端及中间沿充磁面贴在规定的测试棒段卷绕圆坏一圈,然后用肉眼观察被测磁条有无裂缝。
5. 3.6扔转特性
截取250mtm长的磁条,用于掉住磁条两端扭转180°,用肉眼观察有无裂,5.4高温老化性能试验
5.4.1拉伸强度
将标准试样放置120℃的高温箱内,保持6h取出,待恢复1h后按GB104测量。5.4.2断裂此长率
将标准试样放置120的高温箱内.保持6 h取出,待恢复1h后按GB1010测量。5.4.3硬度
将标准试祥放置120C的高漏箱内.保持6h取出,待恢复1h后.按GB2411测显。6检验规则
6.下磁条的检验分出!检验和型式检验,以每一米长磁条作为单位产品6.2出厂检验
6.2.1出产捡验出生产厂检验部门对产品逃行检查。6.2.2出厂检验的抽样方案应符合GH2828中的规定,采用止常二次拉样方案,6. 2. 3 出厂检验方案见表 5
吸若重量
绕特性
扭转桦性
益际希条款
缺陷分类
捡弯水平
6.3型式检验
式捡验在认下情况下进行。
正常生产时,每年进行一次;
生产定型鉴定时;
OB/T 1295 - 91
当.艺、材料变动或连续停产半年以上嵌复牛产时:国家质量监督机关提出要求时。型式检验由检验部门按照GB 2829中规定逊行。采用二次抽样为案,判别水平I型式检验方案见表5,
检验项目
磁性能
理化性能
高温老化
余磁感应强度 B.
矫顽力
磁能积(BH)m
拉伸强度
断樱伸长率
拉讲长度
断裂伸长率
标志.包装.运输、贮存
7.1标志
本标准条款
梯本大小
7.1.包装表面标明产品名称、规格、数量、质垫,制造厂及出厂日期。7.1.2拓箱产品内放入合格证·-张。7.2包装
7.2.1、经检验合格的产品用硬质材料作为外包装。7.2.2内包装用察薄膜,每层用衬垫将产品隔开。7.3运输
这品可用各种运输工具,性应避免直接叫光嚏晒和雨雪侵袭。7.4存
判别水平
13~~-40℃,根对湿度不大丁80%.周用环境应无酸、碱性及其它有害物包装后的产品应贮存在
质的库房内。
标理块吸重,g/cm
附加说明:
标准块自重:8
QB/T 1295 -- 91
附录A
标准块自重及尺寸数
(补充件)
标推块体积,nm标雅吸重,g/em25. 4 X 15 × 17. 6
25. 4X15X18. 4
25. 4×15×19. 2
25. =× 15X20. 1
25. 4×15 X 20. 4
25, 4X15× 21. 8
25. 4 ×15× 32. 6
25, 4X15×23. 5
25.4X15×24.3
25. 4 ×1× 215. 2
25. 4X15× 26.
本标准由轻工业部质量标准司提出本标准市全国家用电器标滩化中心归HT。31
标准块自
标准块体识,mm
25. 4X15 X 26. 9
25. 4× 15X27. ?
25. 1×15×28. 5
25. 4X15×29. 4
25. 4×15× 30. 2
25.4×15×31.1
25. 1×15 ×32. 0
25. 4 X15× 32. 9
25. 4 X 15 X 33. 7
25.4X15X34.6
本标准由上海磁性材料二厂、广州万宝电器工业公司、北京电冰箱配件厂,湖北沙市电冰箱总厂、湖北沙市磁性材料厂、广东梅州市磁性材料厂负麦起草,本标雅主要起草人;馨国华朱瑾。
小提示:此标准内容仅展示完整标准里的部分截取内容,若需要完整标准请到上方自行免费下载完整标准文档。
标准图片预览:





- 其它标准
- 热门标准
- 轻工行业标准(QB)
- QB/T5302-2018 生活用干纸巾流延聚乙烯(CPE) 包装膜
- QB/T1334-2013 水嘴通用技术条件
- QB/T2609-2003 工业缝纫机漏油的测试方法 第1部分:平缝纫机漏油的测试方法
- QB/T2049.5-1994 电光源玻壳K型玻壳尺寸系列
- QB1872-1993 服装用皮革
- QB/T2858-2007 学生书袋
- QB/T2816-2006 工业用缝纫机单(双)针下送料立柱式平缝机机头
- QB/T5302-2018 生活用干纸巾流延聚乙烯(CPE) 包装膜
- QB/T4702-2014 稀土厚膜电路电热元件
- QB/T2494-2000 双面胶带原纸
- QB/T2530-2001 木制柜
- QB/T1683-1993 铝硅镁质匣钵
- QB/T2157-1995 制革用揩光浆、颜料膏测试方法
- QB/T4916-2016 伊代欣糖(浆)
- QB/T2384-1998 木制写字桌
- 行业新闻
请牢记:“bzxz.net”即是“标准下载”四个汉字汉语拼音首字母与国际顶级域名“.net”的组合。 ©2025 标准下载网 www.bzxz.net 本站邮件:bzxznet@163.com
网站备案号:湘ICP备2025141790号-2
网站备案号:湘ICP备2025141790号-2