- 您的位置:
- 标准下载网 >>
- 标准分类 >>
- 轻工行业标准(QB) >>
- QB/T 2096.1-1995 桌虎钳通用技术条件
标准号:
QB/T 2096.1-1995
标准名称:
桌虎钳通用技术条件
标准类别:
轻工行业标准(QB)
标准状态:
现行-
发布日期:
1995-05-08 -
实施日期:
1996-01-01 出版语种:
简体中文下载格式:
.rar.pdf下载大小:
79.67 KB
替代情况:
GB 5036-1985
点击下载
标准简介:
标准下载解压密码:www.bzxz.net
本标准规定了桌虎钳的命名、术语、技术要求、试验方法和检验规则。本标准适用于夹持小型工件的桌虎钳。 QB/T 2096.1-1995 桌虎钳通用技术条件 QB/T2096.1-1995
部分标准内容:
中华人民共和国轻工行业标准
桌虎钳
主题内容与适用范围
通用技术条件
本标准规定了桌虎钳的命名、术语、技术要求、试验方法和检验规则。本标准适用于夹持小型工件的桌虎钳。2引用标准
GB/T230金属洛氏硬度试验法
GB/T2828逐批检查计数抽样程序及抽样表(适用于连续批的检查)3命名
桌虎钳的命名见表1。
熏尾桌虎钳
方孔桌虎钳
中国轻工总会1995-05-08批准
QB/T2096.1--1995
1996-01-01实施
4术语
导杆桌虎钳
轻质桌虎钳
多用桌虎钳
4.1规格specification
桌虎钳的钳口宽度。
4.2空程转动量backiash
QB/T2096.1-.1995bzxZ.net
续表1
为消除活动钳体移动时的传递间隙,螺杆所转过的角度。4.3闭合间隙closing clearance228
QB/T2096.1—1995
桌虎钳在闭合状态下,两钳口夹持面间的间隙。4.4导轨配合间隙gaide fit clearance活动钳体与固定钳体导轨间的间隙。4.5 夹紧力 clamping force
在桌虎钳夹紧时,两钳口夹持面间的作用力。4.6紧固范围tighting range
紧固螺钉夹持工作台板厚度的范围。5技术要求
5.1桌虎钳的铸件应平整,不得有裂纹,外露表面不应有气孔、砂眼、锈斑等缺陷。5.2桌虎钳的漆膜不应有明显的流痕、漏漆及色泽不同等缺陷。5.3钳口铁硬度应不低于HRC45。5.4回转式桌虎钳应转动灵活、锁紧可靠。5.5活动钳体在全行程内应移动灵活,不应有局部过紧现象。5.6桌虎钳应能可靠地紧固于工作台上。5.7桌虎钳的基本尺寸、空程转动量、闭合间隙、导轨配合间隙和央紧力均应符合相应产品标准的规定。
6试验方法
6.1桌虎钳的基本尺寸用通用量具检验。6.2桌虎钳的外观质量用目测检验。6.3钳口铁的硬度试验按GB/T230的规定,在夹持面或相邻侧面上进行,在试验中如出现软点,可在软点周围约5mm的范围内复测一点,该点合格即为合格。6.4桌虎钳的灵活性和紧固可靠性用手感检验。6.5桌虎钳的空程转动量用专用检具检验。6.6钳口闭合间隙应从顶端用塞尺检验。6.7导轨配合间隙用塞尺检验,如受结构限制,不能用塞尺检验时,则允许用通用量具测量导轨配合尺寸,其最大差值即为导轨配合间隙。6.8夹紧力试验应将桌虎钳紧固在检验台上,并将钳口张开,然后把夹紧力测试仪置于钳口夹持面的中间位置并夹紧,当夹紧力达到额定值时,保持3min,卸载后,桌虎钳不应有影响使用的变形。7检验规则
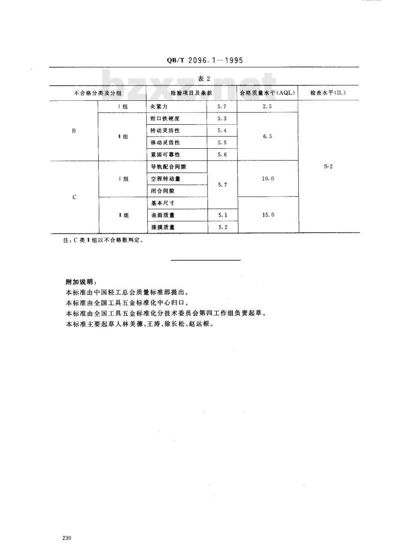
7.1桌虎钳应经检验后,方可出厂,并附有产品合格证。7.2收货方可按本标推的规定对产品进行抽样。7.3出厂检验以交货批作为检验批。7.4出厂检验按GB/T2828中规定的-一次抽样方案逐项进行。7.5出厂检验的不合格分类及分组、检验项目及条款、合格质量水平(AQL)、检查水平(IL)按表2的规定。
7.6对检验中发现的不合格品,制造广应予以调换。7、7经检验的拒收批可由制造厂重新挑选或整修后,再提交验收。7.8在连续批的检验中应采用GB/T2828中规定的转移规则。229
不合格分类及分组
注;C类I组以不合格数判定。
附加说明:
QB/T2096.1—1995
检验项目及条款
夹紧力
钳口铁硬度
转动灵活性
移动灵活性
紧固可靠性
导轨配合间隙
空程转动量
闭合间隙
基本尺寸
表面质量
漆膜质量
本标准由中国轻工总会质量标准部提出。本标准由全国工具五金标准化中心归口。5.7
合格质量水平(AQL)
本标准由全国工具五金标准化分技术委员会第四工作组负责起草。本标准主要起草人林美德、王涛、徐长松、赵运根。230
检查水平(IL)
小提示:此标准内容仅展示完整标准里的部分截取内容,若需要完整标准请到上方自行免费下载完整标准文档。
桌虎钳
主题内容与适用范围
通用技术条件
本标准规定了桌虎钳的命名、术语、技术要求、试验方法和检验规则。本标准适用于夹持小型工件的桌虎钳。2引用标准
GB/T230金属洛氏硬度试验法
GB/T2828逐批检查计数抽样程序及抽样表(适用于连续批的检查)3命名
桌虎钳的命名见表1。
熏尾桌虎钳
方孔桌虎钳
中国轻工总会1995-05-08批准
QB/T2096.1--1995
1996-01-01实施
4术语
导杆桌虎钳
轻质桌虎钳
多用桌虎钳
4.1规格specification
桌虎钳的钳口宽度。
4.2空程转动量backiash
QB/T2096.1-.1995bzxZ.net
续表1
为消除活动钳体移动时的传递间隙,螺杆所转过的角度。4.3闭合间隙closing clearance228
QB/T2096.1—1995
桌虎钳在闭合状态下,两钳口夹持面间的间隙。4.4导轨配合间隙gaide fit clearance活动钳体与固定钳体导轨间的间隙。4.5 夹紧力 clamping force
在桌虎钳夹紧时,两钳口夹持面间的作用力。4.6紧固范围tighting range
紧固螺钉夹持工作台板厚度的范围。5技术要求
5.1桌虎钳的铸件应平整,不得有裂纹,外露表面不应有气孔、砂眼、锈斑等缺陷。5.2桌虎钳的漆膜不应有明显的流痕、漏漆及色泽不同等缺陷。5.3钳口铁硬度应不低于HRC45。5.4回转式桌虎钳应转动灵活、锁紧可靠。5.5活动钳体在全行程内应移动灵活,不应有局部过紧现象。5.6桌虎钳应能可靠地紧固于工作台上。5.7桌虎钳的基本尺寸、空程转动量、闭合间隙、导轨配合间隙和央紧力均应符合相应产品标准的规定。
6试验方法
6.1桌虎钳的基本尺寸用通用量具检验。6.2桌虎钳的外观质量用目测检验。6.3钳口铁的硬度试验按GB/T230的规定,在夹持面或相邻侧面上进行,在试验中如出现软点,可在软点周围约5mm的范围内复测一点,该点合格即为合格。6.4桌虎钳的灵活性和紧固可靠性用手感检验。6.5桌虎钳的空程转动量用专用检具检验。6.6钳口闭合间隙应从顶端用塞尺检验。6.7导轨配合间隙用塞尺检验,如受结构限制,不能用塞尺检验时,则允许用通用量具测量导轨配合尺寸,其最大差值即为导轨配合间隙。6.8夹紧力试验应将桌虎钳紧固在检验台上,并将钳口张开,然后把夹紧力测试仪置于钳口夹持面的中间位置并夹紧,当夹紧力达到额定值时,保持3min,卸载后,桌虎钳不应有影响使用的变形。7检验规则
7.1桌虎钳应经检验后,方可出厂,并附有产品合格证。7.2收货方可按本标推的规定对产品进行抽样。7.3出厂检验以交货批作为检验批。7.4出厂检验按GB/T2828中规定的-一次抽样方案逐项进行。7.5出厂检验的不合格分类及分组、检验项目及条款、合格质量水平(AQL)、检查水平(IL)按表2的规定。
7.6对检验中发现的不合格品,制造广应予以调换。7、7经检验的拒收批可由制造厂重新挑选或整修后,再提交验收。7.8在连续批的检验中应采用GB/T2828中规定的转移规则。229
不合格分类及分组
注;C类I组以不合格数判定。
附加说明:
QB/T2096.1—1995
检验项目及条款
夹紧力
钳口铁硬度
转动灵活性
移动灵活性
紧固可靠性
导轨配合间隙
空程转动量
闭合间隙
基本尺寸
表面质量
漆膜质量
本标准由中国轻工总会质量标准部提出。本标准由全国工具五金标准化中心归口。5.7
合格质量水平(AQL)
本标准由全国工具五金标准化分技术委员会第四工作组负责起草。本标准主要起草人林美德、王涛、徐长松、赵运根。230
检查水平(IL)
小提示:此标准内容仅展示完整标准里的部分截取内容,若需要完整标准请到上方自行免费下载完整标准文档。
标准图片预览:




- 其它标准
- 热门标准
- 轻工行业标准(QB)
- QB/T5247-2018 箱包配件塑料插扣耐 用性能试验方法
- QB/T2856-2007 毛革服装
- QB/T2161-1995 儿童推车整车通用技术条件
- QB/T2425-1998 封箱用再湿性牛皮纸胶粘带
- QB/T3520-1999 500kV油纸套管绝缘纸
- QB2584-2003 蒸汽淋浴房
- QB/T1439-2005 帐册
- QB/T1584-2005 日用皮手套
- QB/T1756-1993 造纸机械湍流式中浓度浆泵
- QB/T1782-1993 苯乙醇
- QB/T1664-1998 纸板戳穿强度测定仪
- QB/T1702.2-1993 括板升运机
- QB/T2501-2000 重力式自动装料衡器
- QB/T3510-1999 Y311条粗条干仪用记录纸
- QB/T3607-1999 油浸鲅鱼罐头
- 行业新闻
请牢记:“bzxz.net”即是“标准下载”四个汉字汉语拼音首字母与国际顶级域名“.net”的组合。 ©2025 标准下载网 www.bzxz.net 本站邮件:bzxznet@163.com
网站备案号:湘ICP备2025141790号-2
网站备案号:湘ICP备2025141790号-2