- 您的位置:
- 标准下载网 >>
- 标准分类 >>
- 轻工行业标准(QB) >>
- QB/T 2094.4-1995 木工绕锯条
标准号:
QB/T 2094.4-1995
标准名称:
木工绕锯条
标准类别:
轻工行业标准(QB)
标准状态:
现行-
发布日期:
1995-05-08 -
实施日期:
1996-01-01 出版语种:
简体中文下载格式:
.rar.pdf下载大小:
75.58 KB
中标分类号:
机械>>通用加工机械与设备>>J65木工机床及机用工具
替代情况:
SG 241-1981
点击下载
标准简介:
标准下载解压密码:www.bzxz.net
本标准规定了木工绕锯条的产品分类、技术要求、试验方法、检验规则和标志、包装、运输、贮存。本标准适用于在木材上锯切曲线的木工绕锯条(以下简称“锯条”)。 QB/T 2094.4-1995 木工绕锯条 QB/T2094.4-1995
部分标准内容:
中华人民共和国轻工行业标准
木工绕锯条
1主题内容与适用范围
QB/T2094.4—1995
本标准规定了木工绕锯条的产品分类、技术要求、试验方法、检验规则和标志、包装、运输、贮存。本标准适用于在木材上锯切曲线的木工绕锯条(以下简称“锯条”)。2引用标准
GB/T2828逐批检查计数抽样程序及抽样表(适用于连续批的检查)GB/T 3525弹簧钢、工具钢冷轧钢带GB/T4340金属维氏硬度试验方法GB/T5305手工具包装、标志、运输与贮存3产品分类
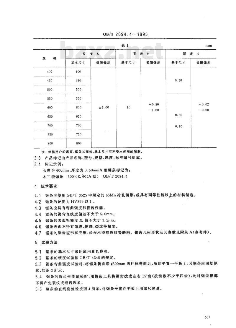
3.1锯条按形状分为A型、B型两种,如图1、图2所示。3.2锯条的基本尺寸如表1所示。Hs
2—04g:5bzxZ.net
图1A型
中国轻工总会1995-05-08批准
图2B型
2 4 +9- 5
1996-01-01实施
长度L
基本尺寸
QB/T 2094.4-1995
宽度b
极限偏差
基本尺寸
注:根据用户的需要,锯条其规格、基本尺寸可不受本标准的限制。3.3产品标记由产品名称、型号、规格、厚度、标准编号组成。3.4标记示例:
长度为600mm、厚度为0.60mmA型锯条标记为:木T绕锯条600X0.60(A型)QB/T2094.44技术要求
极限偏差
基本尺寸
锯条应使用GB/T3525中规定的65Mn冷轧钢带,或具有同等性能以上的材料制造。4.1
4.2锯条的硬度为HV399以上。
4.3锯条应具有弯曲强度和拨齿性能。4.4锯条的锯背直线度偏差不大于5.0mm。4.5锯条的表面粗糙度R.值不大于3.2um。4.6锯条表面不得有黑斑、锈斑、裂纹等缺陷。mm
极限偏差
4.7锯条的锯齿应形状完整,齿根不得有裂纹等缺陷。锯齿几何形状及其参数见附录A(参考件)。5试验方法
5.1锯条的基本尺寸采用通用量具检验。5.2锯条的硬度试验按GB/T4340的规定。5.3锯条弯曲强度试验时,将锯条侧面沿$300mm圆柱体弯曲后,随即平置一平板上,其锯条应回复原状,如图3所示。
5.4锯条的拨齿性能试验时,用拨齿工具将锯齿拨成左右15°角(拨齿数不少于四齿),此时锯齿根部不得产生裂纹或断齿现象。
5.5锯条的直线度检验按图4所示,将锯条平置在平板上用塞尺测量。531
QB/T 2094.4--1995
5.6锯条的表面粗糙度测试采用相应粗糙度样块比较。5.7锯条的表面质量、锯齿质量采用目测检验。6检验规则
6.1锯条须经检验合格后并附有产品合格证后方能出厂。6.2每批锯条须按GB/T2828的规定采用一次抽样方案。锯条
300圆柱体
6.3锯条的不合格分类、检验项目、合格质量水平(AQL)(每百单位产品不合格品数)、检查水平(I.)按表2的规定。
不合格分类及分组
7标志、包装、运输、贬存
检验项目
弯曲强度
投齿性能
直线度偏差
表面粗糙度
锯齿质量
表面质量
基本尺寸
锯条的标志、包装、运输与贮存应符合GB/T5305的规定。532
QB/T2094.4--1995
附录A
木工绕锯条锯齿几何形状及其参数(参考件)
锯齿形状如图A1,参数如表A1。图Al
齿距t,mm
齿楔角β,()
齿槽半径R,mm
附加说明:
本标准由中国轻工总会质量标准部提出。本标准由全国工具五金标准化中心归口。2.5,3.0,4.0
本标准由上海市工具工业研究所、上海锯条总厂、太行锯条厂、博罗锯条厂负责起草。本标准主要起草人程永丰、毕建宏、杨士襄、叶祥华。自本标准实施之日起,原轻工业部部标准SG241-—1981《木工绕锯条》作废。533
小提示:此标准内容仅展示完整标准里的部分截取内容,若需要完整标准请到上方自行免费下载完整标准文档。
木工绕锯条
1主题内容与适用范围
QB/T2094.4—1995
本标准规定了木工绕锯条的产品分类、技术要求、试验方法、检验规则和标志、包装、运输、贮存。本标准适用于在木材上锯切曲线的木工绕锯条(以下简称“锯条”)。2引用标准
GB/T2828逐批检查计数抽样程序及抽样表(适用于连续批的检查)GB/T 3525弹簧钢、工具钢冷轧钢带GB/T4340金属维氏硬度试验方法GB/T5305手工具包装、标志、运输与贮存3产品分类
3.1锯条按形状分为A型、B型两种,如图1、图2所示。3.2锯条的基本尺寸如表1所示。Hs
2—04g:5bzxZ.net
图1A型
中国轻工总会1995-05-08批准
图2B型
2 4 +9- 5
1996-01-01实施
长度L
基本尺寸
QB/T 2094.4-1995
宽度b
极限偏差
基本尺寸
注:根据用户的需要,锯条其规格、基本尺寸可不受本标准的限制。3.3产品标记由产品名称、型号、规格、厚度、标准编号组成。3.4标记示例:
长度为600mm、厚度为0.60mmA型锯条标记为:木T绕锯条600X0.60(A型)QB/T2094.44技术要求
极限偏差
基本尺寸
锯条应使用GB/T3525中规定的65Mn冷轧钢带,或具有同等性能以上的材料制造。4.1
4.2锯条的硬度为HV399以上。
4.3锯条应具有弯曲强度和拨齿性能。4.4锯条的锯背直线度偏差不大于5.0mm。4.5锯条的表面粗糙度R.值不大于3.2um。4.6锯条表面不得有黑斑、锈斑、裂纹等缺陷。mm
极限偏差
4.7锯条的锯齿应形状完整,齿根不得有裂纹等缺陷。锯齿几何形状及其参数见附录A(参考件)。5试验方法
5.1锯条的基本尺寸采用通用量具检验。5.2锯条的硬度试验按GB/T4340的规定。5.3锯条弯曲强度试验时,将锯条侧面沿$300mm圆柱体弯曲后,随即平置一平板上,其锯条应回复原状,如图3所示。
5.4锯条的拨齿性能试验时,用拨齿工具将锯齿拨成左右15°角(拨齿数不少于四齿),此时锯齿根部不得产生裂纹或断齿现象。
5.5锯条的直线度检验按图4所示,将锯条平置在平板上用塞尺测量。531
QB/T 2094.4--1995
5.6锯条的表面粗糙度测试采用相应粗糙度样块比较。5.7锯条的表面质量、锯齿质量采用目测检验。6检验规则
6.1锯条须经检验合格后并附有产品合格证后方能出厂。6.2每批锯条须按GB/T2828的规定采用一次抽样方案。锯条
300圆柱体
6.3锯条的不合格分类、检验项目、合格质量水平(AQL)(每百单位产品不合格品数)、检查水平(I.)按表2的规定。
不合格分类及分组
7标志、包装、运输、贬存
检验项目
弯曲强度
投齿性能
直线度偏差
表面粗糙度
锯齿质量
表面质量
基本尺寸
锯条的标志、包装、运输与贮存应符合GB/T5305的规定。532
QB/T2094.4--1995
附录A
木工绕锯条锯齿几何形状及其参数(参考件)
锯齿形状如图A1,参数如表A1。图Al
齿距t,mm
齿楔角β,()
齿槽半径R,mm
附加说明:
本标准由中国轻工总会质量标准部提出。本标准由全国工具五金标准化中心归口。2.5,3.0,4.0
本标准由上海市工具工业研究所、上海锯条总厂、太行锯条厂、博罗锯条厂负责起草。本标准主要起草人程永丰、毕建宏、杨士襄、叶祥华。自本标准实施之日起,原轻工业部部标准SG241-—1981《木工绕锯条》作废。533
小提示:此标准内容仅展示完整标准里的部分截取内容,若需要完整标准请到上方自行免费下载完整标准文档。
标准图片预览:




- 其它标准
- 热门标准
- 轻工行业标准(QB)
- QB/T5247-2018 箱包配件塑料插扣耐 用性能试验方法
- QB/T2856-2007 毛革服装
- QB/T2161-1995 儿童推车整车通用技术条件
- QB/T2425-1998 封箱用再湿性牛皮纸胶粘带
- QB/T3520-1999 500kV油纸套管绝缘纸
- QB2584-2003 蒸汽淋浴房
- QB/T1439-2005 帐册
- QB/T1584-2005 日用皮手套
- QB/T1756-1993 造纸机械湍流式中浓度浆泵
- QB/T1782-1993 苯乙醇
- QB/T1664-1998 纸板戳穿强度测定仪
- QB/T1702.2-1993 括板升运机
- QB/T2501-2000 重力式自动装料衡器
- QB/T3510-1999 Y311条粗条干仪用记录纸
- QB/T3607-1999 油浸鲅鱼罐头
- 行业新闻
请牢记:“bzxz.net”即是“标准下载”四个汉字汉语拼音首字母与国际顶级域名“.net”的组合。 ©2025 标准下载网 www.bzxz.net 本站邮件:bzxznet@163.com
网站备案号:湘ICP备2025141790号-2
网站备案号:湘ICP备2025141790号-2