- 您的位置:
- 标准下载网 >>
- 标准分类 >>
- 轻工行业标准(QB) >>
- QB/T 1246-1991 电池铁壳成型机
标准号:
QB/T 1246-1991
标准名称:
电池铁壳成型机
标准类别:
轻工行业标准(QB)
标准状态:
现行-
实施日期:
1992-04-01 出版语种:
简体中文下载格式:
.rar.pdf下载大小:
284.96 KB
中标分类号:
电工>>电工生产设备>>K95电光源与灯具生产设备
部分标准内容:
中华人民共和国行业标准
电池铁壳成型机
1主题内容与适用范围wwW.bzxz.Net
QB/T 1246—91
本标难规定了电池铁克成型机(以下简称战机)的型号、基本参数、技术要求、试验方法及检验规测等要求,
本标准适用于加工池外壳的成型机。2引用标准
GH191包装储运图示标.5
GB2520电镀锡薄钢板利1钢带
GB5226机床电气设备通用技术条件GR7112R20、R14.R6型锌-锰T电池JB8产品标牌
QB842.1~842.8轻于机械衡器通用技术条件Z13]50004金属切削机床噪山声压级的测延ZBA82001,包装装潢马口铁印删品3产品型号与基本参数
3.1产品型号
3.1.1品型号表示方法
改进设计代号
电池规格代号
设备成型机代号
包装设备代号
电池专业代号
,型号中的代含义
池专业代号以大写没语拼音字持儿表示;包装设备代号以大写汉语拼音字母已表示;设备成型机代号以阿拉伯数字3表示:电池规格代号应符合GH7112规定(见表1)成型机改进设计代号以大写汉语排音字母 A,R,C、T)等表示。中华人民共和国轻工业部1991-09-10批准1992-04-01实筛
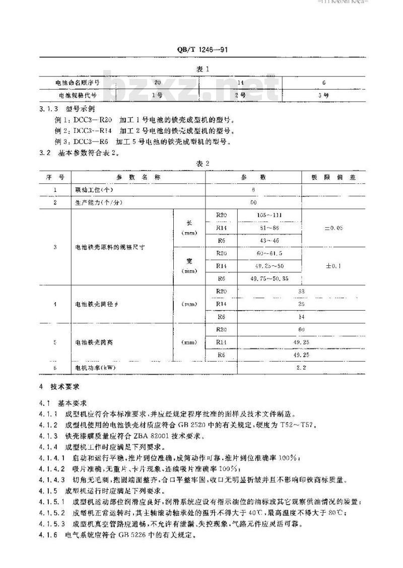
电池命名顾予号
电池规格代号
3. 1. 3.型号示例
例1:DCC3—R20
例 2: ICC3--RF4
QB/T 1246--91
加工1号电池的铁壳成型机的型号。期工2号电池的铁壳成型机的型号。例 3:DCC3—R6
加工5号电池的铁壳成型机的型号。3.2基本参数符合表2.
联动工位(个)
参数名称
生产能力(个/分)
电池铁壳原料的规尺寸
电池铁简径中
电池铁壳简商
电机功率(kw)
技术要求
4.1基本要求
105~-131
$1-~86
43·46
49. 75-50. 35
TKAONTKACa
极限偏
4.1. 1成型机应符合本标准要求,并应经规定强序批准的图样及技术文件制造。成型机使用的电池铁壳材质应符合GB 2520 中的有关规定,避度为 T52~T57。4. 1.2
4.1.3铁壳漆膜质量应符合ZBA82001技术要求。或型机上作时应满足下列要求。4.1.4
4.1.4.1启动和运行平稳,推片到位准确,成简动作可靠,推片到位准确率1.00%;吸片准确,无重片、卡片现象,连续吸片准确率100以,4.1.4.2
4. 1. 4. 3
切角无毛刺,抱阈端面整齐,合口平整牢固,收口光明显折皱并且不影响印铁商标质量,成型机运行时应满足下列要求。4. 1.5
4. 1. 5. 1
成型机运动部位润滑应良好,润滑系统应设有指示独位的油标或其它观察供油情说的装置;放型桃正常运转时,其主轴滚动轴承处的温升不得大于40,最高温度不得大于8C;4. 1, 5.2
成型机真空管路应通畅,不允许有泄、失控现象,气路元件应灵活可靠。4. 1. 5. 3
4.1.6电气系统应符合GB5226中的有义规定。QB/T 1246—91
也气线璐编号应完整,接线证确,接线头要连接牢固,布线排列整齐,安全保护措施可靠;开。
打开电拒必须用钥匙:
急停器件必须装在操作者7作岗位上便于操作地方,并应符合行H5256中5.6.1条的规定:d.
电气系统必筑有过流过载保护装置;失压保护应符合GB5226中5.4条的规定:t
电气设备和成型机的所有裸露导体零件,必领接到保护接地专用端子上;f.
电气系统灵敏,可靠、稳定、操纵时使用的各开关按钮不得有失控现象,4. 1.7 安全卫牛
成型机上不应有妨碍或损伤人身利机器的部位,疑转运动部位应有安会保护装置并有旋转4. 1. 7. 1
方问指求标牌:
4.1.7.2成型机翘接的动力电路与保护电路(包括机座)导线之间的绝缘电阻不得小于1M:4.1.7.3电气、电柜壁毫励有安全指示标牌,所有电源端广必须有明显的标志符合有关端了标记的国蒙标雅:
4.1.7.4成型机运转时不成有异常的振动和杂商.正常运转时的噪声声压级不得超过83 dB(A),4.1.8寿命
成型机投人运行后在两班T作制和遵守使用规则的条件下节饮大修周期为7500h.使用寿命不少于10年
4.1.9成型机的T作精度
a推杆董复到位精度允差0.20mm往复六次最大差值):h.改1[内外模间度允差如.10 1mm(在上作位置时)。5零件加工质量要求
5.1铸件应符合QB812.2中的规定.铸件上的浇口、冒口、飞过、粘砂等清铲平整,铸作外表面及不加工的内表面应清望干静,不得有图样末规是的缺陷。5.2铸件应符合QB842.3中的规定-锻件不应有火层、折叠、裂纹、锻伤、来湾等缺陷5.3焊接竹魔符合Q842.4中的规定,焊链应套有均勾的鳞状波纹表用,并在焊缝的企长上保持-致,不成有咬肉.烧穿、裂纹、焊缝间断、气扎未焊透等缺陷。5.4机械期件应符含Q842.5中的规定·加1表面不充有损切零件表面降低零件强度、寿命克函样未规定的缺陷。
5.5外购件外协作应附有合格证并经!检验部门验收合格序方可便用6装配质量要求
6.1装配质量应符合QB812.6中的规定.所有零部件需经检验台格并着重检查主要配合尺寸,确认无误后方可进行装配。
6.2零件的配合表证及摩擦表面不允许有损伤、装配时应清洗干净,并涂以消洁的润滑脂。6.3成型机上的滑动,转动部位运转应轻使.灵活,平稳,不得有松紧不匀及卡阻现象7外观质量
7.1成型上的零部件不应有锈蚀、磕碰及其它影响外观质量的机械损伤。7.2戒型机表面不筐有图样未规的尚起,凹陷缺陷.部件结合边沿应整齐勾称,不应有明的错位H错位量不得超过2ritn.非机械邮T表面的危部凹瀚或点起作任意600mm长度不得大于3mm7.3发黑、发髓及也镀件的外露表面做一-致、光清、无缺陷。7.4油漆质量应符合QB842.7中的规定、外观油漆必须均、完整、颜色致.不得粗糙不平.更不得有漏漆、错漆或色彩不一致等现象。QB/T 1246-91
7.5不涂油漆的机加工面应涂以防锈脂,以防在运输或存效时锈蚀,8试验方法
8. 1 空运转试验
TKAONTKAca
8.1.1空运转试验前应先用于转动或用点动方式启动-使机器缓慢地运转个工作尚期,确认无期碍时才能进行空遥转试验:
8.1.2空车运行不少于2 h,当主轴滚动轴承达到稳定温度后,用点计测量主要传动部位滚动轴承处的温度和温升,应符合本标推4.1.5.2的规定:8.1.3绝缘试验
短接的动力电路与保护电路(包括机座)导线之间的绝缘电阻用500V摇表测量,应按4.1.7.2的规定:
8. 1.4用目测检查电气系统,应符合本标准中 4.1. 6的规定;8.1.5用月测检查电气系统,应符合本标准中第7章的规定;8.1.6用手或测检验有关部位或整机安全、卫生应按4.1.7的规定。8.2实物而工试验
8.2.1实物加工试验必须在成型机空运转试验合格后进行:8.2. 2用于实物加工的片料必须符合本标准表 2 的规定;8.2. 3实物加.7试验时加 T件的实物数量应不少于 200 个,按 4. 1. 5 的规定,成品合格率不低于97%:
8.2.4绒型机生产能力.1.作性能、精度检验1.具与方法按衣3规定;表3
检测内容及要求
生产能力 60个/分
推片到位部1)为
计数检测
检测方法
推片到位准确
吸片无重片,卡片含格率10G%,连续吸片准确铁壳成型外观收口无明显折皱
实物运行检测
且不影响印铁商标
堆杆重复到仪精度(独复六次最:将辅助块鼠于推杆平并贴紧排料块推料端面,指示器皮定于
大差值)
推料肤
机身L,测头触改辅助块端面:
千动攀车往完六次,记录指示器显示数价
检测夜器
计时龄
印测许数
指示器辅
符合表 2 的规定
符合 4. 1. 4. 2 的规定
符合 4. 1. 4. 2 的规定
符合4.1.4.3的规定
符合 4.1. 9 a的规定
格测内容技要求
QB/T 1246--91
表3(完)
检测方法
收口内外模同轴度(在工作位告:将检验查孔与收口内模解配,并时检测>d0.1cmm
指示器
收口外模套
噪声声压级83rlMA>
将指示器置于收山外模座,将指
示器燃头与检验套外径接触,手
[攀车使检验套穿人收口外模
[淀」
左中“收口外模套”应
为“收口外模座\,
按 21) 50004 视定整测四个测量检测仪器
指示器协
验黛(专用
检贝)
点,即机)m,原地面1.2u取声级计其最大值
8.2,5寿命试验.必要时可在用产测取。9检验规则
9. 1 山厂检验
符合 4, 1. 9 b 的规定
符合 4. 1. 7. 4的规定
或型机出广前应由检验部门逃行捡验,检验项自不少于表3小规定,合格后方可出厂,应附有产站出厂合格证。
9.2 型式试验
9.2.1出现下例情况之-时,-·般应进行型式检验。新产品战老总战转厂生产的试制定型整定:h.
正式作产后,如结构,材料、艺有较大改变,可能影响产品性能时:止常生产时,定期或积累定产量后,底周期性进行·-欧检验:出厂检验结果与上饮型式检验有较大差是时。10标志,包装、运输、慰存
成型机F的标牌按JB8的规定,基本内容包抵:产品名称及产品型号:
产品主要参数:
出!蕴号与出」日期
d制造厂名称,
10.2包装
10.2.1成型机的包装、储运、图示标志接CB191的规定,并应符合QB842.8标准中的有关规定;10.3运输
在运输过程中,应避免与其它物伴碰撑和避免直接或间接的雨需淋袭,并应符合陆路、水路交通运输部门的有关规定。
成型机应嗽存在清洁通风·能防止雨,雪侵袋的地方,不得在阳光下长时间曝嗮。附加说明:
QB/T1246—91
本标准山全国轻工机械标准化技术委员会提出。本标准由全国轻丁机械标准化中心归门。本标准由天津市第三轻工机械厂负毒起草本标推主要起草人:七和平黄敬森耿兰州.
TiKAoNiiKAca
小提示:此标准内容仅展示完整标准里的部分截取内容,若需要完整标准请到上方自行免费下载完整标准文档。
电池铁壳成型机
1主题内容与适用范围wwW.bzxz.Net
QB/T 1246—91
本标难规定了电池铁克成型机(以下简称战机)的型号、基本参数、技术要求、试验方法及检验规测等要求,
本标准适用于加工池外壳的成型机。2引用标准
GH191包装储运图示标.5
GB2520电镀锡薄钢板利1钢带
GB5226机床电气设备通用技术条件GR7112R20、R14.R6型锌-锰T电池JB8产品标牌
QB842.1~842.8轻于机械衡器通用技术条件Z13]50004金属切削机床噪山声压级的测延ZBA82001,包装装潢马口铁印删品3产品型号与基本参数
3.1产品型号
3.1.1品型号表示方法
改进设计代号
电池规格代号
设备成型机代号
包装设备代号
电池专业代号
,型号中的代含义
池专业代号以大写没语拼音字持儿表示;包装设备代号以大写汉语拼音字母已表示;设备成型机代号以阿拉伯数字3表示:电池规格代号应符合GH7112规定(见表1)成型机改进设计代号以大写汉语排音字母 A,R,C、T)等表示。中华人民共和国轻工业部1991-09-10批准1992-04-01实筛
电池命名顾予号
电池规格代号
3. 1. 3.型号示例
例1:DCC3—R20
例 2: ICC3--RF4
QB/T 1246--91
加工1号电池的铁壳成型机的型号。期工2号电池的铁壳成型机的型号。例 3:DCC3—R6
加工5号电池的铁壳成型机的型号。3.2基本参数符合表2.
联动工位(个)
参数名称
生产能力(个/分)
电池铁壳原料的规尺寸
电池铁简径中
电池铁壳简商
电机功率(kw)
技术要求
4.1基本要求
105~-131
$1-~86
43·46
49. 75-50. 35
TKAONTKACa
极限偏
4.1. 1成型机应符合本标准要求,并应经规定强序批准的图样及技术文件制造。成型机使用的电池铁壳材质应符合GB 2520 中的有关规定,避度为 T52~T57。4. 1.2
4.1.3铁壳漆膜质量应符合ZBA82001技术要求。或型机上作时应满足下列要求。4.1.4
4.1.4.1启动和运行平稳,推片到位准确,成简动作可靠,推片到位准确率1.00%;吸片准确,无重片、卡片现象,连续吸片准确率100以,4.1.4.2
4. 1. 4. 3
切角无毛刺,抱阈端面整齐,合口平整牢固,收口光明显折皱并且不影响印铁商标质量,成型机运行时应满足下列要求。4. 1.5
4. 1. 5. 1
成型机运动部位润滑应良好,润滑系统应设有指示独位的油标或其它观察供油情说的装置;放型桃正常运转时,其主轴滚动轴承处的温升不得大于40,最高温度不得大于8C;4. 1, 5.2
成型机真空管路应通畅,不允许有泄、失控现象,气路元件应灵活可靠。4. 1. 5. 3
4.1.6电气系统应符合GB5226中的有义规定。QB/T 1246—91
也气线璐编号应完整,接线证确,接线头要连接牢固,布线排列整齐,安全保护措施可靠;开。
打开电拒必须用钥匙:
急停器件必须装在操作者7作岗位上便于操作地方,并应符合行H5256中5.6.1条的规定:d.
电气系统必筑有过流过载保护装置;失压保护应符合GB5226中5.4条的规定:t
电气设备和成型机的所有裸露导体零件,必领接到保护接地专用端子上;f.
电气系统灵敏,可靠、稳定、操纵时使用的各开关按钮不得有失控现象,4. 1.7 安全卫牛
成型机上不应有妨碍或损伤人身利机器的部位,疑转运动部位应有安会保护装置并有旋转4. 1. 7. 1
方问指求标牌:
4.1.7.2成型机翘接的动力电路与保护电路(包括机座)导线之间的绝缘电阻不得小于1M:4.1.7.3电气、电柜壁毫励有安全指示标牌,所有电源端广必须有明显的标志符合有关端了标记的国蒙标雅:
4.1.7.4成型机运转时不成有异常的振动和杂商.正常运转时的噪声声压级不得超过83 dB(A),4.1.8寿命
成型机投人运行后在两班T作制和遵守使用规则的条件下节饮大修周期为7500h.使用寿命不少于10年
4.1.9成型机的T作精度
a推杆董复到位精度允差0.20mm往复六次最大差值):h.改1[内外模间度允差如.10 1mm(在上作位置时)。5零件加工质量要求
5.1铸件应符合QB812.2中的规定.铸件上的浇口、冒口、飞过、粘砂等清铲平整,铸作外表面及不加工的内表面应清望干静,不得有图样末规是的缺陷。5.2铸件应符合QB842.3中的规定-锻件不应有火层、折叠、裂纹、锻伤、来湾等缺陷5.3焊接竹魔符合Q842.4中的规定,焊链应套有均勾的鳞状波纹表用,并在焊缝的企长上保持-致,不成有咬肉.烧穿、裂纹、焊缝间断、气扎未焊透等缺陷。5.4机械期件应符含Q842.5中的规定·加1表面不充有损切零件表面降低零件强度、寿命克函样未规定的缺陷。
5.5外购件外协作应附有合格证并经!检验部门验收合格序方可便用6装配质量要求
6.1装配质量应符合QB812.6中的规定.所有零部件需经检验台格并着重检查主要配合尺寸,确认无误后方可进行装配。
6.2零件的配合表证及摩擦表面不允许有损伤、装配时应清洗干净,并涂以消洁的润滑脂。6.3成型机上的滑动,转动部位运转应轻使.灵活,平稳,不得有松紧不匀及卡阻现象7外观质量
7.1成型上的零部件不应有锈蚀、磕碰及其它影响外观质量的机械损伤。7.2戒型机表面不筐有图样未规的尚起,凹陷缺陷.部件结合边沿应整齐勾称,不应有明的错位H错位量不得超过2ritn.非机械邮T表面的危部凹瀚或点起作任意600mm长度不得大于3mm7.3发黑、发髓及也镀件的外露表面做一-致、光清、无缺陷。7.4油漆质量应符合QB842.7中的规定、外观油漆必须均、完整、颜色致.不得粗糙不平.更不得有漏漆、错漆或色彩不一致等现象。QB/T 1246-91
7.5不涂油漆的机加工面应涂以防锈脂,以防在运输或存效时锈蚀,8试验方法
8. 1 空运转试验
TKAONTKAca
8.1.1空运转试验前应先用于转动或用点动方式启动-使机器缓慢地运转个工作尚期,确认无期碍时才能进行空遥转试验:
8.1.2空车运行不少于2 h,当主轴滚动轴承达到稳定温度后,用点计测量主要传动部位滚动轴承处的温度和温升,应符合本标推4.1.5.2的规定:8.1.3绝缘试验
短接的动力电路与保护电路(包括机座)导线之间的绝缘电阻用500V摇表测量,应按4.1.7.2的规定:
8. 1.4用目测检查电气系统,应符合本标准中 4.1. 6的规定;8.1.5用月测检查电气系统,应符合本标准中第7章的规定;8.1.6用手或测检验有关部位或整机安全、卫生应按4.1.7的规定。8.2实物而工试验
8.2.1实物加工试验必须在成型机空运转试验合格后进行:8.2. 2用于实物加工的片料必须符合本标准表 2 的规定;8.2. 3实物加.7试验时加 T件的实物数量应不少于 200 个,按 4. 1. 5 的规定,成品合格率不低于97%:
8.2.4绒型机生产能力.1.作性能、精度检验1.具与方法按衣3规定;表3
检测内容及要求
生产能力 60个/分
推片到位部1)为
计数检测
检测方法
推片到位准确
吸片无重片,卡片含格率10G%,连续吸片准确铁壳成型外观收口无明显折皱
实物运行检测
且不影响印铁商标
堆杆重复到仪精度(独复六次最:将辅助块鼠于推杆平并贴紧排料块推料端面,指示器皮定于
大差值)
推料肤
机身L,测头触改辅助块端面:
千动攀车往完六次,记录指示器显示数价
检测夜器
计时龄
印测许数
指示器辅
符合表 2 的规定
符合 4. 1. 4. 2 的规定
符合 4. 1. 4. 2 的规定
符合4.1.4.3的规定
符合 4.1. 9 a的规定
格测内容技要求
QB/T 1246--91
表3(完)
检测方法
收口内外模同轴度(在工作位告:将检验查孔与收口内模解配,并时检测>d0.1cmm
指示器
收口外模套
噪声声压级83rlMA>
将指示器置于收山外模座,将指
示器燃头与检验套外径接触,手
[攀车使检验套穿人收口外模
[淀」
左中“收口外模套”应
为“收口外模座\,
按 21) 50004 视定整测四个测量检测仪器
指示器协
验黛(专用
检贝)
点,即机)m,原地面1.2u取声级计其最大值
8.2,5寿命试验.必要时可在用产测取。9检验规则
9. 1 山厂检验
符合 4, 1. 9 b 的规定
符合 4. 1. 7. 4的规定
或型机出广前应由检验部门逃行捡验,检验项自不少于表3小规定,合格后方可出厂,应附有产站出厂合格证。
9.2 型式试验
9.2.1出现下例情况之-时,-·般应进行型式检验。新产品战老总战转厂生产的试制定型整定:h.
正式作产后,如结构,材料、艺有较大改变,可能影响产品性能时:止常生产时,定期或积累定产量后,底周期性进行·-欧检验:出厂检验结果与上饮型式检验有较大差是时。10标志,包装、运输、慰存
成型机F的标牌按JB8的规定,基本内容包抵:产品名称及产品型号:
产品主要参数:
出!蕴号与出」日期
d制造厂名称,
10.2包装
10.2.1成型机的包装、储运、图示标志接CB191的规定,并应符合QB842.8标准中的有关规定;10.3运输
在运输过程中,应避免与其它物伴碰撑和避免直接或间接的雨需淋袭,并应符合陆路、水路交通运输部门的有关规定。
成型机应嗽存在清洁通风·能防止雨,雪侵袋的地方,不得在阳光下长时间曝嗮。附加说明:
QB/T1246—91
本标准山全国轻工机械标准化技术委员会提出。本标准由全国轻丁机械标准化中心归门。本标准由天津市第三轻工机械厂负毒起草本标推主要起草人:七和平黄敬森耿兰州.
TiKAoNiiKAca
小提示:此标准内容仅展示完整标准里的部分截取内容,若需要完整标准请到上方自行免费下载完整标准文档。
标准图片预览:





- 其它标准
- 热门标准
- 轻工行业标准(QB)
- QB/T5247-2018 箱包配件塑料插扣耐 用性能试验方法
- QB/T2856-2007 毛革服装
- QB/T2425-1998 封箱用再湿性牛皮纸胶粘带
- QB/T3520-1999 500kV油纸套管绝缘纸
- QB2584-2003 蒸汽淋浴房
- QB/T2591-2003 抗菌塑料-抗菌性能试验方法和抗菌效果
- QB/T1439-2005 帐册
- QB/T1584-2005 日用皮手套
- QB/T1756-1993 造纸机械湍流式中浓度浆泵
- QB/T1782-1993 苯乙醇
- QB/T1664-1998 纸板戳穿强度测定仪
- QB/T1702.2-1993 括板升运机
- QB/T2501-2000 重力式自动装料衡器
- QB/T2161-1995 儿童推车整车通用技术条件
- QB/T3510-1999 Y311条粗条干仪用记录纸
- 行业新闻
请牢记:“bzxz.net”即是“标准下载”四个汉字汉语拼音首字母与国际顶级域名“.net”的组合。 ©2025 标准下载网 www.bzxz.net 本站邮件:bzxznet@163.com
网站备案号:湘ICP备2025141790号-2
网站备案号:湘ICP备2025141790号-2