- 您的位置:
- 标准下载网 >>
- 标准分类 >>
- 轻工行业标准(QB) >>
- QB/T 1242-1991 家具五金杯状暗铰链安装尺寸
标准号:
QB/T 1242-1991
标准名称:
家具五金杯状暗铰链安装尺寸
标准类别:
轻工行业标准(QB)
标准状态:
现行-
发布日期:
1991-09-10 -
实施日期:
1992-04-01 出版语种:
简体中文下载格式:
.rar.pdf下载大小:
131.82 KB
中标分类号:
轻工、文化与生活用品>>家具>>Y82家具附件
部分标准内容:
中华人民共和国轻工行业标准bZxz.net
家具五金
主题内容与适用范围
杯状暗铰链安装尺寸
本标准规定了家具用杯状暗铰链的基本安装尺寸。本标准适用于家具用杯状暗铰链的设计、制造和安装。2术语
2.1盖装式
门叠盖在旁板前侧边上的安装方式。俗称:扑门、盖门。
2.2嵌装式
旁板前侧边与门表面处于同一平面或突出于门表面的安装方式。俗称:吸门、上槛门、进橙门。2.3条形底座
QB/T 1242—1991
呈直条形的底座(见图3)。安装时条形底座上两安装孔或销的轴心连线应与旁板前侧边保持垂直。2.4翼形底座
两侧带耳片的底座(见图3)。安装时底座耳片上两安装孔或销的轴心连线应与旁板前侧边保持平行。
2.5设计基准面
杯状暗铰链制造厂为设计有关参量时所确定的基准面。当底座与铰臂相连接,调节螺钉处在旋松状态时,该基准平面与底座平面相平行。2.6零底座
杯状暗铰链底座系列中,其底平面与设计基准面重合的底座。3参量及参量关系式
3.1参量 A
表示门与旁板之间相对安装位置的设计参量。当门与旁板呈90°关闭位置时,自门侧边至旁板内侧面之间的距离。见图1。
3.2参量B
表示铰臂弯曲程度的设计参量。当门与旁板呈90°关闭位置时,设计基准面至最近门侧边的铰杯圆柱面的外切平面之间的距离。见图 1。3.3参量C
表示铰杯孔与门侧边之间保持相对位置的设计参量。门侧边至铰杯圆柱面之间的最小距离。见图1。
3.4参量H
表示设计基准面与旁板内侧面之间相对位置的设计参量。从设计基准面至旁板内侧面之间的距离。中华人民共和国轻工业部1991-09-10批准1992-04-01实施
见图1
QB/T 1242—1991
当参量H0时,以不同厚度系列底座或零底座加垫片来满足H的值。H
图1参量指示图
3.5参量3xmax
门转动时,装铰杯一侧的门表面和门侧边的相交棱线a在X轴负方向上出现的最大位移量。见图2。
参量 xmax、dYmzx、L示意图
3.6参量0Yma
QB/T 1242—1991
门转动时,装铰杯一侧的门内表面和门侧边的相交棱线b在Y轴正方向上出现的最大位移量。见图2。
3.7参量L
当参量H一0,门开启至平行于旁板时,门内表面至旁板内侧面之间的距离。见图2。3.8参量关系式
参量A、B、C、H的代数关系式:H一A+B+C对于盖装式,A值为负;对于嵌装式,A值为正。当设计基准面垂直于铰杯安装平面时,设计基准面对最近门侧边的铰杯圆柱面的相对位置:相离时,B值为负;相切时,B值为零;相割时,B值为正。在任何情况下,C值为正。
H≥0时的设计为有效设计。
除上述参量关系式外,有关参量相互制约关系及杯状暗铰链的运动轨迹图见附录A4结构
杯状暗铰链一般由铰杯、连接板、铰臂、底座、紧固螺钉和调节螺钉等组成,其示意图见图3。2
1—铰杯(图示系采用自攻螺钉直接固定的型式);2-连接板;3-铰臂;4a—条形底座;4b—囊形底座;5—紧固螺钉;6—调节螺钉图3结构示意图
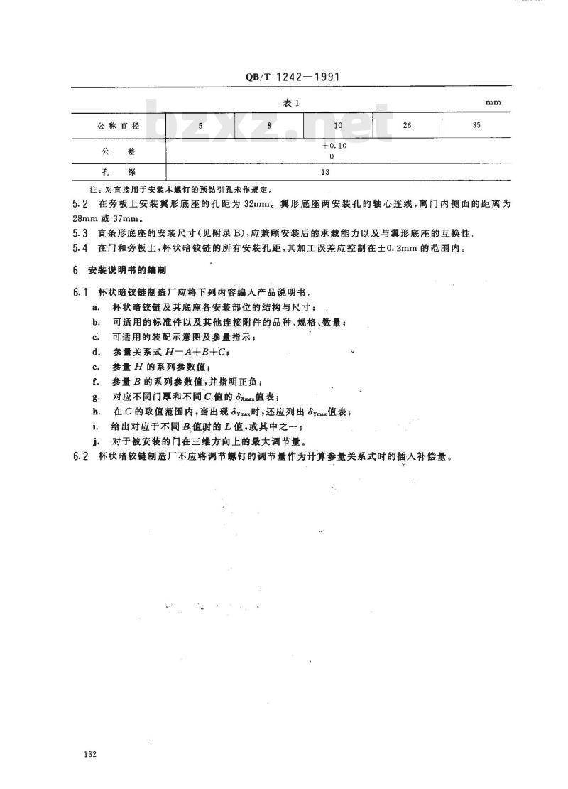
5安装尺寸
5.1杯状暗铰链安装孔的尺寸见表1。131
公称直径
QB/T 1242—1991
注:对直接用于安装木螺钉的预钻引孔未作规定,10
5.2在旁板上安装翼形底座的孔距为32mm。翼形底座两安装孔的轴心连线,离门内侧面的距离为28mm或37mm。
5.3直条形底座的安装尺寸(见附录B),应兼顾安装后的承载能力以及与翼形底座的互换性。5.4在门和旁板上,杯状暗铰链的所有安装孔距,其加工误差应控制在士0.2mm的范围内。6安装说明书的缩制
6.1杯状暗铰链制造厂应将下列内容编人产品说明书。杯状暗铰链及其底座各安装部位的结构与尺寸;b.
可适用的标准件以及其他连接附件的品种、规格、数量;可适用的装配示意图及参量指示;参量关系式H=A+B+C;
参量H的系列参数值,
参量B的系列参数值,并指明正负;对应不同门厚和不同C.值的xmx值表在C 的取值范围内,当出现 3Ymax时,还应列出 3Ymax值表;给出对应于不同B值时的L值,或其中之一;对于被安装的门在三维方向上的最大调节量6. 2杯状暗铰链制造厂不应将调节螺钉的调节量作为计算参量关系式时的插人补偿量。132
T\ KADNT KAca
QB/T 1242—1991
附录A
杯状暗铰链0°~90°运动轨迹图,(参考件)
A1杯状暗铰链0°~90°运动轨迹(见图A1)b 点运动软滤线
(12)
虚线框表示开启至90°时门的位量图A1
说明:
1.CD杆在铰臂上,铰臂、底座、旁板与柜体相固定。2.图中不出现max。
A2 参量相互间的制约关系
杯径=35
杯深=13
门厚=19
A2.1通过对杯状暗铰链四连杆机构运动轨迹的详细作图,展示了参量xmax和Ymax获得定义的动态过程。
A2.2参量xmax和ymax的取值,跟随a点和b点轨迹曲线的变化而变化。a点和b点的轨迹曲线,则跟随下列条件的变化而变化。
生变化。
在四连杆机构中,只要有一个节点的原始坐标位置发生变化时,a点和b点的轨迹曲线亦即发133
QB/T 1242 -. 1991
当改变参量C的参数值时,相当于使四连杆机构在X轴方向上发生了平移,因此,a点和b点的轨迹曲线也将发生变化。
c.当改变门的厚度值时,a点相对于四连杆机构的坐标位置发生了变化,因此,a点的轨迹曲线将随之发生变化。
因此,对于一个已被确定的杯状暗铰链,其参量xnax的取值将受参量C和门厚的制约,而参量Yma:只受参量C的制约。
A2.3参量A的取值,受参量8xmax的制约。A2.4当存在のymax时,需要校核门在柜深方向上的安装间隙。A2.5在门自0°位置开启至90°位置的区域内,参量3xmx和3Ymax即获得定义。因此,该图也适用于大于90°开启角的杯状暗铰链。
附录B
真象形底座安装尺寸
(参考件)
B1直条形底座在装式或嵌装式的安装尺寸(见图B1~图 B4)图B1
KDNH
附加说明:
QB/T12421991
本标准由轻工业部质量标准司提出。本标准由全国家具标准化中心归口。本标准由南京林业大学木材工业系负责起草。本标主要起草人杨文嘉。
小提示:此标准内容仅展示完整标准里的部分截取内容,若需要完整标准请到上方自行免费下载完整标准文档。
家具五金
主题内容与适用范围
杯状暗铰链安装尺寸
本标准规定了家具用杯状暗铰链的基本安装尺寸。本标准适用于家具用杯状暗铰链的设计、制造和安装。2术语
2.1盖装式
门叠盖在旁板前侧边上的安装方式。俗称:扑门、盖门。
2.2嵌装式
旁板前侧边与门表面处于同一平面或突出于门表面的安装方式。俗称:吸门、上槛门、进橙门。2.3条形底座
QB/T 1242—1991
呈直条形的底座(见图3)。安装时条形底座上两安装孔或销的轴心连线应与旁板前侧边保持垂直。2.4翼形底座
两侧带耳片的底座(见图3)。安装时底座耳片上两安装孔或销的轴心连线应与旁板前侧边保持平行。
2.5设计基准面
杯状暗铰链制造厂为设计有关参量时所确定的基准面。当底座与铰臂相连接,调节螺钉处在旋松状态时,该基准平面与底座平面相平行。2.6零底座
杯状暗铰链底座系列中,其底平面与设计基准面重合的底座。3参量及参量关系式
3.1参量 A
表示门与旁板之间相对安装位置的设计参量。当门与旁板呈90°关闭位置时,自门侧边至旁板内侧面之间的距离。见图1。
3.2参量B
表示铰臂弯曲程度的设计参量。当门与旁板呈90°关闭位置时,设计基准面至最近门侧边的铰杯圆柱面的外切平面之间的距离。见图 1。3.3参量C
表示铰杯孔与门侧边之间保持相对位置的设计参量。门侧边至铰杯圆柱面之间的最小距离。见图1。
3.4参量H
表示设计基准面与旁板内侧面之间相对位置的设计参量。从设计基准面至旁板内侧面之间的距离。中华人民共和国轻工业部1991-09-10批准1992-04-01实施
见图1
QB/T 1242—1991
当参量H0时,以不同厚度系列底座或零底座加垫片来满足H的值。H
图1参量指示图
3.5参量3xmax
门转动时,装铰杯一侧的门表面和门侧边的相交棱线a在X轴负方向上出现的最大位移量。见图2。
参量 xmax、dYmzx、L示意图
3.6参量0Yma
QB/T 1242—1991
门转动时,装铰杯一侧的门内表面和门侧边的相交棱线b在Y轴正方向上出现的最大位移量。见图2。
3.7参量L
当参量H一0,门开启至平行于旁板时,门内表面至旁板内侧面之间的距离。见图2。3.8参量关系式
参量A、B、C、H的代数关系式:H一A+B+C对于盖装式,A值为负;对于嵌装式,A值为正。当设计基准面垂直于铰杯安装平面时,设计基准面对最近门侧边的铰杯圆柱面的相对位置:相离时,B值为负;相切时,B值为零;相割时,B值为正。在任何情况下,C值为正。
H≥0时的设计为有效设计。
除上述参量关系式外,有关参量相互制约关系及杯状暗铰链的运动轨迹图见附录A4结构
杯状暗铰链一般由铰杯、连接板、铰臂、底座、紧固螺钉和调节螺钉等组成,其示意图见图3。2
1—铰杯(图示系采用自攻螺钉直接固定的型式);2-连接板;3-铰臂;4a—条形底座;4b—囊形底座;5—紧固螺钉;6—调节螺钉图3结构示意图
5安装尺寸
5.1杯状暗铰链安装孔的尺寸见表1。131
公称直径
QB/T 1242—1991
注:对直接用于安装木螺钉的预钻引孔未作规定,10
5.2在旁板上安装翼形底座的孔距为32mm。翼形底座两安装孔的轴心连线,离门内侧面的距离为28mm或37mm。
5.3直条形底座的安装尺寸(见附录B),应兼顾安装后的承载能力以及与翼形底座的互换性。5.4在门和旁板上,杯状暗铰链的所有安装孔距,其加工误差应控制在士0.2mm的范围内。6安装说明书的缩制
6.1杯状暗铰链制造厂应将下列内容编人产品说明书。杯状暗铰链及其底座各安装部位的结构与尺寸;b.
可适用的标准件以及其他连接附件的品种、规格、数量;可适用的装配示意图及参量指示;参量关系式H=A+B+C;
参量H的系列参数值,
参量B的系列参数值,并指明正负;对应不同门厚和不同C.值的xmx值表在C 的取值范围内,当出现 3Ymax时,还应列出 3Ymax值表;给出对应于不同B值时的L值,或其中之一;对于被安装的门在三维方向上的最大调节量6. 2杯状暗铰链制造厂不应将调节螺钉的调节量作为计算参量关系式时的插人补偿量。132
T\ KADNT KAca
QB/T 1242—1991
附录A
杯状暗铰链0°~90°运动轨迹图,(参考件)
A1杯状暗铰链0°~90°运动轨迹(见图A1)b 点运动软滤线
(12)
虚线框表示开启至90°时门的位量图A1
说明:
1.CD杆在铰臂上,铰臂、底座、旁板与柜体相固定。2.图中不出现max。
A2 参量相互间的制约关系
杯径=35
杯深=13
门厚=19
A2.1通过对杯状暗铰链四连杆机构运动轨迹的详细作图,展示了参量xmax和Ymax获得定义的动态过程。
A2.2参量xmax和ymax的取值,跟随a点和b点轨迹曲线的变化而变化。a点和b点的轨迹曲线,则跟随下列条件的变化而变化。
生变化。
在四连杆机构中,只要有一个节点的原始坐标位置发生变化时,a点和b点的轨迹曲线亦即发133
QB/T 1242 -. 1991
当改变参量C的参数值时,相当于使四连杆机构在X轴方向上发生了平移,因此,a点和b点的轨迹曲线也将发生变化。
c.当改变门的厚度值时,a点相对于四连杆机构的坐标位置发生了变化,因此,a点的轨迹曲线将随之发生变化。
因此,对于一个已被确定的杯状暗铰链,其参量xnax的取值将受参量C和门厚的制约,而参量Yma:只受参量C的制约。
A2.3参量A的取值,受参量8xmax的制约。A2.4当存在のymax时,需要校核门在柜深方向上的安装间隙。A2.5在门自0°位置开启至90°位置的区域内,参量3xmx和3Ymax即获得定义。因此,该图也适用于大于90°开启角的杯状暗铰链。
附录B
真象形底座安装尺寸
(参考件)
B1直条形底座在装式或嵌装式的安装尺寸(见图B1~图 B4)图B1
KDNH
附加说明:
QB/T12421991
本标准由轻工业部质量标准司提出。本标准由全国家具标准化中心归口。本标准由南京林业大学木材工业系负责起草。本标主要起草人杨文嘉。
小提示:此标准内容仅展示完整标准里的部分截取内容,若需要完整标准请到上方自行免费下载完整标准文档。
标准图片预览:





- 其它标准
- 热门标准
- 轻工行业标准(QB)
- QB/T5302-2018 生活用干纸巾流延聚乙烯(CPE) 包装膜
- QB/T2833-2006 运动营养食品 能量控制食品
- QB/T1334-2013 水嘴通用技术条件
- QB/T1640-1992 陶瓷模用石膏粉物理性能测试方法
- QB/T4916-2016 伊代欣糖(浆)
- QB/T2049.5-1994 电光源玻壳K型玻壳尺寸系列
- QB1872-1993 服装用皮革
- QB/T2609-2003 工业缝纫机漏油的测试方法 第1部分:平缝纫机漏油的测试方法
- QB/T1272-2012 毛皮 化学试验样品的准备
- QB/T2816-2006 工业用缝纫机单(双)针下送料立柱式平缝机机头
- QB/T4701-2014 毛发护理器具环境意识设计导则
- QB/T5302-2018 生活用干纸巾流延聚乙烯(CPE) 包装膜
- QB/T2858-2007 学生书袋
- QB/T4427-2012 芸香浸膏 枫香树脂提取物
- QB6005-1992 麦芽厂设计规范
- 行业新闻
请牢记:“bzxz.net”即是“标准下载”四个汉字汉语拼音首字母与国际顶级域名“.net”的组合。 ©2025 标准下载网 www.bzxz.net 本站邮件:bzxznet@163.com
网站备案号:湘ICP备2025141790号-2
网站备案号:湘ICP备2025141790号-2