- 您的位置:
- 标准下载网 >>
- 标准分类 >>
- 轻工行业标准(QB) >>
- QB/T 1235-1991 塑料门窗合叶(铰链)
标准号:
QB/T 1235-1991
标准名称:
塑料门窗合叶(铰链)
标准类别:
轻工行业标准(QB)
标准状态:
现行-
实施日期:
1992-04-01 出版语种:
简体中文下载格式:
.rar.pdf下载大小:
120.56 KB
中标分类号:
轻工、文化与生活用品>>五金制品>>Y71建筑五金
相关标签:
铰链

部分标准内容:
中华人民共和国行业标准
塑料门窗合页(铰链
QB/T123591
中华人民共和国轻工业部批准并发布1991-09-10批准1992-04-01实施1主题内容与适用范围
本标准规定了塑料门密合页的产品分类、技术要求、试验方法、检验规则、标志、包装、运输、贮存。本标准适用于塑料门、窗的框、扇间起铰接作用的合页(铰链)。
2 引用标准
GB1720漆膜附着力测定法
GB1740
GB 1771
GB1732
漆膜耐温热测定法
漆膜耐盐雾测定法
漆膜耐冲击测定法
GB5938
轻工产品金属镀层和化学处理层的耐腐蚀试验方法中性盐雾试验(NSS)法轻工产品金属镀层腐蚀试验结果的评价GB5944
GB 2828逐批检查计数抽样程序及抽样表周期检查计数抽样程序及抽样表GB 2829
3产品分类
3.1分类
3.1.1按型式分
3.1.1.1 插人式塑料门窗合页见图1、图2及表 1,图3、图4及表2,代号为C。
3.1.1.2平页式塑料门窗合页见图5、图6,代号为P
3.1.1.3角型塑料门窗合页见图7,代号为」。3,1.2按耐腐蚀性能分
克扎89×90
调整势
3.1.2.1普通型塑料门窗合页代号为PT。mm
Ti KAoNiiKAc
3.1.2.2耐腐蚀性能较强型塑料门窗合页(包括册不锈钢制造)代号为NF。
3.1.3按材料分
3.1.3.1普通碳素钢合页代号为G。3.1.3,2不锈钢合页代号为B。
3.1.3.3锌合金合页代号为H。
3.2代号
3.3标记示例
规格(L)
耐病蚀性解
一结构型式
整料门瘤含页
普通碳素钢材,插人式、耐腐蚀例1:规格为83mm,
性能较强的塑料门窗合页
塑料门窗合页(铰链)SH.C.G.NF—83QB/T 1235
例2:规格为74mm,不锈钢材,平页式塑料门窗合页塑料门窗合页(铰链)SH·P·B.NF-74QB/T 1235
例3:规格为84mm,普通碳素钢,插人式塑料门窗合页塑料门窗合页(铰链)SH.C.G-PT一84QB/T1235
4技术要求
4.1材料
插入式合页(见图3、图4)的轴套采用工程塑料。1722
4.2精度
4.2.1规格尺寸应符合图1、图2、图3、图4、图5、图6、图7的要求,未注公差孔为H14,轴为h14,长度为±贵IT14。
4.2.2合页应转动灵活,无卡阻现象。4.2.3插入式合页(见图2、图4)与平页式合页(见图5,图6)的轴向间隙应大于0.2mm,小于0.7mm。4.3强度
4.3.1插入式合页承受表3规定的拉力后,不能断裂。4.3.2平页式合页承受表3规定的拉力后,其卷管接口间随变形量应小于0.5mm。
合格品
4.4表面质盘
承受静拉
4.4.1产品应究整,无缺角、碎裂。P型合页铆头应滑光洁。
4.4.2产品表面必须作喷塑处理。NF型合页安装后必须有耐腐保护套(不锈钢除外)。4.4.3喷塑件表面应色泽均匀,喷塑层无流挂、起泡,剥落、露底等缺陷。
4.4.4PT型喷塑层的附着力应不低于2级,NF型应达到1级。
4.4.5 PT型、NF型喷塑层耐湿热、耐盐雾性能应 不低于表4的规定。
产品等级
一级品
合格品
试验时间(h)
耐温热、耐盐算级别
4.4.6镀锌层的耐腐蚀性能经12h试验后应达到10级。4.4.7喷塑层在承受4.9N·m冲击时,涂层无碎裂。5试验方法
5.1材料
对4.1条的试验查阅材料质量保证书,有争议时按有关的标准进行试验。
5.2精度
5.2.1对4.2.1条的试验用精度为0.02mm的游标卡尺进行。
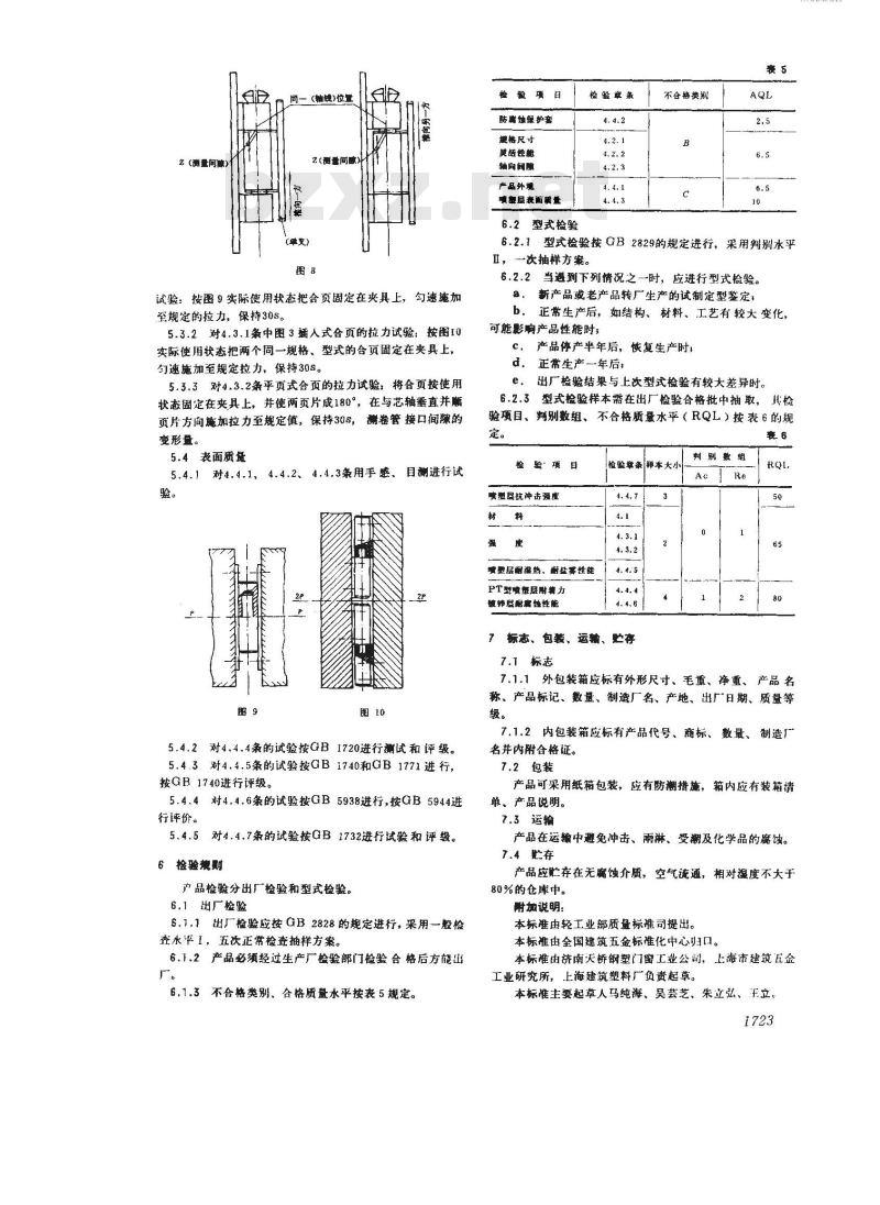
5.2.2对4.2.2条的试验用手感、目测进行。5.2.3对4.2.3;插入式合页的试验:把单叉推向一方,用塞尺测其间陵,然后把单又推向另一方,在同一位置测其间隙,取二次测盘值之差。对平页式合页的试验:两页合找,将其中活动的一页沿芯轴推向一边,用塞尺窦进间隙至触及芯轴,测量轴向间隙(见图8)。5.3强度
5.3.1对4.3.1条中图1、图2、图4插入式含页的拉力2 (测量间胰)
(糖载)位与
Z(测量间敏)此内容来自标准下载网
(禅叉)
试验:按图9实际使用状态把合页固定在夹具上,幻速施加室规定的拉力,保持30S。
5.3.2对4.3.1条中图3插人式合页的拉力试验:按图10实际使用状态把两个间一规格、型式的合页固定在夹具上,匀速施加至规定拉力,保持30s。5.3.3对4.3.2条平页式合页的拉力试验:将合页按使用状态固定在夹具上,并使两页片成180°,在与芯轴垂直并顺页片方向施加拉力至规定值,保持30s,测卷管接口间滕的变形量。
5.4表面质盘
目测进行试
5.4.1对4.4.1、4.4.2、4.4,3条用手感、验。
5.4.2对4.4.4条的试验按QB1720进行测试和评级。5.4.3对4.4.5条的试验按GB1740和GB1771进行,按GB1740进行评级。
5.4.4对4.4.6条的试验按GB593B进行,按GB5944进行评价。
5.4.5对4.4.7条的试验按GB1732进行试验和评级。6 检验规则
产品检验分出厂检验和型式检验。6.1出厂检验
6.1.1出厂检验应按 GB 2828 的规定进行,采用一般检查水平I,五次正常检查抽样方案。6.1.2产品必须经过生产厂检验部门检验合格后方能山6.1.3不合格类别、合格质量水平按表5规定。检
肪鼻蚀保护套
规据尺寸
契语性能
轴向间随
产品外观
喷知层表面质量
检验单条
不各格类别
6.2型式检验
6.2.1型式检验按GB2829的规定进行,采用判别水平Ⅱ,一次抽样方案。
6.2.2当避到下列情况之一时,应进行型式检验。a,
新产品或老产品转厂生产的试制定型鉴定;正常生产后,如结构、材料、工艺有较大变化,b.
可能影响产品性能时:
产品停产半年后,恢复生产时,d.
正常生产一年后:
出厂检验结果与上次型式检验有较大差异时。e.
6.2.3型式检验样本需在出厂检验合格批中抽取,其检验项目、判别数组、不合格质量水平(RQL》按表6的规定。
检骏项目
喷塑层抗冲击强度
素重层耐湿结、耐盐睾性能
PT型喷维层附著力
瘦纤层耐病性性能
检监理条群本大,
7标志、包装、运输、贮存
7.1标志
刻别数组
7.1.1外包装箱应标有外形尺寸、毛重、净重、产品名称、产品标记、数量、制造厂名、产地、出厂日期、质量等级。
7.1.2内包装箱应标有产品代号、商标、数量、制造厂名并内附合格证。
7.2包装
产品可采用纸箱包装,应有防潮措施,箱内应有装箱请单、产品说明。
7.3运输
产品在运输中避免冲击、雨淋、受潮及化学品的魔蚀。7.4贮存
产品应忙存在无腐蚀介质,空气流通,相对温度不大于80%的仓库中。
附加说明:
本标准由轻工业部质景标准司提出。本标准由全国建筑五金标准化中心归口。本标准由济南天桥钢塑门窗工业公司,上海市建筑五金工业研究所,上海建筑塑料厂负责起草。本标唯主要起草人马纯海、吴芸芝、朱立弘、王立。1723
TYTKAONYKACa
小提示:此标准内容仅展示完整标准里的部分截取内容,若需要完整标准请到上方自行免费下载完整标准文档。
塑料门窗合页(铰链
QB/T123591
中华人民共和国轻工业部批准并发布1991-09-10批准1992-04-01实施1主题内容与适用范围
本标准规定了塑料门密合页的产品分类、技术要求、试验方法、检验规则、标志、包装、运输、贮存。本标准适用于塑料门、窗的框、扇间起铰接作用的合页(铰链)。
2 引用标准
GB1720漆膜附着力测定法
GB1740
GB 1771
GB1732
漆膜耐温热测定法
漆膜耐盐雾测定法
漆膜耐冲击测定法
GB5938
轻工产品金属镀层和化学处理层的耐腐蚀试验方法中性盐雾试验(NSS)法轻工产品金属镀层腐蚀试验结果的评价GB5944
GB 2828逐批检查计数抽样程序及抽样表周期检查计数抽样程序及抽样表GB 2829
3产品分类
3.1分类
3.1.1按型式分
3.1.1.1 插人式塑料门窗合页见图1、图2及表 1,图3、图4及表2,代号为C。
3.1.1.2平页式塑料门窗合页见图5、图6,代号为P
3.1.1.3角型塑料门窗合页见图7,代号为」。3,1.2按耐腐蚀性能分
克扎89×90
调整势
3.1.2.1普通型塑料门窗合页代号为PT。mm
Ti KAoNiiKAc
3.1.2.2耐腐蚀性能较强型塑料门窗合页(包括册不锈钢制造)代号为NF。
3.1.3按材料分
3.1.3.1普通碳素钢合页代号为G。3.1.3,2不锈钢合页代号为B。
3.1.3.3锌合金合页代号为H。
3.2代号
3.3标记示例
规格(L)
耐病蚀性解
一结构型式
整料门瘤含页
普通碳素钢材,插人式、耐腐蚀例1:规格为83mm,
性能较强的塑料门窗合页
塑料门窗合页(铰链)SH.C.G.NF—83QB/T 1235
例2:规格为74mm,不锈钢材,平页式塑料门窗合页塑料门窗合页(铰链)SH·P·B.NF-74QB/T 1235
例3:规格为84mm,普通碳素钢,插人式塑料门窗合页塑料门窗合页(铰链)SH.C.G-PT一84QB/T1235
4技术要求
4.1材料
插入式合页(见图3、图4)的轴套采用工程塑料。1722
4.2精度
4.2.1规格尺寸应符合图1、图2、图3、图4、图5、图6、图7的要求,未注公差孔为H14,轴为h14,长度为±贵IT14。
4.2.2合页应转动灵活,无卡阻现象。4.2.3插入式合页(见图2、图4)与平页式合页(见图5,图6)的轴向间隙应大于0.2mm,小于0.7mm。4.3强度
4.3.1插入式合页承受表3规定的拉力后,不能断裂。4.3.2平页式合页承受表3规定的拉力后,其卷管接口间随变形量应小于0.5mm。
合格品
4.4表面质盘
承受静拉
4.4.1产品应究整,无缺角、碎裂。P型合页铆头应滑光洁。
4.4.2产品表面必须作喷塑处理。NF型合页安装后必须有耐腐保护套(不锈钢除外)。4.4.3喷塑件表面应色泽均匀,喷塑层无流挂、起泡,剥落、露底等缺陷。
4.4.4PT型喷塑层的附着力应不低于2级,NF型应达到1级。
4.4.5 PT型、NF型喷塑层耐湿热、耐盐雾性能应 不低于表4的规定。
产品等级
一级品
合格品
试验时间(h)
耐温热、耐盐算级别
4.4.6镀锌层的耐腐蚀性能经12h试验后应达到10级。4.4.7喷塑层在承受4.9N·m冲击时,涂层无碎裂。5试验方法
5.1材料
对4.1条的试验查阅材料质量保证书,有争议时按有关的标准进行试验。
5.2精度
5.2.1对4.2.1条的试验用精度为0.02mm的游标卡尺进行。
5.2.2对4.2.2条的试验用手感、目测进行。5.2.3对4.2.3;插入式合页的试验:把单叉推向一方,用塞尺测其间陵,然后把单又推向另一方,在同一位置测其间隙,取二次测盘值之差。对平页式合页的试验:两页合找,将其中活动的一页沿芯轴推向一边,用塞尺窦进间隙至触及芯轴,测量轴向间隙(见图8)。5.3强度
5.3.1对4.3.1条中图1、图2、图4插入式含页的拉力2 (测量间胰)
(糖载)位与
Z(测量间敏)此内容来自标准下载网
(禅叉)
试验:按图9实际使用状态把合页固定在夹具上,幻速施加室规定的拉力,保持30S。
5.3.2对4.3.1条中图3插人式合页的拉力试验:按图10实际使用状态把两个间一规格、型式的合页固定在夹具上,匀速施加至规定拉力,保持30s。5.3.3对4.3.2条平页式合页的拉力试验:将合页按使用状态固定在夹具上,并使两页片成180°,在与芯轴垂直并顺页片方向施加拉力至规定值,保持30s,测卷管接口间滕的变形量。
5.4表面质盘
目测进行试
5.4.1对4.4.1、4.4.2、4.4,3条用手感、验。
5.4.2对4.4.4条的试验按QB1720进行测试和评级。5.4.3对4.4.5条的试验按GB1740和GB1771进行,按GB1740进行评级。
5.4.4对4.4.6条的试验按GB593B进行,按GB5944进行评价。
5.4.5对4.4.7条的试验按GB1732进行试验和评级。6 检验规则
产品检验分出厂检验和型式检验。6.1出厂检验
6.1.1出厂检验应按 GB 2828 的规定进行,采用一般检查水平I,五次正常检查抽样方案。6.1.2产品必须经过生产厂检验部门检验合格后方能山6.1.3不合格类别、合格质量水平按表5规定。检
肪鼻蚀保护套
规据尺寸
契语性能
轴向间随
产品外观
喷知层表面质量
检验单条
不各格类别
6.2型式检验
6.2.1型式检验按GB2829的规定进行,采用判别水平Ⅱ,一次抽样方案。
6.2.2当避到下列情况之一时,应进行型式检验。a,
新产品或老产品转厂生产的试制定型鉴定;正常生产后,如结构、材料、工艺有较大变化,b.
可能影响产品性能时:
产品停产半年后,恢复生产时,d.
正常生产一年后:
出厂检验结果与上次型式检验有较大差异时。e.
6.2.3型式检验样本需在出厂检验合格批中抽取,其检验项目、判别数组、不合格质量水平(RQL》按表6的规定。
检骏项目
喷塑层抗冲击强度
素重层耐湿结、耐盐睾性能
PT型喷维层附著力
瘦纤层耐病性性能
检监理条群本大,
7标志、包装、运输、贮存
7.1标志
刻别数组
7.1.1外包装箱应标有外形尺寸、毛重、净重、产品名称、产品标记、数量、制造厂名、产地、出厂日期、质量等级。
7.1.2内包装箱应标有产品代号、商标、数量、制造厂名并内附合格证。
7.2包装
产品可采用纸箱包装,应有防潮措施,箱内应有装箱请单、产品说明。
7.3运输
产品在运输中避免冲击、雨淋、受潮及化学品的魔蚀。7.4贮存
产品应忙存在无腐蚀介质,空气流通,相对温度不大于80%的仓库中。
附加说明:
本标准由轻工业部质景标准司提出。本标准由全国建筑五金标准化中心归口。本标准由济南天桥钢塑门窗工业公司,上海市建筑五金工业研究所,上海建筑塑料厂负责起草。本标唯主要起草人马纯海、吴芸芝、朱立弘、王立。1723
TYTKAONYKACa
小提示:此标准内容仅展示完整标准里的部分截取内容,若需要完整标准请到上方自行免费下载完整标准文档。

标准图片预览:




- 其它标准
- 热门标准
- 轻工行业标准(QB)
- QB/T2485-2000 香皂
- QB/T5396-2019 水晶自动研磨机
- QB/T4625-2014 黄瓜罐头
- QB/T1693-1993 制浆造纸机械设备术语
- QB/T1975—2004 护发素
- QB/T2894-2007 丙烯腈-丁二烯-苯乙烯(ABS)色母料
- QB/T2896-2007 纸和纸板湿拉毛和湿排 斥的测定
- QB/T5287一2018 口腔清洁护理用品牙膏用美洲大蠊提取物
- QB/T5201-2017 冰衬疫苗保存箱
- QB/T2961-2017 美工刀
- QB/T5281-2018 数显花洒
- QB/T4428-2012 电动自行车用锂离子电池产品规格尺寸
- QB/T5033-2017 藤椅
- QB/T4328-2012 电子鼓用音箱通用技术条件
- QB/T2601-2013 体育场馆公共座椅
- 行业新闻
请牢记:“bzxz.net”即是“标准下载”四个汉字汉语拼音首字母与国际顶级域名“.net”的组合。 ©2009 标准下载网 www.bzxz.net 本站邮件:bzxznet@163.com
网站备案号:湘ICP备2023016450号-1
网站备案号:湘ICP备2023016450号-1