- 您的位置:
- 标准下载网 >>
- 标准分类 >>
- 轻工行业标准(QB) >>
- QB/T 1204-1997 双面蓝色复写纸
标准号:
QB/T 1204-1997
标准名称:
双面蓝色复写纸
标准类别:
轻工行业标准(QB)
标准状态:
现行-
发布日期:
1997-06-20 -
实施日期:
1998-04-01 出版语种:
简体中文下载格式:
.rar.pdf下载大小:
163.82 KB
替代情况:
QB 1204-91
起草人:
黄灵霞、郑万春、宋披天、沈秀清起草单位:
北京文教用品厂、上海复写纸厂、成都墨水厂提出单位:
中国轻工总会质量标准部发布部门:
中国轻工总会相关标签:
双面
点击下载
标准简介:
标准下载解压密码:www.bzxz.net
本标准规定了双面蓝色复写纸的产品分类、技术要求、试验方法、检验规则、标志、包装、运输、贮存本标准适用于用手抄或打字复制一式多份文件使用的双面蓝色复写纸。 QB/T 1204-1997 双面蓝色复写纸 QB/T1204-1997
部分标准内容:
QB/T1204—1997
本标准是对QB/T1204一1991《双面蓝色复写纸》的修订,本标准保留了原标准中实践证明符合我国国情,又不妨碍国际通用的那些内容。采用了GB/T1.1一1993《标准化工作导则第1单元:标准的起草与表述规则第1部分:标准编写的基本规定》的编写格式,增加了前言和附录,对正文作了适当的修改,既可避免重复叙述已规定的内容造成的烦,又可减少标准文本的篇幅。本标准的附录A、附录B都是标准的附录。本标准由中国轻工总会质量标准部提出。本标准由全国文体用品标准化中心归口。本标准负责起草单位:北京文教用品厂、上海复写纸厂、成都墨水厂,参加起草单位:广州文具厂、武汉人民印刷厂、郑州市铜版纸厂、温州市文教用品厂、天山文具厂。本标准主要起草人:黄灵霞、郑万春、宋披天、沈秀清。自本标准实施之日起,原轻工业部部标准QB/T1204一1991《双面蓝色复写纸》作废。202
1范围
中华人民共和国轻工行业标准
双面蓝色复写纸
QB/T1204--1997
TKAKAca
本标准规定了双面蓝色复写纸的产品分类、技术要求、试验方法、检验规则、标志、包装、运输、贮存。本标准适用于用手抄或打字复制一式多份文件使用的双面蓝色复写纸。2引用标准
下列标准所包含的条文,通过在本标准中引用而构成为本标准的条文。本标准出版时,所示版本均为有效。所有标准都会被修订,使用本标准的各方应探讨使用下列标准最新版本的可能性。GB/T451.1—1989纸和纸板尺寸及偏斜度的测定法GB1910—1989新闻纸
GB/T 2828—1987
GB/T 2829—1987
GB/T 8938-—1988
逐批检查计数抽样程序及抽样表(适用于连续批的检查)周期检查计数抽样程序及抽样表(适用于生产过程稳定性的检查)打字纸
GB/T10342—1989
GB/T 126541990
QB/T3512—1999
3产品分类
纸张的包装和标志
书写纸
复写原纸
3.1双面蓝色复写纸为平装,按质量要求不同分为A等品、B等品。3.2特殊规格由供需双方另行商定。4技术要求
双面蓝色复写纸的规格尺寸应符合表1规定。4.1
极限偏差
规格尺寸
370×255
220×340
255×185
A等品
B等品
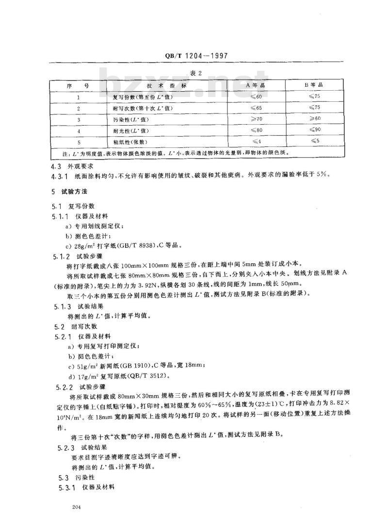
双面蓝色复写纸的技术指标应符合表2规定。4.2
中国轻工总会1997-06-20批准
A等品
极限偏斜
B等品
1998-04-01实施
QB/T1204--1997
技术指标
复写份数(第五份L值)
耐写次数(第十次L*值)
污染性(L值)
耐光性(L·值)
粘纸性(张数)
A等品
注:L·为明度值,表示物体颜色浓淡的值。L小,表示透过物体的光量弱,即物体的颜色淡。B等品
4.3外观要求
4.3.1纸面涂料均匀,不允许有影响使用的皱纹、破裂和其他疵病。外观要求的漏验率低于5%。5试验方法
5.1复写份数
5.1.1仪器及材料
a)专用划线测定仪;
b)测色色差计;
c)28g/m2打字纸(GB/T8938),C等品。5.1.2试验步骤
将打字纸裁成八张100mm×100mm规格三份,在距上端中间5mm处装订成小本。将所取试样裁成七张80mm×80mm规格三份,自下而上,分别夹入小本中央。划线方法见附录A(标准的附录),笔尖上的力为3.92N,纵横各划30条线,线的间距为1mm,线长50mm。取三个小本的第五份分别用测色色差计测出L*值,测试方法见附录B(标准的附录)。5.1.3试验结果下载标准就来标准下载网
将测出的L值,计算平均值。
5.2耐写次数
5.2.1仪器及材料
a)专用复写打印测定仪;
b)测色色差计;
c)51g/m2新闻纸(GB1910),C等品,宽18mm;d)17g/m2复写原纸(QB/T3512)。5.2.2试验步骤
将所取试样裁成80mm×30mm规格三份,然后和相同大小的复写原纸相叠,卡在专用复写打印测定仪的字锤上(白纸贴字锤)。打印时,相对湿度为60%~65%,温度为(23士1)C,打印冲击力为8.82×10″N/m。在18mm宽的新闻纸上连续均勾地打印20次。将试样的另面(移动位置)重复上述方法操作。
将三份第十次“次数”的字样,用测色色差计测出L*值,测试方法见附录B。5.2.3试验结果
要求目字迹清晰度应达到字迹可辨。将测出的L值,计算平均值。
5.3污染性
5.3.1仪器及材料
a)测色色差计;
b)质量1000g的金属码;
c)80mmX60mmX5mm玻璃板;
d)25mmX20mmX2mm玻璃片;
e)恒温烘箱;
f)17g/m2复写原纸(QB/T3512)。5.3.2试验步骤
QB/T1204-1997
将复写原纸裁成六张80mm×60mm规格三份,并装订成小本。KAKAca
将试样裁成五张45mm×35mm规格三份,分别夹入小本中。夹人时,试样与小本的下端取中对齐。将玻璃板、玻璃片、码置于恒温烘箱内,温度为(40土1)℃,预热30~~45min。然后将试样放在玻璃板上,小玻璃片放在试样的正中部位,加上1000g的码,恒温1h,抽出试样纸。将小本有颜色的部位置于测色色差计上,测出三个小本L*值,测试方法见附录B。5.3.3试验结果
将测出的L*值,计算平均值。
5.4耐光性
5.4.1仪器及材料
a)专用划线测定仪;
b)测色色差计;
c)紫外线灯管(220V,30W)及支架;d)60g/m2书写纸(GB/T12654),C等品。5.4.2试验步骤
将试样裁成三份80mm×80mm规格(正反两面检测),分别夹在两张100mm×100mm规格的书写纸中,划线方法见附录A,笔尖上的力为2.94N,纵横各划30条线,线的间距为1mm,线长50mm。取试样下面有格的书写纸置于紫外线灯管下,试样距灯管50mm,连续照射24h。将照射后的三份有格的书写纸置于测色色差计上,测出L\值,测试方法见附录B。5.4.3试验结果
将测出的L*值,计算平均值。
5.5粘纸性
5.5.1仪器及材料
a)专用划线测定仪;
b)质量50g的码三个;
c)28g/m2打字纸(GB/T8938),C等品。5.5.2、试验步骤
试样及小本规格同5.1.2,然后将试样从下而上分别夹入小本中,试样应露出小本下端10mm。划线方法见附录A。要求笔上的力为3.92N,纵向划10条线,线的间距为3mm,线长50mm。将样本放在干燥洁净无痕迹的玻璃板上,在样本的上端左、中、右处分别放上一个50g的码(不要压住试样),与玻璃板平行方向缓慢拖动第一张打字纸,滑动超过20mm尚未拉出为粘纸,然后将此纸揭去。如此连续做第二张、第三张··,直至在滑行20mm内能够脱离为止。5.5.3试验结果
以滑行在20mm以内(含20mm)能够拉出来的数目为不粘纸。取其前一张粘纸数表示,三次的算术平均值为粘纸结果。
5.6外观要求用自测检验,规格尺寸用分度值为1mm的直尺检查,偏斜度按GB/T451.1的规定进行测定。
6检验规则
QB/T 1204--1997
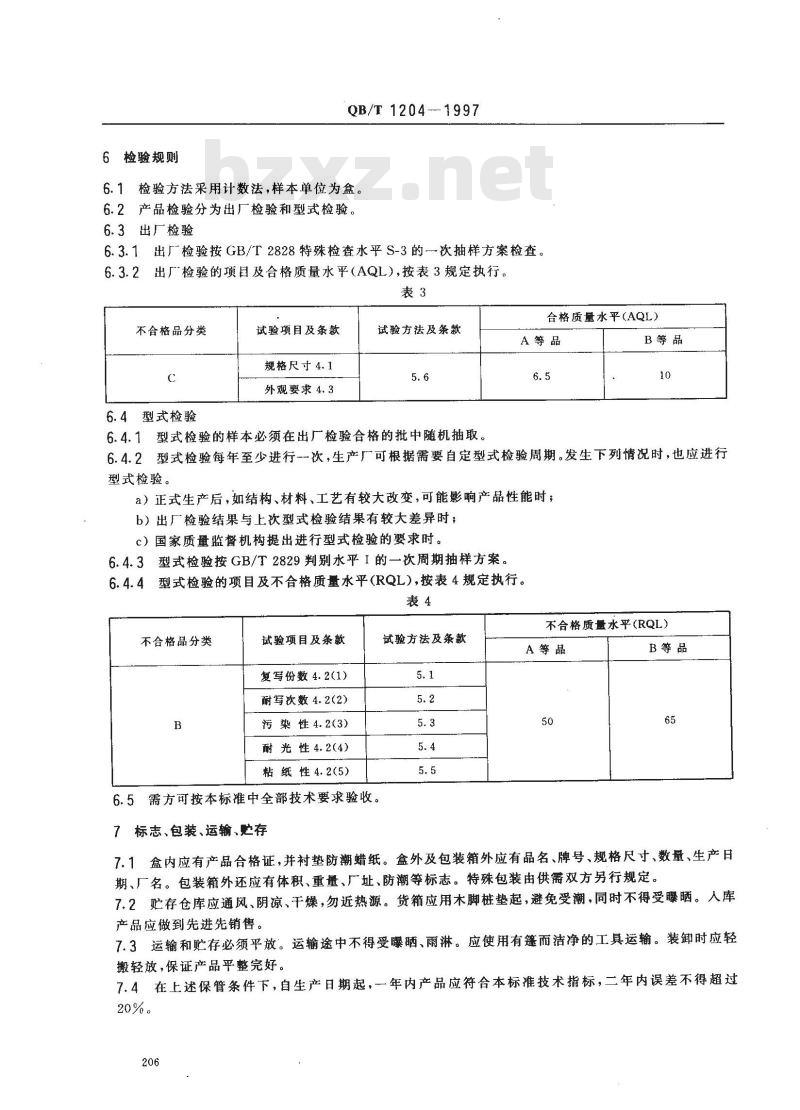
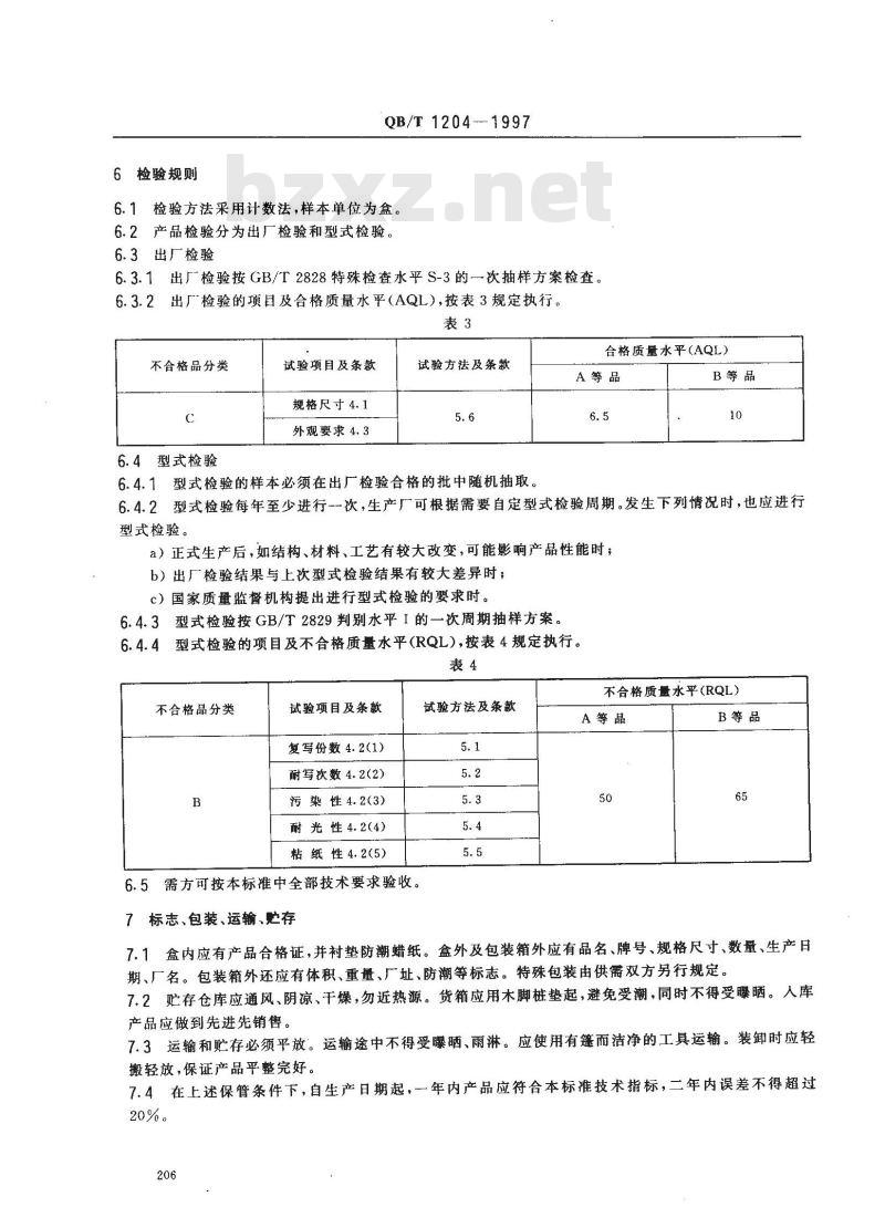
6.1检验方法采用计数法,样本单位为盒。6.2产品检验分为出厂检验和型式检验。6.3出厂检验
6.3.1出厂检验按GB/T2828特殊检查水平S-3的一次抽样方案检查。6.3.2出厂检验的项目及合格质量水平(AQL),按表3规定执行。表3
不合格品分类
6.4型式检验
试验项目及条款
规格尺寸4.1
外观要求 4.3
试验方法及条款
合格质量水平(AQL)
A等品
B等品
6.4.1型式检验的样本必须在出厂检验合格的批中随机抽取。6.4.2型式检验每年至少进行-次,生产厂可根据需要自定型式检验周期。发生下列情况时,也应进行型式检验。
a)正式生产后,如结构、材料、工艺有较大改变,可能影响产品性能时;b)出厂检验结果与上次型式检验结果有较大差异时;c)国家质量监督机构提出进行型式检验的要求时。6.4.3型式检验按GB/T2829判别水平I的一次周期抽样方案。6.4.4型式检验的项目及不合格质量水平(RQL),按表4规定执行。表4
不合格品分类
试验项目及条款
复写份数4.2(1)
耐写次数4.2(2)
污染性4.2(3)
耐光性4.2(4)
粘纸性4.2(5)
6.5需方可按本标准中全部技术要求验收。7标志、包装、运输、贮存
试验方法及条款
不合格质量水平(RQL))
A等品
B等品
7.1盒内应有产品合格证,并衬垫防潮蜡纸。盒外及包装箱外应有品名、牌号、规格尺寸、数量、生产日期、厂名。包装箱外还应有体积、重量、厂址、防潮等标志。特殊包装由供需双方另行规定。7.2贮存仓库应通风、阴凉、干燥,勿近热源。货箱应用木脚桩垫起,避免受潮,同时不得受曝晒。人库产品应做到先进先销售。
7.3运输和贮存必须平放。运输途中不得受曝晒、雨淋。应使用有篷而洁净的工具运输。装卸时应轻搬轻放,保证产品平整完好。
7.4在上述保管条件下,自生产日期起,一年内产品应符合本标准技术指标,二年内误差不得超过20%。
QB/T12041997
附录A
(标准的附录)
专用划线测定仪的使用方法及试验条件TKKAa
在待划线的试样上,放一张与试样相同大小的透明玻璃纸或聚酯膜,并固定在划线仪平板上。在湿度为60%~65%,温度为(23士1)℃的条件下划线,笔尖为g0.7mm,笔尖上加的重量、划线的数量、方向和线的间距按各个指标的具体要求来测试。注:使用的透明玻璃纸或聚酯膜的厚度为0.020~0.025mm。附录B
(标准的附录)
测色色差计的使用方法
先把黑色模具放在色差计的探头上,然后把待测试样放在有模具的探头上。测复写份数、污染性、耐光性指标时,使用中间圆孔$20的模具。测耐写次数指标时,使用中间16mm×5mm的矩形门模具。然后在试样上压上黑色盖板,测出L\值:207
小提示:此标准内容仅展示完整标准里的部分截取内容,若需要完整标准请到上方自行免费下载完整标准文档。
本标准是对QB/T1204一1991《双面蓝色复写纸》的修订,本标准保留了原标准中实践证明符合我国国情,又不妨碍国际通用的那些内容。采用了GB/T1.1一1993《标准化工作导则第1单元:标准的起草与表述规则第1部分:标准编写的基本规定》的编写格式,增加了前言和附录,对正文作了适当的修改,既可避免重复叙述已规定的内容造成的烦,又可减少标准文本的篇幅。本标准的附录A、附录B都是标准的附录。本标准由中国轻工总会质量标准部提出。本标准由全国文体用品标准化中心归口。本标准负责起草单位:北京文教用品厂、上海复写纸厂、成都墨水厂,参加起草单位:广州文具厂、武汉人民印刷厂、郑州市铜版纸厂、温州市文教用品厂、天山文具厂。本标准主要起草人:黄灵霞、郑万春、宋披天、沈秀清。自本标准实施之日起,原轻工业部部标准QB/T1204一1991《双面蓝色复写纸》作废。202
1范围
中华人民共和国轻工行业标准
双面蓝色复写纸
QB/T1204--1997
TKAKAca
本标准规定了双面蓝色复写纸的产品分类、技术要求、试验方法、检验规则、标志、包装、运输、贮存。本标准适用于用手抄或打字复制一式多份文件使用的双面蓝色复写纸。2引用标准
下列标准所包含的条文,通过在本标准中引用而构成为本标准的条文。本标准出版时,所示版本均为有效。所有标准都会被修订,使用本标准的各方应探讨使用下列标准最新版本的可能性。GB/T451.1—1989纸和纸板尺寸及偏斜度的测定法GB1910—1989新闻纸
GB/T 2828—1987
GB/T 2829—1987
GB/T 8938-—1988
逐批检查计数抽样程序及抽样表(适用于连续批的检查)周期检查计数抽样程序及抽样表(适用于生产过程稳定性的检查)打字纸
GB/T10342—1989
GB/T 126541990
QB/T3512—1999
3产品分类
纸张的包装和标志
书写纸
复写原纸
3.1双面蓝色复写纸为平装,按质量要求不同分为A等品、B等品。3.2特殊规格由供需双方另行商定。4技术要求
双面蓝色复写纸的规格尺寸应符合表1规定。4.1
极限偏差
规格尺寸
370×255
220×340
255×185
A等品
B等品
双面蓝色复写纸的技术指标应符合表2规定。4.2
中国轻工总会1997-06-20批准
A等品
极限偏斜
B等品
1998-04-01实施
QB/T1204--1997
技术指标
复写份数(第五份L值)
耐写次数(第十次L*值)
污染性(L值)
耐光性(L·值)
粘纸性(张数)
A等品
注:L·为明度值,表示物体颜色浓淡的值。L小,表示透过物体的光量弱,即物体的颜色淡。B等品
4.3外观要求
4.3.1纸面涂料均匀,不允许有影响使用的皱纹、破裂和其他疵病。外观要求的漏验率低于5%。5试验方法
5.1复写份数
5.1.1仪器及材料
a)专用划线测定仪;
b)测色色差计;
c)28g/m2打字纸(GB/T8938),C等品。5.1.2试验步骤
将打字纸裁成八张100mm×100mm规格三份,在距上端中间5mm处装订成小本。将所取试样裁成七张80mm×80mm规格三份,自下而上,分别夹入小本中央。划线方法见附录A(标准的附录),笔尖上的力为3.92N,纵横各划30条线,线的间距为1mm,线长50mm。取三个小本的第五份分别用测色色差计测出L*值,测试方法见附录B(标准的附录)。5.1.3试验结果下载标准就来标准下载网
将测出的L值,计算平均值。
5.2耐写次数
5.2.1仪器及材料
a)专用复写打印测定仪;
b)测色色差计;
c)51g/m2新闻纸(GB1910),C等品,宽18mm;d)17g/m2复写原纸(QB/T3512)。5.2.2试验步骤
将所取试样裁成80mm×30mm规格三份,然后和相同大小的复写原纸相叠,卡在专用复写打印测定仪的字锤上(白纸贴字锤)。打印时,相对湿度为60%~65%,温度为(23士1)C,打印冲击力为8.82×10″N/m。在18mm宽的新闻纸上连续均勾地打印20次。将试样的另面(移动位置)重复上述方法操作。
将三份第十次“次数”的字样,用测色色差计测出L*值,测试方法见附录B。5.2.3试验结果
要求目字迹清晰度应达到字迹可辨。将测出的L值,计算平均值。
5.3污染性
5.3.1仪器及材料
a)测色色差计;
b)质量1000g的金属码;
c)80mmX60mmX5mm玻璃板;
d)25mmX20mmX2mm玻璃片;
e)恒温烘箱;
f)17g/m2复写原纸(QB/T3512)。5.3.2试验步骤
QB/T1204-1997
将复写原纸裁成六张80mm×60mm规格三份,并装订成小本。KAKAca
将试样裁成五张45mm×35mm规格三份,分别夹入小本中。夹人时,试样与小本的下端取中对齐。将玻璃板、玻璃片、码置于恒温烘箱内,温度为(40土1)℃,预热30~~45min。然后将试样放在玻璃板上,小玻璃片放在试样的正中部位,加上1000g的码,恒温1h,抽出试样纸。将小本有颜色的部位置于测色色差计上,测出三个小本L*值,测试方法见附录B。5.3.3试验结果
将测出的L*值,计算平均值。
5.4耐光性
5.4.1仪器及材料
a)专用划线测定仪;
b)测色色差计;
c)紫外线灯管(220V,30W)及支架;d)60g/m2书写纸(GB/T12654),C等品。5.4.2试验步骤
将试样裁成三份80mm×80mm规格(正反两面检测),分别夹在两张100mm×100mm规格的书写纸中,划线方法见附录A,笔尖上的力为2.94N,纵横各划30条线,线的间距为1mm,线长50mm。取试样下面有格的书写纸置于紫外线灯管下,试样距灯管50mm,连续照射24h。将照射后的三份有格的书写纸置于测色色差计上,测出L\值,测试方法见附录B。5.4.3试验结果
将测出的L*值,计算平均值。
5.5粘纸性
5.5.1仪器及材料
a)专用划线测定仪;
b)质量50g的码三个;
c)28g/m2打字纸(GB/T8938),C等品。5.5.2、试验步骤
试样及小本规格同5.1.2,然后将试样从下而上分别夹入小本中,试样应露出小本下端10mm。划线方法见附录A。要求笔上的力为3.92N,纵向划10条线,线的间距为3mm,线长50mm。将样本放在干燥洁净无痕迹的玻璃板上,在样本的上端左、中、右处分别放上一个50g的码(不要压住试样),与玻璃板平行方向缓慢拖动第一张打字纸,滑动超过20mm尚未拉出为粘纸,然后将此纸揭去。如此连续做第二张、第三张··,直至在滑行20mm内能够脱离为止。5.5.3试验结果
以滑行在20mm以内(含20mm)能够拉出来的数目为不粘纸。取其前一张粘纸数表示,三次的算术平均值为粘纸结果。
5.6外观要求用自测检验,规格尺寸用分度值为1mm的直尺检查,偏斜度按GB/T451.1的规定进行测定。
6检验规则
QB/T 1204--1997
6.1检验方法采用计数法,样本单位为盒。6.2产品检验分为出厂检验和型式检验。6.3出厂检验
6.3.1出厂检验按GB/T2828特殊检查水平S-3的一次抽样方案检查。6.3.2出厂检验的项目及合格质量水平(AQL),按表3规定执行。表3
不合格品分类
6.4型式检验
试验项目及条款
规格尺寸4.1
外观要求 4.3
试验方法及条款
合格质量水平(AQL)
A等品
B等品
6.4.1型式检验的样本必须在出厂检验合格的批中随机抽取。6.4.2型式检验每年至少进行-次,生产厂可根据需要自定型式检验周期。发生下列情况时,也应进行型式检验。
a)正式生产后,如结构、材料、工艺有较大改变,可能影响产品性能时;b)出厂检验结果与上次型式检验结果有较大差异时;c)国家质量监督机构提出进行型式检验的要求时。6.4.3型式检验按GB/T2829判别水平I的一次周期抽样方案。6.4.4型式检验的项目及不合格质量水平(RQL),按表4规定执行。表4
不合格品分类
试验项目及条款
复写份数4.2(1)
耐写次数4.2(2)
污染性4.2(3)
耐光性4.2(4)
粘纸性4.2(5)
6.5需方可按本标准中全部技术要求验收。7标志、包装、运输、贮存
试验方法及条款
不合格质量水平(RQL))
A等品
B等品
7.1盒内应有产品合格证,并衬垫防潮蜡纸。盒外及包装箱外应有品名、牌号、规格尺寸、数量、生产日期、厂名。包装箱外还应有体积、重量、厂址、防潮等标志。特殊包装由供需双方另行规定。7.2贮存仓库应通风、阴凉、干燥,勿近热源。货箱应用木脚桩垫起,避免受潮,同时不得受曝晒。人库产品应做到先进先销售。
7.3运输和贮存必须平放。运输途中不得受曝晒、雨淋。应使用有篷而洁净的工具运输。装卸时应轻搬轻放,保证产品平整完好。
7.4在上述保管条件下,自生产日期起,一年内产品应符合本标准技术指标,二年内误差不得超过20%。
QB/T12041997
附录A
(标准的附录)
专用划线测定仪的使用方法及试验条件TKKAa
在待划线的试样上,放一张与试样相同大小的透明玻璃纸或聚酯膜,并固定在划线仪平板上。在湿度为60%~65%,温度为(23士1)℃的条件下划线,笔尖为g0.7mm,笔尖上加的重量、划线的数量、方向和线的间距按各个指标的具体要求来测试。注:使用的透明玻璃纸或聚酯膜的厚度为0.020~0.025mm。附录B
(标准的附录)
测色色差计的使用方法
先把黑色模具放在色差计的探头上,然后把待测试样放在有模具的探头上。测复写份数、污染性、耐光性指标时,使用中间圆孔$20的模具。测耐写次数指标时,使用中间16mm×5mm的矩形门模具。然后在试样上压上黑色盖板,测出L\值:207
小提示:此标准内容仅展示完整标准里的部分截取内容,若需要完整标准请到上方自行免费下载完整标准文档。
标准图片预览:





- 其它标准
- 热门标准
- 轻工行业标准(QB)
- QB/T2637-2004 圆刀裁剪机
- QB/T5247-2018 箱包配件塑料插扣耐 用性能试验方法
- QB/T2425-1998 封箱用再湿性牛皮纸胶粘带
- QB/T1584-2005 日用皮手套
- QB/T1664-1998 纸板戳穿强度测定仪
- QB/T2501-2000 重力式自动装料衡器
- QB/T2161-1995 儿童推车整车通用技术条件
- QB1229-1991 食品添加剂羟丙基淀粉醚
- QB/T4317-2012 浸塑衣架
- QB/T2518—2001 地毯用毛纱
- QB/T2569.6-2002 钢锉 木锉
- QB/T1657.3-2002 圆号
- QB/T2569.4-2002 钢锉 异形锉
- QB2584-2003 蒸汽淋浴房
- QB/T1948-2004 柳琴
- 行业新闻
请牢记:“bzxz.net”即是“标准下载”四个汉字汉语拼音首字母与国际顶级域名“.net”的组合。 ©2025 标准下载网 www.bzxz.net 本站邮件:bzxznet@163.com
网站备案号:湘ICP备2025141790号-2
网站备案号:湘ICP备2025141790号-2