- 您的位置:
- 标准下载网 >>
- 标准分类 >>
- 轻工行业标准(QB) >>
- QB/T 1205-1991 标枪
标准号:
QB/T 1205-1991
标准名称:
标枪
标准类别:
轻工行业标准(QB)
标准状态:
现行-
发布日期:
1991-07-03 -
实施日期:
1992-02-01 出版语种:
简体中文下载格式:
.rar.pdf下载大小:
132.68 KB
中标分类号:
轻工、文化与生活用品>>文教、体育、娱乐用品>>Y56体育用品
替代情况:
SG 150-1979采标情况:
国际田径联合会1988/89竞赛规则
点击下载
标准简介:
标准下载解压密码:www.bzxz.net
本标准规定了标枪的产品分类、技术要求、试验方法、检验规则和标志、包装、运输、贮存要求。本标准适用于竞赛、练习使用的标枪。 QB/T 1205-1991 标枪 QB/T1205-1991
部分标准内容:
中华人民共和国轻工行业标准
1主题内容与适用范围
QB/T 1205-- 1991
本标准规定了标枪的产品分类、技术要求、试验方法、检验规则和标志、包装、运输、贮存要求。本标准适用于竞赛、练习使用的标枪。引用标准
GB5938轻工产品金属镀层和化学处理层耐腐蚀测试方法中性盐雾试验(NSS)法GB5944轻工产品金属镀层腐蚀试验结果的评价3产品分类
3.1按使用要求分为竞赛标枪、练习标枪。每种又分为男子、女子、少年标枪三类。3.2标枪各部位名称(见图1)。
标枪重心
前段中点
基本参数(见表1、表2)。
总质量,g
标枪全长
标枪尖长
枪身最大直径
枪尖至重心距离
缠绳把手宽度
805~825
2600~2700
900~1060
150~160
距枪尖150mm处直径
中华人民共和国轻工业部1991-07-03批准124
缠绳把手
后段中点
‘女子
605~620
2200~2300
250~330
800~950
140~150
705725
2400~2500
1000~1050
145~155
不大于枪身最大直径的80%
1992-02-01实施
距枪尾150mm处直径
前段中点直径
后段中点直径
把手绳前后端处枪身直
径的差值
枪尖角度
枪尖与枪身结合处直径
缩小的差值
枪尾末端的直径
总质量·g
标枪全长
标枪尖长
枪身最大直径
枪尖至重心距离
缠绳把手宽度
距枪尖150mm处直径
距枪尾150mm处直径
4技术要求
QB/T 1205—1991
续表1
不小于枪身最大直径的40%
不小于枪身最大直径的30%
不大于枪身最大直径的90%
不小于枪身最大直径的90%
800~830
2600~2 700
900~1060
150~160
不小于枪身大直径的70%
不大于0.25
不大于40°
不大于2.5
不小于3.5
600~625
2200~2 300
250~330
800~950
140~150
700~725
2400~2500
900~1050
145~155
不大于枪身最大直径的80%
不小于枪身最大直径的40%
4.1标枪基本参数应符合3.3条的规定。不小于枪身最大直径的30%
4.2标枪轴线中点的圆跳动公差值,竞赛使用的标枪不超过1.5mm,练习使用的标枪不超过2.5mm。4.3枪身任何部位的横截面应呈圆形,其最大最小直径之差,竞赛标枪不超过平均直径的2%,练习标枪不超过平均直径的3%【平均直径一(最大直径十最小直径)/2]4.4把手绳应包住重心,其直径不超过缠绳处枪身直径8mm,缠绳要有规律,不滑动,均勾无结,无绳头。
练习标枪弹性性能要求(见表3)。4.5
静载荷、N
加载时间,s
下垂量,mm
残余变形,mm
不大于0.6
不大于0.25
不大于1
不大于0.8
不大于0.30
ii KAoNiiKAc
QB/T1205--1991
6竞赛标枪尾部刚性性能要求(见表4)。4. 6
静载荷,N
加载时间,s
变形量,mm
残余变形,mm
4.7电镀的标枪枪尖防腐蚀性能:连续喷雾4h,其耐腐蚀级别应达到6级。1.5
4.8标枪枪身表面采用喷漆、阳极氧化等工艺进行表面处理,表面应均匀,色泽一致,不起泡,无皱纹,无脏点,无明显的划伤。
标枪枪尖镀层表面应光亮,无漏底,无泛黄。4.9枪身流线形状变化均勾,表面无凹陷。4.10主要原材料要求如下:
a.比赛使用的标枪枪身、枪尖均采用金属材料制成;练习使用的标枪枪尖用金属材料制成,枪身用金属、木材或其他材料制成。b.木制标枪选用红松、白松、黄花松、水曲柳等,材质无裂缝,无腐朽,中间35mm以内角质节(活节)不允许超过三个,不允许有死节,木材含水率江北不得高于15%,江南不得高于18%。5试验方法
5.1总质量用示值误差为2g的天平、台秤等仪器检测。5.2长度尺寸和重心位置用示值误差为2mm的量具测量。5.3直径尺寸用示值误差为0.02mm的卡尺测量。5.4枪尖角度用万能角度尺测量。5.5圆跳动检验方法:标枪与地面垂直,两端同心,在标枪中点枪身上用示值误差为0.01mm的百分表测定,其最大最小值之差的二分之一,即为标枪轴线中点的圆跳动。弹性性能检验方法:以标枪重心为中点,在间距为240mm的中心加静载荷来测量(见图2)。5.6
加力点
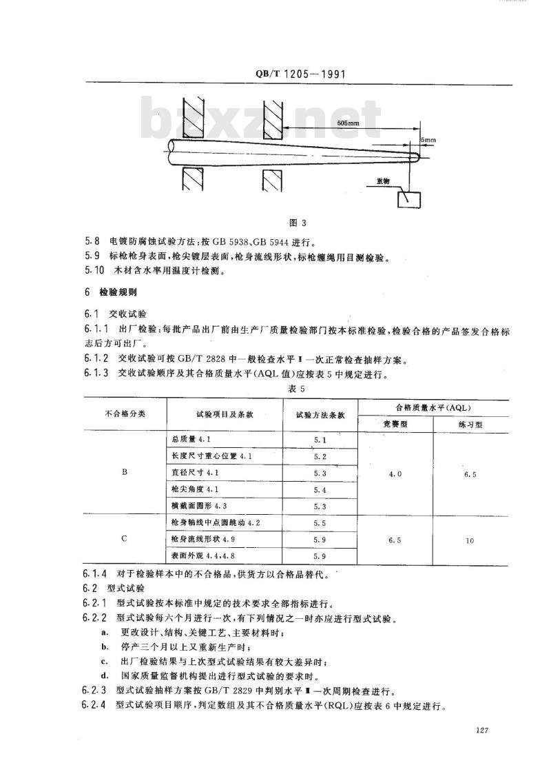
5.7尾部刚性性能检验方法:将标枪固定在夹具上进行(见图3)。126
QB/T1205---1991
5.8电镀防腐蚀试验方法:按GB5938、GB5944进行。重物
5.9标枪枪身表面,枪尖镀层表面,枪身流线形状,标枪缠绳用目测检验。5.10木材含水率用温度计检测。6检验规则
6.1交收试验
6.1.1出厂检验:每批产品出厂前由生产厂质量检验部门按本标准检验,检验合格的产品签发合格标志后方可出厂。
6.1.2交收试验可按GB/T2828中一般检查水平Ⅱ一次正常检查抽样方案。6.1.3交收试验顺序及其合格质量水平(AQL值)应按表5中规定进行。表5
不合格分类
试验项目及条款
总质量4.1
长度尺寸重心位照4.1
直径尺寸4.1
枪尖角度4.1
横截面圆形4.3
枪身轴线中点圆跳动4.2免费标准bzxz.net
枪身流线形状4.9
表面外观4.4,4.8
试验方法条款
6.1.4对于检验样本中的不合格品,供货方以合格品替代。6.2型式试验
型式试验按本标准中规定的技术要求全部指标进行。合格质量水平(AQL)
竞赛型
型式试验每六个月进行一次,有下列情况之一时亦应进行型式试验。更改设计、结构、关键工艺、主要材料时;停产三个月以上又重新生产时;出厂检验结果与上次型式试验结果有较大差异时;国家质量监督机构提出进行型式试验的要求时。3型式试验抽样方案按GB/T2829中判别水平1—次周期检查进行。6.2.3
6.2.4型式试验项目顺序,判定数组及其不合格质量水平(RQL)应按表6中规定进行。练习型
试验项目及条款
弹性性能4.5
尾刚性4.6
电镀层防腐性
木材含水率
试验方法条款
QB/T1205--1991
判定数组(A。R.)
竞赛型
练习型
6.2.5型式试验合格,经交收试验合格的批应该可以出厂或入库。7标志、包装、运输、贮存
不合格质量水平(RQL)
竞赛型
练习型
7.1标志:每支标枪应有商标、规格及合格证等标志,包装箱外有产品名称、生产厂名、出厂日期,包装箱体积、内装标枪数量等标志。7.2包装:标枪必须有内包装、外包装。7.3运输:轻装轻卸,防止日晒雨淋。7.4贮存:仓库应通风、干燥,严禁接触酸碱及其他腐蚀性物质,避免重压、撞压。附加说明:
本标准由轻工业部质量标准司提出。本标准由全国文体用品标准化中心归口。本标准由北京体育器械厂、北京文体用品研究所负责起草。本标准主要起草人乔宁、何余灵、韩淑琴。本标准参照采用《国际田径联合会1988/89竞赛规则》。128
小提示:此标准内容仅展示完整标准里的部分截取内容,若需要完整标准请到上方自行免费下载完整标准文档。
1主题内容与适用范围
QB/T 1205-- 1991
本标准规定了标枪的产品分类、技术要求、试验方法、检验规则和标志、包装、运输、贮存要求。本标准适用于竞赛、练习使用的标枪。引用标准
GB5938轻工产品金属镀层和化学处理层耐腐蚀测试方法中性盐雾试验(NSS)法GB5944轻工产品金属镀层腐蚀试验结果的评价3产品分类
3.1按使用要求分为竞赛标枪、练习标枪。每种又分为男子、女子、少年标枪三类。3.2标枪各部位名称(见图1)。
标枪重心
前段中点
基本参数(见表1、表2)。
总质量,g
标枪全长
标枪尖长
枪身最大直径
枪尖至重心距离
缠绳把手宽度
805~825
2600~2700
900~1060
150~160
距枪尖150mm处直径
中华人民共和国轻工业部1991-07-03批准124
缠绳把手
后段中点
‘女子
605~620
2200~2300
250~330
800~950
140~150
705725
2400~2500
1000~1050
145~155
不大于枪身最大直径的80%
1992-02-01实施
距枪尾150mm处直径
前段中点直径
后段中点直径
把手绳前后端处枪身直
径的差值
枪尖角度
枪尖与枪身结合处直径
缩小的差值
枪尾末端的直径
总质量·g
标枪全长
标枪尖长
枪身最大直径
枪尖至重心距离
缠绳把手宽度
距枪尖150mm处直径
距枪尾150mm处直径
4技术要求
QB/T 1205—1991
续表1
不小于枪身最大直径的40%
不小于枪身最大直径的30%
不大于枪身最大直径的90%
不小于枪身最大直径的90%
800~830
2600~2 700
900~1060
150~160
不小于枪身大直径的70%
不大于0.25
不大于40°
不大于2.5
不小于3.5
600~625
2200~2 300
250~330
800~950
140~150
700~725
2400~2500
900~1050
145~155
不大于枪身最大直径的80%
不小于枪身最大直径的40%
4.1标枪基本参数应符合3.3条的规定。不小于枪身最大直径的30%
4.2标枪轴线中点的圆跳动公差值,竞赛使用的标枪不超过1.5mm,练习使用的标枪不超过2.5mm。4.3枪身任何部位的横截面应呈圆形,其最大最小直径之差,竞赛标枪不超过平均直径的2%,练习标枪不超过平均直径的3%【平均直径一(最大直径十最小直径)/2]4.4把手绳应包住重心,其直径不超过缠绳处枪身直径8mm,缠绳要有规律,不滑动,均勾无结,无绳头。
练习标枪弹性性能要求(见表3)。4.5
静载荷、N
加载时间,s
下垂量,mm
残余变形,mm
不大于0.6
不大于0.25
不大于1
不大于0.8
不大于0.30
ii KAoNiiKAc
QB/T1205--1991
6竞赛标枪尾部刚性性能要求(见表4)。4. 6
静载荷,N
加载时间,s
变形量,mm
残余变形,mm
4.7电镀的标枪枪尖防腐蚀性能:连续喷雾4h,其耐腐蚀级别应达到6级。1.5
4.8标枪枪身表面采用喷漆、阳极氧化等工艺进行表面处理,表面应均匀,色泽一致,不起泡,无皱纹,无脏点,无明显的划伤。
标枪枪尖镀层表面应光亮,无漏底,无泛黄。4.9枪身流线形状变化均勾,表面无凹陷。4.10主要原材料要求如下:
a.比赛使用的标枪枪身、枪尖均采用金属材料制成;练习使用的标枪枪尖用金属材料制成,枪身用金属、木材或其他材料制成。b.木制标枪选用红松、白松、黄花松、水曲柳等,材质无裂缝,无腐朽,中间35mm以内角质节(活节)不允许超过三个,不允许有死节,木材含水率江北不得高于15%,江南不得高于18%。5试验方法
5.1总质量用示值误差为2g的天平、台秤等仪器检测。5.2长度尺寸和重心位置用示值误差为2mm的量具测量。5.3直径尺寸用示值误差为0.02mm的卡尺测量。5.4枪尖角度用万能角度尺测量。5.5圆跳动检验方法:标枪与地面垂直,两端同心,在标枪中点枪身上用示值误差为0.01mm的百分表测定,其最大最小值之差的二分之一,即为标枪轴线中点的圆跳动。弹性性能检验方法:以标枪重心为中点,在间距为240mm的中心加静载荷来测量(见图2)。5.6
加力点
5.7尾部刚性性能检验方法:将标枪固定在夹具上进行(见图3)。126
QB/T1205---1991
5.8电镀防腐蚀试验方法:按GB5938、GB5944进行。重物
5.9标枪枪身表面,枪尖镀层表面,枪身流线形状,标枪缠绳用目测检验。5.10木材含水率用温度计检测。6检验规则
6.1交收试验
6.1.1出厂检验:每批产品出厂前由生产厂质量检验部门按本标准检验,检验合格的产品签发合格标志后方可出厂。
6.1.2交收试验可按GB/T2828中一般检查水平Ⅱ一次正常检查抽样方案。6.1.3交收试验顺序及其合格质量水平(AQL值)应按表5中规定进行。表5
不合格分类
试验项目及条款
总质量4.1
长度尺寸重心位照4.1
直径尺寸4.1
枪尖角度4.1
横截面圆形4.3
枪身轴线中点圆跳动4.2免费标准bzxz.net
枪身流线形状4.9
表面外观4.4,4.8
试验方法条款
6.1.4对于检验样本中的不合格品,供货方以合格品替代。6.2型式试验
型式试验按本标准中规定的技术要求全部指标进行。合格质量水平(AQL)
竞赛型
型式试验每六个月进行一次,有下列情况之一时亦应进行型式试验。更改设计、结构、关键工艺、主要材料时;停产三个月以上又重新生产时;出厂检验结果与上次型式试验结果有较大差异时;国家质量监督机构提出进行型式试验的要求时。3型式试验抽样方案按GB/T2829中判别水平1—次周期检查进行。6.2.3
6.2.4型式试验项目顺序,判定数组及其不合格质量水平(RQL)应按表6中规定进行。练习型
试验项目及条款
弹性性能4.5
尾刚性4.6
电镀层防腐性
木材含水率
试验方法条款
QB/T1205--1991
判定数组(A。R.)
竞赛型
练习型
6.2.5型式试验合格,经交收试验合格的批应该可以出厂或入库。7标志、包装、运输、贮存
不合格质量水平(RQL)
竞赛型
练习型
7.1标志:每支标枪应有商标、规格及合格证等标志,包装箱外有产品名称、生产厂名、出厂日期,包装箱体积、内装标枪数量等标志。7.2包装:标枪必须有内包装、外包装。7.3运输:轻装轻卸,防止日晒雨淋。7.4贮存:仓库应通风、干燥,严禁接触酸碱及其他腐蚀性物质,避免重压、撞压。附加说明:
本标准由轻工业部质量标准司提出。本标准由全国文体用品标准化中心归口。本标准由北京体育器械厂、北京文体用品研究所负责起草。本标准主要起草人乔宁、何余灵、韩淑琴。本标准参照采用《国际田径联合会1988/89竞赛规则》。128
小提示:此标准内容仅展示完整标准里的部分截取内容,若需要完整标准请到上方自行免费下载完整标准文档。
标准图片预览:





- 其它标准
- 上一篇: QB/T 1201-1991 手工木工凿
- 下一篇: QB/T 1199-1991 浮球阀
- 热门标准
- 轻工行业标准(QB)
- QB/T5247-2018 箱包配件塑料插扣耐 用性能试验方法
- QB/T2425-1998 封箱用再湿性牛皮纸胶粘带
- QB/T1584-2005 日用皮手套
- QB/T1664-1998 纸板戳穿强度测定仪
- QB/T2501-2000 重力式自动装料衡器
- QB/T2161-1995 儿童推车整车通用技术条件
- QB1229-1991 食品添加剂羟丙基淀粉醚
- QB/T4317-2012 浸塑衣架
- QB/T2518—2001 地毯用毛纱
- QB/T2569.6-2002 钢锉 木锉
- QB/T1657.3-2002 圆号
- QB/T2569.4-2002 钢锉 异形锉
- QB2584-2003 蒸汽淋浴房
- QB/T2591-2003 抗菌塑料-抗菌性能试验方法和抗菌效果
- QB/T1948-2004 柳琴
- 行业新闻
请牢记:“bzxz.net”即是“标准下载”四个汉字汉语拼音首字母与国际顶级域名“.net”的组合。 ©2025 标准下载网 www.bzxz.net 本站邮件:bzxznet@163.com
网站备案号:湘ICP备2025141790号-2
网站备案号:湘ICP备2025141790号-2