- 您的位置:
- 标准下载网 >>
- 标准分类 >>
- 轻工行业标准(QB) >>
- QB/T 1199-1991 浮球阀
标准号:
QB/T 1199-1991
标准名称:
浮球阀
标准类别:
轻工行业标准(QB)
标准状态:
现行-
实施日期:
1992-02-01 出版语种:
简体中文下载格式:
.rar.pdf下载大小:
132.42 KB
点击下载
标准简介:
标准下载解压密码:www.bzxz.net
本标准规定了浮球阀产品分类、技术要求、试验方法、检验规则、标志、包装、运输、贮存要求本标准适用于公称压力0.6MPa,公称通径DN≤100mm,安装在建筑物给水池、给水箱上的浮球阀。 QB/T 1199-1991 浮球阀 QB/T1199-1991
部分标准内容:
中华人民共和国轻工行业标准
主题内容与适用范围
QB/T 1199-1991
本标准规定了浮球阀产品分类、技术要求、试验方法、捡验规则、标志、包装、运输、贮存要求。本标准适用于公称压力0.6MPa,公称通径Dn<100mm,安装在建筑物给水池、给水箱上的浮球阀。
2引用标准
GB/T 1176
GB/T2040
GB/T2828
GB/T 2829
GB/T 3287
GB/T 7307
铸造铜合金
逐批检查计数抽样程序及抽样表(适用于连续批的检查)周期检查计数抽样程序及抽样表(适用于生产过程稳定性的检查)可锻铸铁管路连接件通用技术条件非螺纹密封的管螺纹
密封橡胶制品(环状)
HG/T 4—329
JB/T2121铜合金铸件技术条件
3产品分类
3.1品种
建筑物给水箱、给水池用浮球阀,代号J。3.2规格
产品规格按表1规定。
公称通径Dn,mm
配接管螺纹尺寸代号
3.3产品代号
中华人民共和国轻工业部1991-07-03批准336
公称压力
配接管螺纹
1992-02-01实施
3.4标记示例:
QB/T1199-1991
公称压力为0.6MPa,由管螺纹连接的,安装于给水池、给水箱上的浮球阀。浮球阀JL-0.6QB/T1199
3.5基本尺寸
产品基本尺寸应符合图1、表2规定。3
1—六角帽;2—闭体;3—阀芯;4—浮球;5—氮杆图1
公称通径
管螺纹尺寸代号
性能参数应符合表3规定。
公称压力,MPa
使用介质
适用度,
4技术要求
4.1使用性能
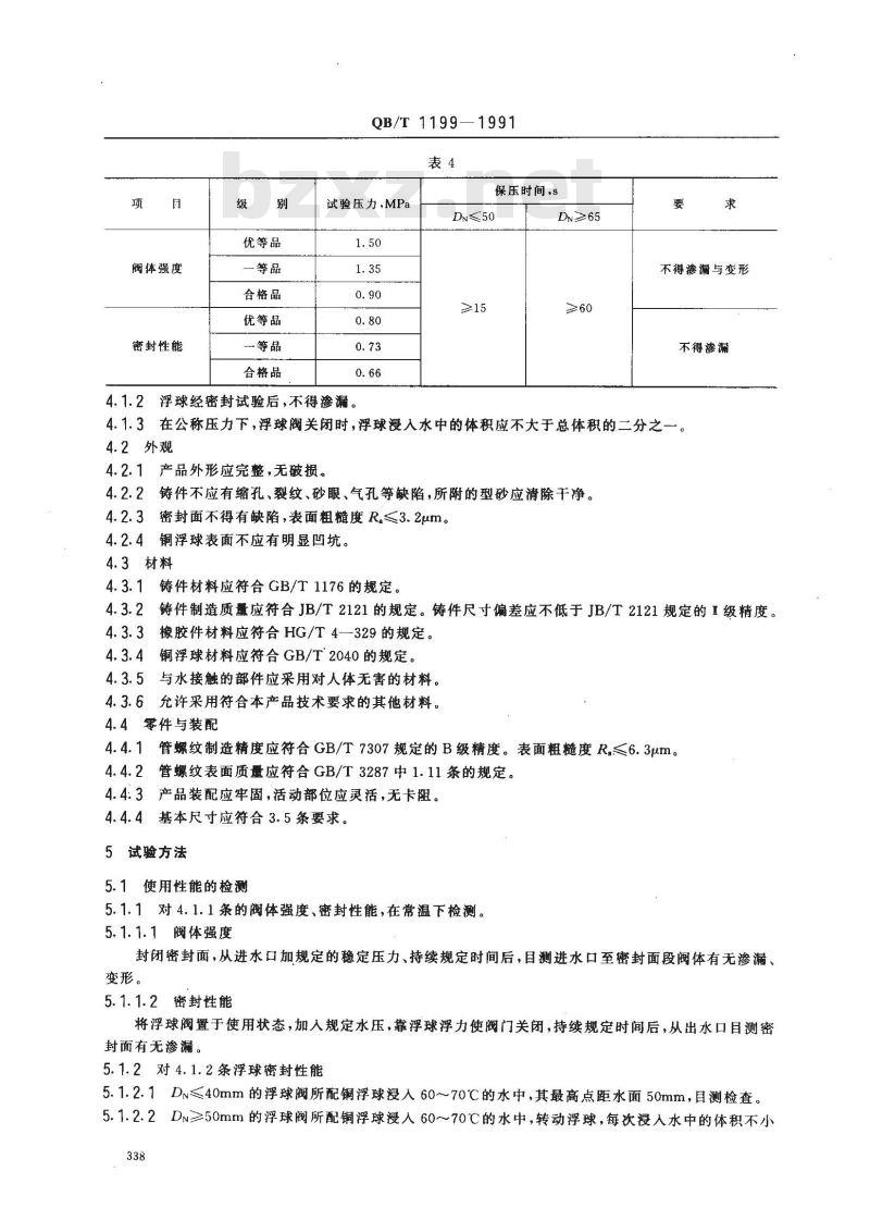
4. 1. 1浮球阀阀体强度、密封性能应符合表 4规定。d
阀体强度
密封性能
优等品
合格品
优等品
合格品
QB/T 1199—1991
试验压力,MPa
4.1.2浮球经密封试验后,不得渗漏。保压时间,s
D≤50
Dn≥65
不得渗漏与变形
不得渗漏
4.1.3在公称压力下,浮球阀关闭时,浮球浸人水中的体积应不大于总体积的二分之一4.2外观
4.2.1产品外形应完整,无破损。4.2.2铸件不应有缩孔、裂纹、砂眼、气孔等缺陷,所附的型砂应清除干净。4.2.3密封面不得有缺陷,表面粗糙度R。≤3.2um。4.2.4铜浮球表面不应有明显凹坑。4.3材料
4.3.1铸件材料应符合GB/T1176的规定。4.3.2铸件制造质量应符合JB/T2121的规定。铸件尺寸偏差应不低于JB/T2121规定的I级精度。4.3.3橡胶件材料应符合HG/T4—329的规定。4.3.4
铜浮球材料应符合GB/T2040的规定。4.3.5与水接触的部件应采用对人体无害的材料。4.3.6允许采用符合本产品技术要求的其他材料。4.4零件与装配
管螺纹制造精度应符合GB/T7307规定的B级精度。表面粗糙度R≤6.3μm。4.4.1
4.4.2管螺纹表面质量应符合GB/T3287中1.11条的规定。4.4:3产品装配应牢固,活动部位应灵活,无卡阻。4.4.4基本尺寸应符合3.5条要求。5试验方法
5. 1 使用性能的检测
5.1.1对4.1.1条的阀体强度、密封性能,在常温下检测。5.1.1.1阀体强度
封闭密封面,从进水口加规定的稳定压力、持续规定时间后,目测进水口至密封面段阀体有无渗漏、变形。
5.1.1.2密封性能
将浮球阀置于使用状态,加入规定水压,靠浮球浮力使阀门关闭,持续规定时间后,从出水口目测密封面有无渗漏。
5.1.2对4.1.2条浮球密封性能
5.1.2.1Dz≤40mm的浮球阀所配铜浮球浸人60~70℃的水中,其最高点距水面50mm,目测检查。5.1.2.2D≥50mm的浮球阀所配铜浮球浸人60~70℃的水中,转动浮球,每次浸入水中的体积不小338
QB/T 1199—1991
于整体体积的三分之一,目测检查,直至全球受检。5.1.3对4.1.3条:将浮球阀按使用状态安装,在公称压力下关闭,目测浮球浸人水中的体积。5.2外观检测
TKAKAca
对表面质量凭目测。自物距300~350mm,光照度不小于300lx,不得借助任何放大器。表面粗糙度按粗糙度标准样块类比检查,有争议时,采用电动轮廓仪进行仲裁。5.3材料检测
按相应的标准检查。
5.4零件与装配检测
5.4.1管螺纹用相应精度的管螺纹量规检测。表面粗糙度按粗糙度标准样块类比检查,有争议时,采用电动轮廊仪进行仲裁。
5.4.2管螺纹表面质量按相应标准要求检测。5.4.3对4.4.3条凭手感、目测检验。5.4.4基本尺寸,用相应精度的量具检测。6检验规则
6.1产品检验分出厂检验和型式检验。6.2出厂检验应按GB/T2828的规定进行,采用-一般检查水平1,一次抽样方案。6.2.1产品须经制造厂检验部门检验合格后,才能出厂,接受方有权对交收批进行复验。6.2.2出厂检验项目,不合格类别、合格质量水平(AQL)按表5规定。表5
不合格类别
检验项目
浮球阀阀体强度
4.1.1浮球阀密封性能
4.1.2浮球密封性wwW.bzxz.Net
4.2.3密封面质量
管螺纹精度
4.4.3装配牢固
4.1.3浮球漫人水中体积
4.2.1外形完整
4.2.2铸件质量
铜浮球表面
管螺纹表面
4.4.4基本尺寸
6.3型式检验应按GB/T2829的规定进行,采用判别水平1,一次抽样方案。当遇到下列情况之一时,应进行型式检验。6.3.1
新产品或老产品转厂生产的试制定型鉴定;正式生产后,如结构、材料、工艺有较大改变,可能影响产品性能时;产品停产半年后,恢复生产时;正常生产年后;
合格质量水平
QB/T 1199-1991
e、出广检验结果与上次型式检验结果有较大差异时。6.3.2型式检验样品应在提交批中提取,其项目、不合格类刻、判别数组、不合格质量水平(RQL)按表6规定。
不合格类别
7标志、包装、运输、贮存
7.1标志
7.1.1产品标志
检验项目
4.3材料
产品应有注册商标或制造名。
7.1.2包装标志
7.1.2.1内包装应有如下标志:
产品名称和型号:
注珊商标,
厂名。
7.1.2.2外包装应有如下标志:
名称和型号;
注册商标:
公称通径:
数量,
毛薰、净重:
体积,
制造厂名;
出广期。
判别数组
不含格质量水平(RQL)
7.2包装
7.2.1产品包装材料由供需双方协商决定,包装应牢固,并能保证阀体及浮球不被损坏。7.2.2包装中应有:
由检验员签证的合格证:
b。产品使用说明书;
装箱单。
7.3运输
产品在运输中避免冲击、挤压、淋、受潮及化学品腐蚀。7.4贮存
产品应存放在通风良好,干燥的室内,不得与能引起产喆魔蚀变质的物品共一室。附加说明:
本标准由轻工业部质量标准司提出。本标准由全国建筑五金标准化中心归口。本标准斑天津市通用器材厂、上海市建筑五金工业研究所、上海市高桥水暖零件厂负责起草。本标准主婴起草人张蕴珠、李小芸、吴辉民、李瑞良。340
小提示:此标准内容仅展示完整标准里的部分截取内容,若需要完整标准请到上方自行免费下载完整标准文档。
主题内容与适用范围
QB/T 1199-1991
本标准规定了浮球阀产品分类、技术要求、试验方法、捡验规则、标志、包装、运输、贮存要求。本标准适用于公称压力0.6MPa,公称通径Dn<100mm,安装在建筑物给水池、给水箱上的浮球阀。
2引用标准
GB/T 1176
GB/T2040
GB/T2828
GB/T 2829
GB/T 3287
GB/T 7307
铸造铜合金
逐批检查计数抽样程序及抽样表(适用于连续批的检查)周期检查计数抽样程序及抽样表(适用于生产过程稳定性的检查)可锻铸铁管路连接件通用技术条件非螺纹密封的管螺纹
密封橡胶制品(环状)
HG/T 4—329
JB/T2121铜合金铸件技术条件
3产品分类
3.1品种
建筑物给水箱、给水池用浮球阀,代号J。3.2规格
产品规格按表1规定。
公称通径Dn,mm
配接管螺纹尺寸代号
3.3产品代号
中华人民共和国轻工业部1991-07-03批准336
公称压力
配接管螺纹
1992-02-01实施
3.4标记示例:
QB/T1199-1991
公称压力为0.6MPa,由管螺纹连接的,安装于给水池、给水箱上的浮球阀。浮球阀JL-0.6QB/T1199
3.5基本尺寸
产品基本尺寸应符合图1、表2规定。3
1—六角帽;2—闭体;3—阀芯;4—浮球;5—氮杆图1
公称通径
管螺纹尺寸代号
性能参数应符合表3规定。
公称压力,MPa
使用介质
适用度,
4技术要求
4.1使用性能
4. 1. 1浮球阀阀体强度、密封性能应符合表 4规定。d
阀体强度
密封性能
优等品
合格品
优等品
合格品
QB/T 1199—1991
试验压力,MPa
4.1.2浮球经密封试验后,不得渗漏。保压时间,s
D≤50
Dn≥65
不得渗漏与变形
不得渗漏
4.1.3在公称压力下,浮球阀关闭时,浮球浸人水中的体积应不大于总体积的二分之一4.2外观
4.2.1产品外形应完整,无破损。4.2.2铸件不应有缩孔、裂纹、砂眼、气孔等缺陷,所附的型砂应清除干净。4.2.3密封面不得有缺陷,表面粗糙度R。≤3.2um。4.2.4铜浮球表面不应有明显凹坑。4.3材料
4.3.1铸件材料应符合GB/T1176的规定。4.3.2铸件制造质量应符合JB/T2121的规定。铸件尺寸偏差应不低于JB/T2121规定的I级精度。4.3.3橡胶件材料应符合HG/T4—329的规定。4.3.4
铜浮球材料应符合GB/T2040的规定。4.3.5与水接触的部件应采用对人体无害的材料。4.3.6允许采用符合本产品技术要求的其他材料。4.4零件与装配
管螺纹制造精度应符合GB/T7307规定的B级精度。表面粗糙度R≤6.3μm。4.4.1
4.4.2管螺纹表面质量应符合GB/T3287中1.11条的规定。4.4:3产品装配应牢固,活动部位应灵活,无卡阻。4.4.4基本尺寸应符合3.5条要求。5试验方法
5. 1 使用性能的检测
5.1.1对4.1.1条的阀体强度、密封性能,在常温下检测。5.1.1.1阀体强度
封闭密封面,从进水口加规定的稳定压力、持续规定时间后,目测进水口至密封面段阀体有无渗漏、变形。
5.1.1.2密封性能
将浮球阀置于使用状态,加入规定水压,靠浮球浮力使阀门关闭,持续规定时间后,从出水口目测密封面有无渗漏。
5.1.2对4.1.2条浮球密封性能
5.1.2.1Dz≤40mm的浮球阀所配铜浮球浸人60~70℃的水中,其最高点距水面50mm,目测检查。5.1.2.2D≥50mm的浮球阀所配铜浮球浸人60~70℃的水中,转动浮球,每次浸入水中的体积不小338
QB/T 1199—1991
于整体体积的三分之一,目测检查,直至全球受检。5.1.3对4.1.3条:将浮球阀按使用状态安装,在公称压力下关闭,目测浮球浸人水中的体积。5.2外观检测
TKAKAca
对表面质量凭目测。自物距300~350mm,光照度不小于300lx,不得借助任何放大器。表面粗糙度按粗糙度标准样块类比检查,有争议时,采用电动轮廓仪进行仲裁。5.3材料检测
按相应的标准检查。
5.4零件与装配检测
5.4.1管螺纹用相应精度的管螺纹量规检测。表面粗糙度按粗糙度标准样块类比检查,有争议时,采用电动轮廊仪进行仲裁。
5.4.2管螺纹表面质量按相应标准要求检测。5.4.3对4.4.3条凭手感、目测检验。5.4.4基本尺寸,用相应精度的量具检测。6检验规则
6.1产品检验分出厂检验和型式检验。6.2出厂检验应按GB/T2828的规定进行,采用-一般检查水平1,一次抽样方案。6.2.1产品须经制造厂检验部门检验合格后,才能出厂,接受方有权对交收批进行复验。6.2.2出厂检验项目,不合格类别、合格质量水平(AQL)按表5规定。表5
不合格类别
检验项目
浮球阀阀体强度
4.1.1浮球阀密封性能
4.1.2浮球密封性wwW.bzxz.Net
4.2.3密封面质量
管螺纹精度
4.4.3装配牢固
4.1.3浮球漫人水中体积
4.2.1外形完整
4.2.2铸件质量
铜浮球表面
管螺纹表面
4.4.4基本尺寸
6.3型式检验应按GB/T2829的规定进行,采用判别水平1,一次抽样方案。当遇到下列情况之一时,应进行型式检验。6.3.1
新产品或老产品转厂生产的试制定型鉴定;正式生产后,如结构、材料、工艺有较大改变,可能影响产品性能时;产品停产半年后,恢复生产时;正常生产年后;
合格质量水平
QB/T 1199-1991
e、出广检验结果与上次型式检验结果有较大差异时。6.3.2型式检验样品应在提交批中提取,其项目、不合格类刻、判别数组、不合格质量水平(RQL)按表6规定。
不合格类别
7标志、包装、运输、贮存
7.1标志
7.1.1产品标志
检验项目
4.3材料
产品应有注册商标或制造名。
7.1.2包装标志
7.1.2.1内包装应有如下标志:
产品名称和型号:
注珊商标,
厂名。
7.1.2.2外包装应有如下标志:
名称和型号;
注册商标:
公称通径:
数量,
毛薰、净重:
体积,
制造厂名;
出广期。
判别数组
不含格质量水平(RQL)
7.2包装
7.2.1产品包装材料由供需双方协商决定,包装应牢固,并能保证阀体及浮球不被损坏。7.2.2包装中应有:
由检验员签证的合格证:
b。产品使用说明书;
装箱单。
7.3运输
产品在运输中避免冲击、挤压、淋、受潮及化学品腐蚀。7.4贮存
产品应存放在通风良好,干燥的室内,不得与能引起产喆魔蚀变质的物品共一室。附加说明:
本标准由轻工业部质量标准司提出。本标准由全国建筑五金标准化中心归口。本标准斑天津市通用器材厂、上海市建筑五金工业研究所、上海市高桥水暖零件厂负责起草。本标准主婴起草人张蕴珠、李小芸、吴辉民、李瑞良。340
小提示:此标准内容仅展示完整标准里的部分截取内容,若需要完整标准请到上方自行免费下载完整标准文档。
标准图片预览:





- 其它标准
- 热门标准
- 轻工行业标准(QB)
- QB/T2637-2004 圆刀裁剪机
- QB/T5247-2018 箱包配件塑料插扣耐 用性能试验方法
- QB/T2425-1998 封箱用再湿性牛皮纸胶粘带
- QB/T1584-2005 日用皮手套
- QB/T1664-1998 纸板戳穿强度测定仪
- QB/T2501-2000 重力式自动装料衡器
- QB/T2161-1995 儿童推车整车通用技术条件
- QB1229-1991 食品添加剂羟丙基淀粉醚
- QB/T4317-2012 浸塑衣架
- QB/T2518—2001 地毯用毛纱
- QB/T2569.6-2002 钢锉 木锉
- QB/T1657.3-2002 圆号
- QB/T2569.4-2002 钢锉 异形锉
- QB2584-2003 蒸汽淋浴房
- QB/T1948-2004 柳琴
- 行业新闻
请牢记:“bzxz.net”即是“标准下载”四个汉字汉语拼音首字母与国际顶级域名“.net”的组合。 ©2025 标准下载网 www.bzxz.net 本站邮件:bzxznet@163.com
网站备案号:湘ICP备2025141790号-2
网站备案号:湘ICP备2025141790号-2