- 您的位置:
- 标准下载网 >>
- 标准分类 >>
- 机械行业标准(JB) >>
- JB/T 4121-1993 润滑元件及装置 型号编制方法
标准号:
JB/T 4121-1993
标准名称:
润滑元件及装置 型号编制方法
标准类别:
机械行业标准(JB)
标准状态:
现行-
发布日期:
1993-09-03 -
实施日期:
1994-07-01 出版语种:
简体中文下载格式:
.rar.pdf下载大小:
205.81 KB
替代情况:
JB 4121-85

点击下载
标准简介:
标准下载解压密码:www.bzxz.net
本标准规定了润滑件及装置产品的型号编制方法。 本标准适用于冶金、重型、矿山机械等行业的各类润滑件及装置产品的型号编制。 本标准不适用于对产品型号已有规定协议的引进技术及与国外合作制造的润滑产品。 JB/T 4121-1993 润滑元件及装置 型号编制方法 JB/T4121-1993

部分标准内容:
中华人民共和国机械行业标准
JB/T 4121 --93
润滑元件及装置
型号编制方法
1993-09-03发布
中华人民共和国机械工业部
1994-07-01 实施
中华人民共和国机械行业标准
润滑元件及装剪
型号编制方法
1主题内穿与适用范围
还标准规定了间滑元件及装置产品的型孕编制方法。JB/T 4121-93
本标准适用卡冶会.取室、矿山机械举行业的齐类海滑元件及装产品(以下简称润滑产品>的型号编制
本标准不适月了对产品型已有规定协设的引进技术及与国外含作制楚的滑产品,2引用标道
GBE865
润滑系统发元件基车参致
巢中源滑系统名词术语及分美
3润滑产品型号编制原则
3.1润滑产品型号一待中大写的收语携音字每及阿拉伯数字表示:3.2润滑产品型号应体玩产品的名称、系列规格、压力级,土垒数、结构及使用特征,3.3润量产品型号由二段成,第装示产品的名称皮需列即格,第一段表示产品的压力级、土型数,结构及使用特证,两段之间由短线相连3.4润滑产品型号应直观、简明、易懂:不同产品的型号应无重。4润滑产品型导的衰示方法
润带产品型号的表系方法如F所示:306.959
安装式代号
划职代号
主参款
压力级
产品定型序号
广产品系列规格代号
产品名称代号
前项数卒
4.1前字
前项数用同拉铂数字表示,多读掌的快数,探杆象的典数,多片寒泵的生来数,电磁换向阅的工作位百数和通磨微,多点润泵的给冲点款,进式分配器的组合片激×给油孔数,单线和点织分配器的给油孔数·压力机润滑装暨的给油孔数.资射润滑装盐的喷脂数·祖度控制器的温控点数:压力表开关的接点数。单联象,单蜂托象.曲轴式拍消累,单喷嘴的喷射润带装置,单表点的压力表开关,单点的温机械工业部1993-09-03批准
1994-07-01实施
J15/ 4121--93
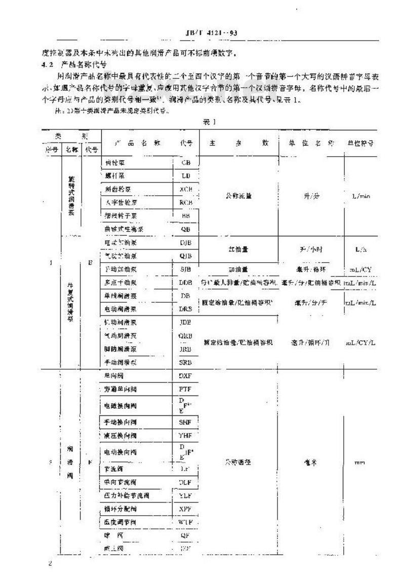
度控制器及本条中术效出的其他润滑产品可不标前通数字,1.2产品名称代号
用测游产品名称中最具有代表性的二个至四个汉字的第个音节的第一个大写的没语拼首宁再表,好退产品名你代号的字母重友,应最用其他这学音节的第一-个效谱排音字母,名称代号中的多后-个字母应与产品的别任号相一致,润没产品的类名称及其代号见表1法:2第十类准设产岛未现定类别代导袋】
熊骑式润滑
牛黄式调肾
品名称
本轮酒
螺打泵
斜齿泵
人字世轮系
提接转子系
曲推式生痛京
手动证油来
客点十油裂
单潮消源
电动润清系
忆动润清
气期滑系
肌滑源
绝声阀
通益限
电磁损内网
手动换高间
压换而阅
电动换向两
芹流商
单向世流西
医力补会节流园
循坏分配网
称能益
加油量
单位名
于小时
素升:舒环
总性将号
每最人排量/比陷鸡,运于/分/配铺双Im/mi既定命油受/比油预双
缺定终油谢肥油通咨积
*升/分污
辛升/环门
TaL/mir/L
uL/CY/L
生代号
品名称
减压阀
安全阔
明牛式色乐迎市阀
胶片式减压
干油喷射阀
E小控断
压力插狱闻
板式冷却器
管式商检却品
自路加能器
燕汽地益器
过德器
前过保
式过谁器
开式过诺器
性过费
欢国式过您
冷却过滤器
下油压力表成器
润气蹈仑界
油气分限萃
油葬发生器
温皮拉
通定资分配部
单频分配器
双线分配路
节流分限器
JI/T 4121-93
续表上
公标通安/频定调玉
翻定疏射贮高
朝定调压
单柜换热电总热可租
美热面行
东热动车
公数通径
公称通径/冷却面积
接表娠药的有处直径
油需量
最商控康查度
全陪景
非家/兆艳
平克半有
平方米
豪来/片兴
害于循环
单位符号
tmu/MP。
学号老称
用编活装互
工艺相滑性将及共他
品名称
答油挡示器
再院法号器
过巨括示器
位信号器
积水据警资
腔脂假
噬油哦
产霉有附装量
“气满洲岩量
上油响射润滑装
耐种润清我量
亢础箱希油润滑装工
卧式齿轮系装量
斜也轮泵骨
立式边轮系装登
人字齿轮泵装置
杆系装置
想规装骨
曲轴采装贸
单线干海系装配
气防干简耐舒装配
性白的均滑装所
压力机淘滑装置
吊运车自动挡骨装罩
净油机
自要高心柔
精性机
压垫开关
承开足
JB/T412193
续表1
公称通径
量k指示用力bzxz.net
调节行理
公你案职
公环演册
公称试最
给服量
公称流量
划定终油量
给肥量
学油该量
排水亢
过律该量
地统商帜
简定止力
发证压差
能调压
年位名你
立次来
立点米/小时
干注程
立方米/小时
平方米
ml,,min
JB/T 4121-93
性:二)对更油俩卒机只有种规格的产品,贮础李积的参蚊可不标注,2)D支示交链,正支示百:
分别为交流查流做电动的换向阅11BRLQ为人字统型板的板式降却需,51心L和CLLQ分别片塑换热书和得管换热管内列性式降却器的
4.3产品规挤系列代号
用人写的多马教学「、!、,W…等表示,位州于文别当清产品的压力级和士参数相尚,而其他参数不同时的规格系列,对仅有个规格系列的产品此代号可不标注。4.4产品定型序
用间拉迫数字1.2.3.4..等衣症,当消甜产品的名你.乐刀缺.主够数,助多数与间同,其代号效值按其设计定型的先后次序给定.其共中第一次设计定型产品的代号数俏1可小标位.45压力级
压力级系指润活产品使用时的公你压力或效究压力,用识语排音学母表示,基代宁见案?,其出的1MFa和小于o.MP的正级可不标烂。对肺雾和油气润常其力载系指空气北为的公称宣。表2
正力设
4.6主发数
压冲级
巨布饭
匝河拉偏效字表示润滑产品土参数的公称值,各类产品的主参数见表1,产品型号中土参数苹位不坏注。
4.7辅联代号
用士特别需要表明的润滑产品时结构和使用特点,以汉语扭音字岳表示:其代导规定见表买,对表中未列的润滑产品如有特别需要可规定相应的辅谢代号,并应解释代号的含息。表
均阳产品名种
电动润滑票
封均及使同持证
环式旺普
培些式配书
给油谢书螺灯
带量款指杀调市
带限位开关调书
带肥指商
不带史联构
规定代号
询游产品名称
品运车自独均滑装量
电画楼间网
玉力径制
关骨式油冷印器
粥油润混装置
遵进式分配器
48安装北号
JB/T 4121-93
续表3
结树及在用特征
连杆导向
滚轮导间
李轮导向
带单小电醛钱
带双电盘忧
具有一个进,出油口
其有二进能抽口
水期通道为双骨程
水画通道为四管程
带有压.力端
不年压力罐
左侧出油口
右出泄口
现定代号
用丁待删需要表明的据滑产品的安装力式及其特点、以汉语拱音字母表示,其比导现定见衣,对一般式的案奖,不标炜安装代导。表4
安装方式
悬持式安赖
立式安装
左安装
右删安城
润滑产品型号轴制举价
5.1公称压力为10MPa,具有10个给油孔,等孔的给油量为0.15nl./CY,第一次设计定型,由五片组成的递进式分配券;
JPQ- 0. 15
主参数:每孔给谢量,m/心Y
玉级:J级,10MPa
产品名称逆进式分配器
前顶数宁组合片散给油孔数
5.2公称压力为20MPg进.出调口的期整尺寸为R。1/2(公称通径为15m),具有两个交流电磁缺驱动第-次设计定型的二位·通电密换间阀6
JB/T412J-93
辅助代号:带以电密款
主龄整,阅时公通径,
正力级1级,20MF
产品名称:电然换问间:交流电隧铁驱动前项数字:换向问的位重数设逍降数5.3公列压力2.5MPa,龄脂盘每冲率量人为2.5mL.滚轮导向,铸案前进方向的右谢安装:第次设定理的链条自动洲滑装骨,LRZ
安装代号:右侧安装
辅助代号:滚轮导向
主参人给量,mLSt
床打级:G级,2. 5MPa
产品名称:链条自动润滑装互
5.4睿积为16m第二次设计定型的稀油辑册装置用的泪案:16
参数:谷称穿积,n1
产显定型字号:第二次设计定型产品名称油箱
5.5公称压力为40MPa,额定给泄基为120ml./mim,吃伸植容积为301..功率为0.75kW(尚第二钟规格系列),第二次被计定型的电动润泵:DRBI
雕加说明
P120/30
主替数,给油量/忙油桶容界,mL/min/L压力级,F级,40MFPa
产品定型序号:第二次设计定型…-产品规格系列代号,第二种现格系列产品名称,电动洲滑系
来标准由机械下业部西空车型机燃研究所提出并归口本格准出机械工业部西安审型机载新定所负责起草。提进十要起草人芥搬云。
小提示:此标准内容仅展示完整标准里的部分截取内容,若需要完整标准请到上方自行免费下载完整标准文档。
JB/T 4121 --93
润滑元件及装置
型号编制方法
1993-09-03发布
中华人民共和国机械工业部
1994-07-01 实施
中华人民共和国机械行业标准
润滑元件及装剪
型号编制方法
1主题内穿与适用范围
还标准规定了间滑元件及装置产品的型孕编制方法。JB/T 4121-93
本标准适用卡冶会.取室、矿山机械举行业的齐类海滑元件及装产品(以下简称润滑产品>的型号编制
本标准不适月了对产品型已有规定协设的引进技术及与国外含作制楚的滑产品,2引用标道
GBE865
润滑系统发元件基车参致
巢中源滑系统名词术语及分美
3润滑产品型号编制原则
3.1润滑产品型号一待中大写的收语携音字每及阿拉伯数字表示:3.2润滑产品型号应体玩产品的名称、系列规格、压力级,土垒数、结构及使用特征,3.3润量产品型号由二段成,第装示产品的名称皮需列即格,第一段表示产品的压力级、土型数,结构及使用特证,两段之间由短线相连3.4润滑产品型号应直观、简明、易懂:不同产品的型号应无重。4润滑产品型导的衰示方法
润带产品型号的表系方法如F所示:306.959
安装式代号
划职代号
主参款
压力级
产品定型序号
广产品系列规格代号
产品名称代号
前项数卒
4.1前字
前项数用同拉铂数字表示,多读掌的快数,探杆象的典数,多片寒泵的生来数,电磁换向阅的工作位百数和通磨微,多点润泵的给冲点款,进式分配器的组合片激×给油孔数,单线和点织分配器的给油孔数·压力机润滑装暨的给油孔数.资射润滑装盐的喷脂数·祖度控制器的温控点数:压力表开关的接点数。单联象,单蜂托象.曲轴式拍消累,单喷嘴的喷射润带装置,单表点的压力表开关,单点的温机械工业部1993-09-03批准
1994-07-01实施
J15/ 4121--93
度控制器及本条中术效出的其他润滑产品可不标前通数字,1.2产品名称代号
用测游产品名称中最具有代表性的二个至四个汉字的第个音节的第一个大写的没语拼首宁再表,好退产品名你代号的字母重友,应最用其他这学音节的第一-个效谱排音字母,名称代号中的多后-个字母应与产品的别任号相一致,润没产品的类名称及其代号见表1法:2第十类准设产岛未现定类别代导袋】
熊骑式润滑
牛黄式调肾
品名称
本轮酒
螺打泵
斜齿泵
人字世轮系
提接转子系
曲推式生痛京
手动证油来
客点十油裂
单潮消源
电动润清系
忆动润清
气期滑系
肌滑源
绝声阀
通益限
电磁损内网
手动换高间
压换而阅
电动换向两
芹流商
单向世流西
医力补会节流园
循坏分配网
称能益
加油量
单位名
于小时
素升:舒环
总性将号
每最人排量/比陷鸡,运于/分/配铺双Im/mi既定命油受/比油预双
缺定终油谢肥油通咨积
*升/分污
辛升/环门
TaL/mir/L
uL/CY/L
生代号
品名称
减压阀
安全阔
明牛式色乐迎市阀
胶片式减压
干油喷射阀
E小控断
压力插狱闻
板式冷却器
管式商检却品
自路加能器
燕汽地益器
过德器
前过保
式过谁器
开式过诺器
性过费
欢国式过您
冷却过滤器
下油压力表成器
润气蹈仑界
油气分限萃
油葬发生器
温皮拉
通定资分配部
单频分配器
双线分配路
节流分限器
JI/T 4121-93
续表上
公标通安/频定调玉
翻定疏射贮高
朝定调压
单柜换热电总热可租
美热面行
东热动车
公数通径
公称通径/冷却面积
接表娠药的有处直径
油需量
最商控康查度
全陪景
非家/兆艳
平克半有
平方米
豪来/片兴
害于循环
单位符号
tmu/MP。
学号老称
用编活装互
工艺相滑性将及共他
品名称
答油挡示器
再院法号器
过巨括示器
位信号器
积水据警资
腔脂假
噬油哦
产霉有附装量
“气满洲岩量
上油响射润滑装
耐种润清我量
亢础箱希油润滑装工
卧式齿轮系装量
斜也轮泵骨
立式边轮系装登
人字齿轮泵装置
杆系装置
想规装骨
曲轴采装贸
单线干海系装配
气防干简耐舒装配
性白的均滑装所
压力机淘滑装置
吊运车自动挡骨装罩
净油机
自要高心柔
精性机
压垫开关
承开足
JB/T412193
续表1
公称通径
量k指示用力bzxz.net
调节行理
公你案职
公环演册
公称试最
给服量
公称流量
划定终油量
给肥量
学油该量
排水亢
过律该量
地统商帜
简定止力
发证压差
能调压
年位名你
立次来
立点米/小时
干注程
立方米/小时
平方米
ml,,min
JB/T 4121-93
性:二)对更油俩卒机只有种规格的产品,贮础李积的参蚊可不标注,2)D支示交链,正支示百:
分别为交流查流做电动的换向阅11BRLQ为人字统型板的板式降却需,51心L和CLLQ分别片塑换热书和得管换热管内列性式降却器的
4.3产品规挤系列代号
用人写的多马教学「、!、,W…等表示,位州于文别当清产品的压力级和士参数相尚,而其他参数不同时的规格系列,对仅有个规格系列的产品此代号可不标注。4.4产品定型序
用间拉迫数字1.2.3.4..等衣症,当消甜产品的名你.乐刀缺.主够数,助多数与间同,其代号效值按其设计定型的先后次序给定.其共中第一次设计定型产品的代号数俏1可小标位.45压力级
压力级系指润活产品使用时的公你压力或效究压力,用识语排音学母表示,基代宁见案?,其出的1MFa和小于o.MP的正级可不标烂。对肺雾和油气润常其力载系指空气北为的公称宣。表2
正力设
4.6主发数
压冲级
巨布饭
匝河拉偏效字表示润滑产品土参数的公称值,各类产品的主参数见表1,产品型号中土参数苹位不坏注。
4.7辅联代号
用士特别需要表明的润滑产品时结构和使用特点,以汉语扭音字岳表示:其代导规定见表买,对表中未列的润滑产品如有特别需要可规定相应的辅谢代号,并应解释代号的含息。表
均阳产品名种
电动润滑票
封均及使同持证
环式旺普
培些式配书
给油谢书螺灯
带量款指杀调市
带限位开关调书
带肥指商
不带史联构
规定代号
询游产品名称
品运车自独均滑装量
电画楼间网
玉力径制
关骨式油冷印器
粥油润混装置
遵进式分配器
48安装北号
JB/T 4121-93
续表3
结树及在用特征
连杆导向
滚轮导间
李轮导向
带单小电醛钱
带双电盘忧
具有一个进,出油口
其有二进能抽口
水期通道为双骨程
水画通道为四管程
带有压.力端
不年压力罐
左侧出油口
右出泄口
现定代号
用丁待删需要表明的据滑产品的安装力式及其特点、以汉语拱音字母表示,其比导现定见衣,对一般式的案奖,不标炜安装代导。表4
安装方式
悬持式安赖
立式安装
左安装
右删安城
润滑产品型号轴制举价
5.1公称压力为10MPa,具有10个给油孔,等孔的给油量为0.15nl./CY,第一次设计定型,由五片组成的递进式分配券;
JPQ- 0. 15
主参数:每孔给谢量,m/心Y
玉级:J级,10MPa
产品名称逆进式分配器
前顶数宁组合片散给油孔数
5.2公称压力为20MPg进.出调口的期整尺寸为R。1/2(公称通径为15m),具有两个交流电磁缺驱动第-次设计定型的二位·通电密换间阀6
JB/T412J-93
辅助代号:带以电密款
主龄整,阅时公通径,
正力级1级,20MF
产品名称:电然换问间:交流电隧铁驱动前项数字:换向问的位重数设逍降数5.3公列压力2.5MPa,龄脂盘每冲率量人为2.5mL.滚轮导向,铸案前进方向的右谢安装:第次设定理的链条自动洲滑装骨,LRZ
安装代号:右侧安装
辅助代号:滚轮导向
主参人给量,mLSt
床打级:G级,2. 5MPa
产品名称:链条自动润滑装互
5.4睿积为16m第二次设计定型的稀油辑册装置用的泪案:16
参数:谷称穿积,n1
产显定型字号:第二次设计定型产品名称油箱
5.5公称压力为40MPa,额定给泄基为120ml./mim,吃伸植容积为301..功率为0.75kW(尚第二钟规格系列),第二次被计定型的电动润泵:DRBI
雕加说明
P120/30
主替数,给油量/忙油桶容界,mL/min/L压力级,F级,40MFPa
产品定型序号:第二次设计定型…-产品规格系列代号,第二种现格系列产品名称,电动洲滑系
来标准由机械下业部西空车型机燃研究所提出并归口本格准出机械工业部西安审型机载新定所负责起草。提进十要起草人芥搬云。
小提示:此标准内容仅展示完整标准里的部分截取内容,若需要完整标准请到上方自行免费下载完整标准文档。

标准图片预览:





- 其它标准
- 热门标准
- 机械行业标准(JB)
- JB/T6882-2006 泵可靠性验证试验
- JB/T10398-2004 离网型风力发电系统售后技术服务规范
- JB/T9592.2-1999 全金属12角法兰面锁紧螺母 技术条件
- JB/T4718-1992 管壳式换热器用金属包垫片
- JB/T2436.1-1992 导线用铜压接端头 第一部分: 0.5~6.0mm2导线用铜压接端头
- JB8734.2-1998 额定电压 450/750V及以下聚氯乙烯绝缘电缆电线和软线第2部分: 固定布线用电缆电线
- JB/T10325-2002 锅炉除氧器 技术条件
- JB/T10187-2011 滚动轴承 深沟球轴承振动
- JB/T7991.4-2001 电镀超硬磨料制品 磨头
- JB2901-2020 汽轮机防锈技术条件
- JB/T8854.2-2001 GⅡCL型、GⅡCLZ型鼓形齿式联轴器
- JBJ10-1996 机械工厂采暖通风与空气调节设计规范
- JB/T8103.7-2008 碟式分离机 第7部分:酵母分离机
- JB/T2740-2008 工业机械电气设备 电气图、图解和表的绘制
- JB/T6313.2-1992 电工铜编织线 斜纹编织线
- 行业新闻
请牢记:“bzxz.net”即是“标准下载”四个汉字汉语拼音首字母与国际顶级域名“.net”的组合。 ©2009 标准下载网 www.bzxz.net 本站邮件:bzxznet@163.com
网站备案号:湘ICP备2023016450号-1
网站备案号:湘ICP备2023016450号-1