- 您的位置:
- 标准下载网 >>
- 标准分类 >>
- 机械行业标准(JB) >>
- JB/T 3586-1996 旋转式感应同步器 基本参数和技术要求
标准号:
JB/T 3586-1996
标准名称:
旋转式感应同步器 基本参数和技术要求
标准类别:
机械行业标准(JB)
英文名称:
Basic parameters and technical requirements for rotary induction synchronizers标准状态:
现行-
发布日期:
1996-04-22 -
实施日期:
1996-07-01 出版语种:
简体中文下载格式:
.rar.pdf下载大小:
137.28 KB
替代情况:
JB 3586-84
点击下载
标准简介:
标准下载解压密码:www.bzxz.net
本标准自实施之日起代替JB 3586-84。本标准规定了旋转式感应同步器的基本参数、电气原理图、安装调整、技术要求以及标志、包装、运输和其他。本标准适用于GX–3、GX–5、GX–7、GX–12、GX–15 旋转式感应同步器。 JB/T 3586-1996 旋转式感应同步器 基本参数和技术要求 JB/T3586-1996
部分标准内容:
中华人民共和国机械行业标准
JB/T3586—96
旋转式感应同步器
基本参数和技术要求
1996-04-22发布
中华人民共和国机械工业部下载标准就来标准下载网
1996-07-01实施
JB/T3586—96
本标准自实施之日起代替JB3586一84《旋转式感应同步器基本参数和技术要求》。
本标准在感应同步器的型式和基本参数中,增加了GX-5/256、GX-5/360、GX-15/512、GX-15/720四个规格及相应的基本参数。
本标准由机械工业部广州机床研究所提出并归口。本标准起草单位:机械工业部广州机床研究所。本标准主要起草人:陈瑜。
1范围
中华人民共和国机械行业标准
旋转式感应同步器
基本参数和技术要求
JB/T3586—96
代替JB3586—84
本标准规定了旋转式感应同步器的基本参数、电气原理图、安装调整、技术要求以及标志、包装、运输和其他。
本标准适用于GX-3、GX-5、GX-7、GX-12、GX-15旋转式感应同步器。2
引用标准
下列标准所包含的条文,通过在本标准中引用而构成为本标准的条文。本标准出版时,所示版本均为有效。所有标准都会被修订,使用本标准的各方应探讨使用下列标准最新版本的可能性。GB191—90
ZBY003—84
3基本参数
基本参数见表1。
GX-3/256
GX-3/360
GX-5/256
GX-5/360
GX-7/256
GX-7/360
GX-7/512
GX-7/720
GX-12/360
GX-12/512
GX-12/20
GX-12/1024
包装储运图示标志
仪器仪表
机械工业部1996-04-22批准
包装通用技术要求
表1基本参数
2°48.45\
2°48°45
2°48*45
12422*5
124'22*5
42’11\25
准确度
199%-07-01实施
GX-12/2000
GX-15/512
GX-15/720
JB/T3586—9
表1(完)
21’36
12422'5
表中准确度是峰-峰值,单位是(),准确度也可以峰-峰值之半冠以“土”号表示。2以上准确度是在10kHz正弦波的条件下测试的4电气原理图
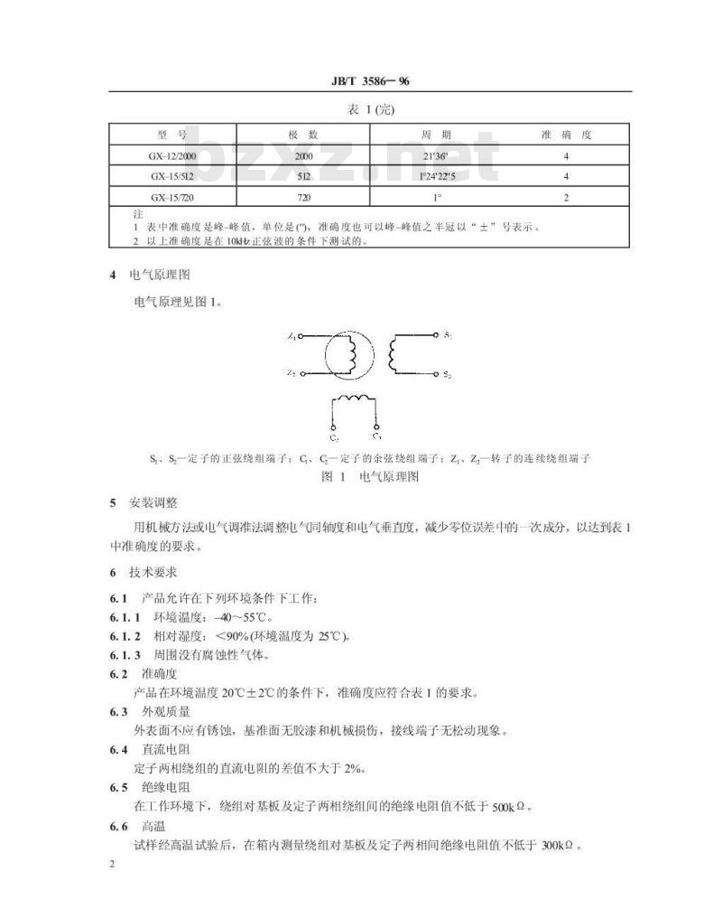
电气原理见图1。
准确度
S,、S一定子的正弦绕组端子:C、C一定子的余弦绕组端子:Z、Z一转子的连续绕组端子图1电气原理图
5安装调整
用机械方法或电气调准法调整电气同轴度和电气垂直度,减少零位误差中的一次成分,以达到表1中准确度的要求。
6技术要求
6.1产品允许在下列环境条件下工作:6.1.1环境温度:-40~55℃。
6.1.2相对湿度:<90%(环境温度为25℃)6.1.3周围没有腐蚀性气体。
6.2准确度
产品在环境温度20℃土2℃的条件下,准确度应符合表1的要求。外观质量
外表面不应有锈蚀,基准面无胶漆和机械损伤,接线端子无松动现象。6.4直流电阻
定子两相绕组的直流电阻的差值不大于2%6.5绝缘电阻
在工作环境下,绕组对基板及定子两相绕组间的绝缘电阻值不低于500k2。高温
试样经高温试验后,在箱内测量绕组对基板及定子两相间绝缘电阻值不低于300k2。2
6.7低温
JB/T3586—9
试样经低温试验后,不允许铜导片及绝缘层出现翘裂现象。6.8耐潮
试样经耐潮试验后,绕组对基板及定子两相间绝缘电阻值不应低于200k2,表面不应有明显的锈蚀现象出现。
6.9抗剥强度
导片与绝缘层间的抗剥强度不小于0.9kg/cm7标志、包装、运输和其他
7.1标志
7.1.1产品应有产品编号。
7.1.2所有出厂的产品应随附产品合格证,产品合格证至少应包括:a)产品型号规格;
b)产品名称:
c)产品编号:
d)制造厂名:
e)制造厂地址:
f)绝缘电阻:
g)准确度测试结果;
h)产品经检验合格的结论:
i)检查员、试验员签章;
i)技术检验印签:
k)出厂日期。
7.1.3产品包装外表面应有防潮标志,并应符合GB191有关的规定。7.2包装
7.2.1产品包装必须牢固、可靠、不易受潮,保证产品在存放和运输中免受损伤。7.2.2运输包装标志与随机文件应符合ZBY003有关的规定。7.3运输
包装好的产品在运输过程中,应避免碰撞和敲击,严禁与酸、碱及其他有腐蚀性的物品存放在一起。7.4贮存
产品应贮存在通风良好的库房内,空气中不得含有腐蚀性气体。7.5保修期限
在使用单位按照制造厂的使用维护说明书规定、正确存放和使用产品的情况下,制造厂应保证产品自发运日期起18个月内能正常工作。如在此期间内,产品因质量不良而发生损坏或不能正常工作时,制造应无偿为使用单位修理或更换,3
共和国
机械行业标准
旋转式感应同步器
基本参数和技术要求
JBT3586-96
机械科学研究院出版发行
机械科学研究院印刷
(北京首体南路2号邮编100044)*
开本880×12301/16印张1/2
字数8000
1996年10月第一版
1996年10月第一次印刷
印数0Q001-500
定价5.00元
编号96-062X
机械工业标准服务网:htp:/kwwwJB.ac.cn98
小提示:此标准内容仅展示完整标准里的部分截取内容,若需要完整标准请到上方自行免费下载完整标准文档。
JB/T3586—96
旋转式感应同步器
基本参数和技术要求
1996-04-22发布
中华人民共和国机械工业部下载标准就来标准下载网
1996-07-01实施
JB/T3586—96
本标准自实施之日起代替JB3586一84《旋转式感应同步器基本参数和技术要求》。
本标准在感应同步器的型式和基本参数中,增加了GX-5/256、GX-5/360、GX-15/512、GX-15/720四个规格及相应的基本参数。
本标准由机械工业部广州机床研究所提出并归口。本标准起草单位:机械工业部广州机床研究所。本标准主要起草人:陈瑜。
1范围
中华人民共和国机械行业标准
旋转式感应同步器
基本参数和技术要求
JB/T3586—96
代替JB3586—84
本标准规定了旋转式感应同步器的基本参数、电气原理图、安装调整、技术要求以及标志、包装、运输和其他。
本标准适用于GX-3、GX-5、GX-7、GX-12、GX-15旋转式感应同步器。2
引用标准
下列标准所包含的条文,通过在本标准中引用而构成为本标准的条文。本标准出版时,所示版本均为有效。所有标准都会被修订,使用本标准的各方应探讨使用下列标准最新版本的可能性。GB191—90
ZBY003—84
3基本参数
基本参数见表1。
GX-3/256
GX-3/360
GX-5/256
GX-5/360
GX-7/256
GX-7/360
GX-7/512
GX-7/720
GX-12/360
GX-12/512
GX-12/20
GX-12/1024
包装储运图示标志
仪器仪表
机械工业部1996-04-22批准
包装通用技术要求
表1基本参数
2°48.45\
2°48°45
2°48*45
12422*5
124'22*5
42’11\25
准确度
199%-07-01实施
GX-12/2000
GX-15/512
GX-15/720
JB/T3586—9
表1(完)
21’36
12422'5
表中准确度是峰-峰值,单位是(),准确度也可以峰-峰值之半冠以“土”号表示。2以上准确度是在10kHz正弦波的条件下测试的4电气原理图
电气原理见图1。
准确度
S,、S一定子的正弦绕组端子:C、C一定子的余弦绕组端子:Z、Z一转子的连续绕组端子图1电气原理图
5安装调整
用机械方法或电气调准法调整电气同轴度和电气垂直度,减少零位误差中的一次成分,以达到表1中准确度的要求。
6技术要求
6.1产品允许在下列环境条件下工作:6.1.1环境温度:-40~55℃。
6.1.2相对湿度:<90%(环境温度为25℃)6.1.3周围没有腐蚀性气体。
6.2准确度
产品在环境温度20℃土2℃的条件下,准确度应符合表1的要求。外观质量
外表面不应有锈蚀,基准面无胶漆和机械损伤,接线端子无松动现象。6.4直流电阻
定子两相绕组的直流电阻的差值不大于2%6.5绝缘电阻
在工作环境下,绕组对基板及定子两相绕组间的绝缘电阻值不低于500k2。高温
试样经高温试验后,在箱内测量绕组对基板及定子两相间绝缘电阻值不低于300k2。2
6.7低温
JB/T3586—9
试样经低温试验后,不允许铜导片及绝缘层出现翘裂现象。6.8耐潮
试样经耐潮试验后,绕组对基板及定子两相间绝缘电阻值不应低于200k2,表面不应有明显的锈蚀现象出现。
6.9抗剥强度
导片与绝缘层间的抗剥强度不小于0.9kg/cm7标志、包装、运输和其他
7.1标志
7.1.1产品应有产品编号。
7.1.2所有出厂的产品应随附产品合格证,产品合格证至少应包括:a)产品型号规格;
b)产品名称:
c)产品编号:
d)制造厂名:
e)制造厂地址:
f)绝缘电阻:
g)准确度测试结果;
h)产品经检验合格的结论:
i)检查员、试验员签章;
i)技术检验印签:
k)出厂日期。
7.1.3产品包装外表面应有防潮标志,并应符合GB191有关的规定。7.2包装
7.2.1产品包装必须牢固、可靠、不易受潮,保证产品在存放和运输中免受损伤。7.2.2运输包装标志与随机文件应符合ZBY003有关的规定。7.3运输
包装好的产品在运输过程中,应避免碰撞和敲击,严禁与酸、碱及其他有腐蚀性的物品存放在一起。7.4贮存
产品应贮存在通风良好的库房内,空气中不得含有腐蚀性气体。7.5保修期限
在使用单位按照制造厂的使用维护说明书规定、正确存放和使用产品的情况下,制造厂应保证产品自发运日期起18个月内能正常工作。如在此期间内,产品因质量不良而发生损坏或不能正常工作时,制造应无偿为使用单位修理或更换,3
共和国
机械行业标准
旋转式感应同步器
基本参数和技术要求
JBT3586-96
机械科学研究院出版发行
机械科学研究院印刷
(北京首体南路2号邮编100044)*
开本880×12301/16印张1/2
字数8000
1996年10月第一版
1996年10月第一次印刷
印数0Q001-500
定价5.00元
编号96-062X
机械工业标准服务网:htp:/kwwwJB.ac.cn98
小提示:此标准内容仅展示完整标准里的部分截取内容,若需要完整标准请到上方自行免费下载完整标准文档。
标准图片预览:





- 热门标准
- 机械行业标准(JB)
- JB/T9396-1999 环块磨损试验机 技术条件
- JB/T7422.2-1999 立式内圆珩磨机 精度检验
- JB/T7665-1995 通用机械噪声声功率级现场测定 声强法
- JB/T7732.1-1995 地膜覆盖机 技术条件
- JB/T9272-1999 氨压力表
- JB/T7273.8-1994 背面波纹手轮
- JB/T5810-1991 电机磁极线圈及磁场绕组匝间绝缘试验规范
- JB/T450-1992 PN16.0~32.0MPa锻造角式高压阀门、管件、紧固件 技术条件
- JB/T6664.2-1993 自吸泵 技术条件
- JB/T8022.1-1999 机床夹具零件及部件 内涨器
- JB/T9014.7-1999 连续输送设备 散粒物料 堆积角的测定
- JB/T9541-1999 家用换气扇用电动机 通用技术条件
- JB/T9991-1999 电镀金刚石铰刀
- JB/T10352-2002 YFB系列粉尘防爆型三相异步电动机(机座号63~355)技术条件
- JB/T10438-2004 额定电压450/750V及以下交联聚氯乙烯绝缘电线和电缆
- 行业新闻
请牢记:“bzxz.net”即是“标准下载”四个汉字汉语拼音首字母与国际顶级域名“.net”的组合。 ©2025 标准下载网 www.bzxz.net 本站邮件:bzxznet@163.com
网站备案号:湘ICP备2025141790号-2
网站备案号:湘ICP备2025141790号-2