- 您的位置:
- 标准下载网 >>
- 标准分类 >>
- 国家标准(GB) >>
- GB/T 5286-2001 螺栓、螺钉和螺母用平垫圈 总方案
- 标准号: - GB/T 5286-2001
- 标准名称: - 螺栓、螺钉和螺母用平垫圈 总方案
- 标准类别: - 国家标准(GB)
- 英文名称: General scheme for flat washers for bolts, screws and nuts
- 标准状态: 现行
- 
          	发布日期: 2001-01-02
- 
		 实施日期: 2002-06-01
- 出版语种: 简体中文
- 下载格式: .rar.pdf
- 下载大小: 162.05 KB
- 替代情况: GB/T 5286-1985
- 采标情况: idt ISO 887:2000
 标准简介/下载
标准简介/下载点击下载
标准简介:
										 标准下载解压密码:www.bzxz.net
					 					 
						 
	        
	      本标准规定了产品等级为A和C级、螺纹直径为1~1500mm的普通螺栓、螺钉和螺母用平垫圈的基本尺寸系列、公差以及尺寸的优选组合。本标准不适用于组合件如螺钉和平垫圈组合件用垫圈的内径和厚度尺寸。附录A(提示的附录)给出指导使用平垫圈的资料。 GB/T 5286-2001 螺栓、螺钉和螺母用平垫圈 总方案 GB/T5286-2001
 标准内容
标准内容部分标准内容:
					
					K.S 21. DEC. 3J
中华人民共和国国家标准
GB/T5286--2001
ilt1s0887.2000
螺栓、螺钉和螺母用平垫圈
总方案
Flain washers for bolls.screws and outs-General plan
20011217发布
中华人民共和国
国家质量监督检验检疫总局
2002-06-01实施
CB/T 5286:2001
本标准等同果用国际标准1507:2UV米制普遥燃栓,燃订和爆母用平些圈本标准是GB/528:1985的修订本,主要候改划下:的)取消了\过覆系列\(表3)b)增险A
本标准自实第之口起,代者GB/Tb286—138本标准的附录A是提示的附录,
本标准由中国域业联合会提出。本标准出全国案件杯准化技术委贝多有口.玉标准起克单位:机械科学定院。本标准主安起革人:了定平,
总克案。
GR/T5286—2DC1
ISO前吉
1S心(国际标准化组织)一个世界性的名国国家标难质体(IS)成员团体的联合组织:国际标准的制定工作通带是通过S)答~捷术要员会进行的。每个成员体妇对某一技术委尺会所进行的项目感兴受时,出叫参中该委会,与心有关政府的和非收府的国际组象也叫患加此项工栏,S与型际电工委会国际标准ISO是主ISC>/TC2紫國件技未表员会制定的。第二版对筹一版IS)887:1933)进行了刷改与补充,尽技术性避订本国际标准书附录4是提示款附求。1范用
中华人民共和国国家标准
螺栓、螺钉和螺母用平垫润
总方案
Plalnwashers for boltg.screws and nuls-Generalpl
GH/T52862001
ialt 1So 887:2000
代HT5X6u8s
本标冰项定广产品等级为A和心竭,螺致直独为1~150nm的普通率性螺竹和期用平垫画的基本尺寸系灯.公差以及尺寸的忧选组合:本标准不蹈月于组合件如燥钉和平垫困组合件用垫测的内径和厚度尺。附求A(提示前附录给出指导使用平垫圈的资称,2引用标准
下列标随所包前条文,通对在本标准中引用而构成为本标准的关文。本标准出服听,所示版本均为有效,所有标准都链情计使旧本标准的各方应探讨用下列标准最新版产的可能作G/9595半坐(1571.108)
GB/T915大垫A和继7C93:1333)
7119级0093
/972—_93平垫图角塑A级0I57090193)GB/848195小垫圈A级[57002:18)GB/103.3—2装司件公差平些图i山(S04759-3:2300):35277—985紧质件和端竹通孔(e1S0273:19/)55287-1985特图C级(cg-15074;1983)3内径
垫圈内径1(见图1)底按(I3/T277放增F规定进行选押:精装配系剂用」公称厚度-Gmm\M等缓为A级,即公称规格59m的垫图:中等装配系列用于公称厚度m产品学级为A级,即公规格mm的垫险以及产品等绒火了绒的块期:
些:H/2?规心的道儿公差不道和C版平必图(配G章:中华人民共和国国录质量监育检监检空总局2001-12-17批准20020601实临
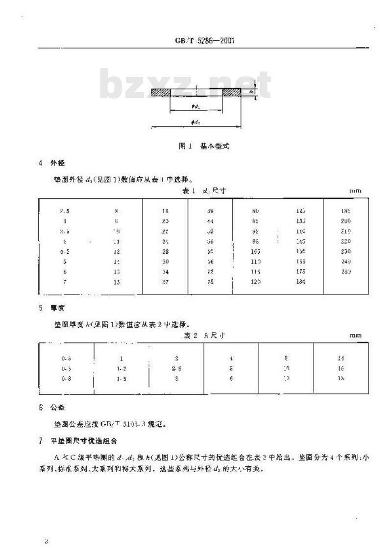
4外径
GB5286—2001
图1基本型式
垫函外径(见图1)数值底以表中选拜。表1尺寸
垫照导度见图1数值应以表还择。44
6公差wwW.bzxz.Net
些函差应接GB/T3103.3规宽.
了平垫图尽寸优选组合
AC级平势圈的&d:和(现图1>公称尺寸的优选组台在老3中给出。些图分为4个系列:小系到、标准系列大率测利得大系测,格些系列与外轻山的大小有关。2
GB/T 5286
就的就的
e whstl a
GB/I5286
aeisss
xxxxxx
#通5卫#
品3特48号元
GB/T5286—2001
(提小的附录)
平盐困与螺、螺钉或螺母配套使用指南半垫与性,燃钉变规母的性能(便度)等然产品等级组合。长在A1给山史详继的资料,包括缺图系列和螺性或竭订头部走状:在相美的护留产品标准的第1意中给台。表平垫圈与额栓,螺钉或螺丹组合一比表保试等线
严品端战
螺轮、螺钉螺头
炸、燥灯
产南等饭
性随等级
性能等线
去面产逆自矫频订(如自攻够发势!不锈钢账性、爆订和联册
不台适
不合适
入会适
不合适
不会活
不会适
不合适
不合适
十台造
本合道
小提示:此标准内容仅展示完整标准里的部分截取内容,若需要完整标准请到上方自行免费下载完整标准文档。 
	 
	        
	      中华人民共和国国家标准
GB/T5286--2001
ilt1s0887.2000
螺栓、螺钉和螺母用平垫圈
总方案
Flain washers for bolls.screws and outs-General plan
20011217发布
中华人民共和国
国家质量监督检验检疫总局
2002-06-01实施
CB/T 5286:2001
本标准等同果用国际标准1507:2UV米制普遥燃栓,燃订和爆母用平些圈本标准是GB/528:1985的修订本,主要候改划下:的)取消了\过覆系列\(表3)b)增险A
本标准自实第之口起,代者GB/Tb286—138本标准的附录A是提示的附录,
本标准由中国域业联合会提出。本标准出全国案件杯准化技术委贝多有口.玉标准起克单位:机械科学定院。本标准主安起革人:了定平,
总克案。
GR/T5286—2DC1
ISO前吉
1S心(国际标准化组织)一个世界性的名国国家标难质体(IS)成员团体的联合组织:国际标准的制定工作通带是通过S)答~捷术要员会进行的。每个成员体妇对某一技术委尺会所进行的项目感兴受时,出叫参中该委会,与心有关政府的和非收府的国际组象也叫患加此项工栏,S与型际电工委会
中华人民共和国国家标准
螺栓、螺钉和螺母用平垫润
总方案
Plalnwashers for boltg.screws and nuls-Generalpl
GH/T52862001
ialt 1So 887:2000
代HT5X6u8s
本标冰项定广产品等级为A和心竭,螺致直独为1~150nm的普通率性螺竹和期用平垫画的基本尺寸系灯.公差以及尺寸的忧选组合:本标准不蹈月于组合件如燥钉和平垫困组合件用垫测的内径和厚度尺。附求A(提示前附录给出指导使用平垫圈的资称,2引用标准
下列标随所包前条文,通对在本标准中引用而构成为本标准的关文。本标准出服听,所示版本均为有效,所有标准都链情计使旧本标准的各方应探讨用下列标准最新版产的可能作G/9595半坐(1571.108)
GB/T915大垫A和继7C93:1333)
7119级0093
/972—_93平垫图角塑A级0I57090193)GB/848195小垫圈A级[57002:18)GB/103.3—2装司件公差平些图i山(S04759-3:2300):35277—985紧质件和端竹通孔(e1S0273:19/)55287-1985特图C级(cg-15074;1983)3内径
垫圈内径1(见图1)底按(I3/T277放增F规定进行选押:精装配系剂用」公称厚度-Gmm\M等缓为A级,即公称规格59m的垫图:中等装配系列用于公称厚度m产品学级为A级,即公规格mm的垫险以及产品等绒火了绒的块期:
些:H/2?规心的道儿公差不道和C版平必图(配G章:中华人民共和国国录质量监育检监检空总局2001-12-17批准20020601实临
4外径
GB5286—2001
图1基本型式
垫函外径(见图1)数值底以表中选拜。表1尺寸
垫照导度见图1数值应以表还择。44
6公差wwW.bzxz.Net
些函差应接GB/T3103.3规宽.
了平垫图尽寸优选组合
AC级平势圈的&d:和(现图1>公称尺寸的优选组台在老3中给出。些图分为4个系列:小系到、标准系列大率测利得大系测,格些系列与外轻山的大小有关。2
GB/T 5286
就的就的
e whstl a
GB/I5286
aeisss
xxxxxx
#通5卫#
品3特48号元
GB/T5286—2001
(提小的附录)
平盐困与螺、螺钉或螺母配套使用指南半垫与性,燃钉变规母的性能(便度)等然产品等级组合。长在A1给山史详继的资料,包括缺图系列和螺性或竭订头部走状:在相美的护留产品标准的第1意中给台。表平垫圈与额栓,螺钉或螺丹组合一比表保试等线
严品端战
螺轮、螺钉螺头
炸、燥灯
产南等饭
性随等级
性能等线
去面产逆自矫频订(如自攻够发势!不锈钢账性、爆订和联册
不台适
不合适
入会适
不合适
不会活
不会适
不合适
不合适
十台造
本合道
小提示:此标准内容仅展示完整标准里的部分截取内容,若需要完整标准请到上方自行免费下载完整标准文档。
 标准图片预览
标准图片预览 标准图片预览:





- 其它标准
- 上一篇: GB/T 5285-1985 六角头自攻螺钉
- 下一篇: GB/T 5287-2002 特大垫圈 C级
- 热门标准
- 国家标准(GB)
- GB/T21666-2008 尿吸收辅助器具 评价的一般指南
- GB/T2828.1-2012 计数抽样检验程序 第1部分:按接收质量限(AQL)检索的逐批检验抽样计划
- GB/T32999-2016 表面化学分析 深度剖析 用机械轮廓仪栅网复型法测量溅射速率
- GB/T39454-2020 国际贸易业务数据规范货物跟踪与追溯
- GB/T13589-2007 锌及锌合金废料
- GB28355-2012 食品添加剂 水杨酸甲酯(柳酸甲酯)
- GB/T38948-2020 沥青混合料低温抗裂性能评价方法
- GB/T13070-1991 铀矿石中铀的测定 电位滴定法
- GB14880-2012 食品营养强化剂使用标准
- GB/T38604.4-2020 公共信息导向系统 评价要求 第4部分:公共汽电车车站
- GB/T43912-2024 铸造机械 再制造 通用技术规范
- GB/T9003-1988 调音台基本特性测量方法
- GB5585.3-1985 电工用铜、铝及其合金母线 第3部分:铝母线
- GB/T19561-2004 寒地节能日光温室建造规程
- GB/T7574-1987 信息处理交换用磁带标号和文卷结构
- 行业新闻
请牢记:“bzxz.net”即是“标准下载”四个汉字汉语拼音首字母与国际顶级域名“.net”的组合。 ©2025 标准下载网 www.bzxz.net 本站邮件:bzxznet@163.com
网站备案号:湘ICP备2025141790号-2
网站备案号:湘ICP备2025141790号-2
