- 您的位置:
- 标准下载网 >>
- 标准分类 >>
- 其他行业标准 >>
- FZ/T 54115-2019锦纶6牵伸分纤母丝
标准号:
FZ/T 54115-2019
标准名称:
锦纶6牵伸分纤母丝
标准类别:
其他行业标准
英文名称:
Polyamide 6 drawn mother yarns for splitting标准状态:
现行-
发布日期:
2019-05-02 -
实施日期:
2019-11-01 出版语种:
简体中文下载格式:
.pdf .zip下载大小:
5.38 MB
点击下载
标准简介:
本标准规定了锦纶6牵伸分纤母丝的术语和定义、分类和标识、技术要求、试验方法、检验规则和标志、包装、运输、贮存的要求。
本标准适用于总线密度为100.0 dtex~720.0 dtex,单丝线密度为10.0 dtex~60.0 dtex的本色、圆形截面、三角截面的有光、半消光民用锦纶6牵伸分纤母丝,其它类型的锦纶6牵伸分纤母丝可参照使用。
部分标准内容:
ICS59.060.20
中华人民共和国纺织行业标准
FZ/T54115—2019免费标准bzxz.net
锦纶6牵伸分纤母丝
Polyamide 6 drawn mother yarns for splitting2019-05-02发布
中华人民共和国工业和信息化部发布
2019-11-01实施
本标准按照GB/T1.1—2009给出的规则起草。本标准由中国纺织工业联合会提出。本标准由上海市纺织工业技术监督所归口。FZ/T54115—2019
本标准起草单位:长乐恒申合纤科技有限公司、海安县中山合成纤维有限公司、江苏鸿顺合纤科技有限公司、南通苏源化纤有限公司、南通美铭锦纶有限公司、江苏中杰澳新材料有限公司、长乐力恒锦纶科技有限公司、义乌华鼎锦纶股份有限公司、张家港市翔美纺织有限公司、上海市纺织工业技术监督所、中国化学纤维工业协会。
本标准主要起草人:陈立军、张振涛、王均、华伯富、朱爱民、周资兵、周焕民、高洁、周建兵、盛忠勤、李红杰、张子昕。
1范围
锦纶6牵伸分纤母丝
FZ/T54115—2019
本标准规定了锦纶6牵伸分纤母丝的术语和定义、分类和标识、技术要求、试验方法、检验规则和标志、包装、运输、贮存的要求。本标准适用于总线密度为100.0dtex~720.0dtex,单丝线密度为10.0dtex~60.0dtex的本色、圆形截面、三角截面的有光、半消光民用锦纶6牵伸分纤母丝,其他类型的锦纶6牵伸分纤母丝可参照使用。
2规范性引用文件
下列文件对于本文件的应用是必不可少的。凡是注日期的引用文件,仅注日期的版本适用于本文件。凡是不注日期的引用文件,其最新版本(包括所有的修改单)适用于本文件。GB/T250纺织品
色牢度试验评定变色用灰色样卡GB/T 2828.1—2012
GB/T3291.1
GB/T3291.3
计数抽样检验程序第1部分:按接收质量限(AQL)检索的逐批检验抽样纺织材料性能和试验术语第1部分:纤维和纱线纺织材料性能和试验术语第3部分:通用GB/T4146(所有部分)
GB/T6502
GB/T6503
GB/T6505
化学纤维
化学纤维
化学纤维
GB/T8170—
GB/T14343
GB/T14344
GB/T14346
FZ/T50008
FZ/T50027
FZ/T51004
FZ/T50041
3术语和定义
纺织品化学纤维
长丝取样方法
回潮率试验方法
长丝热收缩率试验方法(处理后)数值修约规则与极限数值的表示和判定化学纤维
化学纤维
化学纤维
长丝线密度试验方法
长丝拉伸性能试验方法
长丝条干不匀率试验方法
电容法
锦纶长丝染色均匀度试验方法
化学纤维
二氧化钛含量试验方法
纤维级聚已内酰胺切片
化学纤维母丝分纤性能试验方法GB/T3291.1GB/T3291.3和GB/T4146(所有部分)、FZ/T51004界定的以及下列术语和定义适用于本文件。
锦纶6牵伸分纤母丝
polyamide6drawnmotheryarnsforsplitting在下游直接分丝成多根单丝的锦纶6牵伸长丝。1
FZ/T54115—2019
分类和标识
按生产时二氧化钛添加量的不同,锦纶6牵伸分纤母丝产品分为有光丝、半消光丝。4.1
产品规格以线密度(dtex)和单丝根数(f)表示。例如线密度为222dtex,单丝根数为10的锦纶64.2
牵伸分纤母丝,其产品规格表示为222dtex/10f。产品按产品规格、截面形状、光泽、生产工艺或批号等信息来标识,可以有效区分。包例如:222dtex/
10f圆形半消光锦纶6牵伸分纤母丝。5
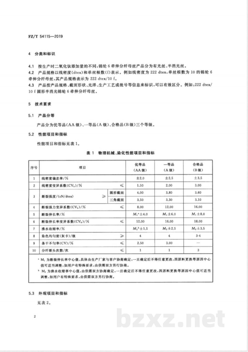
技术要求
产品分等
产品分为优等品(AA级)、一等品(A级)、合格品(B级)三个等级。性能项目和指标
性能项目和指标见表1。
线密度偏差率/%
线密度变异系数(CV)/%
断裂强度/(cN/dtex)
断裂强力变异系数(CV,)/%
断裂伸长率/%
断裂伸长率变异系数(CVs)/%
沸水收缩率/%
染色均匀度(灰卡)/级
条干不匀率(CV)/%
分纤断头次数/次
物理机械、染化性能项目和指标优等品
(AA级)
形截面
三角截面
M,±1.5
一等品
(A级)
合格品
(B级)
·M为断裂伸长率中心值,具体由生产厂家与客户协商确定,一旦确定后不得任意更改,因原料更换等原因中心值可适当调整,如用户有特殊要求,由供需双方另行协商。M为沸水收缩率中心值,由供需双方协商确定,一旦确定后不得任意更改,因原料更换等原因中心值可适当b
满整,如用户有特殊要求,由供需双方另行协商。5.3
外观项目和指标
见表2。
纤丝(萄蛛丝)/(个/筒)
油污/(cm/简)
简重/kg
锦纶6牵伸分纤母丝外观项目和指标表2
优等品
(AA级)
定长或定重
色差参照GB/T250的级别定等,其中“正常”相当于四级,”轻”相当于三级。一等品
(A级)
FZ/T54115—2019
合格品
(B级)
油污,一等品只允许淡黄色油污,其总面积不超过1cm*/简;合格品只允许淡黄色和较深色油污,其总面积不超过2cm/筒,黑色油污不允许。定长或定重产品长度或重量要求由供需双方协商确定。e
试验方法
线密度试验
线密度偏差率、线密度变异系数按GB/T14343规定执行。拉伸性能试验
断裂强度、断裂强力变异系数、断裂伸长率、断裂伸长率变异系数按GB/T14344规定执行。沸水收缩率试验
按GB/T6505规定执行。
染色均匀度试验
按FZ/T50008规定执行。
条干不匀率试验
按GB/T14346规定执行,试样速度为100m/min,试验时间为5min。6.6分纤断头次数试验
按FZ/T50041规定执行。
6.7二氧化钛含量试验
按FZ/T50027规定执行。
6.8回潮率试验
按GB/T6503规定执行。
FZ/T54115—2019
6.9外观检验
6.9.1设备
可采用移动光源、固定光源进行外观检验:一移动光源:要求被观察点的照度大于或等于6001x,无强烈的其他干扰光源;注:移动光源根据实际情况选用,可以是充电灯或手电或其他能达到照度要求的任意一种。———固定光源:以平行排列的两支40W普通荧光灯,悬挂于离地面高度为180cm~200cm处,丝车在正下方能轻松观察到卷装上面积≥0.5cm的淡黄色油污为宜。6.9.2检验步骤
6.9.2.1仔细观察卷装的二个端面和一个柱表面。2对每个被检卷装进行外观检验,并记录。6.9.2.2
6.9.2.3用检定分度值小于等于卷装质量的0.1%,最大秤量的20%~80%能覆盖卷装质量的磅、电子秤等衡器称取卷装的质量,扣除已知的皮质量,该净质量即为简重,精确至0.5%,并记录,7检验规则
7.1检验项目
7.1.1表1中项目均为出厂检验项目。7.1.2外观检验项目按5.3规定。7.2组批规定
在一定范围内采用周期性取样组成检验批。一个生产批可由一个检验批组成,也可由若干检验批组成。
7.3取样规定
7.3.1表1中各项目试验的实验室样品按GB/T6502规定取样。其中,染色均匀度试验宜逐筒取样。2外观检验逐筒取样。
7.4检验结果评定
7.4.1性能项目的测定值或计算值按GB/T8170一2008中修约值比较法与表1的性能指标的极限数值比较,评定等级。其中染色均匀度,根据染色级差(含同一段袜带内的深浅条纹)按GB/T250评定等级。
2外观检验按5.3规定,逐筒评定等级、3产品综合等级的评定,以检验批中性能指标和外观指标最低项的等级定为该批产品的等级。7.4.3
7.5复验规则
7.5.1通则
一批产品到收货方一个月内,作为验收或对品质有异议时可提请复验。若该批产品的数量使用了三分之一以上时,不得申请复验。但如果收货方可以出示相关证据证明该批产品确实影响到后加工产品的品质,并造成严重损失时,应分析原因,明确双方责任、协商处理。4
7.5.2检验项目
同7.1。
7.5.3组批规定
按原生产批组批。
7.5.4取样规定
7.5.4.1性能项目的实验室样品按GB/T6502规定取样。FZ/T54115-2019
7.5.4.2外观为抽样检验,根据批量按GB/T2828.1一2012表1中一般检验水平Ⅱ规定确定样本大小(字码)。
7.5.5复验评定
7.5.5.1性能项目的测定值或计算值按GB/T8170一2008中修约值比较法与表1的性能指标的极限数值比较,评定等级。
7.5.5.2外观项目按7.5.4.2样本大小,根据GB/T2828.1一2012表2-A中正常检验一次抽样方案AQL值为4.0,确定接收数Ac和拒收数Re,并按本标准规定指标评定,当不合格的卷装数≤Ac时判为原等级,当不合格的卷装数≥Re时,则判为不符合原等级。7.5.5.3产品综合等级的评定,按7.4.3评定,高于或等于原等级则判为符合,低于原等级则判为不符合。
公定质量验收
按GB/T6503规定测得实测回潮率。公定质量按式(1)计算:1+R。
式中:
批产品包装件公定质量,单位为千克(kg);批产品包装件净质量,单位为千克(kg);m,
R。——锦纶6的公定回潮率,为4.5%;R—实测回潮率,%。
公定质量差异不超过0.5%,超过时,由供需双方协商确定。8标志、包装、运输、贮存
8.1标志
(1)
包装箱上应标明产品名称、规格、等级、批号、净重、毛重、卷装个数、包装日期、产品标准编号、商标、生产企业名称、详细地址等相关信息和防潮、小心轻放等警示标志。8.2包装
8.2.1每个卷装都应套一个塑料袋后放入包装箱。包装箱内对有支撑的卷装应定位固定,无支撑的卷装应保证其不受损伤。
8.2.2每个包装箱内的卷装大小尽量均匀。不同品种、规格、批号、等级要分别装箱,严禁混装。8.2.3每批产品应附质量检验单。5
FZ/T 54115—2019
运输过程中避免包装箱损坏、受潮、暴晒、倾斜和倒置。贮存
包装箱按批堆放,贮存在干燥、清洁、通风、避光的场所。ICS59.080.30
中华人民共和国纺织行业标准
FZ/T64007—2019
代替FZ/T64007—2010
树脂机织衬
Resin-finished woven interlinings2019-05-02发布
中华人民共和国工业和信息化部发布
2019-11-01实施
本标准按照GB/T1.1一2009给出的规则起草。FZ/T64007—2019
本标准代替FZ/T64007—2010&机织树脂衬》,与FZ/T64007-—2010相比主要技术变化如下:标准名称调整为《树脂机织衬》;增加了树脂机织衬的定义;
理化性能增加了组合试样蒸汽熨烫后尺寸变化考核指标,撕破强力按照原料成分分档考核,提高了折痕回复角考核指标;
外观质量局部性疵点分三档考核,提高了色差、局部性疵点的考核指标;删除了原附录A。
本标准由中国纺织工业联合会提出。本标准由全国纺织品标准化技术委员会棉纺织品分技术委员会(SAC/TC209/SC10)归口。本标准起草单位:南通海汇科技发展有限公司、维柏思特衬布(南通)有限公司、如皋市五山漂染有限责任公司、上海市纺织工业技术监督所、中国产业用纺织品行业协会。本标准主要起草人:曹平、朱红耀、姜倩、吴进、张宝庆、李桂梅。本标准所代替标准的历次版本发布情况为:-GB/T11389—1989;
—FZ/T64007—1999、FZ/T64007—2000、FZ/T64007—2010。I
1范围
树脂机织衬
FZ/T64007—2019
本标准规定了树脂机织村的术语和定义、产品分类、技术要求、试验和检验方法、检验规则、标志和包装。
本标准适用于本白、漂白和染色树脂机织村。2规范性引用文件
下列文件对于本文件的应用是必不可少的。凡是注日期的引用文件,仅注日期的版本适用于本文件。凡是不注日期的引用文件,其最新版本(包括所有的修改单)适用于本文件。GB/T250纺织品色牢度试验评定变色用灰色样卡GB/T3819
纺织品织物折痕回复性的测定回复角法GB/T 3917.2
GB/T4666
GB/T4668
纺织品织物撕破性能第2部分:裤形试样(单缝)撕破强力的测定纺织品织物长度和幅宽的测定
机织物密度的测定
GB/T4669—2008
GB/T6529
GB/T8170
纺织品
机织物
单位长度质量和单位面积质量的测定纺织品
调湿和试验用标准大气
数值修约规则与极限数值的表示和判定GB/T8629—
GB/T14801
纺织品试验用家庭洗涤和干燥程序机织物与针织物纬斜和弓纬试验方法GB/T18318.1
GB18401
弯曲性能的测定
纺织品
第1部分:斜面法
国家纺织产品基本安全技术规范GB/T28465
GB31701
服装衬布检验规则
婴幼儿及儿童纺织产品安全技术规范GB/T31902
GB/T31903
FZ/T60031
3术语和定义
服装衬布外观疵点检验方法
服装衬布产品命名规则、标志和包装服装用村经蒸汽熨烫后尺寸变化试验方法下列术语和定义适用于本文件。3.1
resin-finished woven interlinings树脂机织村
以棉、化纤纯纺或混纺纱原料制成的机织物为基布,经漂染、树脂整理等加工而成的村布。4产品分类
4.1树脂机织衬按基布纤维原料,可分为纯棉衬、涤棉村、涤纶衬。1
小提示:此标准内容仅展示完整标准里的部分截取内容,若需要完整标准请到上方自行免费下载完整标准文档。
中华人民共和国纺织行业标准
FZ/T54115—2019免费标准bzxz.net
锦纶6牵伸分纤母丝
Polyamide 6 drawn mother yarns for splitting2019-05-02发布
中华人民共和国工业和信息化部发布
2019-11-01实施
本标准按照GB/T1.1—2009给出的规则起草。本标准由中国纺织工业联合会提出。本标准由上海市纺织工业技术监督所归口。FZ/T54115—2019
本标准起草单位:长乐恒申合纤科技有限公司、海安县中山合成纤维有限公司、江苏鸿顺合纤科技有限公司、南通苏源化纤有限公司、南通美铭锦纶有限公司、江苏中杰澳新材料有限公司、长乐力恒锦纶科技有限公司、义乌华鼎锦纶股份有限公司、张家港市翔美纺织有限公司、上海市纺织工业技术监督所、中国化学纤维工业协会。
本标准主要起草人:陈立军、张振涛、王均、华伯富、朱爱民、周资兵、周焕民、高洁、周建兵、盛忠勤、李红杰、张子昕。
1范围
锦纶6牵伸分纤母丝
FZ/T54115—2019
本标准规定了锦纶6牵伸分纤母丝的术语和定义、分类和标识、技术要求、试验方法、检验规则和标志、包装、运输、贮存的要求。本标准适用于总线密度为100.0dtex~720.0dtex,单丝线密度为10.0dtex~60.0dtex的本色、圆形截面、三角截面的有光、半消光民用锦纶6牵伸分纤母丝,其他类型的锦纶6牵伸分纤母丝可参照使用。
2规范性引用文件
下列文件对于本文件的应用是必不可少的。凡是注日期的引用文件,仅注日期的版本适用于本文件。凡是不注日期的引用文件,其最新版本(包括所有的修改单)适用于本文件。GB/T250纺织品
色牢度试验评定变色用灰色样卡GB/T 2828.1—2012
GB/T3291.1
GB/T3291.3
计数抽样检验程序第1部分:按接收质量限(AQL)检索的逐批检验抽样纺织材料性能和试验术语第1部分:纤维和纱线纺织材料性能和试验术语第3部分:通用GB/T4146(所有部分)
GB/T6502
GB/T6503
GB/T6505
化学纤维
化学纤维
化学纤维
GB/T8170—
GB/T14343
GB/T14344
GB/T14346
FZ/T50008
FZ/T50027
FZ/T51004
FZ/T50041
3术语和定义
纺织品化学纤维
长丝取样方法
回潮率试验方法
长丝热收缩率试验方法(处理后)数值修约规则与极限数值的表示和判定化学纤维
化学纤维
化学纤维
长丝线密度试验方法
长丝拉伸性能试验方法
长丝条干不匀率试验方法
电容法
锦纶长丝染色均匀度试验方法
化学纤维
二氧化钛含量试验方法
纤维级聚已内酰胺切片
化学纤维母丝分纤性能试验方法GB/T3291.1GB/T3291.3和GB/T4146(所有部分)、FZ/T51004界定的以及下列术语和定义适用于本文件。
锦纶6牵伸分纤母丝
polyamide6drawnmotheryarnsforsplitting在下游直接分丝成多根单丝的锦纶6牵伸长丝。1
FZ/T54115—2019
分类和标识
按生产时二氧化钛添加量的不同,锦纶6牵伸分纤母丝产品分为有光丝、半消光丝。4.1
产品规格以线密度(dtex)和单丝根数(f)表示。例如线密度为222dtex,单丝根数为10的锦纶64.2
牵伸分纤母丝,其产品规格表示为222dtex/10f。产品按产品规格、截面形状、光泽、生产工艺或批号等信息来标识,可以有效区分。包例如:222dtex/
10f圆形半消光锦纶6牵伸分纤母丝。5
技术要求
产品分等
产品分为优等品(AA级)、一等品(A级)、合格品(B级)三个等级。性能项目和指标
性能项目和指标见表1。
线密度偏差率/%
线密度变异系数(CV)/%
断裂强度/(cN/dtex)
断裂强力变异系数(CV,)/%
断裂伸长率/%
断裂伸长率变异系数(CVs)/%
沸水收缩率/%
染色均匀度(灰卡)/级
条干不匀率(CV)/%
分纤断头次数/次
物理机械、染化性能项目和指标优等品
(AA级)
形截面
三角截面
M,±1.5
一等品
(A级)
合格品
(B级)
·M为断裂伸长率中心值,具体由生产厂家与客户协商确定,一旦确定后不得任意更改,因原料更换等原因中心值可适当调整,如用户有特殊要求,由供需双方另行协商。M为沸水收缩率中心值,由供需双方协商确定,一旦确定后不得任意更改,因原料更换等原因中心值可适当b
满整,如用户有特殊要求,由供需双方另行协商。5.3
外观项目和指标
见表2。
纤丝(萄蛛丝)/(个/筒)
油污/(cm/简)
简重/kg
锦纶6牵伸分纤母丝外观项目和指标表2
优等品
(AA级)
定长或定重
色差参照GB/T250的级别定等,其中“正常”相当于四级,”轻”相当于三级。一等品
(A级)
FZ/T54115—2019
合格品
(B级)
油污,一等品只允许淡黄色油污,其总面积不超过1cm*/简;合格品只允许淡黄色和较深色油污,其总面积不超过2cm/筒,黑色油污不允许。定长或定重产品长度或重量要求由供需双方协商确定。e
试验方法
线密度试验
线密度偏差率、线密度变异系数按GB/T14343规定执行。拉伸性能试验
断裂强度、断裂强力变异系数、断裂伸长率、断裂伸长率变异系数按GB/T14344规定执行。沸水收缩率试验
按GB/T6505规定执行。
染色均匀度试验
按FZ/T50008规定执行。
条干不匀率试验
按GB/T14346规定执行,试样速度为100m/min,试验时间为5min。6.6分纤断头次数试验
按FZ/T50041规定执行。
6.7二氧化钛含量试验
按FZ/T50027规定执行。
6.8回潮率试验
按GB/T6503规定执行。
FZ/T54115—2019
6.9外观检验
6.9.1设备
可采用移动光源、固定光源进行外观检验:一移动光源:要求被观察点的照度大于或等于6001x,无强烈的其他干扰光源;注:移动光源根据实际情况选用,可以是充电灯或手电或其他能达到照度要求的任意一种。———固定光源:以平行排列的两支40W普通荧光灯,悬挂于离地面高度为180cm~200cm处,丝车在正下方能轻松观察到卷装上面积≥0.5cm的淡黄色油污为宜。6.9.2检验步骤
6.9.2.1仔细观察卷装的二个端面和一个柱表面。2对每个被检卷装进行外观检验,并记录。6.9.2.2
6.9.2.3用检定分度值小于等于卷装质量的0.1%,最大秤量的20%~80%能覆盖卷装质量的磅、电子秤等衡器称取卷装的质量,扣除已知的皮质量,该净质量即为简重,精确至0.5%,并记录,7检验规则
7.1检验项目
7.1.1表1中项目均为出厂检验项目。7.1.2外观检验项目按5.3规定。7.2组批规定
在一定范围内采用周期性取样组成检验批。一个生产批可由一个检验批组成,也可由若干检验批组成。
7.3取样规定
7.3.1表1中各项目试验的实验室样品按GB/T6502规定取样。其中,染色均匀度试验宜逐筒取样。2外观检验逐筒取样。
7.4检验结果评定
7.4.1性能项目的测定值或计算值按GB/T8170一2008中修约值比较法与表1的性能指标的极限数值比较,评定等级。其中染色均匀度,根据染色级差(含同一段袜带内的深浅条纹)按GB/T250评定等级。
2外观检验按5.3规定,逐筒评定等级、3产品综合等级的评定,以检验批中性能指标和外观指标最低项的等级定为该批产品的等级。7.4.3
7.5复验规则
7.5.1通则
一批产品到收货方一个月内,作为验收或对品质有异议时可提请复验。若该批产品的数量使用了三分之一以上时,不得申请复验。但如果收货方可以出示相关证据证明该批产品确实影响到后加工产品的品质,并造成严重损失时,应分析原因,明确双方责任、协商处理。4
7.5.2检验项目
同7.1。
7.5.3组批规定
按原生产批组批。
7.5.4取样规定
7.5.4.1性能项目的实验室样品按GB/T6502规定取样。FZ/T54115-2019
7.5.4.2外观为抽样检验,根据批量按GB/T2828.1一2012表1中一般检验水平Ⅱ规定确定样本大小(字码)。
7.5.5复验评定
7.5.5.1性能项目的测定值或计算值按GB/T8170一2008中修约值比较法与表1的性能指标的极限数值比较,评定等级。
7.5.5.2外观项目按7.5.4.2样本大小,根据GB/T2828.1一2012表2-A中正常检验一次抽样方案AQL值为4.0,确定接收数Ac和拒收数Re,并按本标准规定指标评定,当不合格的卷装数≤Ac时判为原等级,当不合格的卷装数≥Re时,则判为不符合原等级。7.5.5.3产品综合等级的评定,按7.4.3评定,高于或等于原等级则判为符合,低于原等级则判为不符合。
公定质量验收
按GB/T6503规定测得实测回潮率。公定质量按式(1)计算:1+R。
式中:
批产品包装件公定质量,单位为千克(kg);批产品包装件净质量,单位为千克(kg);m,
R。——锦纶6的公定回潮率,为4.5%;R—实测回潮率,%。
公定质量差异不超过0.5%,超过时,由供需双方协商确定。8标志、包装、运输、贮存
8.1标志
(1)
包装箱上应标明产品名称、规格、等级、批号、净重、毛重、卷装个数、包装日期、产品标准编号、商标、生产企业名称、详细地址等相关信息和防潮、小心轻放等警示标志。8.2包装
8.2.1每个卷装都应套一个塑料袋后放入包装箱。包装箱内对有支撑的卷装应定位固定,无支撑的卷装应保证其不受损伤。
8.2.2每个包装箱内的卷装大小尽量均匀。不同品种、规格、批号、等级要分别装箱,严禁混装。8.2.3每批产品应附质量检验单。5
FZ/T 54115—2019
运输过程中避免包装箱损坏、受潮、暴晒、倾斜和倒置。贮存
包装箱按批堆放,贮存在干燥、清洁、通风、避光的场所。ICS59.080.30
中华人民共和国纺织行业标准
FZ/T64007—2019
代替FZ/T64007—2010
树脂机织衬
Resin-finished woven interlinings2019-05-02发布
中华人民共和国工业和信息化部发布
2019-11-01实施
本标准按照GB/T1.1一2009给出的规则起草。FZ/T64007—2019
本标准代替FZ/T64007—2010&机织树脂衬》,与FZ/T64007-—2010相比主要技术变化如下:标准名称调整为《树脂机织衬》;增加了树脂机织衬的定义;
理化性能增加了组合试样蒸汽熨烫后尺寸变化考核指标,撕破强力按照原料成分分档考核,提高了折痕回复角考核指标;
外观质量局部性疵点分三档考核,提高了色差、局部性疵点的考核指标;删除了原附录A。
本标准由中国纺织工业联合会提出。本标准由全国纺织品标准化技术委员会棉纺织品分技术委员会(SAC/TC209/SC10)归口。本标准起草单位:南通海汇科技发展有限公司、维柏思特衬布(南通)有限公司、如皋市五山漂染有限责任公司、上海市纺织工业技术监督所、中国产业用纺织品行业协会。本标准主要起草人:曹平、朱红耀、姜倩、吴进、张宝庆、李桂梅。本标准所代替标准的历次版本发布情况为:-GB/T11389—1989;
—FZ/T64007—1999、FZ/T64007—2000、FZ/T64007—2010。I
1范围
树脂机织衬
FZ/T64007—2019
本标准规定了树脂机织村的术语和定义、产品分类、技术要求、试验和检验方法、检验规则、标志和包装。
本标准适用于本白、漂白和染色树脂机织村。2规范性引用文件
下列文件对于本文件的应用是必不可少的。凡是注日期的引用文件,仅注日期的版本适用于本文件。凡是不注日期的引用文件,其最新版本(包括所有的修改单)适用于本文件。GB/T250纺织品色牢度试验评定变色用灰色样卡GB/T3819
纺织品织物折痕回复性的测定回复角法GB/T 3917.2
GB/T4666
GB/T4668
纺织品织物撕破性能第2部分:裤形试样(单缝)撕破强力的测定纺织品织物长度和幅宽的测定
机织物密度的测定
GB/T4669—2008
GB/T6529
GB/T8170
纺织品
机织物
单位长度质量和单位面积质量的测定纺织品
调湿和试验用标准大气
数值修约规则与极限数值的表示和判定GB/T8629—
GB/T14801
纺织品试验用家庭洗涤和干燥程序机织物与针织物纬斜和弓纬试验方法GB/T18318.1
GB18401
弯曲性能的测定
纺织品
第1部分:斜面法
国家纺织产品基本安全技术规范GB/T28465
GB31701
服装衬布检验规则
婴幼儿及儿童纺织产品安全技术规范GB/T31902
GB/T31903
FZ/T60031
3术语和定义
服装衬布外观疵点检验方法
服装衬布产品命名规则、标志和包装服装用村经蒸汽熨烫后尺寸变化试验方法下列术语和定义适用于本文件。3.1
resin-finished woven interlinings树脂机织村
以棉、化纤纯纺或混纺纱原料制成的机织物为基布,经漂染、树脂整理等加工而成的村布。4产品分类
4.1树脂机织衬按基布纤维原料,可分为纯棉衬、涤棉村、涤纶衬。1
小提示:此标准内容仅展示完整标准里的部分截取内容,若需要完整标准请到上方自行免费下载完整标准文档。
标准图片预览:





- 热门标准
- 其他行业标准
- QB/T4785-2015 往复锯条
- QB/T4698-2014 家用和类似用途软水机
- FZ/T54085-2016 阻燃涤纶低弹丝
- QB/T1042-2014 数字式世界钟
- FZ/T62036-2017 乳胶枕、垫
- FZ/T61008-2015 摇粒绒毯
- FZ/T61002-2019 化纤仿毛毛毯
- NB/T31048.1-2014 风力发电机用绕组线 第1部分 一般规定
- FZ/T73043-2012 针织衬衫
- FZ/T54091-2016 导电锦纶6牵伸丝
- T/CMAJY047-2021 加油机在线监督管理规范
- JB/T8645-2011 潜水螺杆泵
- FZ/T66310-1995 特种工业用厚型带
- FZ/T92019-2021 棉纺环锭细纱机牵伸下罗拉
- YB/T5315-2016 硅钙合金 磷含量的测定 磷钼蓝分光光度法
- 行业新闻
请牢记:“bzxz.net”即是“标准下载”四个汉字汉语拼音首字母与国际顶级域名“.net”的组合。 ©2025 标准下载网 www.bzxz.net 本站邮件:bzxznet@163.com
网站备案号:湘ICP备2025141790号-2
网站备案号:湘ICP备2025141790号-2