- 您的位置:
- 标准下载网 >>
- 标准分类 >>
- 其他行业标准 >>
- FZ/T 54124-2020导电涤纶牵伸丝/涤纶牵伸丝混纤丝
标准号:
FZ/T 54124-2020
标准名称:
导电涤纶牵伸丝/涤纶牵伸丝混纤丝
标准类别:
其他行业标准
英文名称:
Polyester conductive drawn/drawn combined yarns标准状态:
现行-
发布日期:
2020-12-09 -
实施日期:
2021-04-01 出版语种:
简体中文下载格式:
.pdf .zip下载大小:
2.29 MB
点击下载
标准简介:
本标准规定了导电涤纶牵伸丝/涤纶牵伸丝混纤丝的术语和定义、产品标识、技术要求、试验方法、检验规则和标志、包装、运输、贮存的要求。
本标准适用于总线密度为50 dtex~360 dtex、圆形截面、导电涤纶牵伸丝与涤纶牵伸丝经网络加工工艺形成的混纤丝。其他类型的导电涤纶牵伸丝/涤纶牵伸丝混纤丝可参照使用。
部分标准内容:
ICS59.060.20
中华人民共和国纺织行业标准
FZ/T54124—2020
导电涤纶牵伸丝/涤纶牵伸丝混纤丝Polyesterconductivedrawn/drawncombinedyarns2020-12-09发布
中华人民共和国工业和信息化部发布
2021-04-01实施
本标准按照GB/T1.1一2009给出的规则起草。本标准由中国纺织工业联合会提出并归口。FZ/T54124—2020
本标准起草单位:江苏省纺织研究所股份有限公司、浙江蓝天海纺织服饰科技有限公司、凯泰特种纤维科技有限公司、江苏中杰澳新材料有限公司、北京中纺优丝特种纤维科技有限公司、浙江桐昆新材料研究院有限公司、上海市纺织工业技术监督所、中国化学纤维工业协会、上海纺织集团检测标准有限公司。
本标准主要起草人:周建平、何卫星、陈明青、袁聪慧、周焕民、焦红娟、俞洋、周祯德、王永生、吴凯琪。
1范围
导电涤纶牵伸丝/涤纶牵伸丝混纤丝FZ/T54124—2020
本标准规定了导电涤纶牵伸丝/涤纶牵伸丝混纤丝的术语和定义、产品标识、技术要求、试验方法、检验规则和标志、包装、运输、贮存的要求。本标准适用于总线密度为50dtex~360dtex、圆形截面、导电涤纶牵伸丝与涤纶牵伸丝经网络加工工艺形成的混纤丝。其他类型的导电涤纶牵伸丝/涤纶牵伸丝混纤丝可参照使用。2规范性引用文件
下列文件对于本文件的应用是必不可少的。凡是注日期的引用文件,仅注日期的版本适用于本文件。凡是不注日期的引用文件,其最新版本(包括所有修改单)适用于本文件。GB/T2828.1—2012计数抽样检验程序第1部分:按接收质量限(AQL)检索的逐批检验抽样计划
GB/T3291.1
纺织材料性能和试验术语
第1部分:纤维和纱线
纺织材料性能和试验术语
客第3部分:通用
GB/T3291.3
GB/T4146(所有部分)全
纺织品化学纤维
GB/T6502
GB/T6504
GB/T6505
化学纤维
长丝取样方法
含油率试验方法
化学纤维
化学纤维长丝热收缩率试验方法(处理后)GB/T8170一2008数值修约规则与极限数值的表示和判定GB/T14343
GB/T14344
化学纤维长丝线密度试验方法
化学纤维
长丝拉伸性能试验方法
FZ/T50001一2016合成纤维长丝网络度试验方法FZ/T50035合成纤维长丝电阻试验方法3术语和定义
GB/T3291.1、GB/T3291.3、GB/T4146(所有部分)界定的术语和定义适用本文件。4产品标识
4.1产品规格以总线密度(dtex)和单丝根数(f)表示。示例:
规格为22dtex/4f的导电涤纶牵伸丝和规格为55dtex/24f涤纶牵伸丝的混纤丝,其产品规格表示为77dtex/28f。4.2产品标识应包含:产品规格、产品名称、批号等信息,可以有效区分。5技术要求
5.1产品分等
产品分为优等品、一等品二个等级。1
FZ/T54124—2020
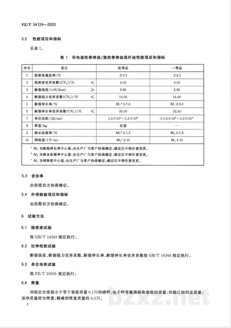
性能项目和指标
见表1。
表1导电涤纶牵伸丝/涤纶牵伸丝混纤丝性能项目和指标序号
线密度偏差率/%
线密度变异系数(CV)/%
断裂强度/(cN/dtex)
断裂强力变异系数(CV)/%
断裂伸长率/%
断裂伸长率变异系数(CV,)/%
单位电阻/(a/cm)
简重/kg
沸水收缩率/%
网络度/(个/m)
优等品
1.0×105~1.0×108
·M,为断裂伸长率中心值,由生产厂与客户协商确定,确定后不得任意变更。\M2为沸水收缩率中心值,由生产厂与客户协商确定,确定后不得任意变更。“M,为网络度中心值,由生产厂与客户协商确定,确定后不得任意变更。3含油率
由供需双方协商确定。
外观检验项目和指标
由供需双方协商确定。
试验方法
线密度试验
按GB/T14343规定执行。
拉伸性能试验
一等品
>1.0×10°~1.0×10
Me±15
断裂强度、断裂强力变异系数、断裂伸长率、断裂伸长率变异系数按GB/T14344规定执行。单位电阻试验
按FZ/T50035规定执行。
用检定分度值小于等于卷装质量0.1%的磅秤、电子秤等衡器称取卷装的质量,扣除已知的皮质量,该净质量即为筒重,精确到筒重质量的0.5%。2
6.5沸水收缩率试验
按GB/T6505规定执行。
6.6网络度试验
FZ/T54124—2020
按FZ/T50001一2016规定执行,数据修药至整数,仲裁时采用方法D-水浴移针法。6.7含油率试验
按GB/T6504规定执行。
6.8外观检验
6.8.1设备
可采用移动光源、固定光源或分级台进行外观检验:移动光源:要求被观察点的照度大于或等于6001x,无强烈的其他干扰光源;注:移动光源根据实际情况选用,可以是充电灯或手电或其他能达到照度要求的任意一种。-固定光源:以平行排列的两支40W普通荧光灯,悬挂于离地面高度为180cm~200cm处,丝车在正下方能轻松观察到卷装上面积≥0.5cm2的淡黄色油污为宜;分级台:黑色台面,高度为75cm80cm,上面平行挂二支D65高显色荧光灯(或40W普通荧光灯),周围环境应无其他散射光和反射光,被观察点的照度大于或等于6001x。6.8.2检验步骤
仔细观察卷装的二个端面和一个柱表面。6.8.2.2
对每个被检卷装进行外观检验,并记录。7检验规则
7.1检验类型
检验类型分为型式检验和出厂检验。下列情况下须进行型式检验:
规定的周期性检验时;
当生产设计、工艺、原料有变化,可能影响产品品质时;出厂检验的结果与上次型式检验有较大差异时;国家检验机构要求进行型式检验时。7.2
检验项目
表1中项目均为型式检验项目,其中序号1~8为出厂检验项目。7.2.2
外观检验项目按5.4规定。
组批规定
在一定范围内采用周期性取样组成检验批号。一个生产批可由一个检验批组成,也可由若干检验批组成。
FZ/T54124—2020
7.4取样规定
7.4.1表1中各项目试验的实验室样品,按GB/T6502规定取样,其中筒重逐筒取样。7.4.2外观检验,逐筒取样。
7.5检验结果评定
7.5.1性能项目的测定值或计算值按GB/T8170一2008中修约值比较法与表1的指标的极限数值比较,评定等级。
7.5.2外观检验按5.4要求,逐筒评定等级。7.5.3产品综合等级的评定,以检验批中性能指标、外观指标最低项的等级定为该批产品的等级。7.6复验规则
7.6.1通则
一批产品到收货方3个月内,作为验收或对品质有异议时可提请复验。若该批产品的数量使用了三分之一以上时,不得申请复验。但如果收货方可以出示相关证据证明该批产品确实影响到后加工产品的品质,并造成严重损失时,应分析原因,明确双方责任、协商处理。7.6.2检验项目
同7.2。
7.6.3组批规定
按原生产批组批,但生产日期间隔超过90天的产品不能按同一批号组批。7.6.4取样规定
7.6.4.1表1中除筒重外的性能项目的实验室样品按GB/T6502规定取样。7.6.4.2外观和筒重为抽样检验。根据批量按GB/T2828.1一2012表1中一般检验水平Ⅱ规定确定样本大小(字码)。
7.6.5复验结果的评定
7.6.5.1表1中除筒重外的性能项目的测定值或计算值按GB/T8170一2008中修约值比较法与表1的性能指标的极限数值比较,评定等级。7.6.5.2外观和筒重项目按7.6.4.2样本大小,根据GB/T2828.1一2012表2-A中正常检验一次抽样方案AQL值为4.0,确定合格判定数Ac和不合格判定数Re,并外观按5.4、筒重按表1的要求评定,当不合格的卷装数≤Ac时,判为原等级;当不合格的卷装数≥Re时,则判为不符合原等级。7.6.5.3产品综合等级的评定,按7.5.3评定,高于或等于原等级则判为符合,低于原等级则判为不符合。wwW.bzxz.Net
8标志、包装、运输、贮存
8.1标志
包装箱上应标明产品名称、规格、等级、批号、净重、毛重、卷装个数、包装日期、产品标准编号、商标、生产企业名称、详细地址等相关信息和防潮、小心轻放等警示标志。4
8.2包装
FZ/T54124—2020
8.2.1每个卷装都应套一个塑料袋后放入包装箱。包装箱内对有支撑的卷装应定位固定,无支撑的卷装应保证其不受损伤。
8.2.2每个包装箱内的卷装大小宜均匀。不同品种、规格、批号、等级要分别装箱,严禁混装8.2.3每批产品应附质量检验单。8.3运输
运输过程中避免包装箱损坏和受潮、曝晒。8.4购存
包装箱按批堆放,贮存在干燥、清洁、通风且无日光直晒的场所。5
FZ/T54124-2020
打印日期:2021年1月21日
中华人民共和国纺织
行业标准
导电涤纶牵伸丝/涤纶牵伸丝混纤丝FZ/T54124—2020
中国标准出版社出版发行
北京市朝阳区和平里西街甲2号(100029)北京市西城区三里河北街16号(100045)网址www.spc.net.cn
总编室:(010)68533533发行中心:(010)51780238读者服务部:(010)68523946
中国标准出版社秦皇岛印刷厂印刷各地新华书店经销
开本880×12301/16
2021年1月第一版
印张0.75
字数12千字
2021年1月第一次印刷
书号:155066·2-35638
如有印装差错
由本社发行中心调换
版权专有侵权必究
举报电话:(010)68510107
小提示:此标准内容仅展示完整标准里的部分截取内容,若需要完整标准请到上方自行免费下载完整标准文档。
中华人民共和国纺织行业标准
FZ/T54124—2020
导电涤纶牵伸丝/涤纶牵伸丝混纤丝Polyesterconductivedrawn/drawncombinedyarns2020-12-09发布
中华人民共和国工业和信息化部发布
2021-04-01实施
本标准按照GB/T1.1一2009给出的规则起草。本标准由中国纺织工业联合会提出并归口。FZ/T54124—2020
本标准起草单位:江苏省纺织研究所股份有限公司、浙江蓝天海纺织服饰科技有限公司、凯泰特种纤维科技有限公司、江苏中杰澳新材料有限公司、北京中纺优丝特种纤维科技有限公司、浙江桐昆新材料研究院有限公司、上海市纺织工业技术监督所、中国化学纤维工业协会、上海纺织集团检测标准有限公司。
本标准主要起草人:周建平、何卫星、陈明青、袁聪慧、周焕民、焦红娟、俞洋、周祯德、王永生、吴凯琪。
1范围
导电涤纶牵伸丝/涤纶牵伸丝混纤丝FZ/T54124—2020
本标准规定了导电涤纶牵伸丝/涤纶牵伸丝混纤丝的术语和定义、产品标识、技术要求、试验方法、检验规则和标志、包装、运输、贮存的要求。本标准适用于总线密度为50dtex~360dtex、圆形截面、导电涤纶牵伸丝与涤纶牵伸丝经网络加工工艺形成的混纤丝。其他类型的导电涤纶牵伸丝/涤纶牵伸丝混纤丝可参照使用。2规范性引用文件
下列文件对于本文件的应用是必不可少的。凡是注日期的引用文件,仅注日期的版本适用于本文件。凡是不注日期的引用文件,其最新版本(包括所有修改单)适用于本文件。GB/T2828.1—2012计数抽样检验程序第1部分:按接收质量限(AQL)检索的逐批检验抽样计划
GB/T3291.1
纺织材料性能和试验术语
第1部分:纤维和纱线
纺织材料性能和试验术语
客第3部分:通用
GB/T3291.3
GB/T4146(所有部分)全
纺织品化学纤维
GB/T6502
GB/T6504
GB/T6505
化学纤维
长丝取样方法
含油率试验方法
化学纤维
化学纤维长丝热收缩率试验方法(处理后)GB/T8170一2008数值修约规则与极限数值的表示和判定GB/T14343
GB/T14344
化学纤维长丝线密度试验方法
化学纤维
长丝拉伸性能试验方法
FZ/T50001一2016合成纤维长丝网络度试验方法FZ/T50035合成纤维长丝电阻试验方法3术语和定义
GB/T3291.1、GB/T3291.3、GB/T4146(所有部分)界定的术语和定义适用本文件。4产品标识
4.1产品规格以总线密度(dtex)和单丝根数(f)表示。示例:
规格为22dtex/4f的导电涤纶牵伸丝和规格为55dtex/24f涤纶牵伸丝的混纤丝,其产品规格表示为77dtex/28f。4.2产品标识应包含:产品规格、产品名称、批号等信息,可以有效区分。5技术要求
5.1产品分等
产品分为优等品、一等品二个等级。1
FZ/T54124—2020
性能项目和指标
见表1。
表1导电涤纶牵伸丝/涤纶牵伸丝混纤丝性能项目和指标序号
线密度偏差率/%
线密度变异系数(CV)/%
断裂强度/(cN/dtex)
断裂强力变异系数(CV)/%
断裂伸长率/%
断裂伸长率变异系数(CV,)/%
单位电阻/(a/cm)
简重/kg
沸水收缩率/%
网络度/(个/m)
优等品
1.0×105~1.0×108
·M,为断裂伸长率中心值,由生产厂与客户协商确定,确定后不得任意变更。\M2为沸水收缩率中心值,由生产厂与客户协商确定,确定后不得任意变更。“M,为网络度中心值,由生产厂与客户协商确定,确定后不得任意变更。3含油率
由供需双方协商确定。
外观检验项目和指标
由供需双方协商确定。
试验方法
线密度试验
按GB/T14343规定执行。
拉伸性能试验
一等品
>1.0×10°~1.0×10
Me±15
断裂强度、断裂强力变异系数、断裂伸长率、断裂伸长率变异系数按GB/T14344规定执行。单位电阻试验
按FZ/T50035规定执行。
用检定分度值小于等于卷装质量0.1%的磅秤、电子秤等衡器称取卷装的质量,扣除已知的皮质量,该净质量即为筒重,精确到筒重质量的0.5%。2
6.5沸水收缩率试验
按GB/T6505规定执行。
6.6网络度试验
FZ/T54124—2020
按FZ/T50001一2016规定执行,数据修药至整数,仲裁时采用方法D-水浴移针法。6.7含油率试验
按GB/T6504规定执行。
6.8外观检验
6.8.1设备
可采用移动光源、固定光源或分级台进行外观检验:移动光源:要求被观察点的照度大于或等于6001x,无强烈的其他干扰光源;注:移动光源根据实际情况选用,可以是充电灯或手电或其他能达到照度要求的任意一种。-固定光源:以平行排列的两支40W普通荧光灯,悬挂于离地面高度为180cm~200cm处,丝车在正下方能轻松观察到卷装上面积≥0.5cm2的淡黄色油污为宜;分级台:黑色台面,高度为75cm80cm,上面平行挂二支D65高显色荧光灯(或40W普通荧光灯),周围环境应无其他散射光和反射光,被观察点的照度大于或等于6001x。6.8.2检验步骤
仔细观察卷装的二个端面和一个柱表面。6.8.2.2
对每个被检卷装进行外观检验,并记录。7检验规则
7.1检验类型
检验类型分为型式检验和出厂检验。下列情况下须进行型式检验:
规定的周期性检验时;
当生产设计、工艺、原料有变化,可能影响产品品质时;出厂检验的结果与上次型式检验有较大差异时;国家检验机构要求进行型式检验时。7.2
检验项目
表1中项目均为型式检验项目,其中序号1~8为出厂检验项目。7.2.2
外观检验项目按5.4规定。
组批规定
在一定范围内采用周期性取样组成检验批号。一个生产批可由一个检验批组成,也可由若干检验批组成。
FZ/T54124—2020
7.4取样规定
7.4.1表1中各项目试验的实验室样品,按GB/T6502规定取样,其中筒重逐筒取样。7.4.2外观检验,逐筒取样。
7.5检验结果评定
7.5.1性能项目的测定值或计算值按GB/T8170一2008中修约值比较法与表1的指标的极限数值比较,评定等级。
7.5.2外观检验按5.4要求,逐筒评定等级。7.5.3产品综合等级的评定,以检验批中性能指标、外观指标最低项的等级定为该批产品的等级。7.6复验规则
7.6.1通则
一批产品到收货方3个月内,作为验收或对品质有异议时可提请复验。若该批产品的数量使用了三分之一以上时,不得申请复验。但如果收货方可以出示相关证据证明该批产品确实影响到后加工产品的品质,并造成严重损失时,应分析原因,明确双方责任、协商处理。7.6.2检验项目
同7.2。
7.6.3组批规定
按原生产批组批,但生产日期间隔超过90天的产品不能按同一批号组批。7.6.4取样规定
7.6.4.1表1中除筒重外的性能项目的实验室样品按GB/T6502规定取样。7.6.4.2外观和筒重为抽样检验。根据批量按GB/T2828.1一2012表1中一般检验水平Ⅱ规定确定样本大小(字码)。
7.6.5复验结果的评定
7.6.5.1表1中除筒重外的性能项目的测定值或计算值按GB/T8170一2008中修约值比较法与表1的性能指标的极限数值比较,评定等级。7.6.5.2外观和筒重项目按7.6.4.2样本大小,根据GB/T2828.1一2012表2-A中正常检验一次抽样方案AQL值为4.0,确定合格判定数Ac和不合格判定数Re,并外观按5.4、筒重按表1的要求评定,当不合格的卷装数≤Ac时,判为原等级;当不合格的卷装数≥Re时,则判为不符合原等级。7.6.5.3产品综合等级的评定,按7.5.3评定,高于或等于原等级则判为符合,低于原等级则判为不符合。wwW.bzxz.Net
8标志、包装、运输、贮存
8.1标志
包装箱上应标明产品名称、规格、等级、批号、净重、毛重、卷装个数、包装日期、产品标准编号、商标、生产企业名称、详细地址等相关信息和防潮、小心轻放等警示标志。4
8.2包装
FZ/T54124—2020
8.2.1每个卷装都应套一个塑料袋后放入包装箱。包装箱内对有支撑的卷装应定位固定,无支撑的卷装应保证其不受损伤。
8.2.2每个包装箱内的卷装大小宜均匀。不同品种、规格、批号、等级要分别装箱,严禁混装8.2.3每批产品应附质量检验单。8.3运输
运输过程中避免包装箱损坏和受潮、曝晒。8.4购存
包装箱按批堆放,贮存在干燥、清洁、通风且无日光直晒的场所。5
FZ/T54124-2020
打印日期:2021年1月21日
中华人民共和国纺织
行业标准
导电涤纶牵伸丝/涤纶牵伸丝混纤丝FZ/T54124—2020
中国标准出版社出版发行
北京市朝阳区和平里西街甲2号(100029)北京市西城区三里河北街16号(100045)网址www.spc.net.cn
总编室:(010)68533533发行中心:(010)51780238读者服务部:(010)68523946
中国标准出版社秦皇岛印刷厂印刷各地新华书店经销
开本880×12301/16
2021年1月第一版
印张0.75
字数12千字
2021年1月第一次印刷
书号:155066·2-35638
如有印装差错
由本社发行中心调换
版权专有侵权必究
举报电话:(010)68510107
小提示:此标准内容仅展示完整标准里的部分截取内容,若需要完整标准请到上方自行免费下载完整标准文档。
标准图片预览:





- 其它标准
- 热门标准
- 其他行业标准
- FZ/T54085-2016 阻燃涤纶低弹丝
- FZ/T54087-2016 粘合活化型涤纶工业长丝
- FZ/T54089-2016 有色锦纶6弹力丝
- FZ/T54088-2016 锦纶6全牵伸单丝
- FZ/T54080-2015 有光异形锦纶66弹力丝
- FZ/T92036-2017 弹簧加压摇架
- YS/T433-2016 银精矿
- FZ/T54082-2015 锦纶6膨体长丝(BCF)
- QB/T4698-2014 家用和类似用途软水机
- QB/T4207-2011 一字槽螺钉旋具头
- FZ/T61002-2019 化纤仿毛毛毯
- FZ/T62036-2017 乳胶枕、垫
- JB/T4212.6-2014 内六角圆柱头螺钉冷镦模 第6部分:凹模
- NB/T31048.1-2014 风力发电机用绕组线 第1部分 一般规定
- T/CMAJY047-2021 加油机在线监督管理规范
- 行业新闻
请牢记:“bzxz.net”即是“标准下载”四个汉字汉语拼音首字母与国际顶级域名“.net”的组合。 ©2025 标准下载网 www.bzxz.net 本站邮件:bzxznet@163.com
网站备案号:湘ICP备2025141790号-2
网站备案号:湘ICP备2025141790号-2