- 您的位置:
- 标准下载网 >>
- 标准分类 >>
- 其他行业标准 >>
- QB/T 4117-2010腰带扣
标准号:
QB/T 4117-2010
标准名称:
腰带扣
标准类别:
其他行业标准
英文名称:
Belt key标准状态:
现行-
发布日期:
2011-01-21 -
实施日期:
2011-04-01 出版语种:
简体中文下载格式:
.pdf .zip
标准ICS号:
纺织和皮革技术>>皮革技术>>59.140.35皮革制品中标分类号:
轻工、文化与生活用品>>皮革加工与制品>>Y48毛皮、皮革与人造革制品
起草单位:
广东省鞋类产品质量检验站;汕头市中兴五金皮塑有限公司;中国皮革和制鞋工业研究院归口单位:
全国皮革工业标准化技术委员会发布部门:
工业和信息化部相关标签:
腰带
部分标准内容:
ICS 59.140.35
分类号:Y48
备案号:31066-2010
中华人民共和国轻工行业标准
QB/T4117-2010
腰带扣
Beltkey
2010-12-29发布
2011-04-01实施
中华人民共和国工业和信息化部本标准由中国轻工业联合会提出。前言
本标准由全国皮革工业标准化技术委员会(SAC/TC252)归口。QB/T4117-2010
本标准起草单位:广东省鞋类产品质量检验站、汕头市中兴五金皮塑有限公司、中国皮革和制鞋工业研究院。
本标准主要起草人:李汉彬、郑增仕、钟锡豪、黄晓钢。1范围
腰带扣
QB/T 4117-2010
本标准规定了腰带扣的术语和定义、产品分类、要求、试验方法、检验规则和标志、标签、包装、运输、贮存。
本标准适用于日常生活用腰带扣。本标准不适用于特种作业用腰带扣。2规范性引用文件
下列文件对于本文件的应用是必不可少的。凡是注日期的引用文件,仅注日期的版本适用于本文件。凡是不注日期的引用文件,其最新版本(包括所有的修改单)适用于本文件。GB/T2912.1一1998纺织品甲醛的测定第1部分:游离水解的甲醛(水萃取法)GB/T17592一2006纺织品禁用偶氮染料的测定GB/T19941皮革和毛皮化学试验甲醛含量的测定(GB/T19941-2005,ISO/TS17226:2003,MOD)
GB/T19942皮革和毛皮
化学试验禁用偶氮染料的测定(GB/T19942一2005,ISO/TS17234:2003,M0D)
QB/T2002.1一1994皮革五金配件电镀层技术条件QB/T3826轻工产品金属镀层和化学处理层的耐腐蚀试验方法中性盐雾试验(NSS)法QB/T3832轻工产品金属镀层腐蚀试验结果的评价3术语和定义
下列术语和定义适用于本文件。3.1自动扣
以自动紧固的方式固定腰带夹紧位置的扣(见图1)图1
自动扣
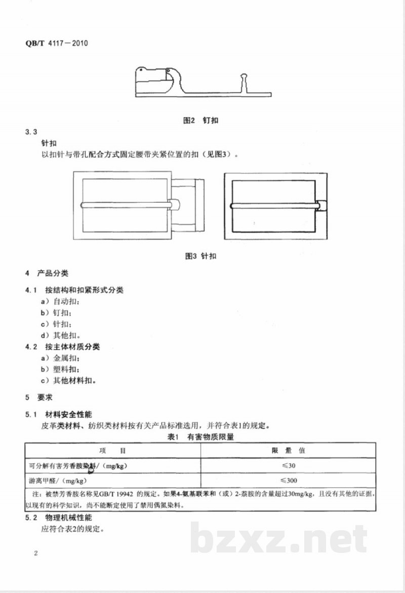
以扣钉与带孔配合方式固定腰带夹紧位置的扣(见图2)。QB/T4117-2010
图2·钉扣
以扣针与带孔配合方式固定腰带夹紧位置的扣(见图3)图3针扣
4产品分类
4.1按结构和扣紧形式分类
a)自动扣;
b)钉扣;
c)针扣;
d)其他扣。
4.2按主体材质分类
a)金属扣;
b)塑料扣;
c)其他材料扣。
5要求
材料安全性能
皮革类材料、纺织类材料按有关产品标准选用,并符合表1的规定。表1有害物质限量
可分解有害芳香胺染料/(mg/kg)游离甲醛/(mg/kg)
限量值
≤300
注:被禁芳香胺名称见GB/T19942的规定。如果4-氨基联苯和(或)2-蔡胺的含量超过30mg/kg,且没有其他的证据,以现有的科学知识,尚不能断定使用了禁用偶氮染料。5.2物理机械性能
应符合表2的规定。
带扣抗拉力/N
带扣咬合力/N
扣锁疲劳性能
耐腐蚀性/级
电镀层结合强度
漆膜硬度/级
漆膜附着力
自动扣
表2物理机械性能
3500次,无异常
镀层不起泡、脱皮、剥落
漆膜无脱落
注:带扣咬合力适用于以咬合方式与带体连接的腰带扣。5.3外观质量
5.3.1表面平滑,边缘规整,无毛刺。QB/T4117-2010
其他扣
5.3.2电镀件镀层均匀,无漏镀,无锈蚀,无烧焦、起泡、起皮、划痕。喷塑件经喷涂处理后,表面涂层色泽均勾,无漏喷、挂滴、起皱、起皮。5.3.3饰物装配牢固,不允许有缺粒、掉块和松动现象。5.3.4有缝制饰物面料的腰带扣,织物表面平整,无断经、断纬,无跳纱,无疵点。饰物缝制图案清晰、表面平服,无断线、错缝、漏缝现象。5.3.5图案清晰,标识正确。
6试验方法
6.1材料安全性能
在加工、制作以前进行检验。
6.1.1可分解有害芳香胺染料
皮革类材料按GB/T19942进行检验,纺织类材料按GB/T17592一2006进行检验。6.1.2游离甲醛
皮革类材料按GB/T19941进行检验,纺织类材料按GB/T2912.1一1998进行检验。6.2物理机械性能
6.2.1带扣抗拉力
将腰带扣与测试腰带扣紧,将测试腰带夹在拉力机上夹头(见图4、图5),将扣座夹在下夹头(如果扣座不能被夹持时可用专用挂勾勾住扣座,再夹到拉力机下夹头上),开启拉力机,拉伸速度为(30土10)mm/min,超过180N时停止试验,如扣钉(扣针)和针座未到180N已断裂或脱落,按终止试验时的结果取值。
6.2.2带扣咬合力
将腰带扣装配在与之相适应的测试腰带上,确认试样已装配好后,将腰带扣和测试腰带分别固定在拉力机的上下夹头上,上下夹头之间距离150mm,开启拉力机,拉伸速度为(100士10)mm/min,直到带头脱落,读取最高值作为带扣的咬合力。6.2.3扣锁疲劳性能
6.2.3.1扣锁疲劳性能试验机
QB/T4117-2010
主要部件应符合以下要求:
具有扣锁自动开关装置;
具有开关速度调节、设定功能;具有自动记录和记忆功能。
6.2.3.2将腰带扣固定在扣锁疲劳试验机上,以60次/min的开关速度进行试验,测试3500次,试验后观察试样能否正常使用。
说明:
1钉扣:
2——腰带。
图4钉扣抗拉力试验示意图
说明:
1—针扣;Www.bzxZ.net
2—挂勾;
腰带。
图5针扣抗拉力试验示意图
6.3耐腐蚀性
按QB/T3826进行检验,连续喷雾24h,然后按QB/T3832进行级别判定。6.4电镀层结合强度
按QB/T2002.1-1994中6.3的规定进行检验。6.5漆膜硬度
按QB/T2002.1一1994中6.2的规定进行检验。6.6漆膜附着力
按QB/T2002.1一1994中6.4的规定进行检验。6.7外观质量
用目测和感官进行检验。
7检验规则
7.1组批
以同品种原料投产,按同一生产工艺生产出来的同一品种的产品组成的一个检验批。7.2出厂检验
产品出厂前应进行检验,经检验合格并附有合格证(或检验标识)方可出厂。4
7.3型式检验
7.3.1检验周期
有下列情况之一者,应进行型式检验。a)产品结构、工艺、材料有重大改变时;b)产品停产半年以上恢复生产时;c)国家质量监督机构提出进行型式检验时;d)正常生产时,每半年至少进行一次型式检验。7.3.2抽样数量
从出厂检验合格的产品中随机抽取8只进行检验。7.3.3合格判定
7.3.3.1单只判定规则
QB/T 4117-2010
材料安全性能、物理机械性能指标全部合格,外观要求中不合格项累计不超过三项,则判该产品合格。如产品出现影响产品使用功能的缺陷、外观要求中出现严重影响外观的缺陷,则判该产品不合格。7.3.3.2批量判定规则
八只被检测样品全部合格,则判该批产品合格。如有一只(及以上)不合格,则加倍抽样进行复验,复验全部合格,则判该批产品合格。8标志、标签、包装、运输、贮存8.1标志
8.1.1经检验合格的产品应有以下标志:生产单位(经销单位)名称、生产单位地址、商标、产品合格证(或检验标识)、联系电话;必要时,应附产品使用(维护保养)说明。8.1.2必要时,产品外包装应包括产品名称、货号、数量、贮运(防护)标识等标志。8.2标签
产品标签应包括以下内容:产品名称、产品标准编号、规格、货号、主体材质、合格(检验)标识等。
8.3包装
产品的内外包装应采用适宜的包装材料,防正产品受损。8.4运输和购存
防止曝晒、雨雪淋:
保持通风干燥,防潮,避免高温和-20℃以下环境运输和贮存;远离化学物质、液体侵蚀;
一避免尖锐物品的戳、划。
小提示:此标准内容仅展示完整标准里的部分截取内容,若需要完整标准请到上方自行免费下载完整标准文档。
分类号:Y48
备案号:31066-2010
中华人民共和国轻工行业标准
QB/T4117-2010
腰带扣
Beltkey
2010-12-29发布
2011-04-01实施
中华人民共和国工业和信息化部本标准由中国轻工业联合会提出。前言
本标准由全国皮革工业标准化技术委员会(SAC/TC252)归口。QB/T4117-2010
本标准起草单位:广东省鞋类产品质量检验站、汕头市中兴五金皮塑有限公司、中国皮革和制鞋工业研究院。
本标准主要起草人:李汉彬、郑增仕、钟锡豪、黄晓钢。1范围
腰带扣
QB/T 4117-2010
本标准规定了腰带扣的术语和定义、产品分类、要求、试验方法、检验规则和标志、标签、包装、运输、贮存。
本标准适用于日常生活用腰带扣。本标准不适用于特种作业用腰带扣。2规范性引用文件
下列文件对于本文件的应用是必不可少的。凡是注日期的引用文件,仅注日期的版本适用于本文件。凡是不注日期的引用文件,其最新版本(包括所有的修改单)适用于本文件。GB/T2912.1一1998纺织品甲醛的测定第1部分:游离水解的甲醛(水萃取法)GB/T17592一2006纺织品禁用偶氮染料的测定GB/T19941皮革和毛皮化学试验甲醛含量的测定(GB/T19941-2005,ISO/TS17226:2003,MOD)
GB/T19942皮革和毛皮
化学试验禁用偶氮染料的测定(GB/T19942一2005,ISO/TS17234:2003,M0D)
QB/T2002.1一1994皮革五金配件电镀层技术条件QB/T3826轻工产品金属镀层和化学处理层的耐腐蚀试验方法中性盐雾试验(NSS)法QB/T3832轻工产品金属镀层腐蚀试验结果的评价3术语和定义
下列术语和定义适用于本文件。3.1自动扣
以自动紧固的方式固定腰带夹紧位置的扣(见图1)图1
自动扣
以扣钉与带孔配合方式固定腰带夹紧位置的扣(见图2)。QB/T4117-2010
图2·钉扣
以扣针与带孔配合方式固定腰带夹紧位置的扣(见图3)图3针扣
4产品分类
4.1按结构和扣紧形式分类
a)自动扣;
b)钉扣;
c)针扣;
d)其他扣。
4.2按主体材质分类
a)金属扣;
b)塑料扣;
c)其他材料扣。
5要求
材料安全性能
皮革类材料、纺织类材料按有关产品标准选用,并符合表1的规定。表1有害物质限量
可分解有害芳香胺染料/(mg/kg)游离甲醛/(mg/kg)
限量值
≤300
注:被禁芳香胺名称见GB/T19942的规定。如果4-氨基联苯和(或)2-蔡胺的含量超过30mg/kg,且没有其他的证据,以现有的科学知识,尚不能断定使用了禁用偶氮染料。5.2物理机械性能
应符合表2的规定。
带扣抗拉力/N
带扣咬合力/N
扣锁疲劳性能
耐腐蚀性/级
电镀层结合强度
漆膜硬度/级
漆膜附着力
自动扣
表2物理机械性能
3500次,无异常
镀层不起泡、脱皮、剥落
漆膜无脱落
注:带扣咬合力适用于以咬合方式与带体连接的腰带扣。5.3外观质量
5.3.1表面平滑,边缘规整,无毛刺。QB/T4117-2010
其他扣
5.3.2电镀件镀层均匀,无漏镀,无锈蚀,无烧焦、起泡、起皮、划痕。喷塑件经喷涂处理后,表面涂层色泽均勾,无漏喷、挂滴、起皱、起皮。5.3.3饰物装配牢固,不允许有缺粒、掉块和松动现象。5.3.4有缝制饰物面料的腰带扣,织物表面平整,无断经、断纬,无跳纱,无疵点。饰物缝制图案清晰、表面平服,无断线、错缝、漏缝现象。5.3.5图案清晰,标识正确。
6试验方法
6.1材料安全性能
在加工、制作以前进行检验。
6.1.1可分解有害芳香胺染料
皮革类材料按GB/T19942进行检验,纺织类材料按GB/T17592一2006进行检验。6.1.2游离甲醛
皮革类材料按GB/T19941进行检验,纺织类材料按GB/T2912.1一1998进行检验。6.2物理机械性能
6.2.1带扣抗拉力
将腰带扣与测试腰带扣紧,将测试腰带夹在拉力机上夹头(见图4、图5),将扣座夹在下夹头(如果扣座不能被夹持时可用专用挂勾勾住扣座,再夹到拉力机下夹头上),开启拉力机,拉伸速度为(30土10)mm/min,超过180N时停止试验,如扣钉(扣针)和针座未到180N已断裂或脱落,按终止试验时的结果取值。
6.2.2带扣咬合力
将腰带扣装配在与之相适应的测试腰带上,确认试样已装配好后,将腰带扣和测试腰带分别固定在拉力机的上下夹头上,上下夹头之间距离150mm,开启拉力机,拉伸速度为(100士10)mm/min,直到带头脱落,读取最高值作为带扣的咬合力。6.2.3扣锁疲劳性能
6.2.3.1扣锁疲劳性能试验机
QB/T4117-2010
主要部件应符合以下要求:
具有扣锁自动开关装置;
具有开关速度调节、设定功能;具有自动记录和记忆功能。
6.2.3.2将腰带扣固定在扣锁疲劳试验机上,以60次/min的开关速度进行试验,测试3500次,试验后观察试样能否正常使用。
说明:
1钉扣:
2——腰带。
图4钉扣抗拉力试验示意图
说明:
1—针扣;Www.bzxZ.net
2—挂勾;
腰带。
图5针扣抗拉力试验示意图
6.3耐腐蚀性
按QB/T3826进行检验,连续喷雾24h,然后按QB/T3832进行级别判定。6.4电镀层结合强度
按QB/T2002.1-1994中6.3的规定进行检验。6.5漆膜硬度
按QB/T2002.1一1994中6.2的规定进行检验。6.6漆膜附着力
按QB/T2002.1一1994中6.4的规定进行检验。6.7外观质量
用目测和感官进行检验。
7检验规则
7.1组批
以同品种原料投产,按同一生产工艺生产出来的同一品种的产品组成的一个检验批。7.2出厂检验
产品出厂前应进行检验,经检验合格并附有合格证(或检验标识)方可出厂。4
7.3型式检验
7.3.1检验周期
有下列情况之一者,应进行型式检验。a)产品结构、工艺、材料有重大改变时;b)产品停产半年以上恢复生产时;c)国家质量监督机构提出进行型式检验时;d)正常生产时,每半年至少进行一次型式检验。7.3.2抽样数量
从出厂检验合格的产品中随机抽取8只进行检验。7.3.3合格判定
7.3.3.1单只判定规则
QB/T 4117-2010
材料安全性能、物理机械性能指标全部合格,外观要求中不合格项累计不超过三项,则判该产品合格。如产品出现影响产品使用功能的缺陷、外观要求中出现严重影响外观的缺陷,则判该产品不合格。7.3.3.2批量判定规则
八只被检测样品全部合格,则判该批产品合格。如有一只(及以上)不合格,则加倍抽样进行复验,复验全部合格,则判该批产品合格。8标志、标签、包装、运输、贮存8.1标志
8.1.1经检验合格的产品应有以下标志:生产单位(经销单位)名称、生产单位地址、商标、产品合格证(或检验标识)、联系电话;必要时,应附产品使用(维护保养)说明。8.1.2必要时,产品外包装应包括产品名称、货号、数量、贮运(防护)标识等标志。8.2标签
产品标签应包括以下内容:产品名称、产品标准编号、规格、货号、主体材质、合格(检验)标识等。
8.3包装
产品的内外包装应采用适宜的包装材料,防正产品受损。8.4运输和购存
防止曝晒、雨雪淋:
保持通风干燥,防潮,避免高温和-20℃以下环境运输和贮存;远离化学物质、液体侵蚀;
一避免尖锐物品的戳、划。
小提示:此标准内容仅展示完整标准里的部分截取内容,若需要完整标准请到上方自行免费下载完整标准文档。
标准图片预览:





- 其它标准
- 热门标准
- 其他行业标准
- FZ/T72006-2017 割圈法针织人造毛皮
- QB/T2289.4-2012 园艺工具 剪枝剪
- FZ/T13028-2013 聚苯硫醚纤维(中长型)本色布
- JB/T20034-2004 药用漩涡振动式筛分机
- CECS:7094 建筑安装工程金属熔化焊焊缝射线照相检测标准CECS70:94
- JB/T8974-2011 TAW系列增安型无刷励磁同步电动机技术条件
- JB/T11127-2010 印刷机械 光敏光聚合型直接制版冲版机
- QB/T4639-2014 δ-十二内酯
- YS/T661-2016 电池级氟化锂
- QX/T546-2020 空间高能粒子辐射效应术语
- FZ/T95021-2014 热定形机导轨
- CAS166-2008 家用深冷冷藏冷冻箱(附英文版)
- NB/T31048.4-2014 风力发电机用绕组线 第4部分 玻璃丝包薄膜绕包铜扁线
- DGTJ08-104-2014 城市轨道交通专用无线通信系统技术规范
- HG/T4544-2013 对苯二酚生产废液回收再利用生产碳酸锰的方法
- 行业新闻
请牢记:“bzxz.net”即是“标准下载”四个汉字汉语拼音首字母与国际顶级域名“.net”的组合。 ©2025 标准下载网 www.bzxz.net 本站邮件:bzxznet@163.com
网站备案号:湘ICP备2025141790号-2
网站备案号:湘ICP备2025141790号-2