- 您的位置:
- 标准下载网 >>
- 标准分类 >>
- 其他行业标准 >>
- FZ/T 92069-2014纬编机用输纱器
标准号:
FZ/T 92069-2014
标准名称:
纬编机用输纱器
标准类别:
其他行业标准
英文名称:
Yarn feeders for weft knitting machines标准状态:
状态查询中-
发布日期:
2014-07-09 -
实施日期:
2014-11-01 -
作废日期:
2026-11-01 出版语种:
简体中文下载格式:
.pdf .zip
标准ICS号:
纺织和皮革技术>>纺织机械>>59.120.40针织机械中标分类号:
纺织>>纺织机械与器具>>W96针织、纺织制品机械与器具
起草人:
高山、段凤丽、徐海平、施海滨、鲁献荣、胡军祥、叶礼兴、林天来、周定安起草单位:
慈溪太阳洲纺织科技有限公司、浙江恒鑫机械有限公司、启圣(厦门)机械有限公司、福建台帆实业有限公司、飞虎科技有限公司、浙江恒强科技股份有限公司、浙江省质量检测科学研究院、中国纺织机械器材工业协会归口单位:
全国纺织机械与附件标准化技术委员会(SAC/TC 215)提出单位:
中国纺织工业联合会发布部门:
中华人民共和国工业和信息化部主管部门:
全国纺织机械与附件标准化技术委员会(SAC/TC 215)相关标签:
机用
点击下载
标准简介:
本标准规定了纬编机用输纱器的术语和定义、分类、型式与基本参数、要求、试验方法、检验规则与抽样、标志、包装、运输和贮存。
本标准适用于加工纬编针织物的圆型与平型纬编机用的输纱器。
本标准按照GB/T1.1—2009给出的规则起草。
本标准由中国纺织工业联合会提出。
本标准由全国纺织机械与附件标准化技术委员会(SAC/TC215)归口。
本标准代替FZ/T92069—2000《纬编机用输纱器》。
本标准与FZ/T92069—2000相比,主要差异如下:
———增加了消极式输纱器和张力控制式输纱器的内容;
———修改了规范性引用文件(见第2章,2000年版的第2章);
———按照GB/T19384.1界定的术语和定义规范了本标准中的术语;
———扩大了适用纱线张力范围(见表1,2000年版的表1);
———扩大了输纱量范围(见表1,2000年版的表1);
———增加了外观要求(见5.1);
———增加了电气要求(见5.3);
———其他编辑性修改。
本标准起草单位:慈溪太阳洲纺织科技有限公司、浙江恒鑫机械有限公司、启圣(厦门)机械有限公司、福建台帆实业有限公司、飞虎科技有限公司、浙江恒强科技股份有限公司、浙江省质量检测科学研究院、中国纺织机械器材工业协会。
本标准主要起草人:高山、段凤丽、徐海平、施海滨、鲁献荣、胡军祥、叶礼兴、林天来、周定安。
本标准所代替标准的历次版本发布情况为:
———FZ/T92069—1999、FZ/T92069—2000。
下列文件对于本文件的应用是必不可少的。凡是注日期的引用文件,仅注日期的版本适用于本文件。凡是不注日期的引用文件,其最新版本(包括所有的修改单)适用于本文件。
GB/T191 包装储运图示标志
GB/T2828.1 计数抽样检验程序 第1部分:按接收质量限(AQL)检索的逐批检验抽样计划
GB/T7111.1 纺织机械噪声测试规范 第1部分:通用要求
GB/T19384.1 纺织机械与附件 针织机用输纱器与纱线控制装置 第1部分:术语
FZ/T90054 纺织机械仪器仪表产品包装
FZ/T90074 纺织机械产品涂装
FZ/T90089.1 纺织机械铭牌 型式、尺寸及技术要求
FZ/T90089.3 纺织机械铭牌 针织机械铭牌内容
部分标准内容:
中华人民共和国纺织行业标准
FZ/T92069--2014
代替FZ/T92069—2000
纬编机用输纱器
Yarn feeders for weft knitting machines2014-07-09发布
中华人民共和国工业和信息化部1
补全404标准
https://www.bzxz.net/api/api_daoke_1++T
2014-11-01实施
206743
本标准按照GB/T1.1一2009给出的规则起草。本标准由中国纺织工业联合会提出。本标准由全国纺织机械与附件标准化技术委员会(SAC/TC215)归口。本标准代替FZ/T920692000《纬编机用输纱器》。本标准与FZ/T920692000相比,主要差异如下:增加了消极式输纱器和张力控制式输纱器的内容;修改了规范性引用文件(见第2章,2000年版的第2章);按照GB/T19384.1界定的术语和定义规范了本标准中的术语;扩大了适用纱线张力范围(见表1,2000年版的表1);扩大了输纱量范围(见表1,2000年版的表1);增加了外观要求(见5.1);
增加了电气要求(见5.3);
其他编辑性修改。
FZ/T92069—2014
本标准起草单位:慈溪太阳洲纺织科技有限公司、浙江恒鑫机械有限公司、启圣(厦门)机械有限公司、福建台帆实业有限公司、飞虎科技有限公司、浙江恒强科技股份有限公司、浙江省质量检测科学研究院、中国纺织机械器材工业协会。本标准主要起草人:高山、段凤丽、徐海平、施海滨、鲁献荣、胡军祥、叶礼兴、林天来、周定安。本标准所代替标准的历次版本发布情况为:FZ/T92069—1999、FZ/T92069—2000。I
1范围
纬编机用输纱器
FZ/T92069—2014
本标准规定了纬编机用输纱器的术语和定义、分类、型式与基本参数、要求、试验方法、检验规则与抽样、标志、包装、运输和贮存。本标准适用于加工纬编针织物的圆型与平型纬编机用的输纱器。2规范性引用文件
下列文件对于本文件的应用是必不可少的。凡是注日期的引用文件,仅注日期的版本适用于本文件。凡是不注日期的引用文件,其最新版本(包括所有的修改单)适用于本文件。GB/T191包装储运图示标志
GB/T2828.1计数抽样检验程序第1部分:按接收质量限(AQL)检索的逐批检验抽样计划GB/T7111.1
纺织机械噪声测试规范第1部分:通用要求GB/T19384.1纺织机械与附件针织机用输纱器与纱线控制装置第1部分:术语纺织机械仪器仪表产品包装
FZ/T90054
FZ/T90074
FZ/T90089.1
纺织机械产品涂装
单型式、尺寸及技术要求
纺织机械铭牌
FZ/T90089.3
3术语和定义
纺织机械铭牌针织机械铭牌内容GB/T19384.1界定的术语和定义适用于本文件。4分类、型式与基本参数
4.1分类
积极式输纱器。
消极式输纱器。
4.2型式
4.2.1绞盘式输纱器:
普通绞盘式输纱器;
a):
b)张力可控的绞盘式输纱器。
4.2.2退卷式输纱器。
4.2.3储存式输纱器:
a)平型纬编机用储存式输纱器;b)
圆型纬编机用储存式输纱器。
FZ/T92069--2014
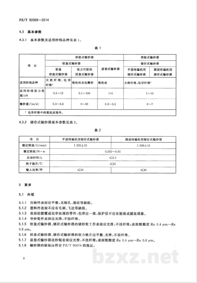
基本参数
基本参数及适用纱线品种见表1。积极式输纱器
适用纱线品种
适用纱线张力范
围/cN
输纱量/(m/s)
绞盘式输纱器
张力可控的
绞盘式输纱器
绞盘式输纱器
天然纤维、化学
纤维*
化学纤维中的氨纶丝除外。
氨纶丝及包覆纱
储存式输纱器基本参数见表2。
额定转速/(r/min)
额定转矩/N·m
启动时间/s
转子温升/℃
输入功率/W
5要求
5.1外观
退卷式输纱器
氨纶丝
平型纬编机用储存式输纱器
1320±15
0.025~0.05
压铸件表面应平整,无缩孔、裂纹等缺陷。塑料件表面不应有毛刺、飞边等缺陷。消极式输纱器
储存式输纱器
平型纬编机用
储存式输纱器
天然纤维、化学纤维”
圆型纬编机用
储存式输纱器
圆型纬编机用储存式输纱器
1500±15
表面经镀覆或化学处理的零件,色泽应一致,保护层不应有脱落或露底现象。导纱瓷件表面应光滑,不挂纤维。绞盘式输纱器、储存式输纱器的储纱轮工作表面应光滑,不挂纤维;表面粗糙度Ra0.4μm~Ra5.1.5
0.8μm。
绞盘式输纱器、储存式输纱器的张力梳片应平整、光滑,不挂纤维。退卷式输纱器送纱辊表面应光滑,不挂纤维;表面粗糙度Ra0.4μm~Ra0.8μm。输纱器的涂装应符合FZ/T90074的规定。5.2性能指标
绞盘式输纱器
输纱应平稳,输纱时单纱张力波动量应符合表3的规定。5.2.1.1
张力波动量
圆笼式
传动带轮精度应符合表4的规定。项目
齿距偏差
外圆径向跳动
储纱轮精度应符合表5的规定。
外圆直径公差
外圆径向跳动
输纱器转动件转动应灵活、平稳。退卷式输纱器
送纱辊外圆直径公差为
0.027mm。
穿孔带轮
圆笼式
送纱辊外圆径向跳动应不大于0.20mm。发射声压级噪声应不大于75dB(A)。储存式输纱器
0.10mm。
储纱轮直径公差为,
储纱轮径向跳动应不大于0.10mm。储纱量可调节。
储纱轮型式
整体式
传动带轮型式
储纱轮型式
FZ/T92069—2014
单位为厘牛
分纱式
单位为毫米
同步带轮
单位为毫米
整体式
FZ/T92069—2014
5.3电气
5.3.1退卷式输纱器
5.3.1.1输纱器的触针与互联电缆铜芯之间的电阻应小于0.12。5.3.1.2互联电缆铜芯与壳体之间的绝缘电阻应不小于500k2。2储存式输纱器
输纱器电机各绕组与机壳及电气上独立的各绕组之间应能承受50Hz正弦波电压冲击,试验电压1000V,历时2s的绝缘介电强度试验,要求绝缘不被击穿。5.3.2.2输纱器的金属外壳与电源插头的接地端之间的电阻应小于0.1α。5.3.3断纱和失张力自停
断纱和失张力应自停正确,电气信号显示准确。6试验方法
外观(5.1.1~5.1.3)、输纱器转动件转动(5.2.1.4)、储纱量调节(5.2.3.3)用目测、手感法检测。6.1
6.2导纱瓷件表面(5.1.4)、输纱器的张力梳片(5.1.6)用纤维丝擦摩检测。6.3表面粗糙度(5.1.5、5.1.7)用粗糙度标准样块或粗糙度仪检测。6.4
输纱器的涂装(5.1.8)按FZ/T90074的规定检测。6.5单纱张力波动量(5.2.1.1)用测试台配合张力仪检测。6.6
传动带轮精度(5.2.1.2)、储纱轮精度(5.2.1.3)用游标卡尺和百分表检测。6.7
送纱辊外圆直径公差(5.2.2.1)、储纱轮直径公差(5.2.3.1)用外径千分尺检测。送纱辊外圆径向跳动(5.2.2.2)、储纱轮径向跳动(5.2.3.2)用百分表检测。6.8
6.9退卷式输纱器噪声(5.2.2.3)在传动带轮转速为1900r/min的条件下,按GB/T7111.1规定的环境条件和背景噪声要求检测:测点分别位于退卷式输纱器的上方和水平方向的左、右共三点,距输纱器1m的位置,计算三点的平均值。6.10输纱器的触针与铜芯之间的电阻(5.3.1.1)用接地电阻测试仪检测。6.11互联电缆铜芯与壳体之间的绝缘电阻(5.3.1.2)用兆欧表检测。6.12耐压试验(5.3.2.1)用耐压试验仪检测。6.13输纱器的金属外壳与电源插头的接地端之间的电阻(5.3.2.2)用接地电阻测试仪检测。6.14断纱和失张力自停(5.3.3)用测试台通电检测20次,不应发生误动作。7检验规则与抽样
7.1出厂检验
7.1.1每个输纱器应经制造厂质检部门进行出厂检验合格后方可出厂,并附有制造厂质检部门开具的产品合格证。
7.1.2出厂检验项目:5.1、5.2.1.2~5.2.1.4、5.2.2、5.2.3、5.3.1、5.3.2.2、5.3.3。其中5.1、5.2.1.4、5.2.3.3、5.3.1、5.3.3采用全检;5.2.1.2、5.2.1.3、5.2.2、5.2.3.1、5.2.3.2采用GB/T2828.1正常检查二次抽样,检验水平IⅡ,AQL=1.0;5.3.2.2每批次抽检3只。如有1只不合格,应加倍进行复测,如复测仍不合格,则判为不合格。
7.2型式检验
型式检验项目为第5章规定的全部内容。7.2.1
2产品每年至少进行一次型式试验,如有下列情况之一时,应进行型式检验:设计、工艺或所用材料有重大改变时;一产品停产半年以上,恢复生产时;国家有关部门提出进行型式检验要求时。FZ/T92069-—2014
7.2.3抽样:进行型式检验的样品应从出厂检验合格的产品中抽取。样品数量10只,其中3只做试验,其余做加倍复测用。
7.2.4判别规则:进行型式检验时,如有任何一个样品不符合任一条、款、项要求时,应加倍进行复测。如复测仍不合格,则判为不合格。8标志、包装、运输和贮存
8.1标志
包装储运标志应符合GB/T191的规定。8.1.2产品铭牌应符合FZ/T90089.1、FZ/T90089.3的规定。2包装
8.2.1产品应置于防震包装箱内。8.2.2其他有关包装要求应符合FZ/T90054的规定。8.3运输bzxz.net
产品在运输过程中,要注意防潮和防雨及腐蚀介质,不得倾倒或改变方向。8.4购存
产品出厂后,在有良好防雨、防腐蚀及通风的贮存条件下,包装箱内的产品防潮防锈有效期为一年。5
FZ/T92069-2014
中华人民共和国纺织
行业标准
纬编机用输纱器
FZ/T92069—2014
中国标准出版社出版发行
北京市朝阳区和平里西街甲2号(100029)北京市西城区三里河北街16号(100045)网址www.spc.net.cn
总编室:(010)64275323发行中心:(010)51780235读者服务部:(010)68523946
中国标准出版社秦皇岛印刷厂印刷各地新华书店经销
开本880×12301/16
2014年9月第一版
印张0.75字数10千字
2014年9月第一次印刷
书号:155066·2-27315
昔由本社发行中心调换
如有印装差错
版权专有侵权必究
举报电话:(010)68510107
102—690262
小提示:此标准内容仅展示完整标准里的部分截取内容,若需要完整标准请到上方自行免费下载完整标准文档。
标准图片预览:





- 其它标准
- 上一篇: QB/T 4320-2012鲜花包装纸
- 下一篇: FZ/T 97036-2016缝盘机
- 热门标准
- 其他行业标准
- FZ/T72006-2017 割圈法针织人造毛皮
- QB/T2289.4-2012 园艺工具 剪枝剪
- FZ/T13028-2013 聚苯硫醚纤维(中长型)本色布
- FZ/T95012-2019 单层拉幅定形机
- JB/T20034-2004 药用漩涡振动式筛分机
- CECS:7094 建筑安装工程金属熔化焊焊缝射线照相检测标准CECS70:94
- JB/T8974-2011 TAW系列增安型无刷励磁同步电动机技术条件
- JB/T11127-2010 印刷机械 光敏光聚合型直接制版冲版机
- YS/T661-2016 电池级氟化锂
- QX/T546-2020 空间高能粒子辐射效应术语
- CAS166-2008 家用深冷冷藏冷冻箱(附英文版)
- NB/T31048.4-2014 风力发电机用绕组线 第4部分 玻璃丝包薄膜绕包铜扁线
- DGTJ08-104-2014 城市轨道交通专用无线通信系统技术规范
- HG/T4544-2013 对苯二酚生产废液回收再利用生产碳酸锰的方法
- JB/T8973-2011 增安型无刷励磁同步电动机防爆技术要求
- 行业新闻
网站备案号:湘ICP备2025141790号-2