- 您的位置:
- 标准下载网 >>
- 标准分类 >>
- 其他行业标准 >>
- FZ/T 63025-2015聚酯(PTT)弹力缝纫线
标准号:
FZ/T 63025-2015
标准名称:
聚酯(PTT)弹力缝纫线
标准类别:
其他行业标准
英文名称:
Polyester(PTT)elastic sewing thread标准状态:
现行-
发布日期:
2015-07-14 -
实施日期:
2016-01-01 出版语种:
简体中文下载格式:
.pdf .zip
点击下载
标准简介:
本标准规定了聚酯(PTT)弹力缝纫线的术语和定义、要求、分等规定、试验方法、验收规则、标志、包装、运输和贮存。
本标准适用于聚酯(PTT)弹力缝纫线。
本标准按照GB/T1.1—2009给出的规则起草。
本标准由中国纺织工业联合会提出。
本标准由全国家用纺织品标准化技术委员会线带分技术委员会(SAC/TC302/SC2)归口。
本标准起草单位:华美线业有限公司、上海市纺织工业技术监督所、沪江线业有限公司、石狮市飞轮线带织造有限公司、杭州樱花线业有限公司、浙江沪江线业有限公司。
本标准主要起草人:奚德昌、叶国成、王憬义、唐映华、吴金星、董成龙、朱卫忠。
下列文件对于本文件的应用是必不可少的。凡是注日期的引用文件,仅注日期的版本适用于本文件。凡是不注日期的引用文件,其最新版本(包括所有的修改单)适用于本文件。
GB/T250 纺织品 色牢度试验 评定变色用灰色样卡
GB/T251 纺织品 色牢度试验 评定沾色用灰色样卡
GB/T3916 纺织品 卷装纱 单根纱线断裂强力和断裂伸长率的测定(CRE法)
GB/T3920 纺织品 色牢度试验 耐摩擦色牢度
GB/T3921—2008 纺织品 色牢度试验 耐皂洗色牢度
GB/T4856 针棉织品包装
GB5296.4 消费品使用说明 第4部分:纺织品和服装
GB/T6836—2007 缝纫线
GB/T8433 纺织品 色牢度试验 耐氯化水色牢度(游泳池水)
GB18401 国家纺织产品基本安全技术规范
FZ/T01034—2008 纺织品 机织物拉伸弹性试验方法
部分标准内容:
中华人民共和国纺织行业标准
FZ/T63025—2015
聚酯(PTT)弹力缝纫线
Polyester(PTT)elastic sewing thread2015-07-14发布
中华人民共和国工业和信息化部发布
2016-01-01实施
本标准按照GB/T1.1一2009给出的规则起草。本标准由中国纺织工业联合会提出。FZ/T63025—2015
本标准由全国家用纺织品标准化技术委员会线带分技术委员会(SAC/TC302/SC2)归口。本标准起草单位:华美线业有限公司、上海市纺织工业技术监督所、沪江线业有限公司、石狮市飞轮线带织造有限公司、杭州樱花线业有限公司、浙江沪江线业有限公司。本标准主要起草人:奚德昌、叶国成、王憬义、唐映华、吴金星、董成龙、朱卫忠。1范围
聚酯(PTT)弹力缝纫线
FZ/T63025—2015
本标准规定了聚酯(PTT)弹力缝纫线的术语和定义、要求、分等规定、试验方法、验收规则、标志、包装、运输和贮存。
本标准适用于聚酯(PTT)弹力缝纫线,2规范性引用文件
下列文件对于本文件的应用是必不可少的。凡是注日期的引用文件,仅注日期的版本适用于本文件。凡是不注日期的引用文件,其最新版本(包括所有的修改单)适用于本文件。纺织品色牢度试验评定变色用灰色样卡GB/T250
GB/T251
GB/T3916
GB/T3920
纺织品色牢度试验评定沾色用灰色样卡纺织品
纺织品
卷装纱单根纱线断裂强力和断裂伸长率的测定(CRE法)色牢度试验耐摩擦色牢度
GB/T3921—2008
纺织品
GB/T4856
针棉织品包装
色牢度试验耐皂洗色牢度
消费品使用说明
第4部分:纺织品和服装
GB/T6836—2007缝纫线
GB/T8433
纺织品色牢度试验耐氯化水色牢度(游泳池水)GB18401
国家纺织产品基本安全技术规范FZ/T01034一2008纺织品机织物拉伸弹性试验方法3术语和定义
下列术语和定义适用于本文件。3.1
聚酯(PTT)弹力缝纫线
polyester(PTT)elasticsewingthread聚对苯二甲酸丙二醇酯(PTT)弹力丝经并纱、加捻、染色等工艺制成的缝纫线。4要求
4.1项目
聚酯(PTT)弹力缝纫线的要求分为内在质量和外观质量。内在质量包括断裂强力、断裂强力变异系数、断裂伸长率、耐皂洗色牢度、耐摩擦色牢度、耐氯化水(游泳池水)色牢度、质量允许偏差率、结头个数。外观质量包括污渍、麻懈线、毛丝、少股多股、跳丝、成型、色花、色差。4.2聚酯(PTT)弹力缝纫线的内在质量要求4.2.1断裂强力、断裂强力变异系数、断裂伸长率要求按表1规定。1
FZ/T63025—2015
线密度
/dtex(den)
78(70)
78(70)
167(150)
167(150)
333(300)
333(300)
表1断裂强力、断裂强力变异系数、断裂伸长率要求断裂强力/cN
优等品
-等品
合格品
断裂强力变异系数/%
优等品
一等品
聚酯(PTT)弹力缝纫线其他内在质量要求按表2规定。合格品
聚酯(PTT)弹力缝纫线其他内在质量要求表2
耐皂洗色牢度/级
耐氯化水(游泳池水)色牢度
/级》
耐摩擦色牢度/级≥
质量允许偏差率/%
(定重产品)
结头个数/个≤
拉伸弹性回复率/%(参考值)
干摩擦
湿摩擦
500g及以内
500g以上
500m及以下
501m~1000m
1001m~5000m
5001m以上
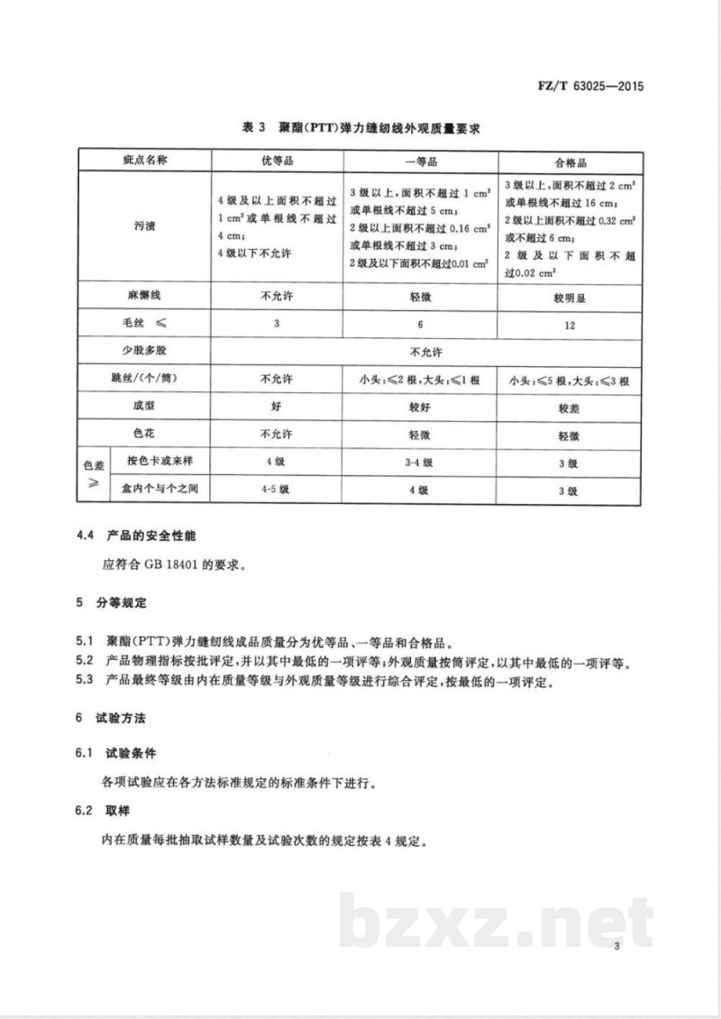
聚酯(PTT)弹力缝纫线的外观质量要求外观质量要求按表3规定。
优等品
一等品
每增加1000m充许增加1个结头
(不足1000m按1000m计算)
断裂伸长率/%
优等品
一等品
合格品
合格品
每增加1000m允许增加
2个结头(不足1000m
按1000m计算)
疵点名称
毛丝≤
少股多股
跳丝/(个/筒)
按色卡或来样
盒内个与个之间
产品的安全性能
聚酯(PTT)弹力缝纫线外观质量要求表3
优等品
4级及以上面积不超过
1cm或单根线不超过
4级以下不允许
不允许
不允许
不允许
4-5级
应符合GB18401的要求。
5分等规定
一等品
3级以上,面积不超过1cm
或单根线不超过5cm;
2级以上面积不超过0.16cm2
或单根线不超过3cm;
2级及以下面积不超过0.01cm2
不允许
小头:≤2根,大头:≤1根
3-4级
5.1聚酯(PTT)弹力缝纫线成品质量分为优等品、一等品和合格品。FZ/T63025—2015
合格品
3级以上,面积不超过2cm
或单根线不超过16cm;
2级以上面积不超过0.32cm
或不超过6cm;
2级及以下面积不超
过0.02cm
较明显
小头:≤5根,大头:≤3根
5.2产品物理指标按批评定,并以其中最低的一项评等;外观质量按简评定,以其中最低的一项评等。5.3产品最终等级由内在质量等级与外观质量等级进行综合评定,按最低的一项评定。6试验方法
6.1试验条件
各项试验应在各方法标准规定的标准条件下进行。6.2取样
内在质量每批抽取试样数量及试验次数的规定按表4规定。3
FZ/T63025—2015
断裂强力
表4内在质量每批抽取试样数量及试验次数的规定每批取样数量/简
断裂强力变异系数
断裂伸长率
耐氯化水(游泳池水)色牢度
耐皂洗色牢度Www.bzxZ.net
耐摩擦色牢度
质量允许偏差率
结头个数
6.3断裂强力、断裂强力变异系数及断裂伸长率试验按GB/T3916执行。
6.4拉伸弹性回复率试验
总试验次数
按FZ/T01034一2008中定伸长弹性回复率执行,其中隔距长度200mm,速率采用100mm/min,定伸长率为10%,预加张力(2.0士0.2)cN/tex,随机三个试样,分别测定定伸长一次拉伸弹性回复率,结果取其三次平均值。
6.5质量试验
6.5.1在确定公定质量时,应进行实际回潮率的试验,然后计算公定回潮率时的质量。6.5.2从成品线中随机剪取不少于2个试样,每个试样不少于50g,烘箱烘燥温度(105士2)℃,将试样烘干至恒重,即每隔10min的前后两次称量差异不超过后一次称量的0.05%。6.5.3回潮率按式(1)计算,计算结果修约到小数点后2位:ml-m2×100%
式中:
回潮率;
涤纶长丝弹力缝纫线烘前质量,单位为克(g);涤纶长丝弹力缝纫线烘后干燥质量,单位为克(g)。6.5.4根据实际回潮率按式(2)换算成公定质量,计算结果修约到小数点后1位:m。=mt×(1+W。)/(1+W.)
式中:
试样公定质量,单位为克(g);试样在取样时的实际净质量,单位为克(g);公定回潮率,%;
实际回潮率,%。
6.6结头个数试验
按GB/T6836—2007中6.8规定执行。4
·(1)
·(2)
6.7耐皂洗色牢度
按GB/T3921一2008规定执行,试验条件为C(3),采用单纤维贴衬。6.8耐摩擦色牢度
按GB/T3920规定执行。
6.9耐氯化水(游泳池水)色牢度按GB/T8433规定执行,其中有效氯质量浓度为5mg/L。6.10外观质量检验
6.10.1外观质量检验条件
FZ/T63025--2015
采用室内北向自然光源,如光源不足,光照度低于6001x时,可用近似40W正常青光日光灯在(70士10)cm距离处补足照度,色差、色花检验采用D5标准光源。6.10.2外观质量检验规定
外观质量检验中,污渍的深度按GB/T251评定,色差、色花按GB/T250评定,其余内容按目测评定。
7检验规则
7.1内在质量验收
按4.2进行验收,验收方法按6.1~6.9规定执行,若收货方对内在质量项目进行抽验,其结果达不到标准规定时,可由双方共同重新抽取相同数量的产品进行复验,复验结果为该批产品的最终结果。7.2外观质量验收
7.2.1外观质量按4.3进行验收,验收方法按6.10规定执行。7.2.2外观质量验收抽样按表5规定。表5外观质量检验取样数量规定
每批数量/
取样数量/
50及以下
51~100
101~500
501~1000
1001~2000
2001及以上
7.2.3外观质量不符品等率在5%及以内者,其不符品等的产品应当调换。如不符品等率超过5%不超过7%允许复验一次,如复验后又超过5%,则该批成品应重新整理,经复验合格方可出厂。如不符品等率超过7%,做退货处理。
8标志、包装、运输和贮存
8.1标志、包装
8.1.1包装标识应明确、清晰、项目齐全,便于识别,包装标识按GB5296.4相关要求执行。5
FZ/T63025—2015
包装要求应符合GB/T4856规定。8.2运输、贮存
在运输、贮存、保管过程中,应有严密遮盖,不能受雨、受潮、曝晒和高温,以防变质。8.2.1
聚酯(PTT)弹力缝纫线应堆放在干燥仓库,并做好通风散湿工作,以防受潮。8.2.2
FZ/T63025-2015
中华人民共和国纺织
行业标准
聚酯(PTT)弹力缝纫线
FZ/T63025—2015
中国标准出版社出版发行
北京市朝阳区和平里西街甲2号(100029)北京市西城区三里河北街16号(100045)网址www.spc.net.cn
总编室:(010)68533533发行中心:(010)51780238读者服务部:(010)68523946
中国标准出版社秦皇岛印刷厂印刷各地新华书店经销
开本880×1230
2015年9月第一版
印张0.75
字数14千字
2015年9月第一次印刷
书号:155066·2-28941定价
由本社发行中心调换
如有印装差错
版权专有
侵权必究
举报电话:(010)68510107
小提示:此标准内容仅展示完整标准里的部分截取内容,若需要完整标准请到上方自行免费下载完整标准文档。
标准图片预览:





- 其它标准
- 上一篇: FZ/T 63024-2014经编双针织带
- 下一篇: FZ/T 63026-2015涤纶金银丝(线)
- 热门标准
- 其他行业标准
- FZ/T72006-2017 割圈法针织人造毛皮
- QB/T2289.4-2012 园艺工具 剪枝剪
- FZ/T13028-2013 聚苯硫醚纤维(中长型)本色布
- FZ/T95012-2019 单层拉幅定形机
- JB/T8974-2011 TAW系列增安型无刷励磁同步电动机技术条件
- JB/T11127-2010 印刷机械 光敏光聚合型直接制版冲版机
- YS/T661-2016 电池级氟化锂
- FZ/T93103-2018 纺纱器
- QX/T546-2020 空间高能粒子辐射效应术语
- JB/T20034-2004 药用漩涡振动式筛分机
- CECS:7094 建筑安装工程金属熔化焊焊缝射线照相检测标准CECS70:94
- DGTJ08-104-2014 城市轨道交通专用无线通信系统技术规范
- HG/T4544-2013 对苯二酚生产废液回收再利用生产碳酸锰的方法
- JB/T8973-2011 增安型无刷励磁同步电动机防爆技术要求
- QB/T4308-2012 双脂肪酸乙酯基羟乙基甲基硫酸甲酯铵
- 行业新闻
网站备案号:湘ICP备2025141790号-2