- 您的位置:
- 标准下载网 >>
- 标准分类 >>
- 其他行业标准 >>
- FZ/T 63022-2014芳纶1313缝纫线
标准号:
FZ/T 63022-2014
标准名称:
芳纶1313缝纫线
标准类别:
其他行业标准
英文名称:
Meta-aramid sewing thread标准状态:
现行-
发布日期:
2014-07-09 -
实施日期:
2014-11-01 出版语种:
简体中文下载格式:
.pdf .zip
点击下载
标准简介:
本标准规定了芳纶1313缝纫线产品的术语和定义、要求、分等规定、试验方法、验收规则、标志、包装、运输和贮存。
本标准适用于芳纶1313缝纫线。
本标准按照 GB/T1.1—2009给出的规则起草。
本标准由中国纺织工业联合会提出。
本标准由全国家用纺织品标准化技术委员会线带分技术委员会(SAC/TC302/SC2)归口。
本标准起草单位:无锡市远东纺织印染技术服务有限公司、常熟市宝沣特种纤维有限公司、上海市纺织工业技术监督所、烟台泰和新材料股份有限公司、上海中耕纺织服装有限公司、奥彩遮阳科技(上海)有限公司。
本标准主要起草人:是伟元、邹汝红、钱俊、王憬义、黄钧铭、龚平、王涛
下列文件对于本文件的应用是必不可少的。凡是注日期的引用文件,仅注日期的版本适用于本文件。凡是不注日期的引用文件,其最新版本(包括所有的修改单)适用于本文件。
GB/T250 纺织品 色牢度试验 评定变色用灰色样卡
GB/T251 纺织品 色牢度试验 评定沾色用灰色样卡
GB/T3916 纺织品 卷装纱 单根纱线断裂强力和断裂伸长率的测定
GB/T3920 纺织品 色牢度试验 耐摩擦色牢度
GB/T3921—2008 纺织品 色牢度试验 耐皂洗色牢度
GB/T4743—2009 纺织品 卷装纱 绞纱法线密度的测定
GB/T4856 针棉织品包装
GB5296.4 消费品使用说明 第4部分:纺织品和服装
GB/T5455 纺织品 燃烧性能试验 垂直法
GB/T17596 纺织品 织物燃烧试验前的商业洗涤程序
GB18401 国家纺织产品基本安全技术规范
部分标准内容:
中华人民共和国纺织行业标准
FZ/T63022—2014
芳纶1313缝纫线
Meta-aramid sewingthread
2014-07-09发布
中华人民共和国工业和信息化部2014-11-01实施
中华人民共和国纺织
行业标
芳纶1313缝纫线
FZ/T63022—2014
中国标准出版社出版发行
北京市朝阳区和平里西街甲2号(100029)北京市西城区三里河北街16号(100045)网址www.spc.net.cn
总编室:(010)64275323发行中心:(010)51780235读者服务部:(010)68523946
中国标准出版社秦皇岛印刷厂印刷各地新华书店经销
开本880×1230
2014年9月第一版
印张0.75
字数16千字
2014年9月第一次印刷
书号:155066·2-27253定价
介16.00元
如有印装差错
由本社发行中心调换
版权专有侵权必究
举报电话:(010)68510107
本标准按照GB/T1.1-一2009给出的规则起草。本标准由中国纺织工业联合会提出。FZ/T63022—2014
本标准由全国家用纺织品标准化技术委员会线带分技术委员会(SAC/TC302/SC2)归口。本标准起草单位:无锡市远东纺织印染技术服务有限公司、常熟市宝洋特种纤维有限公司、上海市纺织工业技术监督所、烟台泰和新材料股份有限公司、上海中耕纺织服装有限公司、奥彩遮阳科技(上海)有限公司。
本标准主要起草人:是伟元、邹汝红、钱俊、王憬义、黄钧铭、龚平、王涛1范围
芳纶1313缝纫线
FZ/T63022—2014
本标准规定了芳纶1313缝纫线产品的术语和定义、要求、分等规定、试验方法、验收规则、标志、包装、运输和贮存。
本标准适用于芳纶1313缝纫线。2规范性引用文件
下列文件对于本文件的应用是必不可少的。凡是注日期的引用文件,仅注日期的版本适用于本文件。凡是不注日期的引用文件,其最新版本(包括所有的修改单)适用于本文件。纺织品
GB/T250
GB/T251
GB/T3916
GB/T3920
纺织品
纺织品
纺织品
色牢度试验评定变色用灰色样卡评定沾色用灰色样卡
色牢度试验
卷装纱单根纱线断裂强力和断裂伸长率的测定色牢度试验耐摩擦色牢度
GB/T3921—2008
纺织品色牢度试验耐皂洗色牢度GB/T4743—2009
GB/T4856
GB/T5455
纺织品卷装纱绞纱法线密度的测定针棉织品包装
消费品使用说明
纺织品
GB/T17596
GB18401
3术语和定义
第4部分:纺织品和服装
燃烧性能试验垂直法
织物燃烧试验前的商业洗涤程序纺织品
国家纺织产品基本安全技术规范下列术语和定义适用于本文件。3.1
meta-aramidsewingthread
芳纶1313缝纫线
由芳纶1313短纤维经纺纱、抢线(漂染)、整理制成的缝纫线。4要求
4.1要求的内容
芳纶1313缝纫线的要求分为内在质量和外观质量。内在质量包括单线断裂强力、单线断裂强力变异系数、线密度允许偏差率、耐皂洗色牢度、耐摩擦色牢度、阻燃性能、热稳定性。外观质量包括表面结头、污渍、麻懈线、蛛网、色差(含色花)。2内在质量
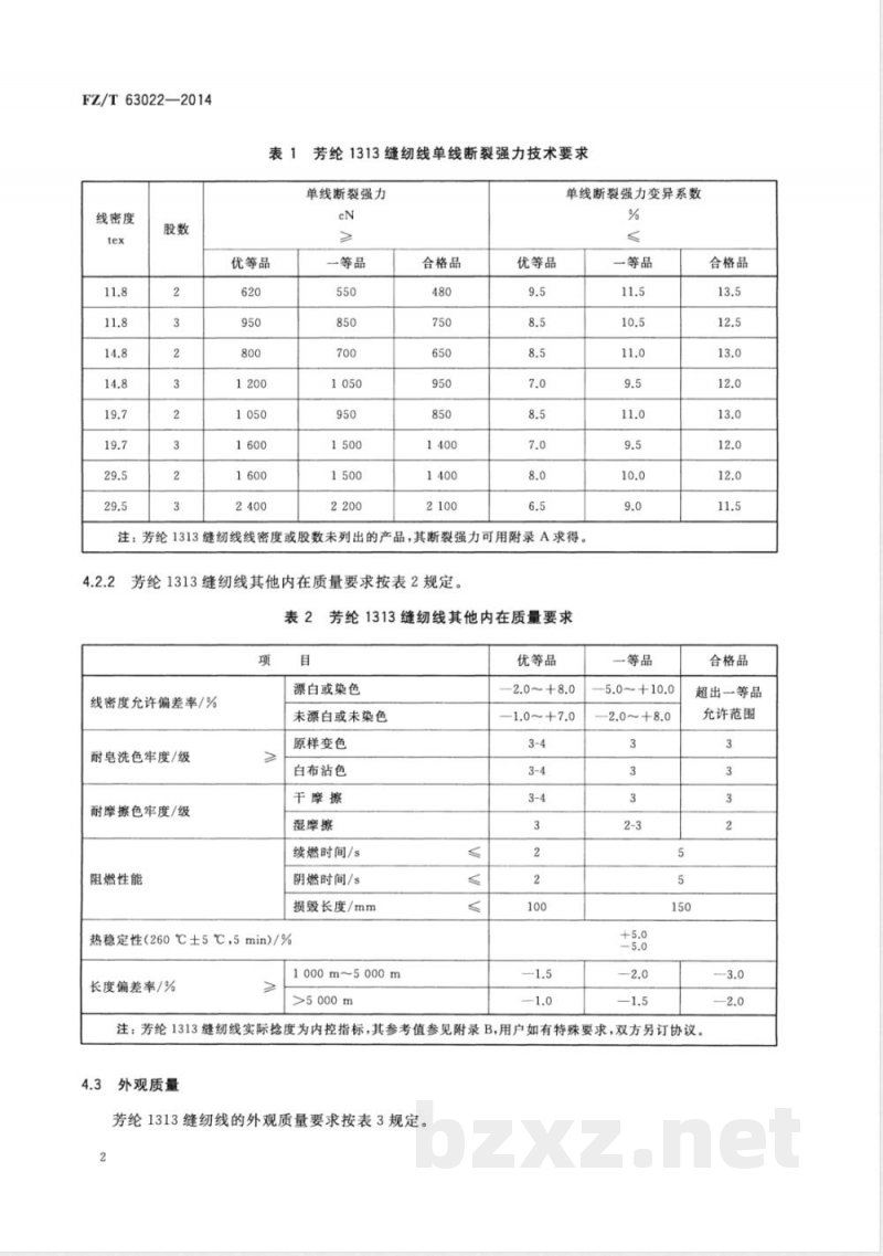
4.2.1芳纶1313缝纫线单线断裂强力要求按表1规定。1
FZ/T63022—2014
线密度
表1芳纶1313缝纫线单线断裂强力技术要求单线断裂强力
优等品
一等品
合格品
优等品
单线断裂强力变异系数
一等品
注:芳纶1313缝纫线线密度或股数未列出的产品,其断裂强力可用附录A求得。4.2.2
芳纶1313缝纫线其他内在质量要求按表2规定。表2
2芳纶1313缝纫线其他内在质量要求项
线密度允许偏差率/%
耐皂洗色牢度/级
耐摩擦色牢度/级
阻燃性能
漂白或染色
未漂白或未染色
原样变色
白布沾色
干摩擦
湿摩擦
续燃时间/s
阴燃时间/s
损毁长度/mm
热稳定性(260℃士5℃,5min)/%长度偏差率/%
1000m~5000m
>5 000 m
优等品
-2.0~+8.0
-1.0~+7.0
一等品
5.0~+10.0
-2.0~+8.0
合格品
合格品
超出一等品
允许范围
注:芳纶1313缝纫线实际抢度为内控指标,其参考值参见附录B,用户如有特殊要求,双方另订协议。4.3
外观质量免费标准下载网bzxz
芳纶1313缝纫线的外观质量要求按表3规定。3.0
表面结头
麻邂线
按色卡
(含色
或来样
包装单元
内个与个
优等品
不允许
不允许
不允许
≥4级
≥4-5级
产品安全性能
表3芳纶1313缝纫线外观质量要求一等品
股线结头(尾长不超过0.5cm)或相当于结头的棉结在端面或表面1000m及以下不允许,1000m以上允许1个
4级及以上,面积不超过1cm2或单根线不超过4cm
轻微者允许
宝塔线小端允许跳线2根,每根跳线长度不超过半圈,大端不允许
≥3-4级
≥4级
产品安全性能应符合GB18401的要求。5分等规定
5.1产品质量分为优等品、一等品、合格品。FZ/T63022—2014
合格品
股线结头(尾长不超过0.5cm)或相当于结头的棉结在端面或表面1000m及以下允许1个,1000m以上允许2个
深度2级以上面积不超过1cm2或单根线不超过8cm,深度2级及以下面积不超过0.5cm2或单根线不超过5cm
较明显
宝塔线小端允许跳线4根,每根跳线长度不超过半圈,大端不允许
5.2芳纶1313缝纫线内在质量按批评定,并以其中最低的一项评等;外观质量按筒评定,以其中最低的一项评等。
5.3芳纶1313缝纫线最终等级由内在质量等级与外观质量等级进行综合评定,按最低的一项评定。6试验方法
6.1试验条件
各项试验应在各方法标准规定的标准条件下进行。6.2取样
内在质量每批抽取试样数量及试验次数的规定按表4规定。3
FZ/T63022—2014
线密度
表4内在质量每批抽取试样数量及试验次数的规定每批取样数量
个(筒)
单线断裂强力、单线断裂强力变异系数耐皂洗色牢度
耐摩擦色牢度
阻燃性能
热稳定性
6.3线密度试验
按GB/T4743—2009中程序3执行。10
单线断裂强力和单线断裂强力变异系数的试验6.4
按GB/T3916执行。
6.5耐皂洗色牢度的试验
按GB/T3921一2008执行,采用多纤维贴衬,试验条件为A(1)。6.6耐摩擦色牢度的试验
按GB/T3920执行。
阻燃性试验
总试验次数
将待检芳纶1313缝纫线制作200g/m2士5g/m2的平纹织物,按GB/T5455执行。6.8热稳定性试验
6.8.1样品
从按GB/T17596规定洗涤(缓和)3次后的芳纶1313缝纫线中,量取长度500mm的缝纫线十根。6.8.2测试装置
干燥箱
温度范围:20℃~300℃,温度波动度:士2.0℃,有足够的容积使试验样品单独放置。6.8.2.2
测量直尺
采用1m长的毫米刻度尺。
6.8.3试验准备
在一个标准大气压,温度20℃士2℃和相对湿度65%士5%条件下将样品保持24h。4
6.8.4试验步骤
FZ/T63022—2014
干燥箱加热至所需温度(260℃士5℃),迅速将悬挂样品放入干燥箱内,样品不应与干燥箱壁接触,关上干燥箱门起记录时间,5min后打开干燥箱门,取出样品。样品应在2min以内,在常温环境下测量长度尺寸。
6.8.5试验结论
尺寸变化率按式(1)计算,以10根试样的平均值为检验结果,计算结果保留一位小数。P。
式中:
尺寸变化率,%;
加热后尺寸,单位为毫米(mm));加热前尺寸,单位为毫米(mm)。6.9长度试验
6.9.1长度试验用测长器应符合GB/T4743规定。6.9.2测试长度时,单线预加张力为(0.5士0.1)cN/tex。.....(1)
6.9.3样品在测长器上每摇满100m(线密度大于100tex时,每摇满10m)后更换一个卷绕位置,依次类推,直至全部摇完为止,不足1m长的线单独测量。6.9.4实测长度应以该试样的全部试验值的算术平均值表示,计算结果修约至一位小数。6.10外观质量检验
外观质量检验条件
采用室内北向自然光源,如光源不足,照度低于6001x时,可用近似40W正常青光日光灯在(70士10)cm距离间补足照度,色差、色花检验采用D65标准光源。6.10.2外观质量检验规定
外观质量检验中,污渍的深度按GB/T251评定,色差(含色花)按GB/T250评定外,其余内容按目测评定。
7验收规则
7.1内在质量验收
7.1.1内在质量按4.2进行验收,验收方法按照6.1~6.9规定执行。7.1.2若收货方对内在质量项目进行抽验,其结果达不到标准规定时,可由双方共同重新抽取相同数量的产品进行复验,复验结果为该批产品的最终结果。7.2外观质量验收
7.2.1外观质量按4.3进行验收,验收方法按6.10规定执行。7.2.2抽样规定见表5。
FZ/T63022-2014
每批数量
(最小包装)
取样数量
(最小包装)
50及以下
外观质量检验取样数量规定
51~100
101~500
501~1000
1001~2000
2001以上
外观质量不符品等率在5%及以内者,其不符品等的产品应当调换。如不符品等率超过5%不超过7%允许复验一次,如复验后又超过5%,则该批成品应重新整理,经复验合格方可出厂。如不符品等率超过7%,作退货处理。
标志、包装、运输和贮存
标志、包装
包装标识应按GB5296.4相关要求执行。包装要求应符合GB/T4856要求。8.2运输、贮存
在运输、贮存、保管过程中,应有严密遮盖,不能受雨、受潮、曝晒和高温烘焙,以防变质。2应堆放在干燥仓库,并做好通风散湿工作,以防受潮。8.2.2
附录A
(资料性附录)
芳纶1313缝纫线断裂强力计算公式FZ/T63022—2014
A.1芳纶1313缝纫线的单纱线密度或股数在表1、表2未列出时,其断裂强力可按式(A.1)或式(A.2)计算,计算结果修约到三位有效数字。A.2单纱线密度相同,股数不同时,该规格的单线断裂强力按式(A.1)计算:F
式中:
F——所求单纱股数为n股的单线断裂强力,单位为厘牛顿(cN);F1—某一单纱股数为3股的单线断裂强力,单位为厘牛顿(cN);n股数。
示例:规格为单纱线密度为14.8tex,股数为4股的单线断裂强力(优等品)的计算:1200
A.3单纱股数相同,线密度不同时,该规格的单线断裂强力按式(A.2)计算:F
式中:
(F2F3) T - T27
所求单纱股数为n股的单线断裂强力,单位为厘牛顿(cN);..(A.1)
.(A.2)
分别为相邻的两个线密度,且股数为3股的单线断裂强力(F2>F:),单位为厘牛顿(cN);
分别为相邻两个线密度(T2>T3),单位为分特克斯(dtex);所求产品的线密度,单位为分特克斯(dtex);股数。
FZ/T63022—2014
芳纶1313缝纫线捻度见表B.1。
附录B
(资料性附录)
芳纶1313缝纫线捻度
芳纶1313缝纫线捻度
线密度
FZ/T63022-2014
打印日期:2014年9月26日F009A股数
抢度(仅供参考)
抢/10cm
版权专有
侵权必究
书号:155066·2-27253
定价:
小提示:此标准内容仅展示完整标准里的部分截取内容,若需要完整标准请到上方自行免费下载完整标准文档。
标准图片预览:





- 其它标准
- 上一篇: FZ/T 63021-2013聚酰胺复丝绳索
- 下一篇: FZ/T 63023-2014锦纶单丝织带
- 热门标准
- 其他行业标准
- FZ/T72006-2017 割圈法针织人造毛皮
- QB/T2289.4-2012 园艺工具 剪枝剪
- FZ/T13028-2013 聚苯硫醚纤维(中长型)本色布
- FZ/T95012-2019 单层拉幅定形机
- JB/T8974-2011 TAW系列增安型无刷励磁同步电动机技术条件
- JB/T11127-2010 印刷机械 光敏光聚合型直接制版冲版机
- YS/T661-2016 电池级氟化锂
- FZ/T93103-2018 纺纱器
- QX/T546-2020 空间高能粒子辐射效应术语
- JB/T20034-2004 药用漩涡振动式筛分机
- CECS:7094 建筑安装工程金属熔化焊焊缝射线照相检测标准CECS70:94
- DGTJ08-104-2014 城市轨道交通专用无线通信系统技术规范
- HG/T4544-2013 对苯二酚生产废液回收再利用生产碳酸锰的方法
- JB/T8973-2011 增安型无刷励磁同步电动机防爆技术要求
- QB/T4308-2012 双脂肪酸乙酯基羟乙基甲基硫酸甲酯铵
- 行业新闻
网站备案号:湘ICP备2025141790号-2