- 您的位置:
- 标准下载网 >>
- 标准分类 >>
- 其他行业标准 >>
- FZ/T 64037-2014帐篷用双轴向经编基布
标准号:
FZ/T 64037-2014
标准名称:
帐篷用双轴向经编基布
标准类别:
其他行业标准
英文名称:
Biaxial warp-knitted base fabric for tent标准状态:
现行-
发布日期:
2014-05-06 -
实施日期:
2014-10-01 出版语种:
简体中文下载格式:
.pdf .zip
点击下载
标准简介:
本标准规定了帐篷用双轴向经编基布的代号、要求、试验方法、检验规则、标志、包装、运输和贮存。
本标准适用于采用涤纶工业长丝作为衬经、衬纬纱,经向采用涤纶牵伸丝固结而成的帐篷用双轴向经编基布。
本标准按照GB/T1.1—2009给出的规则起草。
本标准由中国纺织工业联合会提出。
本标准由全国纺织品标准化技术委员会产业用纺织品分技术委员会(SAC/TC209/SC7)归口。
本标准起草单位:浙江中天纺检测有限公司、浙江海利得新材料股份有限公司、浙江锦达新材料股份有限公司、海宁市天宇基布有限公司、浙江宇立塑胶有限公司、浙江华生经编新材料有限公司、浙江博泰塑胶有限公司、浙江铭龙基布有限公司、中国产业用纺织品行业协会、中国针织工业协会。
本标准主要起草人:沈国康、姚桂松、叶雪康、周王松、张建平、蒋生华、吴建飞、高建生、沈新宇、李桂梅、季建兵、李红、房娜。
下列文件对于本文件的应用是必不可少的。凡是注日期的引用文件,仅注日期的版本适用于本文件。凡是不注日期的引用文件,其最新版本(包括所有的修改单)适用于本标准。
GB/T4666 纺织品 织物长度和幅宽的测定
GB/T4668 机织物密度的测定
GB/T4669 纺织品 机织物 单位长度质量和单位面积质量的测定
FZ/T64019-2011 灯箱广告用经编双轴向基布
部分标准内容:
中华人民共和国纺织行业标准
FZ/T64037-—2014
帐篷用双轴向经编基布
Biaxial warp-knitted base fabric for tent2014-05-06发布
中华人民共和国工业和信息化部2014-10-01实施
本标准按照GB/T1.1一2009给出的规则起草。本标准由中国纺织工业联合会提出。FZ/T64037-2014
本标准由全国纺织品标准化技术委员会产业用纺织品分技术委员会(SAC/TC209/SC7)归口。本标准起草单位:浙江中天纺检测有限公司、浙江海利得新材料股份有限公司、浙江锦达新材料股份有限公司、海宁市天宇基布有限公司、浙江宇立塑胶有限公司、浙江华生经编新材料有限公司、浙江博泰塑胶有限公司、浙江铭龙基布有限公司、中国产业用纺织品行业协会、中国针织工业协会,本标准主要起草人:沈国康、姚桂松、叶雪康、周王松、张建平、蒋生华、吴建飞、高建生、沈新宇、李桂梅、季建兵、李红、房娜。1范围
帐用双轴向经编基布
FZ/T64037—2014
本标准规定了帐篷用双轴向经编基布的代号、要求、试验方法、检验规则、标志、包装、运输和贮存。本标准适用于采用涤纶工业长丝作为衬经、衬纬纱,经向采用涤纶牵伸丝固结而成的帐篷用双轴向经编基布。
2规范性引用文件
下列文件对于本文件的应用是必不可少的。凡是注日期的引用文件,仅注日期的版本适用于本文件。凡是不注日期的引用文件,其最新版本(包括所有的修改单)适用于本标准。GB/T4666纺织品织物长度和幅宽的测定GB/T4668机织物密度的测定
GB/T4669
纺织品机织物单位长度质量和单位面积质量的测定FZ/T64019一2011灯箱广告用经编双轴向基布3代号
3.1工艺代号
根据成品工艺不同,分涂覆工艺用基布和层压工艺用基布两类,代号分别用C和F表示。3.2编织代号
根据捆绑纱固结的形状不同,分E织法基布和X织法基布两类,代号分别用E和X表示。3.2.1E织法基布的捆绑纱线的形状如图1所示,图1E织法
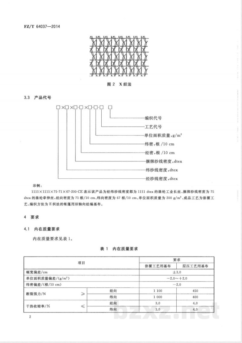
3.2.2X织法基布的捆绑纱线的形状如图2所示。FZ/T64037-—2014
3.3产品代号
XOXO---
示例:
图2X织法
编织代号
工艺代号
单位面积质量,g/m2
纬密,根/10cm
经密,根/10cm
捆绑纱线密度,dtex
纬纱线密度,dtex
经纱线密度,dtex
1111×1111×75-71×67-200-CE表示该产品为经纬纱线密度都为1111dtex的涤纶工业长丝、捆绑纱线密度为75dtex的涤纶牵伸丝,经向密度为71根/10cm、纬向密度为67根/10cm、单位面积质量为200g/m2、成品工艺为涂覆工艺、编织方法为E织法的帐篷用双轴向经编基布。4要求
4.1内在质量要求
内在质量要求见表1。
内在质量要求
幅宽偏差/cm
单位面积质量偏差/(g/m2)
纬密偏差/(根/10cm)
断裂强力/N
干热收缩率/%
涂覆工艺用基布
层压工艺用基布
—2.0~+2.0
4.2外观质量要求
4.2.1外观疵点计分方法见表2。疵点类型
断经纱
表2外观症点计分方法
计分方法
经向长度每30cm计1分
经向长度每50cm计1分
经向长度每50cm计1分
经向长度每50cm计1分
经向长度每50cm计1分
以上症点数总和每1000m不得超过5分。5试验方法
5.1幅宽
按GB/T4666规定进行测定。
5.2单位面积质量
按GB/T4669规定进行测定。
5.3纬密
按GB/T4668规定进行测定。
5.4断裂强力
按FZ/T64019-2011中6.3规定进行测定。5.5干热收缩率
FZ/T64037-2014
在距离布边至少10cm的样品上剪取4块尺寸为250mm×250mm的试样,其中在2块试样垂直于经向的两端用宽度大于250mm的夹子夹住整块试样,其中一头夹子上挂上码,使其预加张力达到10N,其余2块试样在垂直于纬向的两端用同样方法操作。将夹持好的试样,逐个放在尺寸为350mm×350mm的支撑架上,加磁码的一端垂在下方,在每块试样的垂直方向间距150mm左右处做一对标记,每个试样做3对标记,3对标记的水平位置均匀分布,然后用精度为0.5mm的钢直尺测定每对标记间的长度。试样在承受10N预张力的条件下,连同支撑架放入(177土2)℃的烘箱中,当温度升到(177士2)℃时,开始计时,10min后将试样支撑架从烘箱中取出,放在常温下平衡30min,依次测定每对标记间的长度。按式(1)计算干热收缩率,然后分别计算试样经向和纬向的平均值作为试验结果,结果保留一位小数。
式中:
每对标记的干热收缩率,%;
L。-L1
×100%
FZ/T64037—2014
-每对标记处理前的长度,单位为毫米(mm);每对标记处理后的长度,单位为毫米(mm)。5.6外观质量
在自然光线下目测或用相应的量具测量。6
检验规则
6.1抽样
按交货批号的同一品种、同一规格的产品作为检验批。内在质量的检验抽样方案见表3,外观质量的检验抽样方案见表4。
表3内在质量检验抽样方案
批量N
51~500
≥501
批量N
26~90
91~150
151~280
281~500
501~1200
≥1201
6.2结果判定
样本量n
接收数Ac
外观质量检验抽样方案
样本量n
接收数 Ac
单位为卷
拒收数Re
单位为卷
拒收数Re
6.2.1内在质量按4.1要求对批样的每个样本测试结果进行评定,各项指标均符合表1要求,则内在质量合格,否则为不合格。如果所有样品的内在质量合格,或不合格样品数不超过表3的接收数Ac,则该批产品内在质量合格。如果不合格样品数达到了表3的拒收数Re,则该批产品质量不合格。6.2.2外观质量按4.2要求对批样的每个样本测试结果进行评定,各项指标均符合表2要求,则外观质量合格,否则为不合格。如果所有样本的外观质量合格,或不合格样本数不超过表4的接收数Ac,则该批产品外观质量合格。如果不合格样本数达到了表4的拒收数Re,则该批产品质量不合格。6.2.3内在质量、外观质量均合格,则判该批产品合格。4
7标志、包装、运输和贮存
每卷产品应附合格证,外包装应有下列标志:a)
制造商名称、地址;
产品名称、代号;
生产日期或批号;
产品执行标准编号;
检验员代号;
产品长度。
FZ/T64037—2014www.bzxz.net
产品用坚固的卷芯卷取,用塑料薄膜包装,成卷长度为1000m或根据协议商定。运输
产品运输时要轻装轻卸,不能重压,切勿日晒雨淋及站污,保持包装完整。7.4贮存
避光、避水、避高温,产品保持包装完好,堆码层数一般不超过6层。5
小提示:此标准内容仅展示完整标准里的部分截取内容,若需要完整标准请到上方自行免费下载完整标准文档。
标准图片预览:





- 其它标准
- 热门标准
- 其他行业标准
- CECS353-2013 生态格网结构技术规程
- HG/T3663-2014 胶鞋抗菌性能试验方法
- JB/T11313-2012 电袋复合除尘器用旁路阀
- SH/T3022-2011 石油化工设备和管道涂料防腐蚀设计规范
- FZ/T14020-2020 涂料染色水洗棉布
- QJLPK0001S-2016 吉林普康农业有限公司 胚芽米
- QB/T2289.4-2012 园艺工具 剪枝剪
- JB/T9678-2012 盘形悬式绝缘子用钢化玻璃绝缘件外观质量
- JB/T9123-2010 印刷机械 热熔胶订包封皮机
- YS/T349.4-2010 硫化钴精矿化学分析方法 第4部分:二氧化硅量的测定 氟硅酸钾容量法
- FZ/T72013-2022 服用经编间隔织物
- QDLBG0001S-2016 吉林绿波中药药业有限公司 桦褐孔菌茶
- QB/T1097-2010 钢制文件柜
- JB/T5332.4-2011 额定电压3.6/6kV及以下电动潜油泵电缆 第4部分:电动潜油泵圆形电力电缆
- QB/T1586.2-2010 箱包五金配件 箱走轮
- 行业新闻
网站备案号:湘ICP备2025141790号-2