- 您的位置:
- 标准下载网 >>
- 标准分类 >>
- 其他行业标准 >>
- FZ/T 66106-1995特种工业用纱布
标准号:
FZ/T 66106-1995
标准名称:
特种工业用纱布
标准类别:
其他行业标准
标准状态:
现行-
发布日期:
1995-12-01 -
实施日期:
1996-07-01 出版语种:
简体中文下载格式:
.pdf .zip
部分标准内容:
中华人民共和国纺织行业标准
FZ66106-1995
特种工业用纱布
1995-12-01发布
中国纺织总会
1996-07-01实施
本标准在FZ334-85基础上进行修订。本标准根据GB/T1.1-1993《标准化工作导则标准编写的基本规定》进行编写,在技术内容上与FZ334一85基本一致,本标准中的所有计量单位都使用法定计量单位。
本标准进行修订时,保留了原专业标准中所有品种,符合供需双方生产实际情况。本标准从1996年7月1日起实施。本标准从生效之日起,同时代替FZ334一85。本标准由中国纺织总会提出,上海纺织标准计量研究所归口。本.标准起草单位:上海市纺织工业局本标准协助起草单位:陕西省纺织工业总公司本标准主要起草人,朱锦兰于业中102
1范围
中华人民共和国纺织行业标准
特种工业用纱布
FZ66106-1995
代替FZ334-85
本标准规定了特种工业用纱布的技术要求、外观疵点检验、试验方法、检验规则、标志、包装。本标准适用于鉴定特种工业用纱布的品质。引用标准
下列标准包含的条文.通过在本标准中引用而构成为本标准的条文。在标准出版时.所示版本均为有效。所有标准都会被修订.使用本标准的各方应探讨使用下列标准最新版本的可能性。FZ65001-1995
FZ65004-1995
FZ65006-1995
FZ65008-1995
3技术要求
待种工业用织物物理机械性能试验方法特种工业用纺织品化学性能试验方法特种工业用纺织品
特种工业用纺织品
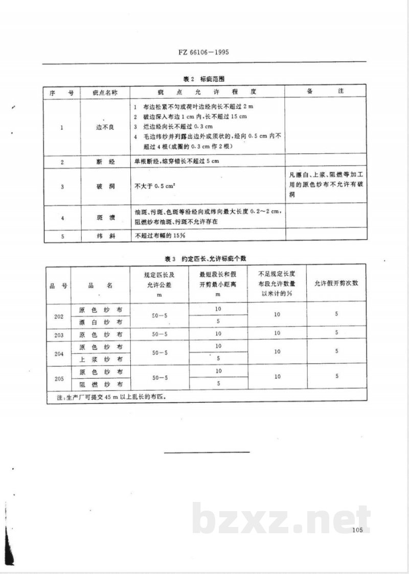
3.1物理机械及化学性能指标见表1。3.2外观疵点
3.2.1外观疵点的标症疵范围见表2。3.2.2约定匹长、允许标疵个数见表3。4试验方法
标志和包装
检验规则
物理机械性能试验按FZ65001的规定进行.化学性能试验按FZ326的规定进行。5检验规则
检验规则按FZ65008的规定进行。6标志、包装
标志、包装按FZ65006的规定进行。中国纺织总会1995-10-15批准
1996-07-01实施wwW.bzxz.Net
游离氟
酸碱度
重重华
0午89
安海国堂
疵点名称
边不良
色纱布
原色纱布
上浆纱布
FZ66106-1995
表2标疵范围
点允许程度
布边松紧不匀或荷叶边经向长不超过2m2
破边深入布边1cm内,长不超过15cm烂边经向长不超过0.3cm
毛边纬纱并列露出边外成须状的,经向0.5cm内不超过4根(成图的0.3cm作2根)
单根断经,综穿错长不超过5cm
不大于0.5cm2
油斑、污斑、色斑等沿经向或纬向最大长度0.2~2cm,阻燃纱布油斑、污斑不允许存在不超过布幅的15%
约定匹长、允许标疵个数
规定匹长及
允许公差
注:生产厂可提交45m以上乱长的布匹。最短段长和假
开剪最小距离
凡漂白、上浆、阻燃等加工
用的原色纱布不允许有破
不足规定长度
布段允许数量
以米计的%
允许假开剪次数
小提示:此标准内容仅展示完整标准里的部分截取内容,若需要完整标准请到上方自行免费下载完整标准文档。
FZ66106-1995
特种工业用纱布
1995-12-01发布
中国纺织总会
1996-07-01实施
本标准在FZ334-85基础上进行修订。本标准根据GB/T1.1-1993《标准化工作导则标准编写的基本规定》进行编写,在技术内容上与FZ334一85基本一致,本标准中的所有计量单位都使用法定计量单位。
本标准进行修订时,保留了原专业标准中所有品种,符合供需双方生产实际情况。本标准从1996年7月1日起实施。本标准从生效之日起,同时代替FZ334一85。本标准由中国纺织总会提出,上海纺织标准计量研究所归口。本.标准起草单位:上海市纺织工业局本标准协助起草单位:陕西省纺织工业总公司本标准主要起草人,朱锦兰于业中102
1范围
中华人民共和国纺织行业标准
特种工业用纱布
FZ66106-1995
代替FZ334-85
本标准规定了特种工业用纱布的技术要求、外观疵点检验、试验方法、检验规则、标志、包装。本标准适用于鉴定特种工业用纱布的品质。引用标准
下列标准包含的条文.通过在本标准中引用而构成为本标准的条文。在标准出版时.所示版本均为有效。所有标准都会被修订.使用本标准的各方应探讨使用下列标准最新版本的可能性。FZ65001-1995
FZ65004-1995
FZ65006-1995
FZ65008-1995
3技术要求
待种工业用织物物理机械性能试验方法特种工业用纺织品化学性能试验方法特种工业用纺织品
特种工业用纺织品
3.1物理机械及化学性能指标见表1。3.2外观疵点
3.2.1外观疵点的标症疵范围见表2。3.2.2约定匹长、允许标疵个数见表3。4试验方法
标志和包装
检验规则
物理机械性能试验按FZ65001的规定进行.化学性能试验按FZ326的规定进行。5检验规则
检验规则按FZ65008的规定进行。6标志、包装
标志、包装按FZ65006的规定进行。中国纺织总会1995-10-15批准
1996-07-01实施wwW.bzxz.Net
游离氟
酸碱度
重重华
0午89
安海国堂
疵点名称
边不良
色纱布
原色纱布
上浆纱布
FZ66106-1995
表2标疵范围
点允许程度
布边松紧不匀或荷叶边经向长不超过2m2
破边深入布边1cm内,长不超过15cm烂边经向长不超过0.3cm
毛边纬纱并列露出边外成须状的,经向0.5cm内不超过4根(成图的0.3cm作2根)
单根断经,综穿错长不超过5cm
不大于0.5cm2
油斑、污斑、色斑等沿经向或纬向最大长度0.2~2cm,阻燃纱布油斑、污斑不允许存在不超过布幅的15%
约定匹长、允许标疵个数
规定匹长及
允许公差
注:生产厂可提交45m以上乱长的布匹。最短段长和假
开剪最小距离
凡漂白、上浆、阻燃等加工
用的原色纱布不允许有破
不足规定长度
布段允许数量
以米计的%
允许假开剪次数
小提示:此标准内容仅展示完整标准里的部分截取内容,若需要完整标准请到上方自行免费下载完整标准文档。
标准图片预览:





- 其它标准
- 热门标准
- 其他行业标准
- CECS353-2013 生态格网结构技术规程
- HG/T3663-2014 胶鞋抗菌性能试验方法
- JB/T11313-2012 电袋复合除尘器用旁路阀
- QJLPK0001S-2016 吉林普康农业有限公司 胚芽米
- SH/T3022-2011 石油化工设备和管道涂料防腐蚀设计规范
- QB/T1733.5-2015 油炸花生仁
- YS/T935-2013 电子薄膜用高纯金属溅射靶材纯度等级及杂质含量分析和报告标准指南
- FZ/T14020-2020 涂料染色水洗棉布
- FZ/T64028-2021 衬纬经编针织粘合衬
- QDLBG0001S-2016 吉林绿波中药药业有限公司 桦褐孔菌茶
- JB/T5332.4-2011 额定电压3.6/6kV及以下电动潜油泵电缆 第4部分:电动潜油泵圆形电力电缆
- QB/T2289.4-2012 园艺工具 剪枝剪
- JB/T8337-2012 普通磨料 石榴石
- JB/T11122-2010 印刷机械 局部上光机
- FZ/T94009-2018 织机用铝合金综框
- 行业新闻
请牢记:“bzxz.net”即是“标准下载”四个汉字汉语拼音首字母与国际顶级域名“.net”的组合。 ©2025 标准下载网 www.bzxz.net 本站邮件:bzxznet@163.com
网站备案号:湘ICP备2025141790号-2
网站备案号:湘ICP备2025141790号-2