- 您的位置:
- 标准下载网 >>
- 标准分类 >>
- 其他行业标准 >>
- JB/T 4209.3-2014六角头螺栓冷镦模 第3部分:细杆凹模
标准号:
JB/T 4209.3-2014
标准名称:
六角头螺栓冷镦模 第3部分:细杆凹模
标准类别:
其他行业标准
标准状态:
现行-
发布日期:
2014-07-09 -
实施日期:
2014-11-01 出版语种:
简体中文下载格式:
.pdf .zip
部分标准内容:
ICS25.120.30
备案号:47502-2014
中华人民共和国机械行业标准
JB/T4209.3—2014
代替JB/T4209.5—1996、JB/T4209.6—1996六角头螺栓冷墩模
第3部分:细杆凹模
Cold heading dies forhexagonbolts-Part3:Dies forthinpins2014-07-09发布
2014-11-01实施
中华人民共和国工业和信息化部发布前言,
规范性引用文件..
结构型式与尺寸..
3.1A型细杆凹模,
3.2B型细杆凹模,
4材料及硬度
图1A型细杆凹模
图2B型细杆凹模
A型细杆凹模尺寸,
B型细杆凹模尺寸
JB/T4209.3—2014
JB/T4209.3—2014
JB/T4209《六角头螺栓冷镦模》分为六个部分:第1部分:冲头;
第2部分:初凹模;
第3部分:细杆凹模;
一第4部分:全螺纹缩径凹模;
第5部分:标准杆凹模;
第6部分:切边凹模。
本部分为JB/T4209的第3部分。
本部分按照GB/T1.1一2009给出的规则起草。本部分代替JB/T4209.5—1996《冷镦六角头螺栓模具细杆凹模A型》和JB/T4209.6—1996《冷镦六角头螺栓模具细杆凹模B型》,与JB/T4209.5—1996、JB/T4209.6—1996相比主要技术变化如下:
将JB/T4209.5—1996《冷镦六角头螺栓模具细杆凹模A型》和JB/T4209.6—1996《冷镦六角头螺栓模具细杆凹模B型》合并为一个部分标准,更名为《六角头螺栓冷模第3部分:细杆凹模》;
将规范性引用文件中注日期引用的文件改为现行版本;按技术制图国家标准现行版本修改了零件表面粗糙度、形状和位置公差的标注;补充或修改了零件图缺漏或错标的尺寸,并修改了相应的图注和表格;修改了标记。
本部分由中国机械工业联合会提出。本部分由全国模具标准化技术委员会(SAC/TC33)归口。本部分起草单位:北京机电研究所、桂林电子科技大学、桂林电器科学研究院有限公司。本部分主要起草人:蒋鹏、翁史振、蒋红超、韦、廖宏谊、奉双。本部分所代替标准的历次版本发布情况为:JB4209.5—1986,JB/T4209.5—1996;JB4209.6—1986,JB/T4209.6—1996。范围
JB/T4209.3—2014
六角头螺栓冷镦模第3部分:细杆凹模JB/T4209的本部分规定了六角头螺栓冷模的细杆凹模的结构型式与尺寸、材料及硬度、要求和标记。
本部分适用于双击整模自动冷镦机和多工位自动冷镦机用六角头螺栓冷镦模。2规范性引用文件
下列文件对于本文件的应用是必不可少的。凡是注日期的引用文件,仅注日期的版本适用于本文件。凡是不注日期的引用文件,其最新版本(包括所有的修改单)适用于本文件。GB/T5784—1986六角头螺栓细杆B级JB/T4213—2014紧固件冷镦模技术条件结构型式与尺寸
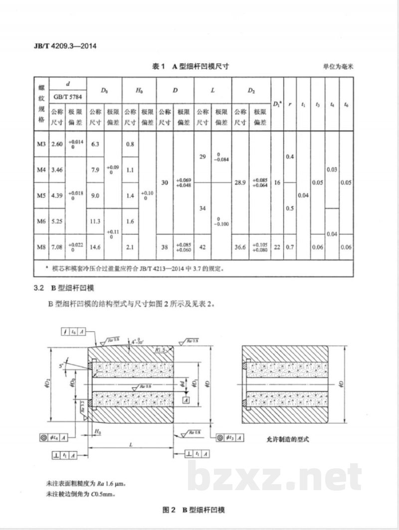
3.1A型细杆凹模
A型细杆凹模的结构型式与尺寸如图1所示及见表1。团团
未注表面粗糙度为Ra1.6μm。
未注棱边倒角为co.5mm。
d由制造者确定。
允许制造的型式
图1A型细杆凹模
JB/T4209.3—2014
GB/T5784
A型细杆凹模尺寸
模芯和模套冷压合过盈量应符合JB/T4213—2014中3.7的规定。B型细杆凹模
B型细杆凹模的结构型式与尺寸如图2所示及见表2.Ra0.8
未注表面粗糙度为Ra1.6μm。
未注棱边倒角为co.5mm。
图2B型细杆凹模
允许制造的型式
单位为毫米
GB/T5784
表2B型细杆凹模尺寸
:模芯和模套冷压合过盈量应符合JB/T4213-2014中3.7的规定。
4材料及硬度
JB/T4209.3—2014
单位为毫米此内容来自标准下载网
材料由制造者选定。模芯推荐采用YG20C、YG25C。模套推荐采用60Si2Mn,硬度为44HRC~48HRC。
5要求
技术要求应符合JB/T4213—2014的规定。6标记
符合本部分六角头螺栓冷镦模的细杆凹模的标记应有下列内容:a)细杆凹模;
b)本部分编号,即JB/T4209.3;c)螺栓标准编号;
d)类型:A、B;
e)螺纹规格。
示例:GB/T5784M3六角头螺栓冷镦模的A型细杆凹模的标记如下:细杆凹模JB/T4209.3-GB/T5784-A-M3JB/T4209.3-2014
中华人民共和国
机械行业标准
六角头螺栓冷镦模
第3部分:细杆凹模
JB/T4209.3—2014
机械工业出版社出版发行
北京市百万庄大街22号
邮政编码:100037
210mm×297mm0.5印张·11千字
2014年12月第1版第1次印刷
定价:12.00元
书号:15111·12545
网址:http://www.cmpbook.com编辑部电话:
(010)88379778
直销中心电话:
(010)88379693
封面无防伪标均为盗版
版权专有
侵权必究
小提示:此标准内容仅展示完整标准里的部分截取内容,若需要完整标准请到上方自行免费下载完整标准文档。
备案号:47502-2014
中华人民共和国机械行业标准
JB/T4209.3—2014
代替JB/T4209.5—1996、JB/T4209.6—1996六角头螺栓冷墩模
第3部分:细杆凹模
Cold heading dies forhexagonbolts-Part3:Dies forthinpins2014-07-09发布
2014-11-01实施
中华人民共和国工业和信息化部发布前言,
规范性引用文件..
结构型式与尺寸..
3.1A型细杆凹模,
3.2B型细杆凹模,
4材料及硬度
图1A型细杆凹模
图2B型细杆凹模
A型细杆凹模尺寸,
B型细杆凹模尺寸
JB/T4209.3—2014
JB/T4209.3—2014
JB/T4209《六角头螺栓冷镦模》分为六个部分:第1部分:冲头;
第2部分:初凹模;
第3部分:细杆凹模;
一第4部分:全螺纹缩径凹模;
第5部分:标准杆凹模;
第6部分:切边凹模。
本部分为JB/T4209的第3部分。
本部分按照GB/T1.1一2009给出的规则起草。本部分代替JB/T4209.5—1996《冷镦六角头螺栓模具细杆凹模A型》和JB/T4209.6—1996《冷镦六角头螺栓模具细杆凹模B型》,与JB/T4209.5—1996、JB/T4209.6—1996相比主要技术变化如下:
将JB/T4209.5—1996《冷镦六角头螺栓模具细杆凹模A型》和JB/T4209.6—1996《冷镦六角头螺栓模具细杆凹模B型》合并为一个部分标准,更名为《六角头螺栓冷模第3部分:细杆凹模》;
将规范性引用文件中注日期引用的文件改为现行版本;按技术制图国家标准现行版本修改了零件表面粗糙度、形状和位置公差的标注;补充或修改了零件图缺漏或错标的尺寸,并修改了相应的图注和表格;修改了标记。
本部分由中国机械工业联合会提出。本部分由全国模具标准化技术委员会(SAC/TC33)归口。本部分起草单位:北京机电研究所、桂林电子科技大学、桂林电器科学研究院有限公司。本部分主要起草人:蒋鹏、翁史振、蒋红超、韦、廖宏谊、奉双。本部分所代替标准的历次版本发布情况为:JB4209.5—1986,JB/T4209.5—1996;JB4209.6—1986,JB/T4209.6—1996。范围
JB/T4209.3—2014
六角头螺栓冷镦模第3部分:细杆凹模JB/T4209的本部分规定了六角头螺栓冷模的细杆凹模的结构型式与尺寸、材料及硬度、要求和标记。
本部分适用于双击整模自动冷镦机和多工位自动冷镦机用六角头螺栓冷镦模。2规范性引用文件
下列文件对于本文件的应用是必不可少的。凡是注日期的引用文件,仅注日期的版本适用于本文件。凡是不注日期的引用文件,其最新版本(包括所有的修改单)适用于本文件。GB/T5784—1986六角头螺栓细杆B级JB/T4213—2014紧固件冷镦模技术条件结构型式与尺寸
3.1A型细杆凹模
A型细杆凹模的结构型式与尺寸如图1所示及见表1。团团
未注表面粗糙度为Ra1.6μm。
未注棱边倒角为co.5mm。
d由制造者确定。
允许制造的型式
图1A型细杆凹模
JB/T4209.3—2014
GB/T5784
A型细杆凹模尺寸
模芯和模套冷压合过盈量应符合JB/T4213—2014中3.7的规定。B型细杆凹模
B型细杆凹模的结构型式与尺寸如图2所示及见表2.Ra0.8
未注表面粗糙度为Ra1.6μm。
未注棱边倒角为co.5mm。
图2B型细杆凹模
允许制造的型式
单位为毫米
GB/T5784
表2B型细杆凹模尺寸
:模芯和模套冷压合过盈量应符合JB/T4213-2014中3.7的规定。
4材料及硬度
JB/T4209.3—2014
单位为毫米此内容来自标准下载网
材料由制造者选定。模芯推荐采用YG20C、YG25C。模套推荐采用60Si2Mn,硬度为44HRC~48HRC。
5要求
技术要求应符合JB/T4213—2014的规定。6标记
符合本部分六角头螺栓冷镦模的细杆凹模的标记应有下列内容:a)细杆凹模;
b)本部分编号,即JB/T4209.3;c)螺栓标准编号;
d)类型:A、B;
e)螺纹规格。
示例:GB/T5784M3六角头螺栓冷镦模的A型细杆凹模的标记如下:细杆凹模JB/T4209.3-GB/T5784-A-M3JB/T4209.3-2014
中华人民共和国
机械行业标准
六角头螺栓冷镦模
第3部分:细杆凹模
JB/T4209.3—2014
机械工业出版社出版发行
北京市百万庄大街22号
邮政编码:100037
210mm×297mm0.5印张·11千字
2014年12月第1版第1次印刷
定价:12.00元
书号:15111·12545
网址:http://www.cmpbook.com编辑部电话:
(010)88379778
直销中心电话:
(010)88379693
封面无防伪标均为盗版
版权专有
侵权必究
小提示:此标准内容仅展示完整标准里的部分截取内容,若需要完整标准请到上方自行免费下载完整标准文档。
标准图片预览:





- 热门标准
- 其他行业标准
- CECS353-2013 生态格网结构技术规程
- HG/T3663-2014 胶鞋抗菌性能试验方法
- JB/T11313-2012 电袋复合除尘器用旁路阀
- QJLPK0001S-2016 吉林普康农业有限公司 胚芽米
- SH/T3022-2011 石油化工设备和管道涂料防腐蚀设计规范
- QB/T1733.5-2015 油炸花生仁
- YS/T935-2013 电子薄膜用高纯金属溅射靶材纯度等级及杂质含量分析和报告标准指南
- FZ/T14020-2020 涂料染色水洗棉布
- FZ/T64028-2021 衬纬经编针织粘合衬
- QDLBG0001S-2016 吉林绿波中药药业有限公司 桦褐孔菌茶
- JB/T5332.4-2011 额定电压3.6/6kV及以下电动潜油泵电缆 第4部分:电动潜油泵圆形电力电缆
- QB/T2289.4-2012 园艺工具 剪枝剪
- JB/T8337-2012 普通磨料 石榴石
- JB/T11122-2010 印刷机械 局部上光机
- FZ/T94009-2018 织机用铝合金综框
- 行业新闻
请牢记:“bzxz.net”即是“标准下载”四个汉字汉语拼音首字母与国际顶级域名“.net”的组合。 ©2025 标准下载网 www.bzxz.net 本站邮件:bzxznet@163.com
网站备案号:湘ICP备2025141790号-2
网站备案号:湘ICP备2025141790号-2