- 您的位置:
- 标准下载网 >>
- 标准分类 >>
- 其他行业标准 >>
- YS/T 694.4-2012变形铝及铝合金单位产品能源消耗限额 第4部分:挤压型材、管材
标准号:
YS/T 694.4-2012
标准名称:
变形铝及铝合金单位产品能源消耗限额 第4部分:挤压型材、管材
标准类别:
其他行业标准
英文名称:
The norm of energy consumption per unit product of wrought aluminium and aluminium alloys——Part 4:Extruded profiles and tubes标准状态:
已作废-
发布日期:
2012-05-24 -
实施日期:
2012-11-01 -
作废日期:
2018-04-01 出版语种:
简体中文下载格式:
.pdf .zip
替代情况:
被YS/T 694.4-2017代替
点击下载
标准简介:
本标准规定了一般工业用铝及铝合金挤压型材、管材单位产品能源消耗限额的要求、计算原则、计算范围、计算方法和节能管理与措施。
本标准适用于一般工业用铝及铝合金挤压型材、管材。
YS/T694《变形铝及铝合金单位产品能源消耗限额》分为四个部分:
———第1部分:铸造锭
———第2部分:板、带材
———第3部分:箔材
———第4部分:挤压型材、管材
本部分为YS/T694的第4部分。
本部分按照GB/T1.1—2009给出的规则起草。
本部分由全国有色金属标准化技术委员会(SAC/TC243)归口。
本部分负责起草单位:中国铝业西北铝加工分公司、中国有色金属工业标准计量质量研究所。
本部分参加起草单位:东北轻合金有限责任公司、西南铝业(集团)有限责任公司、山东丛林铝材有限公司、山东兖矿轻合金有限公司、福建南平铝业有限公司、华北铝业有限公司、辽宁忠旺集团有限公司、福建闽发铝业股份有限公司。
本部分主要起草人:侯波、葛立新、段瑞芬、张学平、赵千红、李瑞山、赵志升、鹿兵、陈景春、郭义庆、朱凤琴、朱耀辉。
下列文件对于本文件的应用是必不可少的。凡是注日期的引用文件,仅注日期的版本适用于本文件。凡是不注日期的引用文件,其最新版本(包括所有的修改单)适用于本文件。
GB/T14846 铝及铝合金挤压型材尺寸偏差
YS/T694.1—2009 变形铝及铝合金单位产品能源消耗限额 第1部分:铸造锭
部分标准内容:
中华人民共和国有色金属行业标准YS/T694.4--2012
变形铝及铝合金单位产品能源消耗限额第4部分:挤压型材、管材
The norm of energy consumption per unit product of wrought aluminiumand aluminium alloys--Part 4 : Extruded profiles and tubes2012-05-24发布
中华人民共和国工业和信息化部发布
2012-11-01实施
中华人民共和国有色金属
行业标准
变形铝及铝合金单位产品能源消耗限额第4部分:挤压型材、管材
YS/T694.4—2012
中国标准出版社出版发行
北京市朝阳区和平里西街甲2号(100013)北京市西城区三里河北街16号(100045))网址www.spc.net.cn
总编室:(010)64275323发行中心:(010)51780235读者服务部:(010)68523946
中国标准出版社秦皇岛印刷厂印刷各地新华书店经销
01/16印张0.5
开本880×1230
字数8千字
2012年12月第一版2012年12月第一次印刷书号:155066·2-24200定价
由本社发行中心调换
如有印装差错
版权专有侵权必究
举报电话:(010)68510107
YS/T694《变形铝及铝合金单位产品能源消耗限额》分为四个部分:一第1部分:铸造锭
—第2部分:板、带材
第3部分:箔材
-第4部分:挤压型材、管材
本部分为YS/T694的第4部分。
本部分按照GB/T1.1一2009给出的规则起草。本部分由全国有色金属标准化技术委员会(SAC/TC243)归口。YS/T694.4—2012
本部分负责起草单位:中国铝业西北铝加工分公司、中国有色金属工业标准计量质量研究所。本部分参加起草单位:东北轻合金有限责任公司、西南铝业(集团)有限责任公司、山东丛林铝材有限公司、山东究矿轻合金有限公司、福建南平铝业有限公司、华北铝业有限公司、辽宁忠旺集团有限公司、福建闽发铝业股份有限公司。本部分主要起草人:侯波、葛立新、段瑞芬、张学平、赵千红、李瑞山、赵志升、鹿兵、陈景春、郭义庆、朱凤琴、朱耀辉。
1范围
变形铝及铝合金单位产品能源消耗限额第4部分:挤压型材、管材
YS/T694.4—2012
本部分规定了一般工业用铝及铝合金挤压型材、管材单位产品能源消耗(以下简称能耗)限额的要求、计算原则、计算范围、计算方法和节能管理与措施。本部分适用于一般工业用铝及铝合金挤压型材、管材生产企业单位产品能耗的计算、考核1,以及新建项目的能耗控制。
2规范性引用文件
下列文件对于本文件的应用是必不可少的。凡是注日期的引用文件,仅注日期的版本适用于本文件。凡是不注日期的引用文件,其最新版本(包括所有的修改单)适用于本文件。GB/T14846铝及铝合金挤压型材尺寸偏差YS/T694.1—2009
9变形铝及铝合金单位产品能源消耗限额第1部分:铸造锭3术语和定义
YS/T694.1一2009界定的术语和定义适用于本文件。4技术要求
一般工业用铝及铝合金挤压型材、管材现有生产企业单位产品能耗限额限定值、新建生产企业单位产品能耗限额准入值及单位产品能耗限额先进值应符合表1的要求。企业位处长江以北时,表中单位产品能耗限额值应乘以修正系数K(山海关以南,取K=1.1;山海关以北,取K=1.2);企业位处海拨高度超过1500m时,表中单位产品能耗限额值应乘以1.03进行修正。表1单位产品能耗限额
单位产品能耗限额/(kgce/t)
产品分类
挤压型
材、管材
现有生产企业能耗限额限定值!新建生产企业能耗限额准人值工艺能耗
综合能耗
工艺能耗
综合能耗
能耗限额先进值
工艺能耗
综合能耗
教合金硬合金软合金硬合金软合金硬合金软合金硬合金软合金硬合金”软合金硬合金≤240
≤720
≤280
软、硬合金的分类按GB/T14846。≤850
≤200
≤230
≤700
≤170
≤510
≤570
1)企业产品能耗以报告期内企业生产的各类合格产品的产量与对应单位产品能耗限额的乘积之和为限额进行考核评定。
YS/T694.4—2012
5能耗计算原则、计算方法及计算范围5.1能耗计算原则
能耗计算原则应符合YS/T694.1一2009中5.1的规定,常用能源品种现行折标煤系数和耗能工质能源等价值应符合YS/T694.1一2009附录A的规定。5.2能耗计算范围
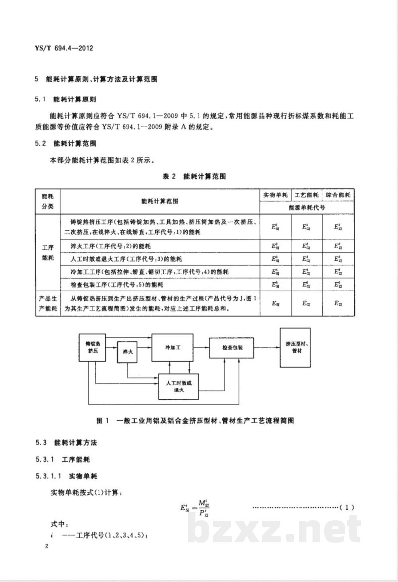
本部分能耗计算范围如表2所示,表2能耗计算范围
产品生
产能耗
能耗计算范围
铸锭热挤压工序(包括铸锭加热、工具加热、挤压简加热及一次挤压、二次挤压,在线淬火、在线矫直,工序代号:1)的能耗淬火工序(工序代号:2)的能耗
人工时效或退火工序(工序代号:3)的能耗冷加工工序(包括拉伸、矫直、锯切工序,工序代号:4)的能耗检查包装工序(工序代号:5)的能耗从铸锭热挤压到生产出挤压型材、管材的生产过程(产品代号为J,图1为其生产工艺流程简图)发生的能耗,对应上述工序能耗总和。铸绽热
5.3能耗计算方法
5.3.1工序能耗
5.3.1.1实物单耗
冷加工
人工时效或
检查包装
工艺能耗综合能耗
实物单耗
能源单耗代号
挤压型材、
一毅工业用铝及铝合金挤压型材、管材生产工艺流程简图实物单耗按式(1)计算:
式中:
——工序代号(1、2、3、4、5);M
Esr—产品生产过程中,i工序报告期内的实物单耗,单位为吨每吨(t/t);YS/T694.4—2012
Ms—产品生产过程中,i工序报告期内直接消耗的某种能源实物总量,单位为吨(t);Pz—一产品生产过程中,i工序报告期内产出的合格产品总量,单位为吨(t)。5.3.1.2工艺能耗
工艺能耗按式(2)计算:
式中:
Ei——产品生产过程中,i工序报告期内工艺能耗,单位为千克标煤每吨(kgce/t);(2)
Ei一产品生产过程中,i工序报告期内直接消耗的各种能源实物量折标准煤之和,单位为于克标煤(kgce),当含回收余热时,按YS/T694.1—2009中5.1.7规定;Ps
产品生产过程中,i工序报告期内产出的合格产品总量,单位为吨(t)。5.3.1.3综合能耗
综合能耗按式(3)计算:
式中:
Ez一—产品生产过程中,i工序报告期内的综合能耗,单位为千克标煤每吨(kgce/t);E—--产品生产过程中,i工序报告期内的工艺能耗,单位为千克标煤每吨(kgce/t);·(3)
E—产品生产过程中,i工序报告期内产出的合格产品间接辅助能源单耗及损耗分摊量,单位为千克标煤每吨(kgce/t)。
5.3.2产品生产能耗
5.3.2.1实物单耗
实物单耗按式(4)计算:
式中:
Es-报告期内,挤压型材、管材生产过程中发生的实物单耗,单位为吨每吨(t/t);Ms——报告期内,挤压型材、管材生产过程中直接消耗的某种能源实物总量,单位为吨(t);Pz—报告期内,产出的合格挤压型材、管材总量,单位为吨(t)。5.3.2.2工艺能耗
工艺能耗按式(5)计算:
式中:
报告期内,产品生产过程中发生的工艺能耗,单位为千克标煤每吨(kgce/t);EH
(4)
++(5)
一报告期内,产品生产过程中直接消耗的各种能源实物量折标准煤之和,单位为千克标煤(kgce),当含回收余热时,按YS/T694.1--2009中5.1.7规定;报告期内产出的合格产品总量,单位为吨(t)。YS/T694.4—2012
5.3.2.3综合能耗
综合能源单耗按式(6)计算:
Ez=E+E
式中:
Ez—报告期内,产品生产过程中发生的综合能耗,单位为千克标煤每吨(kgce/t);Ecr—-报告期内,产品生产过程中发生的工艺能耗,单位为千克标煤每吨(kgce/t);(6)
E一报告期内,产品生产过程中发生的间接辅助能耗及损耗分摊量,单位为千克标煤每吨(kgce/t)。
6节能管理与措施
节能管理与措施应符合YS/T694.1一2009第6章的规定。Y8/T694.4-2012-变形锯及铝合金单位产品能源游限额第部分挤压型材66224296
YS/T694.4-2012
RMB:14.00
版权专有便权必究
BZ002104721
书号:155066·2-24200Www.bzxZ.net
定价:
10069
小提示:此标准内容仅展示完整标准里的部分截取内容,若需要完整标准请到上方自行免费下载完整标准文档。
标准图片预览:





- 其它标准
- 热门标准
- 其他行业标准
- JB/T11222-2011 低速汽车 钢板弹簧可靠性试验方法
- YS/T524-2011 合成白钨
- YS/T1050.8-2015 铅锑精矿化学分析方法 第8部分:金量和银量的测定 火试金法
- JB/T5331-2011 潜油电机用特种聚酰亚胺薄膜绕包铜圆线
- DGJ08-1997-2002 膜结构技术规程(附条文说明)
- CAS125-2005 在用机动车排放检测用油加注规范
- FZ/T14024-2022 棉与粘胶纤维混纺印染布
- QB/T4085-2010 磺基琥珀酸单酯二钠盐
- YS/T254.7-2011 铍精矿、绿柱石化学分析方法 第7部分:水分量的测定 重量法
- JB/T11154-2011 YZR系列起重及冶金用绕线转子三相异步电动机技术条件(机座号450~500)
- FZ/T14023-2021 涤(锦)纶防水透湿雨衣面料
- FZ/T12050-2015 针织用点子纱
- YS/T903.1-2013 铟废料化学分析方法 第1部分:铟量的测定 EDTA滴定法
- QX/T459-2018 气象视频节目中国地图地理要素的选取与表达
- QHQJ0002S-2016 深圳汇泉贸易有限公司 风味饮料
- 行业新闻
网站备案号:湘ICP备2025141790号-2