- 您的位置:
- 标准下载网 >>
- 标准分类 >>
- 其他行业标准 >>
- QB/T 4378-2012蜂窝纸板
标准号:
QB/T 4378-2012
标准名称:
蜂窝纸板
标准类别:
其他行业标准
英文名称:
Honeycomb paperboard标准状态:
现行-
发布日期:
2012-12-28 -
实施日期:
2013-06-01 出版语种:
简体中文下载格式:
.pdf .zip
标准ICS号:
造纸技术>>85.060纸和纸板中标分类号:
轻工、文化与生活用品>>造纸>>Y31纸浆与纸板
部分标准内容:
ICS85.060
分类号:Y31
备案号:39414-2013
中华人民共和国轻工行业标准
QB/T4378-2012
蜂窝纸板
Honeycombpaperboard
2012-12-28发布
中华人民共和国工业和信息化部2013-06-01实施
本标准按照GB/T1.1一2009给出的规则起草。本标准由中国轻工业联合会提出。本标准由全国造纸工业标准化技术委员会(SAC/TC141)归口。QB/T4378-2012
本标准起草单位:中国制浆造纸研究院、青岛众和恒业蜂窝纸板制品有限公司、荷力胜(广州)蜂窝制品有限公司、国家纸张质量监督检验中心。本标准主要起草人:崔立国、高凤娟、左建波、邵颖文、王文明。
1范围www.bzxz.net
蜂窝纸板
QB/T4378-2012
本标准规定了蜂窝纸板的术语和定义、分类、要求、试验方法、检验规则、标志、包装、运输和贮存。
本标准适用于未经处理的蜂窝纸板。2规范性引用文件
下列文件对于本文件的应用是必不可少的。凡是注日期的引用文件,仅注日期的版本适用于本文件。凡是不注日期的引用文件,其最新版本(包括所有的修改单)适用于本文件。GB/T450纸和纸板试样的采取及试样纵横向、正反面的测定GB/T451.1纸和纸板尺寸及偏斜度的测定GB/T462.纸、纸板和纸浆分析试样水分的测定GB/T2828.1计数抽样检验程序第1部分:按接收质量限(AQL)检索的逐批检验抽样计划GB/T6547瓦楞纸板厚度的测定法GB/T10342纸张的包装和标志
纸、纸板和纸浆试样处理和试验的标准大气条件GB/T10739
GB/T22874单面和单瓦楞纸板平压强度的测定3术语和定义
下列术语和定义适用于本文件。3.1
蜂窝纸板honeycombpaperboard
面纸与蜂窝纸芯粘合而成的纸板。3.2
蜂窝纸芯honeycombcore
多条纸或纸板通过粘结、拉伸等工艺形成的连续空心立体蜂窝状的芯材。3.3
面纸toppaperof honeycombpaperboard蜂窝纸板夹层结构的外层纸。
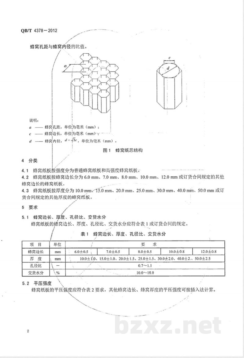
蜂窝边长lengthofhoneycomhcore'sside蜂窝纸芯蜂窝孔横截面(按正六边形计)的边长(c),见图1。3.5
蜂窝内径inradiusofhoneycomb
蜂窝纸芯蜂窝孔横截面(按正六边形计)的内切圆直径(d),见图1。3.6
蜂窝孔距pitch-rowofhoneycomb蜂窝纸芯拉伸方向上相邻两个蜂窝之间的距离(a),见图1。3.7
蜂窝孔径比apertureratioofhoneycomb1
QB/T4378-2012
蜂窝孔距与蜂窝内径的比值,
说明:
蜂窝孔距,单位为毫米(mm):蜂窝边长,单位为毫米(mm)\;d
4分类
蜂窝内径,d-{3c,单位为毫米(mm)。图1蜂窝纸芯结构
4.1蜂窝纸板按强度分为普通蜂窝纸板和高强度蜂窝纸板。4.2蜂窝纸板按蜂窝边长分为6.0mm、7.0mm、8.0mm、10.0mm、12.0mm或订货合同规定的其他蜂窝边长的蜂窝纸板。
4.3蜂窝纸板按厚度分为10.0mm15.0mm、20.0mm、25.0mm、30.0mm、40.0mm、50.0mm或订货合同规定的其他厚度的蜂窝纸板。5要求
5.1蜂窝边长、厚度、孔径比、交货水分蜂窝纸板的蜂窝边长、厚度、孔径比、交货水分应符合表1或订货合同的规定。表1蜂窝边长、厚度、孔径比、交货水分项目
蜂窝边长
孔径比
交货水分
平压强度
10.0±0.8
12.0±0.8
10.0±1.0、15.0±1.0、20.0±1.5、25.0±1.5、30.0±2.0、40.0±2.、50.0±2.50.7~1.1
10.0~18.0
蜂窝纸板的平压强度应符合表2要求,其他蜂窝边长、蜂窝厚度的平压强度可按插入法计算。平
蜂窝边长6.0mm
蜂窝边长7.0mm
蜂窝边长8.0mm
蜂窝边长10.0mm
蜂窝边长12.0mm
蜂窝边长6.0mm
蜂窝边长7.0mm
蜂窝边长8.0mm
蜂窝边长10.0mm
蜂窝边长12.0mm
5.3尺寸及尺寸偏差
表2平压强度
蜂窝厚度
蜂窝厚度
蜂窝厚度
蜂窝厚度
蜂窝纸板为平板纸,尺寸及尺寸偏差应符合表3或订货合同的规定。表3尺寸及尺寸偏差
尺寸偏差
5.4脱胶面积
>500.0月≤1000.0
蜂窝厚度
>1000.0且≤2000.0
QB/T4378-2012
蜂窝厚度
蜂窝厚度
蜂窝纸板的各层面纸与蜂窝纸芯应粘接牢固,每1m2蜂窝纸板脱胶面积不应大于20cm2。5.5最大翘曲
每1m×1m蜂窝纸板的最大翘曲不应大于20mm。5.6外观
5.6.1蜂窝纸芯的蜂窝应分布均匀、形状规则。蜂窝纸板表面应清洁、平整,不应有油污、水渍、斑纹、粘痕等明显的脏污。
5.6.2每1m2蜂窝纸板破洞不应多于3个,且任一破洞孔径不应大于1cm。5.6.3蜂窝纸板不应有缺材、薄边、裂纹、破洞、边角松软、缺损、折裂等现象,切边应整齐。6试验方法
试样的采取按GB/T450进行。
试样的处理按GB/T10739进行。
蜂窝边长、孔径比按附录A测定。厚度按GB/T6547测定。
交货水分按GB/T462测定。
平压强度按GB/T22874测定,试样尺寸为(100.0土1.0)mm×(100.0士1.0)mm。尺寸及尺寸偏差按GB/T451.1测定。3
QB/T4378—2012
6.8脱胶面积的测定:选取(1.00土0.02)m2表面平整无缺陷的蜂窝纸板,将每层面纸与蜂窝纸芯分别撕开,撕开处无明显粘连即为蜂窝纸板的脱胶,记录脱胶蜂窝孔的总个数(n),按式(1)计算脱胶面积ST。
St =nx
式中:
脱胶面积,单位为平方厘米(cm2):脱胶蜂窝孔的个数;
蜂窝边长,单位为毫米(mm)。X10
(1)
6.9最大翘曲的测定:在无外力作用下,将(1.00土0.02)m×(1.00土0.02)m蜂窝纸板置于水平台面上,用刻度尺测定试样下面翘离水平台面的最大高度,精确至1mm,即为蜂窝纸板的最大翘曲。如试样尺寸不足(1.00士0.02)m×(1.00土0.02)m,应将试样裁成尽可能大的正方形试样,按上述方法测定其最大翘曲,按式(2)换算成最终最大翘曲。实测最大翘曲(mm)
最大翘曲(mm/m\)=
试样面积(m2)
6.10外观采用目测检验。
7检验规则
7.1以一次交货数量为一批,每批产品应不多于500张。(2)
7.2供方应保证产品的质量符合本标准或订货合同规定,每包蜂窝纸板内应附有一份产品合格证。7.3计数抽样检验程序应按GB/T2828.1的规定进行,样本单位为张。接收质量限(AQL):蜂窝边长、孔径比、平压强度AQL为4.0;厚度、尺寸偏差、交货水分、脱胶面积、最大翘曲、外观质量AQL为6.5。采用正常检验二次抽样方案,检验水平为特殊检验水平S-2,其抽样方案见表4。表4
正常检验二次抽样方案
批量/张
151~500
样本量
特殊检验水平S-2
7.4可接收性的确定:第一次检验的样品数量应等于该方案给出的第一样本量。如果第一样本中发现的不合格数小于等于第一接收数,应认为该批是可接收的;如果第一样本中发现的不合格品数大于等于第一拒收数,则该批是不可接收的。如果第一样本中发现的不合格品数介于第一接收数与第一拒收数之间,应检验由方案给出样本量的第二样本,并累计在第一样本和第二样本中发现的不合格品数。如果不合格品数累计数小于等于第二接收数,则判定该批是可接收的;如果不合格品累计数大于等于第二拒收数,则判定该批是不可接收的。4
QB/T4378-2012
7.5需方有权按本标准或订货合同的规定进行验收检验,检验时应先检查外部包装,然后从中取样进行检验。如果检验结果不符合本标准或订货合同的规定,需方应在到货后1个月内(或按订货合同规定)通知供方共同取样复验;如仍不合格,则判为批不合格,由供方负责处理;如合格,则判为批合格,由需方负责处理。
8标志、包装、运输和购存
8.1蜂窝纸板的包装和标志按GB/T10342或订货合同的规定进行。8.2运输时应使用有篷而洁净的运输工具,装卸时不应使蜂窝纸板受冲撞,不应从高处扔下。8.3蜂窝纸板存放地点应保持通风干燥,远离火源,长期堆码应高于地面100mm,防止雪、雨和地面潮气的影响,不应受到大型物品或重物挤压。5
QB/T4378-2012
A.1试验步骤
附录A
(规范性附录)
蜂窝边长、孔径比的测定方法
选取无外观缺陷,蜂窝分布均匀的蜂窝纸板1m或至少包含60个蜂窝纸芯结构的蜂窝纸板,沿蜂窝纸芯拉伸的方向,选取分布均匀的连续10个蜂窝结构,在蜂窝纸板面纸上画出每个蜂窝的边和端点,分别测定蜂窝纸芯的每个蜂窝的周长s和相邻两个蜂窝边缘端点的距离1,如图A.1。拉伸方向
蜂窝纸芯的周长,单位为米(mm);1、l2....t8一相邻两个蜂窝边缘端点的距离,单位为毫米(mm)。图A.1蜂窝纸芯的边长和孔距示意图A.2结果的计算
A.2.1蜂窝纸板的蜂窝边长c按式(A.1)计算:c=Si+$2 +.+sid
式中:
S1、.S2...S10
蜂窝边长,单位为亳米(mm);蜂窝纸芯的周长,单位为毫米(mm)。A.2.2蜂窝纸板的蜂窝孔径比i按式(A.2)计算,蜂窝孔距a按式(A.3)计算:d
1+12 +..+1
式中:
蜂窝孔径比;
l1、12...18
蜂窝孔距,单位为毫米(mm);—蜂窝内径,d=V3c,单位为毫米(mm);相邻两个蜂窝边缘端点的距离,单位为毫米(mm)。(A.1)
QB/T 4378-2012
中华人民共和国
轻工行业标准
蜂窝纸板
QB/T4378-2012
中国轻工业出版社出版发行
地址:北京东长安街6号
邮政编码:100740
发行电话:(010)65241695
网址:http:/www.chlip.com.cnEmail:club@chlip.com.cn
轻工业标准化编辑出版委员会编辑地址:北京西城区下斜街29号
邮政编码:100053
电话:(010)68049923/24/25
版权所有侵权必究
书号:155019·3964
印数:1-200册
小提示:此标准内容仅展示完整标准里的部分截取内容,若需要完整标准请到上方自行免费下载完整标准文档。
分类号:Y31
备案号:39414-2013
中华人民共和国轻工行业标准
QB/T4378-2012
蜂窝纸板
Honeycombpaperboard
2012-12-28发布
中华人民共和国工业和信息化部2013-06-01实施
本标准按照GB/T1.1一2009给出的规则起草。本标准由中国轻工业联合会提出。本标准由全国造纸工业标准化技术委员会(SAC/TC141)归口。QB/T4378-2012
本标准起草单位:中国制浆造纸研究院、青岛众和恒业蜂窝纸板制品有限公司、荷力胜(广州)蜂窝制品有限公司、国家纸张质量监督检验中心。本标准主要起草人:崔立国、高凤娟、左建波、邵颖文、王文明。
1范围www.bzxz.net
蜂窝纸板
QB/T4378-2012
本标准规定了蜂窝纸板的术语和定义、分类、要求、试验方法、检验规则、标志、包装、运输和贮存。
本标准适用于未经处理的蜂窝纸板。2规范性引用文件
下列文件对于本文件的应用是必不可少的。凡是注日期的引用文件,仅注日期的版本适用于本文件。凡是不注日期的引用文件,其最新版本(包括所有的修改单)适用于本文件。GB/T450纸和纸板试样的采取及试样纵横向、正反面的测定GB/T451.1纸和纸板尺寸及偏斜度的测定GB/T462.纸、纸板和纸浆分析试样水分的测定GB/T2828.1计数抽样检验程序第1部分:按接收质量限(AQL)检索的逐批检验抽样计划GB/T6547瓦楞纸板厚度的测定法GB/T10342纸张的包装和标志
纸、纸板和纸浆试样处理和试验的标准大气条件GB/T10739
GB/T22874单面和单瓦楞纸板平压强度的测定3术语和定义
下列术语和定义适用于本文件。3.1
蜂窝纸板honeycombpaperboard
面纸与蜂窝纸芯粘合而成的纸板。3.2
蜂窝纸芯honeycombcore
多条纸或纸板通过粘结、拉伸等工艺形成的连续空心立体蜂窝状的芯材。3.3
面纸toppaperof honeycombpaperboard蜂窝纸板夹层结构的外层纸。
蜂窝边长lengthofhoneycomhcore'sside蜂窝纸芯蜂窝孔横截面(按正六边形计)的边长(c),见图1。3.5
蜂窝内径inradiusofhoneycomb
蜂窝纸芯蜂窝孔横截面(按正六边形计)的内切圆直径(d),见图1。3.6
蜂窝孔距pitch-rowofhoneycomb蜂窝纸芯拉伸方向上相邻两个蜂窝之间的距离(a),见图1。3.7
蜂窝孔径比apertureratioofhoneycomb1
QB/T4378-2012
蜂窝孔距与蜂窝内径的比值,
说明:
蜂窝孔距,单位为毫米(mm):蜂窝边长,单位为毫米(mm)\;d
4分类
蜂窝内径,d-{3c,单位为毫米(mm)。图1蜂窝纸芯结构
4.1蜂窝纸板按强度分为普通蜂窝纸板和高强度蜂窝纸板。4.2蜂窝纸板按蜂窝边长分为6.0mm、7.0mm、8.0mm、10.0mm、12.0mm或订货合同规定的其他蜂窝边长的蜂窝纸板。
4.3蜂窝纸板按厚度分为10.0mm15.0mm、20.0mm、25.0mm、30.0mm、40.0mm、50.0mm或订货合同规定的其他厚度的蜂窝纸板。5要求
5.1蜂窝边长、厚度、孔径比、交货水分蜂窝纸板的蜂窝边长、厚度、孔径比、交货水分应符合表1或订货合同的规定。表1蜂窝边长、厚度、孔径比、交货水分项目
蜂窝边长
孔径比
交货水分
平压强度
10.0±0.8
12.0±0.8
10.0±1.0、15.0±1.0、20.0±1.5、25.0±1.5、30.0±2.0、40.0±2.、50.0±2.50.7~1.1
10.0~18.0
蜂窝纸板的平压强度应符合表2要求,其他蜂窝边长、蜂窝厚度的平压强度可按插入法计算。平
蜂窝边长6.0mm
蜂窝边长7.0mm
蜂窝边长8.0mm
蜂窝边长10.0mm
蜂窝边长12.0mm
蜂窝边长6.0mm
蜂窝边长7.0mm
蜂窝边长8.0mm
蜂窝边长10.0mm
蜂窝边长12.0mm
5.3尺寸及尺寸偏差
表2平压强度
蜂窝厚度
蜂窝厚度
蜂窝厚度
蜂窝厚度
蜂窝纸板为平板纸,尺寸及尺寸偏差应符合表3或订货合同的规定。表3尺寸及尺寸偏差
尺寸偏差
5.4脱胶面积
>500.0月≤1000.0
蜂窝厚度
>1000.0且≤2000.0
QB/T4378-2012
蜂窝厚度
蜂窝厚度
蜂窝纸板的各层面纸与蜂窝纸芯应粘接牢固,每1m2蜂窝纸板脱胶面积不应大于20cm2。5.5最大翘曲
每1m×1m蜂窝纸板的最大翘曲不应大于20mm。5.6外观
5.6.1蜂窝纸芯的蜂窝应分布均匀、形状规则。蜂窝纸板表面应清洁、平整,不应有油污、水渍、斑纹、粘痕等明显的脏污。
5.6.2每1m2蜂窝纸板破洞不应多于3个,且任一破洞孔径不应大于1cm。5.6.3蜂窝纸板不应有缺材、薄边、裂纹、破洞、边角松软、缺损、折裂等现象,切边应整齐。6试验方法
试样的采取按GB/T450进行。
试样的处理按GB/T10739进行。
蜂窝边长、孔径比按附录A测定。厚度按GB/T6547测定。
交货水分按GB/T462测定。
平压强度按GB/T22874测定,试样尺寸为(100.0土1.0)mm×(100.0士1.0)mm。尺寸及尺寸偏差按GB/T451.1测定。3
QB/T4378—2012
6.8脱胶面积的测定:选取(1.00土0.02)m2表面平整无缺陷的蜂窝纸板,将每层面纸与蜂窝纸芯分别撕开,撕开处无明显粘连即为蜂窝纸板的脱胶,记录脱胶蜂窝孔的总个数(n),按式(1)计算脱胶面积ST。
St =nx
式中:
脱胶面积,单位为平方厘米(cm2):脱胶蜂窝孔的个数;
蜂窝边长,单位为毫米(mm)。X10
(1)
6.9最大翘曲的测定:在无外力作用下,将(1.00土0.02)m×(1.00土0.02)m蜂窝纸板置于水平台面上,用刻度尺测定试样下面翘离水平台面的最大高度,精确至1mm,即为蜂窝纸板的最大翘曲。如试样尺寸不足(1.00士0.02)m×(1.00土0.02)m,应将试样裁成尽可能大的正方形试样,按上述方法测定其最大翘曲,按式(2)换算成最终最大翘曲。实测最大翘曲(mm)
最大翘曲(mm/m\)=
试样面积(m2)
6.10外观采用目测检验。
7检验规则
7.1以一次交货数量为一批,每批产品应不多于500张。(2)
7.2供方应保证产品的质量符合本标准或订货合同规定,每包蜂窝纸板内应附有一份产品合格证。7.3计数抽样检验程序应按GB/T2828.1的规定进行,样本单位为张。接收质量限(AQL):蜂窝边长、孔径比、平压强度AQL为4.0;厚度、尺寸偏差、交货水分、脱胶面积、最大翘曲、外观质量AQL为6.5。采用正常检验二次抽样方案,检验水平为特殊检验水平S-2,其抽样方案见表4。表4
正常检验二次抽样方案
批量/张
151~500
样本量
特殊检验水平S-2
7.4可接收性的确定:第一次检验的样品数量应等于该方案给出的第一样本量。如果第一样本中发现的不合格数小于等于第一接收数,应认为该批是可接收的;如果第一样本中发现的不合格品数大于等于第一拒收数,则该批是不可接收的。如果第一样本中发现的不合格品数介于第一接收数与第一拒收数之间,应检验由方案给出样本量的第二样本,并累计在第一样本和第二样本中发现的不合格品数。如果不合格品数累计数小于等于第二接收数,则判定该批是可接收的;如果不合格品累计数大于等于第二拒收数,则判定该批是不可接收的。4
QB/T4378-2012
7.5需方有权按本标准或订货合同的规定进行验收检验,检验时应先检查外部包装,然后从中取样进行检验。如果检验结果不符合本标准或订货合同的规定,需方应在到货后1个月内(或按订货合同规定)通知供方共同取样复验;如仍不合格,则判为批不合格,由供方负责处理;如合格,则判为批合格,由需方负责处理。
8标志、包装、运输和购存
8.1蜂窝纸板的包装和标志按GB/T10342或订货合同的规定进行。8.2运输时应使用有篷而洁净的运输工具,装卸时不应使蜂窝纸板受冲撞,不应从高处扔下。8.3蜂窝纸板存放地点应保持通风干燥,远离火源,长期堆码应高于地面100mm,防止雪、雨和地面潮气的影响,不应受到大型物品或重物挤压。5
QB/T4378-2012
A.1试验步骤
附录A
(规范性附录)
蜂窝边长、孔径比的测定方法
选取无外观缺陷,蜂窝分布均匀的蜂窝纸板1m或至少包含60个蜂窝纸芯结构的蜂窝纸板,沿蜂窝纸芯拉伸的方向,选取分布均匀的连续10个蜂窝结构,在蜂窝纸板面纸上画出每个蜂窝的边和端点,分别测定蜂窝纸芯的每个蜂窝的周长s和相邻两个蜂窝边缘端点的距离1,如图A.1。拉伸方向
蜂窝纸芯的周长,单位为米(mm);1、l2....t8一相邻两个蜂窝边缘端点的距离,单位为毫米(mm)。图A.1蜂窝纸芯的边长和孔距示意图A.2结果的计算
A.2.1蜂窝纸板的蜂窝边长c按式(A.1)计算:c=Si+$2 +.+sid
式中:
S1、.S2...S10
蜂窝边长,单位为亳米(mm);蜂窝纸芯的周长,单位为毫米(mm)。A.2.2蜂窝纸板的蜂窝孔径比i按式(A.2)计算,蜂窝孔距a按式(A.3)计算:d
1+12 +..+1
式中:
蜂窝孔径比;
l1、12...18
蜂窝孔距,单位为毫米(mm);—蜂窝内径,d=V3c,单位为毫米(mm);相邻两个蜂窝边缘端点的距离,单位为毫米(mm)。(A.1)
QB/T 4378-2012
中华人民共和国
轻工行业标准
蜂窝纸板
QB/T4378-2012
中国轻工业出版社出版发行
地址:北京东长安街6号
邮政编码:100740
发行电话:(010)65241695
网址:http:/www.chlip.com.cnEmail:club@chlip.com.cn
轻工业标准化编辑出版委员会编辑地址:北京西城区下斜街29号
邮政编码:100053
电话:(010)68049923/24/25
版权所有侵权必究
书号:155019·3964
印数:1-200册
小提示:此标准内容仅展示完整标准里的部分截取内容,若需要完整标准请到上方自行免费下载完整标准文档。
标准图片预览:





- 其它标准
- 上一篇: QB/T 4319-2012硫酸盐全无氯漂白纸浆的判定
- 下一篇: QB/T 4759-2014灰纸板
- 热门标准
- 其他行业标准
- JB/T11222-2011 低速汽车 钢板弹簧可靠性试验方法
- YS/T524-2011 合成白钨
- JB/T5331-2011 潜油电机用特种聚酰亚胺薄膜绕包铜圆线
- YS/T1050.8-2015 铅锑精矿化学分析方法 第8部分:金量和银量的测定 火试金法
- DGJ08-1997-2002 膜结构技术规程(附条文说明)
- CAS125-2005 在用机动车排放检测用油加注规范
- FZ/T14024-2022 棉与粘胶纤维混纺印染布
- QB/T4085-2010 磺基琥珀酸单酯二钠盐
- YS/T254.7-2011 铍精矿、绿柱石化学分析方法 第7部分:水分量的测定 重量法
- FZ/T14023-2021 涤(锦)纶防水透湿雨衣面料
- JB/T11154-2011 YZR系列起重及冶金用绕线转子三相异步电动机技术条件(机座号450~500)
- FZ/T12050-2015 针织用点子纱
- FZ/T01084-2017 粘合衬水洗后的外观及尺寸变化试验方法
- QX/T459-2018 气象视频节目中国地图地理要素的选取与表达
- QHQJ0002S-2016 深圳汇泉贸易有限公司 风味饮料
- 行业新闻
请牢记:“bzxz.net”即是“标准下载”四个汉字汉语拼音首字母与国际顶级域名“.net”的组合。 ©2025 标准下载网 www.bzxz.net 本站邮件:bzxznet@163.com
网站备案号:湘ICP备2025141790号-2
网站备案号:湘ICP备2025141790号-2