- 您的位置:
- 标准下载网 >>
- 标准分类 >>
- 其他行业标准 >>
- FZ/T 12064-2019喷气涡流纺腈纶羊毛混纺色纺纱
标准号:
FZ/T 12064-2019
标准名称:
喷气涡流纺腈纶羊毛混纺色纺纱
标准类别:
其他行业标准
英文名称:
Air-jet vortex spun acrylic wool blended colour yarn标准状态:
现行-
发布日期:
2019-12-24 -
实施日期:
2020-07-01 出版语种:
简体中文下载格式:
.pdf .zip
点击下载
标准简介:
本标准规定了喷气涡流纺腈纶羊毛混纺色纺纱的产品分类、标记、要求、试验方法、检验规则和标志、包装。
本标准适用于针织用纱,喷气涡流纺生产的腈纶(棉型)与羊毛(含量5%~30%)混纺色纺纱。
部分标准内容:
ICS 59.080.20
中华人民共和国纺织行业标
FZ/T12064—2019
喷气涡流纺睛纶羊毛混纺色纺纱Air-jet vortex spun acrylic wool blended colour yarn2019-12-24 发布
中华人民共和国工业和信息化部发布
2020-07-01实施
本标准按照GB/T1.1一2009给出的规则起草。本标准由中国纺织工业联合会提出。FZ/T12064—2019
本标准由全国纺织品标准化技术委员会棉纺织品分技术委员会(SAC/TC209/SC10)归口。本标准起草单位:绍兴国周纺织新材料有限公司、百隆东方股份有限公司、安徽找宝纺织科技有限公司、浙江华孚色纺有限公司、吴江京奕特种纤维有限公司、中国棉纺织行业协会、上海市纺织工业技术监督所。
本标准主要起草人:郑国全、金国周、卫国、谈杰、赵黎新、陈路、景慎全、王憬义、孙国军、金鑫。防盗隐藏图
请用积分下
正常下载
本图隐藏
1范围
喷气涡流纺睛纶羊毛混纺色纺纱FZ/T12064—2019
本标准规定了喷气涡流纺睛纶羊毛混纺色纺纱的产品分类、标记、要求、试验方法、检验规则和标志、包装。
本标准适用于针织用纱,喷气涡流纺生产的腈纶(棉型)与羊毛(含量5%~30%)混纺色纺纱。2规范性引用文件
下列文件对于本文件
的能用是必大可:
用产,仅注日期的版本适用于本文件。凡是不注日期的引用其最版替是修改适鼎军文件。GB/T 250纺织品曾半度评蜜变色用必色样上一±心纺织品号景量分L第分某些蛋白原与某些其他纤维的混合物(次GB/T2910.4
氯酸盐法)
GB/T3292.1
纺织品纱线条不包试验方法第上题电容法单根纱新裂强反和既烟长率的测定(CRE法)GB/T3916纺织品卷装纱
色牢度试验耐摩擦色牢度千人
GB/T3920
纺织品
GB/T3921—2008
GB/T3922—2013
GB/T4743—2009
纺织品色牢度试验耐意色宇度
烟良度图
纺织品
纺织品√卷装纱实纱法经密度创定GB/T4841.3染料染色标准深度色卡2/1、1/3、1/6、1/12、1/25GB/T8170数值修约规则与极限数值的表示和判定GB18401
国家纺织产品基本安全技术规范GB/T29862一2013纺织品纤维含量的标识FZ/T01050
纺织品纱线疵点的分级与检验方法电容式棉及化纤纯纺、混纺纱线标志与包装FZ/T10008
FZ/T10021
3产品分类、标记
色纺纱线检验规则
3.1喷气涡流纺睛纶羊毛混纺色纺纱产品以不同颜色、混纺比及线密度分类,3.2喷气涡流纺睛纶羊毛混纺色纺纱的喷气涡流纺纱工艺过程代号为JV,纶代号为A,羊毛代号为W。
3.3产品混纺比以公定质量比表示,具体表示为:睛纶含量/羊毛含量3.4喷气涡流纺睛纶羊毛混纺色纺纱应在线密度前标明纱的颜色(或代号)、纺纱工艺过程(或代号)、原料名称(或代号)及其混纺比。示例:绿色19.7tex喷气涡流纺睛纶与羊毛混纺色纺纱,睛纶含量为80%,羊毛含量20%,可写为:绿色JVA/W80/2019.7tex。
FZ/T12064—2019
4要求
4.1项目
喷气涡流纺睛纶羊毛混纺色纺纱技术要求包括线密度偏差率、线密度变异系数、单纱断裂强度、单纱断裂强力变异系数、条干均匀度变异系数、千米棉结(十200%)、明显色结、十万米纱疵、纤维含量偏差、色牢度、色差、安全性能十二项指标。4.2
分等规定
同一原料、同一工艺连续生产的同一规格的产品作为一个或若干检验批。4.2.1
4.2.2产品质量等级分为优等品、一等品、二等品,低于二等品为等外品。4.2.3喷气涡流纺纶羊毛混纺色纺纱产品质量等级根据产品规格,以考核项目中最低一项进行评等。
4.3技术要求
防盗隐藏图
诺积分下载
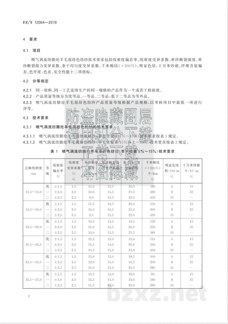
喷气涡流纺睛纶羊毛湿纺色纺纱的技术要求4.3.1
喷气涡流纺腈纶单尾混缔色缔纱(含量在15%读上~30人鼓术要求按表2规定。4.3.1.2
喷气涡流纺腈绘羊毛混药色纺绒(羊害瓷量5%~15%)技术要求S
线密度
公称线密度
11.1~13.0
13.1~16.0
16.1~20.0
20.1~24.0
24.1~31.0
31.1~37.0
偏差率
线密度
变异系数中
单纱断裂革纱断裂强
千米棉结
(+200%)
个/km
明显色结
粒/100m
十万米纱疵
个/105m
公称线密度
11.1~13.0
13.1~16.0
16.1~20.0
20.1~24.0
24.1~31.0
31.1~37.0
FZ/T12064—2019
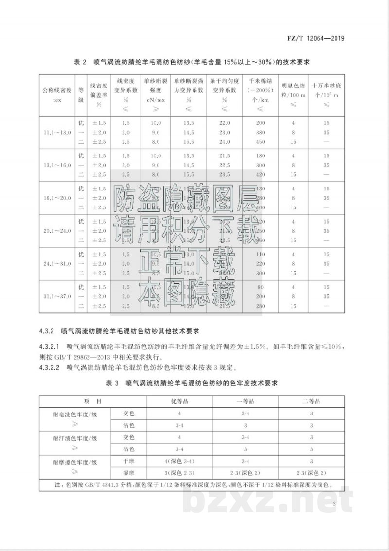
喷气涡流纺睛纶羊毛混纺色纺纱(羊毛含量15%以上~30%)的技术要求表2
线密度
偏差率
线密度
变异系数
单纱断裂
cN/tex
单纱断裂强
力变异系数
条干均匀度
变异系数
喷气涡流纺睛纶羊毛混纺色纺纱其他技术要求4.3.2.1
千米棉结
(+200%)
个/km
明显色结
粒/100m
十万米纱疵
个/105m
喷气涡流纺晴纶羊毛混纺色纺纱的羊毛纤维含量允许偏差为十1.5%。如羊毛纤维含量≤10%则按GB/T29862一2013中相关要求执行4.3.2.2
喷气涡流纺腈纶羊毛混纺色纺纱色牢度要求按表3规定。表3喷气涡流纺腈纶羊毛混纺色纺纱的色牢度技术要求项目
耐皂洗色牢度/级
耐汗渍色牢度/级
耐摩擦色牢度/级wwW.bzxz.Net
优等品
4(深色3-4)
3(深色2-3)
一等品
2-3(深色2)
二等品
2-3(深色2)
注:色别按GB/T4841.3分档,颜色深于1/12染料标准深度为深色,颜色不深于1/12染料标准深度为浅色。3
FZ/T12064—2019
4.3.2.3喷气涡流纺纶羊毛混纺色纺纱对来样色差不低于4级。4.3.2.4产品安全性能应符合GB18401的要求。5试验方法
5.1线密度偏差率、线密度变异系数试验线密度偏差率按式(1)计算,计算结果保留小数点后一位,其中100m纱的实测干燥质量按GB/T4743一2009中程序2烘干后折算,100m纱的标准干燥质量按附录A中式(A.4)计算;线密度变异系数按GB/T4743一2009中程序1调湿平衡后,按式(2)计算,计算结果按GB/T8170修约至小数点后一位。
式中:
线密度偏差
防次隐藏图
燥质量品
100m纱实测
-100m纱标准
牢燥质量,单
请用积分下载
芷常下载
式中:
三体图隐藏
线密度变异系数,%;
试样的总个数。
5.2单纱断裂强度及单纱断裂强力变异系数试验按GB/T3916执行。
5.3条干均匀度变异系数、于米棉结(+200%)试验按GB/T3292.1执行。
5.4明显色结试验
按FZ/T10021一2013中附录A执行,5.5十万米纱症试验
按FZ/T01050规定执行,十万米纱疵结果用A3、B3、C3、D2以上九级疵点之和5.6纤维含量试验
·(2)
按GB/T2910.4执行,纤维含量结果以净干质量结合公定回潮率计算的公定质量百分率表示。5.7色牢度试验
5.7.1耐皂洗色牢度试验按GB/T3921一2008规定执行,采用单纤维贴衬,试验条件为A(1)。4
:耐汗渍色牢度按GB/T3922一2013规定执行,采用单纤维贴衬。5.7.2
5.7.3耐摩擦色牢度试验按GB/T3920执行。5.8
色差试验
按GB/T250执行。
检验规则
按FZ/T10021规定执行。
标志、包装
按FZ/T10008规定执行。
用户对本标准有特殊要求者,供需双方可另订协议。FZ/T12064—2019
FZ/T12064—2019
附录A
(规范性附录)
喷气涡流纺睛纶羊毛混纺色纺纱百米质量的计算A.1喷气涡流纺睛纶羊毛混纺色纺纱的公定回潮率可按干重混纺比例计算,也可按公定质量混纺比例计算,见式(A.1)和式(A.2),计算结果修约至小数点后一位。其中睛纶公定回潮率为2.0%,羊毛公定回潮率为15.0%。
以干重混纺比例计算公定回潮率,以百分率表示:WXAA+WXA.
以公定质量混纺比例计算公定回潮率,以百分率表示防盗隐藏
请用积分不载
式中:
混纺纱的公定回潮%
腊纶、羊毛公定回藏率,%F十
WA、Ww—
AA、Aw—腈纶、羊毛干燥质量混纺分比例N
腈纶、羊毛公定质量混纺E比例
BA、Bw
A.2100m纱在公定回潮率时的品AE果修约至小数点后三位。mg
式中:
100m纱在公定回潮率的标准质量,单位为克(g);纱的公称线密度,单位为特克斯(tex)。A.3100m纱线标准干燥质量按式(A.4)计算,计算结果修约至小数点后三位。Tt
10×100+W
式中:
100m纱标准干燥质量,单位为克(g);纱的公称线密度,单位为特克斯(tex);混纺纱的公定回潮率,%。
(A.3)
...(A.4)
小提示:此标准内容仅展示完整标准里的部分截取内容,若需要完整标准请到上方自行免费下载完整标准文档。
中华人民共和国纺织行业标
FZ/T12064—2019
喷气涡流纺睛纶羊毛混纺色纺纱Air-jet vortex spun acrylic wool blended colour yarn2019-12-24 发布
中华人民共和国工业和信息化部发布
2020-07-01实施
本标准按照GB/T1.1一2009给出的规则起草。本标准由中国纺织工业联合会提出。FZ/T12064—2019
本标准由全国纺织品标准化技术委员会棉纺织品分技术委员会(SAC/TC209/SC10)归口。本标准起草单位:绍兴国周纺织新材料有限公司、百隆东方股份有限公司、安徽找宝纺织科技有限公司、浙江华孚色纺有限公司、吴江京奕特种纤维有限公司、中国棉纺织行业协会、上海市纺织工业技术监督所。
本标准主要起草人:郑国全、金国周、卫国、谈杰、赵黎新、陈路、景慎全、王憬义、孙国军、金鑫。防盗隐藏图
请用积分下
正常下载
本图隐藏
1范围
喷气涡流纺睛纶羊毛混纺色纺纱FZ/T12064—2019
本标准规定了喷气涡流纺睛纶羊毛混纺色纺纱的产品分类、标记、要求、试验方法、检验规则和标志、包装。
本标准适用于针织用纱,喷气涡流纺生产的腈纶(棉型)与羊毛(含量5%~30%)混纺色纺纱。2规范性引用文件
下列文件对于本文件
的能用是必大可:
用产,仅注日期的版本适用于本文件。凡是不注日期的引用其最版替是修改适鼎军文件。GB/T 250纺织品曾半度评蜜变色用必色样上一±心纺织品号景量分L第分某些蛋白原与某些其他纤维的混合物(次GB/T2910.4
氯酸盐法)
GB/T3292.1
纺织品纱线条不包试验方法第上题电容法单根纱新裂强反和既烟长率的测定(CRE法)GB/T3916纺织品卷装纱
色牢度试验耐摩擦色牢度千人
GB/T3920
纺织品
GB/T3921—2008
GB/T3922—2013
GB/T4743—2009
纺织品色牢度试验耐意色宇度
烟良度图
纺织品
纺织品√卷装纱实纱法经密度创定GB/T4841.3染料染色标准深度色卡2/1、1/3、1/6、1/12、1/25GB/T8170数值修约规则与极限数值的表示和判定GB18401
国家纺织产品基本安全技术规范GB/T29862一2013纺织品纤维含量的标识FZ/T01050
纺织品纱线疵点的分级与检验方法电容式棉及化纤纯纺、混纺纱线标志与包装FZ/T10008
FZ/T10021
3产品分类、标记
色纺纱线检验规则
3.1喷气涡流纺睛纶羊毛混纺色纺纱产品以不同颜色、混纺比及线密度分类,3.2喷气涡流纺睛纶羊毛混纺色纺纱的喷气涡流纺纱工艺过程代号为JV,纶代号为A,羊毛代号为W。
3.3产品混纺比以公定质量比表示,具体表示为:睛纶含量/羊毛含量3.4喷气涡流纺睛纶羊毛混纺色纺纱应在线密度前标明纱的颜色(或代号)、纺纱工艺过程(或代号)、原料名称(或代号)及其混纺比。示例:绿色19.7tex喷气涡流纺睛纶与羊毛混纺色纺纱,睛纶含量为80%,羊毛含量20%,可写为:绿色JVA/W80/2019.7tex。
FZ/T12064—2019
4要求
4.1项目
喷气涡流纺睛纶羊毛混纺色纺纱技术要求包括线密度偏差率、线密度变异系数、单纱断裂强度、单纱断裂强力变异系数、条干均匀度变异系数、千米棉结(十200%)、明显色结、十万米纱疵、纤维含量偏差、色牢度、色差、安全性能十二项指标。4.2
分等规定
同一原料、同一工艺连续生产的同一规格的产品作为一个或若干检验批。4.2.1
4.2.2产品质量等级分为优等品、一等品、二等品,低于二等品为等外品。4.2.3喷气涡流纺纶羊毛混纺色纺纱产品质量等级根据产品规格,以考核项目中最低一项进行评等。
4.3技术要求
防盗隐藏图
诺积分下载
喷气涡流纺睛纶羊毛湿纺色纺纱的技术要求4.3.1
喷气涡流纺腈纶单尾混缔色缔纱(含量在15%读上~30人鼓术要求按表2规定。4.3.1.2
喷气涡流纺腈绘羊毛混药色纺绒(羊害瓷量5%~15%)技术要求S
线密度
公称线密度
11.1~13.0
13.1~16.0
16.1~20.0
20.1~24.0
24.1~31.0
31.1~37.0
偏差率
线密度
变异系数中
单纱断裂革纱断裂强
千米棉结
(+200%)
个/km
明显色结
粒/100m
十万米纱疵
个/105m
公称线密度
11.1~13.0
13.1~16.0
16.1~20.0
20.1~24.0
24.1~31.0
31.1~37.0
FZ/T12064—2019
喷气涡流纺睛纶羊毛混纺色纺纱(羊毛含量15%以上~30%)的技术要求表2
线密度
偏差率
线密度
变异系数
单纱断裂
cN/tex
单纱断裂强
力变异系数
条干均匀度
变异系数
喷气涡流纺睛纶羊毛混纺色纺纱其他技术要求4.3.2.1
千米棉结
(+200%)
个/km
明显色结
粒/100m
十万米纱疵
个/105m
喷气涡流纺晴纶羊毛混纺色纺纱的羊毛纤维含量允许偏差为十1.5%。如羊毛纤维含量≤10%则按GB/T29862一2013中相关要求执行4.3.2.2
喷气涡流纺腈纶羊毛混纺色纺纱色牢度要求按表3规定。表3喷气涡流纺腈纶羊毛混纺色纺纱的色牢度技术要求项目
耐皂洗色牢度/级
耐汗渍色牢度/级
耐摩擦色牢度/级wwW.bzxz.Net
优等品
4(深色3-4)
3(深色2-3)
一等品
2-3(深色2)
二等品
2-3(深色2)
注:色别按GB/T4841.3分档,颜色深于1/12染料标准深度为深色,颜色不深于1/12染料标准深度为浅色。3
FZ/T12064—2019
4.3.2.3喷气涡流纺纶羊毛混纺色纺纱对来样色差不低于4级。4.3.2.4产品安全性能应符合GB18401的要求。5试验方法
5.1线密度偏差率、线密度变异系数试验线密度偏差率按式(1)计算,计算结果保留小数点后一位,其中100m纱的实测干燥质量按GB/T4743一2009中程序2烘干后折算,100m纱的标准干燥质量按附录A中式(A.4)计算;线密度变异系数按GB/T4743一2009中程序1调湿平衡后,按式(2)计算,计算结果按GB/T8170修约至小数点后一位。
式中:
线密度偏差
防次隐藏图
燥质量品
100m纱实测
-100m纱标准
牢燥质量,单
请用积分下载
芷常下载
式中:
三体图隐藏
线密度变异系数,%;
试样的总个数。
5.2单纱断裂强度及单纱断裂强力变异系数试验按GB/T3916执行。
5.3条干均匀度变异系数、于米棉结(+200%)试验按GB/T3292.1执行。
5.4明显色结试验
按FZ/T10021一2013中附录A执行,5.5十万米纱症试验
按FZ/T01050规定执行,十万米纱疵结果用A3、B3、C3、D2以上九级疵点之和5.6纤维含量试验
·(2)
按GB/T2910.4执行,纤维含量结果以净干质量结合公定回潮率计算的公定质量百分率表示。5.7色牢度试验
5.7.1耐皂洗色牢度试验按GB/T3921一2008规定执行,采用单纤维贴衬,试验条件为A(1)。4
:耐汗渍色牢度按GB/T3922一2013规定执行,采用单纤维贴衬。5.7.2
5.7.3耐摩擦色牢度试验按GB/T3920执行。5.8
色差试验
按GB/T250执行。
检验规则
按FZ/T10021规定执行。
标志、包装
按FZ/T10008规定执行。
用户对本标准有特殊要求者,供需双方可另订协议。FZ/T12064—2019
FZ/T12064—2019
附录A
(规范性附录)
喷气涡流纺睛纶羊毛混纺色纺纱百米质量的计算A.1喷气涡流纺睛纶羊毛混纺色纺纱的公定回潮率可按干重混纺比例计算,也可按公定质量混纺比例计算,见式(A.1)和式(A.2),计算结果修约至小数点后一位。其中睛纶公定回潮率为2.0%,羊毛公定回潮率为15.0%。
以干重混纺比例计算公定回潮率,以百分率表示:WXAA+WXA.
以公定质量混纺比例计算公定回潮率,以百分率表示防盗隐藏
请用积分不载
式中:
混纺纱的公定回潮%
腊纶、羊毛公定回藏率,%F十
WA、Ww—
AA、Aw—腈纶、羊毛干燥质量混纺分比例N
腈纶、羊毛公定质量混纺E比例
BA、Bw
A.2100m纱在公定回潮率时的品AE果修约至小数点后三位。mg
式中:
100m纱在公定回潮率的标准质量,单位为克(g);纱的公称线密度,单位为特克斯(tex)。A.3100m纱线标准干燥质量按式(A.4)计算,计算结果修约至小数点后三位。Tt
10×100+W
式中:
100m纱标准干燥质量,单位为克(g);纱的公称线密度,单位为特克斯(tex);混纺纱的公定回潮率,%。
(A.3)
...(A.4)
小提示:此标准内容仅展示完整标准里的部分截取内容,若需要完整标准请到上方自行免费下载完整标准文档。
标准图片预览:





- 其它标准
- 热门标准
- 其他行业标准
- JB/T7673-2011 真空技术 真空设备型号编制方法
- TB/T3523.3-2018 交流传动电力机车试验方法 第3部分:温升、电气保护及辅助机组试验
- JB/T6313.3-2011 电工铜编织线 第3部分:直纹编织线
- QX/T409-2017 农业气象观测规范 番茄
- YS/T1168-2016 饰品用锗合金
- YS/T3044-2022 铜冶炼侧吹炉协同处置氰渣技术规范
- YS/T891-2013 高纯钛化学分析方法 痕量杂质元素的测定 辉光放电质谱法
- DGJ08-2077-2010 危险性较大的分部分项工程安全管理规范
- QX/T365-2016 气象卫星接收时间表格式
- YS/T940-2013 柠檬酸金钾
- YS/T515-2012 钨丝下垂试验方法
- NB/T33006-2013 电动汽车电池箱更换设备通用技术要求
- FZ/T01159-2022 纺织品 定量化学分析 蚕丝与羊毛或其他动物毛纤维的混合物(盐酸法)
- GJ16-1973 包装通用技术条件
- CNAS-EC-042:2014 关于环境管理体系认证与环境保护法律法规要求符合性关系的说明
- 行业新闻
请牢记:“bzxz.net”即是“标准下载”四个汉字汉语拼音首字母与国际顶级域名“.net”的组合。 ©2025 标准下载网 www.bzxz.net 本站邮件:bzxznet@163.com
网站备案号:湘ICP备2025141790号-2
网站备案号:湘ICP备2025141790号-2