- 您的位置:
- 标准下载网 >>
- 标准分类 >>
- 其他行业标准 >>
- YS/T 799-2012铝板带箔表面清洁度试验方法
- 标准号: - YS/T 799-2012
- 标准名称: - 铝板带箔表面清洁度试验方法
- 标准类别: - 其他行业标准
- 英文名称: Test method for the surface cleaness of aluminum and aluminum alloy sheets,strips and foils
- 标准状态: 现行
- 
          	发布日期: 2012-11-07
- 
		 实施日期: 2013-03-01
- 出版语种: 简体中文
- 下载格式: .pdf .zip
- 标准ICS号: 冶金>>金属材料试验>>77.040.99金属材料的其他试验方法
- 中标分类号: 冶金>>金属理化性能试验方法>>H23金属工艺性能试验方法
 标准简介/下载
标准简介/下载点击下载
标准简介:
					本标准规定了铝板带箔表面清洁度(由铝粉引起)的试验方法。
本标准适用于食品箔、药用箔和PS版基等铝及铝合金板、带、箔半成品、产品的表面清洁度测试,也可用于其他铝材。
                本标准按照GB/T1.1—2009给出的规则起草。
本标准由全国有色金属标准化技术委员会(SAC/TC243)归口。
本标准负责起草单位:中铝瑞闽铝板带有限公司。
本标准参加起草单位:云南浩鑫铝箔有限公司、厦门厦顺铝箔有限公司、西南铝业(集团)有限公司、上海沪鑫铝箔有限公司。
本标准主要起草人:林梅钦、邱龙涛、高珺、张春平、李瑞山、袁荣、潘飚。
 标准内容
标准内容部分标准内容:
					
					ICS77.040.99
中华人民共和国有色金属行业标准YS/T799—2012
铝板带箔表面清洁度试验方法
Test method for the surface cleaness of aluminum and aluminum alloysheets,stripsandfoils
2012-11-07发布
中华人民共和国工业和信息化部发布免费标准下载网bzxz
2013-03-01实施
本标准按照GB/T1.1一2009给出的规则起草。言
本标准由全国有色金属标准化技术委员会(SAC/TC243)归口。本标准负责起草单位:中铝瑞闽铝板带有限公司。YS/T799—2012
本标准参加起草单位:云南浩鑫铝箔有限公司、厦门厦顺铝箔有限公司、西南铝业(集团)有限公司、上海沪鑫铝箔有限公司。
本标准主要起草人:林梅钦、邱龙涛、高珺、张春平、李瑞山、袁荣、潘飚。I
1范围
铝板带箔表面清洁度试验方法
本标准规定了铝板带箔表面清洁度(由铝粉引起)的试验方法。YS/T799—2012
本标准适用于食品箔、药用箔和PS版基等铝及铝合金板、带、箔半成品、产品的表面清洁度测试,也可用于其他铝材。
2方法概述
从待测产品上取面积约180mm×180mm样品,将裹有纸巾纸的涂抹器在限位框内对试样表面进行有规则擦拭,将粘附在纸巾纸上的异物颜色与灰阶卡对比,进行试样表面清洁度等级判定。3规范性引用文件
下列文件对于本文件的应用是必不可少的。凡是注日期的引用文件,仅注日期的版本适用于本文件。凡是不注日期的引用文件,其最新版本(包括所有的修改单)适用于本文件。GB/T3274碳素结构钢和低合金结构钢热轧厚钢板和钢带GB/T5574工业用橡胶板
GB/T10002.1给水用硬聚氯乙烯(PVC-U)管材4主要材料和试剂
4.1灰阶卡:宜采用KODAKGrayScale柯达灰阶卡1)(见图1)或相类似分级的产品。ODAK
图1KODAKGrayScale柯达灰阶卡示意图4.2纸巾纸:宜采用白色原生木浆纸,表面不得压花或印花,规格为(180~210)mm×(155~180)mm(双层)。
4.3植物油。
4.4涂抹器:用不锈钢制成的圆柱状物体,如图2所示,直径为38.0mm士0.5mm、质量为283.5g土1)KODAKGrayScale柯达灰阶卡是适合的市售产品的实例。给出这一信息是为了方便本标准的使用者,并不表示对这些产品的认可。
YS/T799—2012
1g,侧面及上、下表面的表面粗糙度Ra≤6.3μm。4.5限位圈:用PVC管(PVC管宜符合GB/T10002.1的规定)锯制成的圆柱环,如图2所示,圆柱环外径为63mm,壁厚为5.8mm,高度为25mm士1mm,锯切面应磨光,表面粗糙度Ra≤6.3μm。4.6限位方框:由有机玻璃或其他透明的具有一定硬度的材料制成的方形框架,如图2所示,外框尺寸为(200mm±5mm)×(200mm士5mm),内腔尺寸为(140mm±1mm)×(140mm士1mm),内腔侧面粗糙度Ra≤6.3μm。
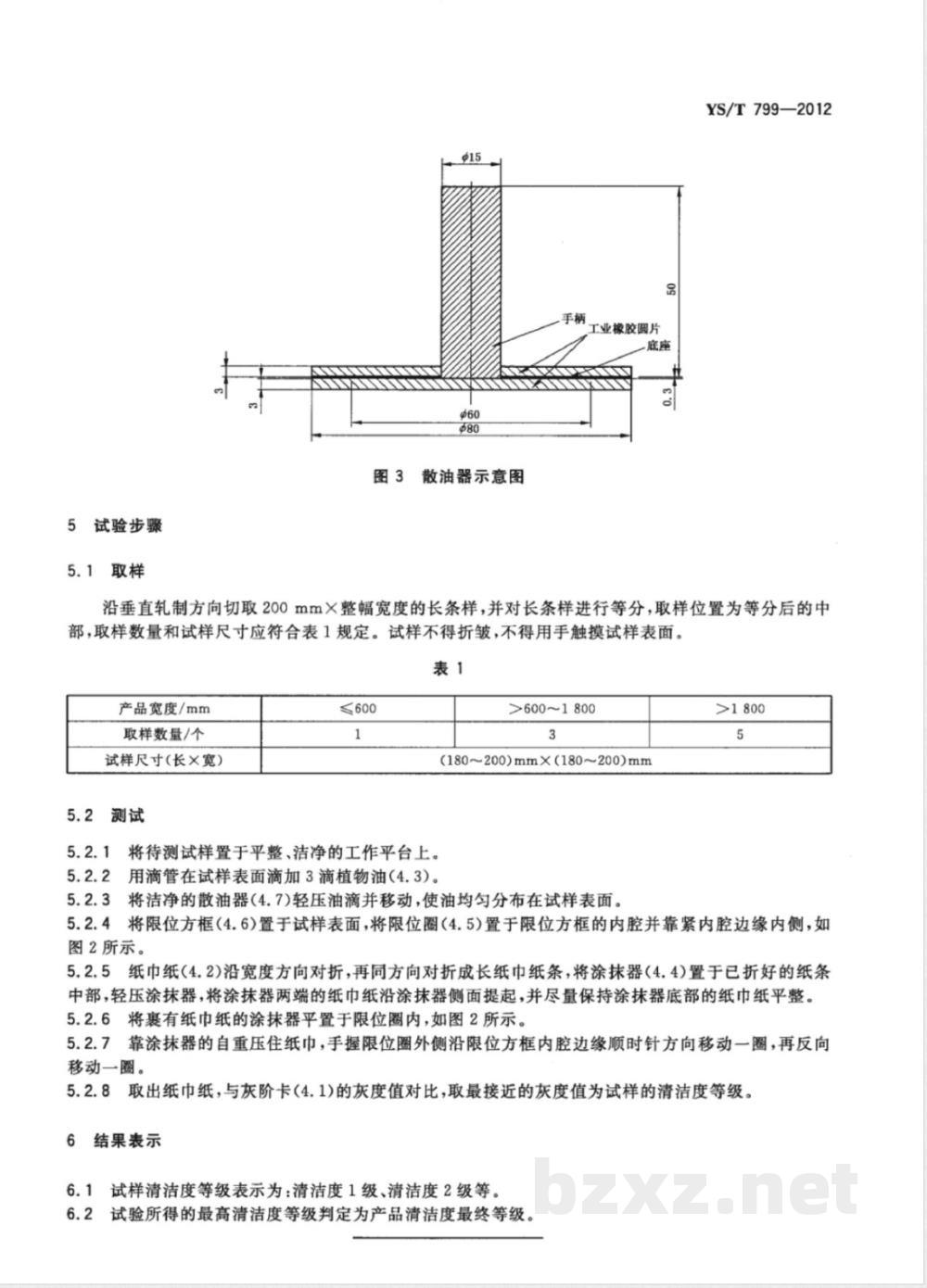
4.7散油器:由底座和手柄组成,如图3所示,底座由两片(片中心带孔($15mm),一片不带孔)工业橡胶板(工业橡胶板应符合GB/T5574规定,板厚2.5mm或3mm,耐油性能为C类)圆片(外径为80mm)与碳素结构钢(碳素结构钢材料符合GB/T3274的规定,材质为Q235)底座(厚度约为0.3mm,外径为60mm)粘合而成,手柄外径约为15mm,高度约为50mm。963
纸巾纸
涂抹器
限位圈
限位方框
特测铝片
4×$45
图2清洁度的测试示意图
5试验步骤
5.1取样
图3散油器示意图
工业橡胶圆片
YS/T799—2012
沿垂直轧制方向切取200mmX整幅宽度的长条样,并对长条样进行等分,取样位置为等分后的中部,取样数量和试样尺寸应符合表1规定。试样不得折皱,不得用手触摸试样表面。表1
产品宽度/mm
取样数量/个
试样尺寸(长×宽)
5.2测试
≤600
5.2.1将待测试样置于平整、洁净的工作平台上。5.2.2用滴管在试样表面滴加3滴植物油(4.3)。>600~1800
(180~200)mm×(180~200)mm
5.2.3将洁净的散油器(4.7)轻压油滴并移动,使油均匀分布在试样表面。>1800
5.2.4将限位方框(4.6)置于试样表面,将限位圈(4.5)置于限位方框的内腔并靠紧内腔边缘内侧,如图2所示。
5.2.5纸巾纸(4.2)沿宽度方向对折,再同方向对折成长纸巾纸条,将涂抹器(4.4)置于已折好的纸条中部,轻压涂抹器,将涂抹器两端的纸巾纸沿涂抹器侧面提起,并尽量保持涂抹器底部的纸中纸平整。5.2.6将裹有纸巾纸的涂抹器平置于限位圈内,如图2所示。5.2.7靠涂抹器的自重压住纸巾,手握限位圈外侧沿限位方框内腔边缘顺时针方向移动一圈,再反向移动一圈。
5.2.8取出纸巾纸,与灰阶卡(4.1)的灰度值对比,取最接近的灰度值为试样的清洁度等级。6结果表示
试样清洁度等级表示为:清洁度1级、清洁度2级等。试验所得的最高清洁度等级判定为产品清洁度最终等级。6.2
YS/T799-2012
中华人民共和国有色金属
行业标准
铝板带箔表面清洁度试验方法
YS/T799—2012
中国标准出版社出版发行
北京市朝阳区和平里西街甲2号(100013)北京市西城区三里河北街16号(100045)网址www.spc.net.cn
总编室:(010)64275323发行中心:(010)51780235读者服务部:(010)68523946
中国标准出版社秦皇岛印刷厂印刷各地新华书店经销
开本880×12301/16
6印张0.5字数7千字
2013年2月第一版2013年2月第一次印刷*
书号:155066·2-24420定价
告由本社发行中心调换
如有印装差错
版权专有侵权必究
举报电话:(010)68510107
小提示:此标准内容仅展示完整标准里的部分截取内容,若需要完整标准请到上方自行免费下载完整标准文档。
	 
	        
	      中华人民共和国有色金属行业标准YS/T799—2012
铝板带箔表面清洁度试验方法
Test method for the surface cleaness of aluminum and aluminum alloysheets,stripsandfoils
2012-11-07发布
中华人民共和国工业和信息化部发布免费标准下载网bzxz
2013-03-01实施
本标准按照GB/T1.1一2009给出的规则起草。言
本标准由全国有色金属标准化技术委员会(SAC/TC243)归口。本标准负责起草单位:中铝瑞闽铝板带有限公司。YS/T799—2012
本标准参加起草单位:云南浩鑫铝箔有限公司、厦门厦顺铝箔有限公司、西南铝业(集团)有限公司、上海沪鑫铝箔有限公司。
本标准主要起草人:林梅钦、邱龙涛、高珺、张春平、李瑞山、袁荣、潘飚。I
1范围
铝板带箔表面清洁度试验方法
本标准规定了铝板带箔表面清洁度(由铝粉引起)的试验方法。YS/T799—2012
本标准适用于食品箔、药用箔和PS版基等铝及铝合金板、带、箔半成品、产品的表面清洁度测试,也可用于其他铝材。
2方法概述
从待测产品上取面积约180mm×180mm样品,将裹有纸巾纸的涂抹器在限位框内对试样表面进行有规则擦拭,将粘附在纸巾纸上的异物颜色与灰阶卡对比,进行试样表面清洁度等级判定。3规范性引用文件
下列文件对于本文件的应用是必不可少的。凡是注日期的引用文件,仅注日期的版本适用于本文件。凡是不注日期的引用文件,其最新版本(包括所有的修改单)适用于本文件。GB/T3274碳素结构钢和低合金结构钢热轧厚钢板和钢带GB/T5574工业用橡胶板
GB/T10002.1给水用硬聚氯乙烯(PVC-U)管材4主要材料和试剂
4.1灰阶卡:宜采用KODAKGrayScale柯达灰阶卡1)(见图1)或相类似分级的产品。ODAK
图1KODAKGrayScale柯达灰阶卡示意图4.2纸巾纸:宜采用白色原生木浆纸,表面不得压花或印花,规格为(180~210)mm×(155~180)mm(双层)。
4.3植物油。
4.4涂抹器:用不锈钢制成的圆柱状物体,如图2所示,直径为38.0mm士0.5mm、质量为283.5g土1)KODAKGrayScale柯达灰阶卡是适合的市售产品的实例。给出这一信息是为了方便本标准的使用者,并不表示对这些产品的认可。
YS/T799—2012
1g,侧面及上、下表面的表面粗糙度Ra≤6.3μm。4.5限位圈:用PVC管(PVC管宜符合GB/T10002.1的规定)锯制成的圆柱环,如图2所示,圆柱环外径为63mm,壁厚为5.8mm,高度为25mm士1mm,锯切面应磨光,表面粗糙度Ra≤6.3μm。4.6限位方框:由有机玻璃或其他透明的具有一定硬度的材料制成的方形框架,如图2所示,外框尺寸为(200mm±5mm)×(200mm士5mm),内腔尺寸为(140mm±1mm)×(140mm士1mm),内腔侧面粗糙度Ra≤6.3μm。
4.7散油器:由底座和手柄组成,如图3所示,底座由两片(片中心带孔($15mm),一片不带孔)工业橡胶板(工业橡胶板应符合GB/T5574规定,板厚2.5mm或3mm,耐油性能为C类)圆片(外径为80mm)与碳素结构钢(碳素结构钢材料符合GB/T3274的规定,材质为Q235)底座(厚度约为0.3mm,外径为60mm)粘合而成,手柄外径约为15mm,高度约为50mm。963
纸巾纸
涂抹器
限位圈
限位方框
特测铝片
4×$45
图2清洁度的测试示意图
5试验步骤
5.1取样
图3散油器示意图
工业橡胶圆片
YS/T799—2012
沿垂直轧制方向切取200mmX整幅宽度的长条样,并对长条样进行等分,取样位置为等分后的中部,取样数量和试样尺寸应符合表1规定。试样不得折皱,不得用手触摸试样表面。表1
产品宽度/mm
取样数量/个
试样尺寸(长×宽)
5.2测试
≤600
5.2.1将待测试样置于平整、洁净的工作平台上。5.2.2用滴管在试样表面滴加3滴植物油(4.3)。>600~1800
(180~200)mm×(180~200)mm
5.2.3将洁净的散油器(4.7)轻压油滴并移动,使油均匀分布在试样表面。>1800
5.2.4将限位方框(4.6)置于试样表面,将限位圈(4.5)置于限位方框的内腔并靠紧内腔边缘内侧,如图2所示。
5.2.5纸巾纸(4.2)沿宽度方向对折,再同方向对折成长纸巾纸条,将涂抹器(4.4)置于已折好的纸条中部,轻压涂抹器,将涂抹器两端的纸巾纸沿涂抹器侧面提起,并尽量保持涂抹器底部的纸中纸平整。5.2.6将裹有纸巾纸的涂抹器平置于限位圈内,如图2所示。5.2.7靠涂抹器的自重压住纸巾,手握限位圈外侧沿限位方框内腔边缘顺时针方向移动一圈,再反向移动一圈。
5.2.8取出纸巾纸,与灰阶卡(4.1)的灰度值对比,取最接近的灰度值为试样的清洁度等级。6结果表示
试样清洁度等级表示为:清洁度1级、清洁度2级等。试验所得的最高清洁度等级判定为产品清洁度最终等级。6.2
YS/T799-2012
中华人民共和国有色金属
行业标准
铝板带箔表面清洁度试验方法
YS/T799—2012
中国标准出版社出版发行
北京市朝阳区和平里西街甲2号(100013)北京市西城区三里河北街16号(100045)网址www.spc.net.cn
总编室:(010)64275323发行中心:(010)51780235读者服务部:(010)68523946
中国标准出版社秦皇岛印刷厂印刷各地新华书店经销
开本880×12301/16
6印张0.5字数7千字
2013年2月第一版2013年2月第一次印刷*
书号:155066·2-24420定价
告由本社发行中心调换
如有印装差错
版权专有侵权必究
举报电话:(010)68510107
小提示:此标准内容仅展示完整标准里的部分截取内容,若需要完整标准请到上方自行免费下载完整标准文档。
 标准图片预览
标准图片预览 标准图片预览:





- 其它标准
- 热门标准
- 其他行业标准
- FZ/T64060-2016 双轴向经编针织粘合衬
- HG/T3773-2012 分散黑EX-SF300%
- QZLS0032S-2016 郑州林诺实业有限公司 压片糖果
- FZ/T12057-2017 腈纶羊毛混纺本色纱
- NB/T20009.5-2013 压水堆核电厂用焊接材料 第5部分:1、2、3级设备用碳钢气体保护电弧焊药芯焊丝
- JB/T7673-2011 真空技术 真空设备型号编制方法
- YS/T1168-2016 饰品用锗合金
- YS/T940-2013 柠檬酸金钾
- TB/T3523.3-2018 交流传动电力机车试验方法 第3部分:温升、电气保护及辅助机组试验
- JB/T6313.3-2011 电工铜编织线 第3部分:直纹编织线
- HG/T2549-2012 还原橄榄绿5G超细粉
- YS/T891-2013 高纯钛化学分析方法 痕量杂质元素的测定 辉光放电质谱法
- CB/T4198-2011 船用中速柴油机齿轮箱技术条件
- YS/T254.7-2011 铍精矿、绿柱石化学分析方法 第7部分:水分量的测定 重量法
- QX/T365-2016 气象卫星接收时间表格式
- 行业新闻
请牢记:“bzxz.net”即是“标准下载”四个汉字汉语拼音首字母与国际顶级域名“.net”的组合。 ©2025 标准下载网 www.bzxz.net 本站邮件:bzxznet@163.com
网站备案号:湘ICP备2025141790号-2
网站备案号:湘ICP备2025141790号-2
