- 您的位置:
- 标准下载网 >>
- 标准分类 >>
- 其他行业标准 >>
- FZ/T 15002-2020纺织经纱上浆用聚丙烯酸类浆料
标准号:
FZ/T 15002-2020
标准名称:
纺织经纱上浆用聚丙烯酸类浆料
标准类别:
其他行业标准
英文名称:
Polyacrylic sizes used in textile warp sizing标准状态:
现行-
发布日期:
2020-12-09 -
实施日期:
2021-04-01 出版语种:
简体中文下载格式:
.pdf .zip
替代情况:
替代FZ/T 15002-2011

点击下载
标准简介:
本标准规定了纺织经纱上浆用聚丙烯酸类浆料的术语和定义、分类与标记、技术要求、试验方法、检验规则、标志、包装、运输和贮存。
本标准适用于纺织经纱上浆用聚丙烯酸类浆料。

部分标准内容:
ICS59.080.01
中华人民共和国纺织行业标准
FZ/T15002-—2020
代替FZ/T15002—2011
纺织经纱上浆用聚丙烯酸类浆料Polyacrylic sizes used in textile warp sizing2020-12-09 发布
中华人民共和国工业和信息化部2021-04-01实施
本标准按照GB/T1.1一2009给出的规则起草。FZ/T15002—2020
本标准代替FZ/T15002—2011《纺织上浆用聚丙烯酸类浆料》。与FZ/T15002—2011相比,主要技术变化如下:
标准名称调整为《纺织经纱上浆用聚丙烯酸类浆料》;-调整了3.2~3.6的术语和定义;一调整了评等方法,评等分为合格品与不合格品;考核指标合并原一等品、合格品的要求,其中,浆料浆膜吸水率偏差率、碱溶性偏差调整为正负偏差(见表1);
原标准附录B调整为附录D,原标准附录C、附录D调整为附录B、附录C。本标准由中国纺织工业联合会提出。本标准由全国纺织品标准化技术委员会棉纺织品分技术委员会(SAC/TC209/SC10)归口。本标准起草单位:上海新齐力助剂科技有限公司、河南新野纺织股份有限公司、湖北佳特新材料有限公司、湖北顶新环保生物质材料有限公司、宜兴市军达浆料科技有限公司、中国棉纺织行业协会、上海市纺织工业技术监督所。
本标准主要起草人:路彦景、韩锋、赵娜、陈春华、黄年华、范雪荣、王耀、左舒文。本标准所代替标准的历次版本发布情况为:-FZ/T15002—2011。
1范围
纺织经纱上浆用聚丙烯酸类浆料FZ/T15002—2020
本标准规定了纺织经纱上浆用聚丙烯酸类浆料(以下简称聚丙烯酸类浆料)的术语和定义、分类与标记、技术要求、试验方法、检验规则、标志、包装、运输和储存。本标准适用于纺织经纱上浆用的聚丙烯酸类浆料。2规范性引用文件
下列文件对于本文件的应用是必不可少的。凡是注日期的引用文件,仅注日期的版本适用于本文件。凡是不注日期的引用文件,其最新版本(包括所有的修改单)适用于本文件。GB/T5009.1食品卫生检验方法理化部分总则GB/T8170数值修约规则与极限数值的表示和判定GB/T19466.2塑料差示扫描量热法(DSC)第2部分:玻璃化转变温度的测定FZ/T10014
纺织上浆用聚丙烯酸类浆料试验方法pH值测定FZ/T10015
FZ/T10016
FZ/T10017
FZ/T10018
FZ/T10019
FZ/T10020
3术语和定义
纺织上浆用聚丙烯酸类浆料试验方法纺织上浆用聚丙烯酸类浆料试验方法纺织上浆用聚丙烯酸类浆料试验方法纺织上浆用聚丙烯酸类浆料试验方法纺织上浆用聚丙烯酸类浆料试验方法纺织上浆用聚丙烯酸类浆料试验方法玻璃化温度测定
差示扫描量热法(DSC)
不挥发物含量测定
残留单体含量测定
浆膜碱溶性测定
浆膜吸水率测定
黏度测定
GB/T19466.2界定的以及下列术语和定义适用于本文件。3.1
聚丙烯酸类浆料polyacrylic sizes以丙烯酸类为主要单体制备的均聚物、共聚物及其共混物统称为聚丙烯酸类浆料。3.2
involatilesubstance
不挥发物
浆料在规定温度下烘干至恒量后的残留物。3.3
黏度viscosity
浆料的抗流动性。
残留单体
residualmonomer
浆料中未参加聚合反应的剩余单体。1
FZ/T15002—2020
浆膜吸水率waterabsorptionrateofsizingfilm浆膜在一定温度水中浸泡一定时间后,对水侵蚀的耐受能力。3.6
浆膜碱溶性
alkalisolubilityofsizingfilm浆膜在碱性条件下的溶解性能。4分类与标记
4.1分类
聚丙烯酸类浆料按形态可分为液体聚丙烯酸类浆料和固体聚丙烯酸类浆料。4.1.2
聚丙烯酸类浆料按最大用量的单体分为聚丙烯酸(盐)、聚丙烯酰胺、聚丙烯酸酯等。4.2标记
4.2.1本标准的聚丙烯酸类浆料标记为:PAL。对于共聚型聚丙烯酸类浆料,在实施本缩写代号时,按最大用量的单体进行归类;对于共混型聚丙烯酸类浆料,在实施本缩写代号时,按最大组分共聚物或均聚物的代号执行。
聚丙烯酸(盐)类浆料Lpolyacrylicacid(salt)sizes]:PAAS。4.2.2
聚丙烯酰胺类浆料(polyacryamidesizes):PAMS。4.2.3
4.2.4聚丙烯酸酯类浆料(polyacrylatesizes;polyacrylicesters):PALS。5技术要求
5.1考核项目
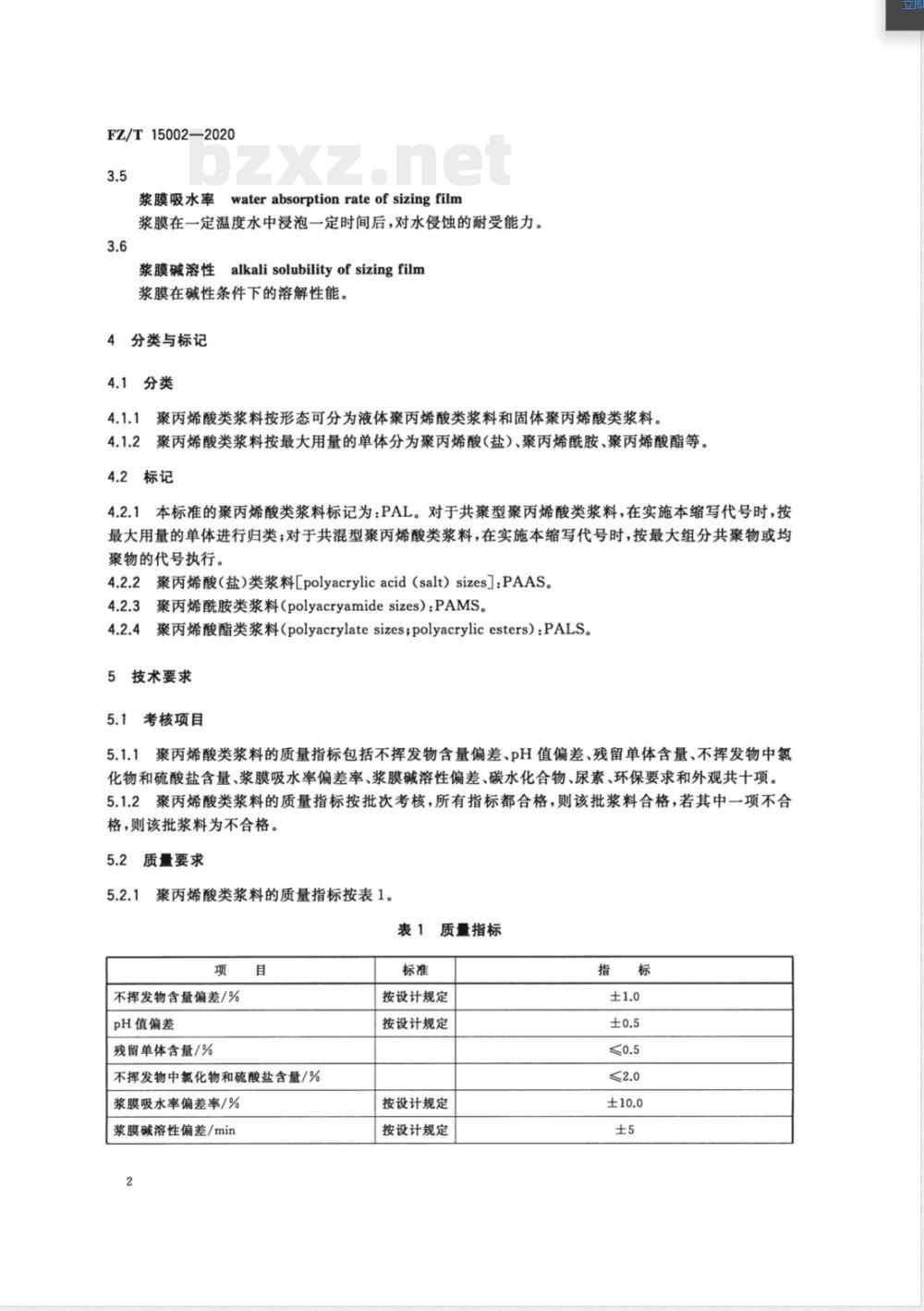
聚丙烯酸类浆料的质量指标包括不挥发物含量偏差、pH值偏差、残留单体含量、不挥发物中氯5.1.1
化物和硫酸盐含量、浆膜吸水率偏差率、浆膜碱溶性偏差、碳水化合物、尿素、环保要求和外观共十项。聚丙烯酸类浆料的质量指标按批次考核,所有指标都合格,则该批浆料合格,若其中一项不合5.1.2
格,则该批浆料为不合格。
质量要求
聚丙烯酸类浆料的质量指标按表1。表1质量指标
不挥发物含量偏差/%
pH值偏差
残留单体含量/%
不挥发物中氯化物和硫酸盐含量/%浆膜吸水率偏差率/%
浆膜碱溶性偏差/min
按设计规定
按设计规定
按设计规定
按设计规定
碳水化合物
环保要求
聚乙烯醇
固体浆料
液体浆料
表1(续)
注:浆膜吸水率偏差率、浆膜碱溶性偏差仅考核喷水织造上浆用浆料。5.2.2
黏度、玻璃化温度用户需要,可由供需双方另订协议。6试验方法
不挥发物含量试验方法按FZ/T10016执行。6.1
6.2pH值试验方法按FZ/T10014执行。6.3
残留单体含量试验方法按FZ/T10017执行。6.4不挥发物中氯化物和硫酸盐含量试验方法按附录A执行。指
不得检出
不得检出
不得检出
FZ/T15002—2020
均质颗粒或粉末
均质稳定水分散体
浆膜吸水率试验方法按FZ/T10019执行。浆膜吸水率偏差率计算按式(1),计算结果按6.5
GB/T8170修约至一位小数。
2×100
式中:
浆膜吸水率偏差率,%;
浆膜吸水率实测值,%;
浆膜吸水率标准值,%。
浆膜碱溶性试验方法按FZ/T10018执行。碳水化合物试验方法按附录B执行。尿素试验方法按附录C执行。
聚乙烯醇试验方法按附录D执行。....
外观质量检验方法:用洁净烧杯取20g样品,在北向自然光线下,用肉眼观察样品的颜色、状态。黏度试验方法按FZ/T10020执行。玻璃化温度试验方法按FZ/T10015执行。检验规则
分批、取样规定
7.1.1分批规定:产品应按批提交检验,同一生产日期内,经包装出厂的,具有同一批号和同样质量检验报告的聚丙烯酸类浆料视为同一批产品。否则,则按不同批次产品进行取样。7.1.2取样规定:按表2的规定进行。每桶(袋)取样量不少于100g,将试样装人洁净干燥的试剂瓶或试样袋密封。
FZ/T15002—2020
桶(袋)数
取样桶(袋)数
7.2验收
桶(袋)数的100%
表2取样数量
6~49
50~100
桶(袋)数的10%取整数桶(袋)数的平方根取正整数7.2.1聚丙烯酸类浆料的检验应按本标准规定内容进行。7.2.2交货时,供货方根据产品评等检验结果,出具产品检验合格证。需方应对收到的产品及时随机抽取样品,按本标准的规定进行检验。如检验结果与本标准规定不符时,可在收到产品之日起一星期内向供方提出,由供需双方协商解决。7.2.3对产品质量有争议时,可委托双方认可的仲裁检验机构进行复验,并在需方共同取样,以复验结果为最终结果,复验费用由责任方承担。8标志、包装、运输和储存
8.1标志
8.1.1每桶(袋)外应注明:标记、产品名称、牌号、批号、净重、等级、生产企业名称和地址、生产日期。8.1.2每批产品应附质量说明书,包括:产品名称、牌号、批号、等级、净重和件数、产品执行标准、生产企业名称和地址、生产日期、产品保质期、检验责任章等。8.2包装
8.2.1产品的包装应为结实、防潮的袋质或者桶质包装,标签清晰整洁,袋口或者桶口密封,能保证在装卸、运输和贮存过程中无破漏现象。8.2.2袋装或桶装聚丙烯酸类浆料质量50kg及以下,允许公差为士0.3%;50kg以上,允许公差为士0.2%。
8.3运输免费标准bzxz.net
运输时,产品应用篷布遮盖,不得受潮和暴晒。在整个运输过程中,要保持干燥、清洁,不得与有毒、有害、有腐蚀性物品混装、混运,避免日晒和雨淋。装卸时,应轻拿轻放,严禁直接钩、扎包装袋或者桶。8.4储存
产品存放于干燥处,不得露关放置,严禁火种,不得与强氧化剂、酸类、碱类等物质堆放在一起9其他
用户对产品有特殊要求时,可由供需双方另订协议。4
A.1范围
附录A
(规范性附录)
不挥发物中氯化物和硫酸盐含量测定的试验方法本规则规定了浆料不挥发物中氯化物和硫酸盐含量测定的试验方法。A.2
2原理
FZ/T15002—2020
利用硝酸银溶液和氯离子反应生成氯化银沉淀滴定试样中的氯离子,利用氯化钡和硫酸根离子反应生成硫酸钡沉淀滴定试样中的硫酸根离子,测定沉淀物的质量,计算得不挥发物中氯化物和硫酸盐含量,以百分率表示。
3设备和用具
碘量瓶:250mL。
A.3.2容量瓶:1000mL。
A.3.3酸式滴定管:50mL。
A.3.4移液管:25mL。
天平:称量范围100g以上,分度值为0.0001g。A.3.5
A.3.6瓷锅:50mL。
电炉:1500W。
箱式电阻炉:可控温度为800℃士25℃。试剂准备
硝酸银(A.R.级)。
铬酸钾(A.R.级)。
A.4.3盐酸(A.R.级)。
A.4.4氯化钡(A.R.级)。
一次蒸馅水。
操作程序
不挥发物中氯化物含量的测定
A.5.1.1制备0.1mol/L的硝酸银标准溶液:按GB/T5009.1执行并标定。A.5.1.2
制备5%铬酸钾溶液:称取5g铬酸钾,加蒸馏水至总量100g,搅拌溶解备用。不挥发物中氯化物含量的测定:称取2g试样(准确至0.0002g),用50mL蒸馏水溶解后转A.5.1.3
人250mL碘量瓶中;加入1mL5%铬酸钾溶液,在不断摇动下,用硝酸银标准溶液滴定至溶液呈现砖5
FZ/T15002—2020
红色即为终点。
A.5.1.4对同一试样进行平行试验。A.5.2不挥发物中硫酸盐含量的测定A.5.2.1提取灰分:称取10g试样(准确至0.0001g),置于预先800℃士25℃恒量过的瓷锅(两次灼烧后的称量偏差在士0.0003g范围内)中,在电炉上烧干并灰化,再在800℃士25℃下灼烧至恒量(两次灼烧后的称重偏差在士0.0003g范围内)。A.5.2.2沉淀硫酸根离子:向灼烧至恒量(两次灼烧后的称重偏差在士0.0003g范围内)的灰分中加人10mL蒸馏水,再加10mL0.05mol/L的盐酸,加热(40℃~50℃)至充分溶解,边搅拌边滴加10mL122g/L的氯化溶液,在1.5min内加人完毕;用直径为90mm的慢速定量滤纸过滤,用40℃~50℃蒸馏水洗涤沉淀至无氯离子为止(取10mL洗涤液,加10mL5g/L的硝酸银溶液,放置5min,不产生浑浊)。
称量硫酸钡沉淀:将附有沉淀物的滤纸转移至预先已800℃士25℃恒量过的瓷锅(两次灼A.5.2.3
烧后的称量偏差在士0.0003g范围内)中,在电炉上灰化,再在800℃士25℃下灼烧至恒量(两次灼烧后的称量偏差在士0.0003g范围内)并称量(精确至0.0001g)。A.5.2.4对同一试样进行平行试验。A.6结果计算和表示
A.6.1不挥发物中氯化物含量的计算和表示A.6.1.1不挥发物中氯化物含量(以氯化钠计)计算按式(A.1),计算结果按GB/T8170修约至小数点后二位。
A.6.1.2当平行试验结果的不挥发物中氯化物含量相差≤0.1%时,不挥发物中氯化物含量取平行试验的算术平均值为试验结果。
A.6.1.3当平行试验结果的不挥发物中氯化物含量相差>0.1%时,则按A.5.1.1~A.5.1.4操作程序进行第二组平行试验。
A.6.1.4当第二组平行试验结果的不挥发物中氯化物含量相差≤0.1%时,不挥发物中氯化物含量取第二组平行试验的算术平均值为试验结果。A.6.1.5当第二组平行试验结果的不挥发物中氯化物含量相差>0.1%时,不挥发物中氯化物含量值取二组平行试验的算术平均值为试验结果,并在报告中注明情况。_V×c×0.05844x
式中:
试样不挥发物中氯化钠的含量,%;x100
试样消耗硝酸银标准溶液体积,单位为毫升(mL):硝酸银标准溶液的浓度,单位为摩尔每升(mol/L)0.05844——与1mL1.0mol/L硝酸银标准溶液所相当的氯化钠的克数;m
氯化物含量测定的试样质量,单位为克(g);—一试样中不挥发物含量,%。
A.6.2不挥发物中硫酸盐含量的计算和表示..(A.1)
A.6.2.1不挥发物中硫酸盐的含量(以硫酸钠计)计算按式(A.2),计算结果按GB/T8170修约至小数点后二位。
FZ/T15002—2020
A.6.2.2当平行试验结果的不挥发物中硫酸盐含量相差≤0.2%时,不挥发物中硫酸盐含量取平行试验的算术平均值为试验结果。
A.6.2.3当平行试验结果的不挥发物中硫酸盐含量相差>0.2%时,则按A.5.2.1~A.5.2.4操作程序进行第二组平行试验。
A.6.2.4当第二组平行试验结果的不挥发物中硫酸盐含量相差≤0.2%时,不挥发物中硫酸盐含量取第二组平行试验的算术平均值为试验结果。A.6.2.5当第二组平行试验结果的不挥发物中硫酸盐含量相差>0.2%时,不挥发物中硫酸盐的含量值取二组平行试验的算术平均值为试验结果,并在报告中注明情况。0.6086Xml
m。xx
式中:
试样不挥发物中硫酸钠的含量,%;硫酸钡换算成硫酸钠的系数;
硫酸钡质量,单位为克(g);
硫酸盐含量测定的试样质量,单位为克(g);试样中不挥发物含量,%。
3不挥发物中氯化物和硫酸盐的计算A.6.3
不挥发物中氯化物和硫酸盐含量计算按式(A.3),计算结果按GB/T8170修约至小数点后一位。X,=X,+X2
式中:
X3—试样不挥发物中氯化物和硫酸盐的含量,%。A.7试验报告
试验报告应包括以下内容:
试验依据本标准的编号(FZ/T15002—2020);a
试样的详细描述,如产品代号、批号、生产目期等:c
试验不挥发物中氯化物和硫酸盐含量的原始数据,测定结果;d)
任何偏离本标准的细节及试验中的异常现象;e)
试验日期与试验者等。
(A.3)
FZ/T15002—2020
B.1范围
附录B
(规范性附录)
碳水化合物鉴定的试验方法
本规则规定了浆料中碳水化合物鉴定的试验方法。B.2
利用铜离子和碳水化合物中的醛基反应生成红色亚铜化合物沉淀,判断试样中碳水化合物的存在。B.3
设备和用具
容量瓶:500mL。
长颈烧瓶:250mL。
B.3.3天平:称量范围在100g以上,分度值为0.01g。B.3.4
量筒:10mL。
烧杯:250mL。
试剂准备
五水硫酸铜(A.R.级)。
酒石酸钾钠(A.R.级)。
氢氧化钠(A.R.级)。
盐酸(A.R.级)。
5一次蒸馏水。
5操作程序
配制硫酸铜溶液:称取无粉化痕迹的五水硫酸铜小结晶34.66g,用蒸馏水溶解,定容至500mL,B.5.1
贮存于密闭容器中。
B.5.2配制碱性酒石酸钾钠溶液:称取酒石酸钾钠结晶173g和氢氧化钠50g,用蒸馏水溶解,定容至500mL,贮存于耐碱的容器中。
B.5.3配制3%的盐酸溶液:用量筒量取6.7mL盐酸倒入250mL烧杯中,加蒸馏水至盐酸和水的总量为100g,用玻璃棒搅揽拌均匀待用。B.5.4碳水化合物鉴定:按照1:1体积比,量取硫酸铜溶液10mL和碱性酒石酸钾钠溶液10mL,混合均匀,作为碱性酒石酸铜试液待用;称取试样2.5g,置于长颈烧瓶内,加3%的盐酸溶液10mL和蒸馏水70mL,混匀,在沸水浴中加热回流3h,冷却至室温;量取0.5mL本溶液加入配好的碱性酒石酸铜试液中,并放人沸水浴中加热1min~3min。8
结果评定
若出现红色沉淀,则证明样品中有碳水化合物存在。B.7
试验报告
试验报告应包括以下内容:
试验依据本标准的编号(FZ/T15002—2020);试样的详细描述,如产品代号、批号、生产日期等;鉴定碳水化合物的结果;
任何偏离本标准的细节及试验中的异常现象;试验日期与试验者等。
FZ/T15002—2020
小提示:此标准内容仅展示完整标准里的部分截取内容,若需要完整标准请到上方自行免费下载完整标准文档。
中华人民共和国纺织行业标准
FZ/T15002-—2020
代替FZ/T15002—2011
纺织经纱上浆用聚丙烯酸类浆料Polyacrylic sizes used in textile warp sizing2020-12-09 发布
中华人民共和国工业和信息化部2021-04-01实施
本标准按照GB/T1.1一2009给出的规则起草。FZ/T15002—2020
本标准代替FZ/T15002—2011《纺织上浆用聚丙烯酸类浆料》。与FZ/T15002—2011相比,主要技术变化如下:
标准名称调整为《纺织经纱上浆用聚丙烯酸类浆料》;-调整了3.2~3.6的术语和定义;一调整了评等方法,评等分为合格品与不合格品;考核指标合并原一等品、合格品的要求,其中,浆料浆膜吸水率偏差率、碱溶性偏差调整为正负偏差(见表1);
原标准附录B调整为附录D,原标准附录C、附录D调整为附录B、附录C。本标准由中国纺织工业联合会提出。本标准由全国纺织品标准化技术委员会棉纺织品分技术委员会(SAC/TC209/SC10)归口。本标准起草单位:上海新齐力助剂科技有限公司、河南新野纺织股份有限公司、湖北佳特新材料有限公司、湖北顶新环保生物质材料有限公司、宜兴市军达浆料科技有限公司、中国棉纺织行业协会、上海市纺织工业技术监督所。
本标准主要起草人:路彦景、韩锋、赵娜、陈春华、黄年华、范雪荣、王耀、左舒文。本标准所代替标准的历次版本发布情况为:-FZ/T15002—2011。
1范围
纺织经纱上浆用聚丙烯酸类浆料FZ/T15002—2020
本标准规定了纺织经纱上浆用聚丙烯酸类浆料(以下简称聚丙烯酸类浆料)的术语和定义、分类与标记、技术要求、试验方法、检验规则、标志、包装、运输和储存。本标准适用于纺织经纱上浆用的聚丙烯酸类浆料。2规范性引用文件
下列文件对于本文件的应用是必不可少的。凡是注日期的引用文件,仅注日期的版本适用于本文件。凡是不注日期的引用文件,其最新版本(包括所有的修改单)适用于本文件。GB/T5009.1食品卫生检验方法理化部分总则GB/T8170数值修约规则与极限数值的表示和判定GB/T19466.2塑料差示扫描量热法(DSC)第2部分:玻璃化转变温度的测定FZ/T10014
纺织上浆用聚丙烯酸类浆料试验方法pH值测定FZ/T10015
FZ/T10016
FZ/T10017
FZ/T10018
FZ/T10019
FZ/T10020
3术语和定义
纺织上浆用聚丙烯酸类浆料试验方法纺织上浆用聚丙烯酸类浆料试验方法纺织上浆用聚丙烯酸类浆料试验方法纺织上浆用聚丙烯酸类浆料试验方法纺织上浆用聚丙烯酸类浆料试验方法纺织上浆用聚丙烯酸类浆料试验方法玻璃化温度测定
差示扫描量热法(DSC)
不挥发物含量测定
残留单体含量测定
浆膜碱溶性测定
浆膜吸水率测定
黏度测定
GB/T19466.2界定的以及下列术语和定义适用于本文件。3.1
聚丙烯酸类浆料polyacrylic sizes以丙烯酸类为主要单体制备的均聚物、共聚物及其共混物统称为聚丙烯酸类浆料。3.2
involatilesubstance
不挥发物
浆料在规定温度下烘干至恒量后的残留物。3.3
黏度viscosity
浆料的抗流动性。
残留单体
residualmonomer
浆料中未参加聚合反应的剩余单体。1
FZ/T15002—2020
浆膜吸水率waterabsorptionrateofsizingfilm浆膜在一定温度水中浸泡一定时间后,对水侵蚀的耐受能力。3.6
浆膜碱溶性
alkalisolubilityofsizingfilm浆膜在碱性条件下的溶解性能。4分类与标记
4.1分类
聚丙烯酸类浆料按形态可分为液体聚丙烯酸类浆料和固体聚丙烯酸类浆料。4.1.2
聚丙烯酸类浆料按最大用量的单体分为聚丙烯酸(盐)、聚丙烯酰胺、聚丙烯酸酯等。4.2标记
4.2.1本标准的聚丙烯酸类浆料标记为:PAL。对于共聚型聚丙烯酸类浆料,在实施本缩写代号时,按最大用量的单体进行归类;对于共混型聚丙烯酸类浆料,在实施本缩写代号时,按最大组分共聚物或均聚物的代号执行。
聚丙烯酸(盐)类浆料Lpolyacrylicacid(salt)sizes]:PAAS。4.2.2
聚丙烯酰胺类浆料(polyacryamidesizes):PAMS。4.2.3
4.2.4聚丙烯酸酯类浆料(polyacrylatesizes;polyacrylicesters):PALS。5技术要求
5.1考核项目
聚丙烯酸类浆料的质量指标包括不挥发物含量偏差、pH值偏差、残留单体含量、不挥发物中氯5.1.1
化物和硫酸盐含量、浆膜吸水率偏差率、浆膜碱溶性偏差、碳水化合物、尿素、环保要求和外观共十项。聚丙烯酸类浆料的质量指标按批次考核,所有指标都合格,则该批浆料合格,若其中一项不合5.1.2
格,则该批浆料为不合格。
质量要求
聚丙烯酸类浆料的质量指标按表1。表1质量指标
不挥发物含量偏差/%
pH值偏差
残留单体含量/%
不挥发物中氯化物和硫酸盐含量/%浆膜吸水率偏差率/%
浆膜碱溶性偏差/min
按设计规定
按设计规定
按设计规定
按设计规定
碳水化合物
环保要求
聚乙烯醇
固体浆料
液体浆料
表1(续)
注:浆膜吸水率偏差率、浆膜碱溶性偏差仅考核喷水织造上浆用浆料。5.2.2
黏度、玻璃化温度用户需要,可由供需双方另订协议。6试验方法
不挥发物含量试验方法按FZ/T10016执行。6.1
6.2pH值试验方法按FZ/T10014执行。6.3
残留单体含量试验方法按FZ/T10017执行。6.4不挥发物中氯化物和硫酸盐含量试验方法按附录A执行。指
不得检出
不得检出
不得检出
FZ/T15002—2020
均质颗粒或粉末
均质稳定水分散体
浆膜吸水率试验方法按FZ/T10019执行。浆膜吸水率偏差率计算按式(1),计算结果按6.5
GB/T8170修约至一位小数。
2×100
式中:
浆膜吸水率偏差率,%;
浆膜吸水率实测值,%;
浆膜吸水率标准值,%。
浆膜碱溶性试验方法按FZ/T10018执行。碳水化合物试验方法按附录B执行。尿素试验方法按附录C执行。
聚乙烯醇试验方法按附录D执行。....
外观质量检验方法:用洁净烧杯取20g样品,在北向自然光线下,用肉眼观察样品的颜色、状态。黏度试验方法按FZ/T10020执行。玻璃化温度试验方法按FZ/T10015执行。检验规则
分批、取样规定
7.1.1分批规定:产品应按批提交检验,同一生产日期内,经包装出厂的,具有同一批号和同样质量检验报告的聚丙烯酸类浆料视为同一批产品。否则,则按不同批次产品进行取样。7.1.2取样规定:按表2的规定进行。每桶(袋)取样量不少于100g,将试样装人洁净干燥的试剂瓶或试样袋密封。
FZ/T15002—2020
桶(袋)数
取样桶(袋)数
7.2验收
桶(袋)数的100%
表2取样数量
6~49
50~100
桶(袋)数的10%取整数桶(袋)数的平方根取正整数7.2.1聚丙烯酸类浆料的检验应按本标准规定内容进行。7.2.2交货时,供货方根据产品评等检验结果,出具产品检验合格证。需方应对收到的产品及时随机抽取样品,按本标准的规定进行检验。如检验结果与本标准规定不符时,可在收到产品之日起一星期内向供方提出,由供需双方协商解决。7.2.3对产品质量有争议时,可委托双方认可的仲裁检验机构进行复验,并在需方共同取样,以复验结果为最终结果,复验费用由责任方承担。8标志、包装、运输和储存
8.1标志
8.1.1每桶(袋)外应注明:标记、产品名称、牌号、批号、净重、等级、生产企业名称和地址、生产日期。8.1.2每批产品应附质量说明书,包括:产品名称、牌号、批号、等级、净重和件数、产品执行标准、生产企业名称和地址、生产日期、产品保质期、检验责任章等。8.2包装
8.2.1产品的包装应为结实、防潮的袋质或者桶质包装,标签清晰整洁,袋口或者桶口密封,能保证在装卸、运输和贮存过程中无破漏现象。8.2.2袋装或桶装聚丙烯酸类浆料质量50kg及以下,允许公差为士0.3%;50kg以上,允许公差为士0.2%。
8.3运输免费标准bzxz.net
运输时,产品应用篷布遮盖,不得受潮和暴晒。在整个运输过程中,要保持干燥、清洁,不得与有毒、有害、有腐蚀性物品混装、混运,避免日晒和雨淋。装卸时,应轻拿轻放,严禁直接钩、扎包装袋或者桶。8.4储存
产品存放于干燥处,不得露关放置,严禁火种,不得与强氧化剂、酸类、碱类等物质堆放在一起9其他
用户对产品有特殊要求时,可由供需双方另订协议。4
A.1范围
附录A
(规范性附录)
不挥发物中氯化物和硫酸盐含量测定的试验方法本规则规定了浆料不挥发物中氯化物和硫酸盐含量测定的试验方法。A.2
2原理
FZ/T15002—2020
利用硝酸银溶液和氯离子反应生成氯化银沉淀滴定试样中的氯离子,利用氯化钡和硫酸根离子反应生成硫酸钡沉淀滴定试样中的硫酸根离子,测定沉淀物的质量,计算得不挥发物中氯化物和硫酸盐含量,以百分率表示。
3设备和用具
碘量瓶:250mL。
A.3.2容量瓶:1000mL。
A.3.3酸式滴定管:50mL。
A.3.4移液管:25mL。
天平:称量范围100g以上,分度值为0.0001g。A.3.5
A.3.6瓷锅:50mL。
电炉:1500W。
箱式电阻炉:可控温度为800℃士25℃。试剂准备
硝酸银(A.R.级)。
铬酸钾(A.R.级)。
A.4.3盐酸(A.R.级)。
A.4.4氯化钡(A.R.级)。
一次蒸馅水。
操作程序
不挥发物中氯化物含量的测定
A.5.1.1制备0.1mol/L的硝酸银标准溶液:按GB/T5009.1执行并标定。A.5.1.2
制备5%铬酸钾溶液:称取5g铬酸钾,加蒸馏水至总量100g,搅拌溶解备用。不挥发物中氯化物含量的测定:称取2g试样(准确至0.0002g),用50mL蒸馏水溶解后转A.5.1.3
人250mL碘量瓶中;加入1mL5%铬酸钾溶液,在不断摇动下,用硝酸银标准溶液滴定至溶液呈现砖5
FZ/T15002—2020
红色即为终点。
A.5.1.4对同一试样进行平行试验。A.5.2不挥发物中硫酸盐含量的测定A.5.2.1提取灰分:称取10g试样(准确至0.0001g),置于预先800℃士25℃恒量过的瓷锅(两次灼烧后的称量偏差在士0.0003g范围内)中,在电炉上烧干并灰化,再在800℃士25℃下灼烧至恒量(两次灼烧后的称重偏差在士0.0003g范围内)。A.5.2.2沉淀硫酸根离子:向灼烧至恒量(两次灼烧后的称重偏差在士0.0003g范围内)的灰分中加人10mL蒸馏水,再加10mL0.05mol/L的盐酸,加热(40℃~50℃)至充分溶解,边搅拌边滴加10mL122g/L的氯化溶液,在1.5min内加人完毕;用直径为90mm的慢速定量滤纸过滤,用40℃~50℃蒸馏水洗涤沉淀至无氯离子为止(取10mL洗涤液,加10mL5g/L的硝酸银溶液,放置5min,不产生浑浊)。
称量硫酸钡沉淀:将附有沉淀物的滤纸转移至预先已800℃士25℃恒量过的瓷锅(两次灼A.5.2.3
烧后的称量偏差在士0.0003g范围内)中,在电炉上灰化,再在800℃士25℃下灼烧至恒量(两次灼烧后的称量偏差在士0.0003g范围内)并称量(精确至0.0001g)。A.5.2.4对同一试样进行平行试验。A.6结果计算和表示
A.6.1不挥发物中氯化物含量的计算和表示A.6.1.1不挥发物中氯化物含量(以氯化钠计)计算按式(A.1),计算结果按GB/T8170修约至小数点后二位。
A.6.1.2当平行试验结果的不挥发物中氯化物含量相差≤0.1%时,不挥发物中氯化物含量取平行试验的算术平均值为试验结果。
A.6.1.3当平行试验结果的不挥发物中氯化物含量相差>0.1%时,则按A.5.1.1~A.5.1.4操作程序进行第二组平行试验。
A.6.1.4当第二组平行试验结果的不挥发物中氯化物含量相差≤0.1%时,不挥发物中氯化物含量取第二组平行试验的算术平均值为试验结果。A.6.1.5当第二组平行试验结果的不挥发物中氯化物含量相差>0.1%时,不挥发物中氯化物含量值取二组平行试验的算术平均值为试验结果,并在报告中注明情况。_V×c×0.05844x
式中:
试样不挥发物中氯化钠的含量,%;x100
试样消耗硝酸银标准溶液体积,单位为毫升(mL):硝酸银标准溶液的浓度,单位为摩尔每升(mol/L)0.05844——与1mL1.0mol/L硝酸银标准溶液所相当的氯化钠的克数;m
氯化物含量测定的试样质量,单位为克(g);—一试样中不挥发物含量,%。
A.6.2不挥发物中硫酸盐含量的计算和表示..(A.1)
A.6.2.1不挥发物中硫酸盐的含量(以硫酸钠计)计算按式(A.2),计算结果按GB/T8170修约至小数点后二位。
FZ/T15002—2020
A.6.2.2当平行试验结果的不挥发物中硫酸盐含量相差≤0.2%时,不挥发物中硫酸盐含量取平行试验的算术平均值为试验结果。
A.6.2.3当平行试验结果的不挥发物中硫酸盐含量相差>0.2%时,则按A.5.2.1~A.5.2.4操作程序进行第二组平行试验。
A.6.2.4当第二组平行试验结果的不挥发物中硫酸盐含量相差≤0.2%时,不挥发物中硫酸盐含量取第二组平行试验的算术平均值为试验结果。A.6.2.5当第二组平行试验结果的不挥发物中硫酸盐含量相差>0.2%时,不挥发物中硫酸盐的含量值取二组平行试验的算术平均值为试验结果,并在报告中注明情况。0.6086Xml
m。xx
式中:
试样不挥发物中硫酸钠的含量,%;硫酸钡换算成硫酸钠的系数;
硫酸钡质量,单位为克(g);
硫酸盐含量测定的试样质量,单位为克(g);试样中不挥发物含量,%。
3不挥发物中氯化物和硫酸盐的计算A.6.3
不挥发物中氯化物和硫酸盐含量计算按式(A.3),计算结果按GB/T8170修约至小数点后一位。X,=X,+X2
式中:
X3—试样不挥发物中氯化物和硫酸盐的含量,%。A.7试验报告
试验报告应包括以下内容:
试验依据本标准的编号(FZ/T15002—2020);a
试样的详细描述,如产品代号、批号、生产目期等:c
试验不挥发物中氯化物和硫酸盐含量的原始数据,测定结果;d)
任何偏离本标准的细节及试验中的异常现象;e)
试验日期与试验者等。
(A.3)
FZ/T15002—2020
B.1范围
附录B
(规范性附录)
碳水化合物鉴定的试验方法
本规则规定了浆料中碳水化合物鉴定的试验方法。B.2
利用铜离子和碳水化合物中的醛基反应生成红色亚铜化合物沉淀,判断试样中碳水化合物的存在。B.3
设备和用具
容量瓶:500mL。
长颈烧瓶:250mL。
B.3.3天平:称量范围在100g以上,分度值为0.01g。B.3.4
量筒:10mL。
烧杯:250mL。
试剂准备
五水硫酸铜(A.R.级)。
酒石酸钾钠(A.R.级)。
氢氧化钠(A.R.级)。
盐酸(A.R.级)。
5一次蒸馏水。
5操作程序
配制硫酸铜溶液:称取无粉化痕迹的五水硫酸铜小结晶34.66g,用蒸馏水溶解,定容至500mL,B.5.1
贮存于密闭容器中。
B.5.2配制碱性酒石酸钾钠溶液:称取酒石酸钾钠结晶173g和氢氧化钠50g,用蒸馏水溶解,定容至500mL,贮存于耐碱的容器中。
B.5.3配制3%的盐酸溶液:用量筒量取6.7mL盐酸倒入250mL烧杯中,加蒸馏水至盐酸和水的总量为100g,用玻璃棒搅揽拌均匀待用。B.5.4碳水化合物鉴定:按照1:1体积比,量取硫酸铜溶液10mL和碱性酒石酸钾钠溶液10mL,混合均匀,作为碱性酒石酸铜试液待用;称取试样2.5g,置于长颈烧瓶内,加3%的盐酸溶液10mL和蒸馏水70mL,混匀,在沸水浴中加热回流3h,冷却至室温;量取0.5mL本溶液加入配好的碱性酒石酸铜试液中,并放人沸水浴中加热1min~3min。8
结果评定
若出现红色沉淀,则证明样品中有碳水化合物存在。B.7
试验报告
试验报告应包括以下内容:
试验依据本标准的编号(FZ/T15002—2020);试样的详细描述,如产品代号、批号、生产日期等;鉴定碳水化合物的结果;
任何偏离本标准的细节及试验中的异常现象;试验日期与试验者等。
FZ/T15002—2020
小提示:此标准内容仅展示完整标准里的部分截取内容,若需要完整标准请到上方自行免费下载完整标准文档。

标准图片预览:





- 其它标准
- 热门标准
- 其他行业标准
- QJMS0005S-2016 焦作市米奇食品饮料有限公司 果汁饮料
- YS/T254.7-2011 铍精矿、绿柱石化学分析方法 第7部分:水分量的测定 重量法
- QX/T170-2012 台风灾害影响评估技术规范
- HG/T4670-2014 改性塑料用阻燃剂黑点和异色点的测定
- QB/T2025-2013 平版印铁油墨
- YS/T358.1-2011 钽铁、铌铁精矿化学分析方法 第1部分:钽、铌量的测定 纸上色层重量法
- 沪S/T306-2000 上海市建筑产品推荐性通用图集 44 SHF管道吊挂系统安装图
- Q/GDW1876—2013 多功能测控装置技术规范
- QB/T4646-2014 丁酸二甲基苄基原酯
- JB/T9426.1-2011 电影摄影物镜 第1部分:定焦距和变焦距电影摄影物镜
- JB/T11234-2011 无损检测仪器 工业软X射线探伤机
- 04SG309 钢筋焊接网混凝土楼板与剪力墙构造
- QJJH0006S-2016 焦作市健国怀药有限公司 怀山药粉制品
- QMYJHZ0001-2016 建宏中天(北京)农业科技有限公司 混合果粒
- QX/T556-2020 飞机人工增雨(雪)作业流程
- 行业新闻
请牢记:“bzxz.net”即是“标准下载”四个汉字汉语拼音首字母与国际顶级域名“.net”的组合。 ©2009 标准下载网 www.bzxz.net 本站邮件:bzxznet@163.com
网站备案号:湘ICP备2023016450号-1
网站备案号:湘ICP备2023016450号-1