- 您的位置:
- 标准下载网 >>
- 标准分类 >>
- 其他行业标准 >>
- YS/T 119.12-2010氧化铝生产专用设备 热平衡测定与计算方法 第12部分:间接加热脱硅系统
【其他行业标准】 氧化铝生产专用设备 热平衡测定与计算方法 第12部分:间接加热脱硅系统
- YS/T119.12-2010
- 现行
- 点击下载此标准
标准号:
YS/T 119.12-2010
标准名称:
氧化铝生产专用设备 热平衡测定与计算方法 第12部分:间接加热脱硅系统
标准类别:
其他行业标准
英文名称:
Determination and calculation of heat balance of special equipments for alumina production—Part 12:Indirect heating desiliconizing system标准状态:
现行-
发布日期:
2010-11-22 -
实施日期:
2011-03-01 出版语种:
简体中文下载格式:
.pdf .zip
点击下载
标准简介:
本标准规定了氧化铝生产间接加热脱硅系统热平衡测定的原理、仪器要求、测试条件、方法步骤及测试报告等。
YS/T119《氧化铝生产专用设备 热平衡测定与计算方法》共有12部分:
———第1部分:熟料回转窑系统;
———第2部分:焙烧回转窑系统;
———第3部分:竖式石灰炉;
———第4部分:高压溶出器系统;
———第5部分:蒸发器;
———第6部分:脱硅系统;
———第7部分:管道化熔出系统;
———第8部分:气态悬浮焙烧系统;
———第9部分:流态化焙烧炉系统;
———第10部分:板式降膜蒸发器系统;
———第11部分:单套管预热-高压釜溶出系统;
———第12部分:间接加热脱硅系统。
本部分为YS/T119的第12部分。
本部分按照GB/T1.1—2009给出的规则起草。
本标准由全国有色金属标准化技术委员会(SAC/TC243)归口。
本部分由中国铝业股份有限公司河南分公司起草。
本部分由中国铝业股份有限公司山东分公司、中国铝业股份有限公司贵州分公司、中国铝业股份有限公司广西分公司参加起草。
本部分主要起草人:闫晋钢、张虎、马治强、杨增平、管督、罗梅。
部分标准内容:
中华人民共和国有色金属行业标准YS/T119.12—2010
氧化铝生产专用设备
热平衡测定与计算方法
第12部分:间接加热脱硅系统
Determination and calculation of heat balance ofspecial equipments for alumina production-Part 12:Indircct heating desiliconizing system2010-11-22发布
中华人民共和国工业和信息化部tps:/www.doc88.com/p-5975003910210.html?s=rel&id=1发布
2011-03-01实施
YS/T119《氧化铝生产专用设备热平衡测定与计算方法》共有12部分:第1部分:熟料回转密系统;
第2部分:焙烧回转窑系统;
第3部分:竖式石灰炉;
第4部分:高压溶出器系统;
第5部分:蒸发器;
第6部分:脱硅系统;
第7部分:管道化熔出系统;
第8部分:气态悬浮焙烧系统;
第9部分:流态化焙烧炉系统;
第10部分:板式降膜蒸发器系统;第11部分:单套管预热-高压釜溶出系统;第12部分:间接加热脱硅系统。本部分为YS/T119的第12部分。
本部分按照GB/T1.1一2009给出的规则起草。本标准由全国有色金属标准化技术委员会(SAC/TC243)归口。本部分由中国铝业股份有限公司河南分公司起草。YS/T 119.12—2010
本部分由中国铝业股份有限公司山东分公司、中国铝业股份有限公司贵州分公司、中国铝业股份有限公司广西分公司参加起草。
本部分主要起草人:闫晋钢、张虎、马治强、杨增平、管督、罗梅。氧化铝生产专用设备
热平衡测定与计算方法
第12部分:间接加热脱硅系统
YS/T119.12—2010
警告一使用本标准的人员应有现场测定工作的实践经验。本标准并未指出所有可能的安全问题。使用者有责任采取适当的安全和健康措施,并保证符合国家有关法规规定的条件。警告一现场测定时要求带安全帽、眼镜及乳胶手套等劳保用品。取样时需加小心。1范围
YS/T119的本部分规定了氧化铝生产(包括烧结法和联合法)粗液间接加热脱硅系统的热平衡测定与计算基准、测定条件、测定项目及测定计算方法。本部分适用于氧化铝生产蒸汽间接加热连续脱硅系统的热平衡测定和计算。2热平衡测定与计算基准
2.1基准温度
基准温度采用0℃。
2.2基准压力
基准压力采用101325Pa。
2.3蒸汽热烩的单位换算
卡与焦耳的换算,采用1Cal=4.1868J。2.4计算单位
物料平衡与热平衡均以1m3脱硅原液为基准计算。2.5热平衡测定范围与计算体系
热平衡测定范围与计算体系包括:多级预热器、脱硅机、自蒸发器、冷凝水、保温罐、缓冲槽及其管路。
3设备状况及流程
3.1测试报告中设备状况的内容
3.1.1写明设备的新旧程度、特点及存在问题,以及建成投产或上次大修后投产日期。3.1.2生产及设备概况
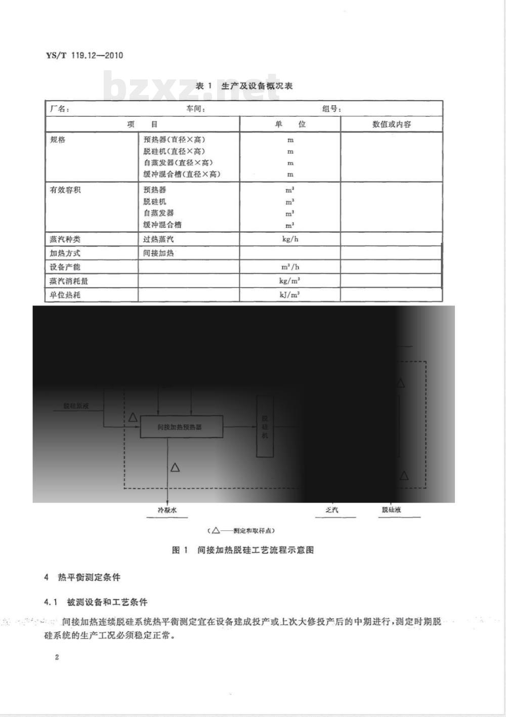
生产及设备概况填写测试前三个月内的某月平均值,内容及报告格式见表1。1
YS/T119.12-2010
厂名:
有效容积
蒸汽种类
加热方式
设备产能
蒸汽消耗量
单位热耗
脱硅原液
4热平衡测定条件
表1生产及设备概况表
车间:
预热器(直径X高)
脱硅机(直径X高)
自蒸发器(直径X高)
缓冲混合槽(直径×高)
预热器
脱硅机
自蒸发器
缓冲混合槽
过热蒸汽
间接加热
间接加热预热器
冷凝水
剩定和取样点)
间接加热脱硅工艺流程示意图
4.1被测设备和工艺条件
组号:
数值或内容
脱硅液
间接加热连续脱硅系统热平衡测定宜在设备建成投产或上次大修投产后的中期进行,测定时期脱硅系统的生产工况必须稳定正常。2
4.2时间要求
测定的时间不能小于一个连续工班,测定次数不少于三个班次。4.3测定仪器仪表及计量器具
测定所用仪器仪表及计量器具应在检定周期内。5测定项目和方法
间接加热脱硅系统测定项目和方法以及报告格式见表2。表2
蒸汽量
燕汽压力
蒸汽温度
原液量
原液固体含量
原液温度
溶液密度
固体密度
溶液比热
固体比热
Naz Oc
总Naz
(kg·℃)
(kg·c)
测定项目和方法
测点位置
进间接加
热盘管前
蒸汽流量
蒸汽流量
进间接加
热盘管前
进间接加
热盘管前
进间接加
热盘管前
进间接加
热盘管前
进间接加
热盘管前
进间接加
热盘管前
进间接加
热盘管前
进间接加
热盘管前
进间接加
热盘管前
测定仪器
与方法
蒸汽流量表
累积数
蒸汽压力计
测温仪表
流量计
取样实测
取样实测
现场实测或在
室温下测定
取样实测或
取值2500
计算或查表
实测或取值
化学分析
化学分析
测定额率
1h测定1次或
8h累积
1h测定1次
1h测定1次
1h测定1次
或8h累积
2h测定1次
2h测定1次
2h测定1次
取班平均样品
进行实测
取2h样分析结
果的平均值计算
实测时取测定时
期的综合样品
2h测定1次
2h取样1次
组成斑样
YS/T119.12—2010
取值原则
算术平均值
算术平均值
算术平均值
算术平均值
算术平均值
算术平均值
算术平均值
算术平均值
算术平均值
算术平均值
算术平均值
算术平均值
YS/T119.12—2010
乏汽温度
乏汽压力
出料温度
总Naz0
Na2 Oc
溶液密度
溶液比热
固体密度
固体比热
乏汽压力
出料温度
总Naz0
溶液密度
溶液比热
固体密度
固体比热
(kg·℃)
(kg·℃)
(kg·℃)
(kg·℃)
表2(续)
测点位置
自蒸发器
自蒸发器
出料管路
出料管路
出料管路
出料管路
出料管路
出料管路
出料管路
自蒸发器
出料管路免费标准下载网bzxz
出料管路
出料管路
出料管路
出料管路
出料管路
出料管路
测定仪器
与方法
测温仪表
压力计
测温仪表
化学分析
化学分析
现场实测或在
室温下测定
计算或查表
取样实测或
取值2500
实测或
取值0.96
压力计
测温仪表
化学分析
化学分析
现场实测或在
室温下测定
计算或查表
取样实测或
取值2500
实测或取值:
测定频率
1h测定1次
1h测定1次
2h记录1次
2h取样1次
组成班样
2h测定1次
2h测定1次
取2h样分析结
果的平均值计算
取班平均样品
进行实测
取2h样分析结
果的平均值计算
1h测定1次
2h测定1次
2h取样1次
组成班样
2h测定1次
2h测定1次
取2h样分析结
果的平均值计算
取班平均样
品进行实测
取2.h样分析结
果的平均值计算
取值原则
算术平均值
算术平均值
算术平均值
算术平均值
算术平均值
算术平均值
算术平均值
算术平均值
算术平均值
算术平均值
算术平均值
算术平均值
算术平均值
算术平均值
算术平均值
算术平均值
算术平均值
冷凝水汽
乏汽压力
出料温度
总Naz0
溶液密度
溶液比热
固体密度
固体比热
乏汽压力
出料温度(精液)
总Nao
Naz Oc
固体密度
固体比热
溶液密度
溶液比热
(kg·℃)
(kg·℃)
(kg·℃)
(kg·℃)
表2(续)
测点位置
自蒸发器
出料管路
出料管路
出料管路
出料管路
出料管路
出料管路
出料管路
间接加热
盘管冷凝
器出水管
缓冲槽顶部
出料管路
出料管路
出料管路
出料管路
出料管路
出料管路
出料管路
测定仪器
与方法
压力计
测温仪表
化学分析
化学分析
现场实测或在
室温下测定
计算或查表
取样实测或
取值2500
实测或取值
流量计
测温仪表
压力计
压力计
测温仪表
化学分析
化学分析
取样实测或
取值2500
实测或取值
现场取样在
室温下测定
计算或查表
测定频率
1h测定1次
2h测定1次
2h取样1次
组成班样
2h测定1次
2h测定1次
取2h样分析结
果的平均值计算
取班平均样
品进行实测
取2h样分析结
果的平均值计算
2h测定1次
1h测定1次
1h测定1次
1h测定1次
2h测定1次
2h取样1次
组成班样
2h测定1次
取班平均样
品进行实测
取2h样分析结
果的平均值计算
2h测定1次
取2h样分析结
果的平均值计算
YS/T119.122010
取值原则
算术平均值
算术平均值
算术平均值
算术平均值
算术平均值
算术平均值
算术平均值
算术平均值
算术平均值
算术平均值
算术平均值
算术平均值
算术平均值
算术平均值
算术平均值
算术平均值
YS/T119.12—2010
表面温度
环境温度
环境风速
散热面积
散热量
6物料平衡计算
表2(续)
测点位置
各设备及
管路表面,
2m一测点
分别测定
对应表面温
度测点,在
距设备或
管路1.0m
处同时测定
对应表面温
度测点,在
距设备或
管路1.0m
处同时进行
物料平衡计算表及报告格式见表3。6.1
测定仪器
与方法
红外测温仪
水银温度计
风速仪
实测或据图
Q-Zq:F
物料平衡计算表
物料收人
原液量:
其中:固体量
溶液量
新燕汽量
石灰乳量
其中:固体量
附液量
测定额率
4h测定1次
4h测定1次
4h测定1次
依据或算式
M=M,+M,
M实测
M-(1-)e
Mz-M..10°/V,
M,=M;+M
M,-V.:M./V
取值原则
设备及管路分
别进行计算,
取算术平均值
算术平均值
算术平均值
物料支出
脱硅浆液量
其中,固体量
溶液册
蒸汽冷凝水量
第二自蒸发乏汽量
第三自蒸发乏汽量
缓冲混合槽乏汽量
物料平衡表及报告格式见表4。
脱硅原液量
新蒸汽册
石灰乳量
表3(续)
依据或
M=M,+M+M,
M'=M+M
M-M,+M,-M'-M'-M-M
见附录A2
见附录A.3
YS/T119.12—2010
AM=EM-M-
M,'-M'-M'-Ms'
ZM=M'+M'+M+M'+M'+AM
表4物料平衡表
脱硅浆液量
冷凝水汽量
N级自蒸发器乏汽量
缓冲混合槽乏汽量
物料平衡允许相对误差为5%,即:1△M/ZMI×100%≤5%。7热平衡计算
7.1热平衡计算表
热平衡计算表及报告格式见表5。出
YS/T119.12—2010
热收入
新蒸汽供热
新蒸汽热焙
脱硅原液带人物理热
其中:固体物理热
溶液物理热
石灰乳物理热
其中:固体物理热
溶液物理热
热支出
脱硅浆液带走热
其中:固体带走热
溶液带走热
脱硅过程化学反应热
第二级自蒸发器乏汽带
乏汽热焙
缓冲混合槽乏汽带走热
乏汽热焙
蒸汽冷凝水汽带走热
第一级自蒸发器乏汽
乏汽热焙
出预热器脱硅浆液所带
预热器及第一级自蒸发
器乏汽管路表面散热
设备及管路的表面散热
i部设备及管路的平均表
面热流
i部设备及管路的散热
热平衡计算表
kJ/(m·h)
或算式
Q=M·h
据新蒸汽温度。和压力查表
Q=Q,+Q;
Q,-M,C,t,
Q,=M,·C, ·t,
Q:=Q+Q:
ZQ=Q+Q+Q:
Q=M·C·t
Q-M·Cl·t
取值为0(见附录A.6)
Q'=M'·h2\
Q=Q:+Q*-Q-Q
Qi'=M'·h”
Q=(M,.C+M,·C)t
Q=Q·F./N,
详见附录A.5
Q'=Zqi·F/N,
见附录A.5
4Q=2Q-Q+Q+Q+Q+Q:+Q)
2Q=4Q+Q+Q+Q+Q+Q+Q
7.2热平衡表
热平衡表及报告格式见表6。
新蒸汽供热
脱硅原液物理热
石灰乳物理热
热平衡允许误差
表6热平衡表
脱硅浆液带走热
脱硅过程化学反应热
YS/T119.12—2010
第二级自蒸发器乏汽带走热
缓冲混合槽乏汽带走热
冷凝水汽带走热
设备及管路表面散热损失
热平衡允许相对误差为士5%,即:1△Q/2Q/×100%<5%。8热效率及主要技术指标
8.1脱硅机系统热效率
脱硅机系统热效率n,按公式(1)计算:m
式中:
Q-Q2×100%
Q脱硅浆液带走热,单位为千焦每立方米(kJ/m);Q2
脱硅原液带人物理热,单位为千焦每立方米(kJ/m);—新蒸汽供热,单位为千焦每立方米(kJ/m\)。Q
8.2预热器热回收率
预热器热回收率7.按公式(2)计算:Q.-Q2×100%
式中:
Q。——出预热器脱硅浆液所带走热,单位为千焦每吨(kJ/t);Qi-
第一级自蒸发器乏汽带走热,单位为千焦每吨(kI/t);脱硅原液物理热,单位为千焦每吨(kJ/t)。8.3系统乏汽总热量利用率
系统乏汽总热量利用率按公式(3)计算:%
.(1)
小提示:此标准内容仅展示完整标准里的部分截取内容,若需要完整标准请到上方自行免费下载完整标准文档。
标准图片预览:





- 其它标准
- 上一篇: YS/T 52-1992轧机油膜轴承术语
- 下一篇: YS/T 851-2012铝熔体在线连续除气装置
- 热门标准
- 其他行业标准
- FZ/T54087-2016 粘合活化型涤纶工业长丝
- FZ/T54088-2016 锦纶6全牵伸单丝
- FZ/T54089-2016 有色锦纶6弹力丝
- FZ/T92036-2017 弹簧加压摇架
- YS/T433-2016 银精矿
- FZ/T54082-2015 锦纶6膨体长丝(BCF)
- FZ/T62036-2017 乳胶枕、垫
- QB/T4698-2014 家用和类似用途软水机
- QB/T4207-2011 一字槽螺钉旋具头
- FZ/T61002-2019 化纤仿毛毛毯
- JB/T4212.6-2014 内六角圆柱头螺钉冷镦模 第6部分:凹模
- NB/T31048.1-2014 风力发电机用绕组线 第1部分 一般规定
- T/CMAJY047-2021 加油机在线监督管理规范
- FZ/T73022-2019 针织保暖内衣
- QB/T1999-1994 密胺塑料餐具
- 行业新闻
网站备案号:湘ICP备2025141790号-2