- 您的位置:
- 标准下载网 >>
- 标准分类 >>
- 其他行业标准 >>
- FZ/T 14017-2018锦纶印染布
标准号:
FZ/T 14017-2018
标准名称:
锦纶印染布
标准类别:
其他行业标准
英文名称:
Printed and dyed polyamide fabric标准状态:
现行-
发布日期:
2018-04-30 -
实施日期:
2018-09-01 出版语种:
简体中文下载格式:
.pdf .zip
标准ICS号:
纺织和皮革技术>>纺织产品>>59.080.30纺织物中标分类号:
纺织>>印染制品>>W71棉与棉混纺织物印染品
替代情况:
替代FZ/T 14017-2009
点击下载
标准简介:
本标准规定了锦纶印染布的术语和定义、分类、要求、试验和检验方法、检验规则、标志和包装。本标准适用于以锦纶6或锦纶66长丝为原料,机织生产的各类染色、印花锦纶印染布。
部分标准内容:
ICS59.080.30
中华人民共和国纺织行业标准
FZ/T14017—2018
代替FZ/T14017—2009
锦纶印染布
Printedanddyedpolyamidefabric2018-04-30发布
中华人民共和国工业和信息化部发布
2018-09-01实施
本标准按照GB/T1.1一2009给出的规则起草。FZ/T14017-—2018
本标准代替FZ/T14017—2009《锦纶印染布》,与FZ/T14017—2009相比主要技术变化如下:适用范围删除了用途的要求,补充以锦纶长丝为原料,同时对标准定义作了相应调整;密度偏差、质量偏差项目名称调整为密度偏差率、单位面积质量偏差率,调整了断裂强力、撕破强力考核指标,水洗尺寸变化率将优等品、一等品分指标考核,增设了耐热压色牢度考核项目;局部性疵点允许评分数规定分二档考核;调整幅宽偏差指标,提升色差要求,将条格歪斜、纬斜与歪斜、纬斜分档考核:试验方法增加了密度偏差率、单位面积质量偏差率计算公式。本标准由中国纺织工业联合会提出。本标准由全国纺织品标准化技术委员会印染制品分技术委员会(SAC/TC209/SC11)归口。本标准起草单位:吴江福华织造有限公司、福建华锦实业有限公司、浙江金三发新材科技有限公司、中国印染行业协会、上海市纺织工业技术监督所。本标准主要起草人:肖燕、施清岛、张俊峰、严华荣、林琳、张宝庆、本标准所代替标准的历次版本发布情况为:FZ/T14017—2009。
1范围
锦纶印染布
FZ/T14017—2018
本标准规定了锦纶印染布的术语和定义、分类、要求、试验和检验方法、检验规则、标志和包装。本标准适用于以锦纶6或锦纶66长丝为原料,机织生产的各类染色、印花锦纶印染布。2规范性引用文件
下列文件对于本文件的应用是必不可少的。凡是注日期的引用文件,仅注日期的版本适用于本文件。凡是不注日期的引用文件,其最新版本(包括所有的修改单)适用于本文件。GB/T250
GB/T251
色牢度试验评定变色用灰色样卡纺织品
纺织品
色牢度试验评定沾色用灰色样卡GB/T406—2008
棉本色布
GB/T411
棉印染布
GB/T3917.1
GB/T3920
纺织品
纺织品
GB/T3921—2008
GB/T3922—2013
GB/T3923.1
GB/T4666
GB/T4668
织物撕破性能
第1部分:冲击摆锤法撕破强力的测定耐摩擦色牢度
色牢度试验
纺织品
纺织品
纺织品
色牢度试验
色牢度试验
耐皂洗色牢度
耐汗渍色牢度
织物拉伸性能第1部分:断裂强力和断裂伸长率的测定(条样法)纺织品
织物长度和幅宽的测定
机织物密度的测定
GB/T4669—2008
纺织品
单位长度质量和单位面积质量的测定机织物
GB/T4841.3
GB/T6152
GB/T8170
GB/T8427-
GB/T8628
染料染色标准深度色卡2/1、1/3、1/6、1/12、1/25-1997
纺织品
色牢度试验
耐热压色牢度
数值修约规则与极限数值的表示和判定2008
纺织品
色牢度试验耐人造光色牢度:氙弧测定尺寸变化的试验中织物试样和服装的准备、标记及测量纺织品
GB/T8629—2001
纺织品试验用家庭洗涤和干燥程序GB/T8630
GB/T14801
GB18401
GB31701
纺织品洗涤和干燥后尺寸变化的测定机织物与针织物纬斜和弓纬试验方法国家纺织产品基本安全技术规范婴幼儿及儿童纺织产品安全技术规范FZ/T10005
FZ/T10010
3术语和定义
棉及化纤纯纺、混纺印染布检验规则棉及化纤纯纺、混纺印染布标志与包装GB/T411界定的以及下列术语和定义适用于本文件。3.1
5printedanddyedpolyamidefabric锦纶印染布
经、纬向均使用锦纶6或锦纶66长丝织造,经染整加工的机织物。1
FZ/T14017—2018
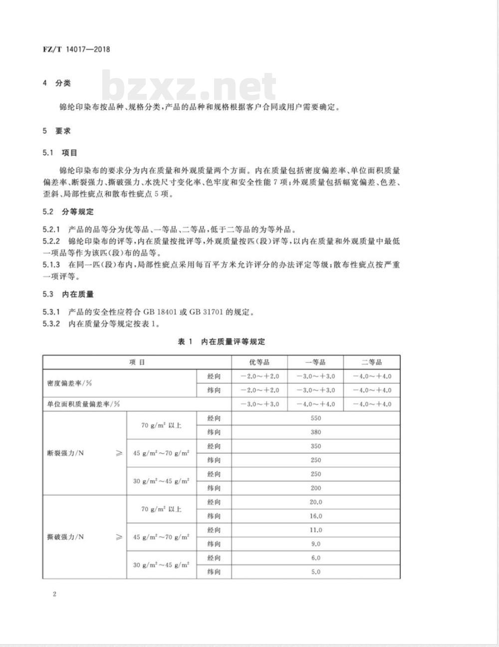
4分类
锦纶印染布按品种、规格分类,产品的品种和规格根据客户合同或用户需要确定。5要求
锦纶印染布的要求分为内在质量和外观质量两个方面。内在质量包括密度偏差率、单位面积质量偏差率、断裂强力、撕破强力、水洗尺寸变化率、色牢度和安全性能7项;外观质量包括幅宽偏差、色差、歪斜、局部性疵点和散布性疵点5项。5.2
分等规定
5.2.1产品的品等分为优等品、一等品、二等品,低于二等品的为等外品。5.2.2锦纶印染布的评等,内在质量按批评等,外观质量按匹(段)评等,以内在质量和外观质量中最低一项品等作为该匹(段)布的品等5.1.3在同一匹(段)布内,局部性疵点采用每百平方米允许评分的办法评定等级;散布性疵点按严重一项评等。
内在质量
产品的安全性应符合GB18401或GB31701的规定。内在质量分等规定按表1。
密度偏差率/%
单位面积质量偏差率/%
70g/m2以上
断裂强力/N免费标准bzxz.net
撕破强力/N
45g/m~70g/m
30g/m2~45g/m2
70g/m2以上
45g/m2~70g/m2
30g/m2~45g/m2
内在质量评等规定
优等品
-2.0~+2.0
-2.0~+2.0
—3.0~+3.0
一等品
-3.0~+3.0
-3.0~+3.0
-4.0~+4.0
二等品
-4.0~+4.0
-4.0~+4.0
-4.0~+4.0
水洗尺寸变化率/%
色牢度/级
耐皂洗
耐摩擦
耐汗渍
耐热压
表1(续)
优等品
-2.0~+1.0
一等品
FZ/T14017—2018
三等品
-2.5~+1.5
注1:单位面积质量在30g/m及以下的断裂强力、撕破强力按供需双方协商确定。注2:耐光色牢度有特殊要求的,按供需双方协商确定。耐湿摩色牢度深色一等品可降半级。3.0~+2.0
-3.0~+2.0
深、浅色程度按照GB/T4841.3规定,颜色大于1/12染料染色标准深度为深色,颜色小于或等于1/12染料染色标准深度为浅色。
外观质量
外观质量要求
幅宽偏差、色差、歪斜
幅宽偏差、色差、歪斜评等规定按表2。表2
疵点名称和类别
幅宽偏差\/cm
漂色布
色差/级
歪斜/%
左中右
幅宽偏差、色差、歪斜评等规定优等品
-1.0~+2.0
同类布样
参考样
同类布样
参考样
漂色布
花斜或纬斜
条格花斜或纬斜
注:歪斜以花斜或纬斜、条格花斜或纬斜中严重的一项考核。印花布幅宽负偏差不超过一1.0cm。4-5
一等品
-2.0~+3.0
三等品
FZ/T14017—2018
局部性疵点
5.4.1.2.1
5.4.1.2.1.1
局部性症点允许评分数的规定
每匹(段)布的局部性疵点允许评分数规定按表3。表3局部性疵点允许评分数规定
锦纶长丝线密度/dtex
优等品
锦纶长丝线密度按经向或纬向最小线密度执行。5.4.1.2.1.2
式中:
5.4.1.2.2
5.4.1.2.2.1
一等品
单位为分每百平方米
二等品
每匹(段)布的局部性疵点允许总评分按式(1):计算结果按GB/T8170修约至个位数A=(a×L×W)/100
每匹(段)布的局部性疵点允许总评分,单位为分;每百平方米允许评分数,单位为分每百平方米(分/100m);匹(段)长,单位为米(m);
幅宽,单位为米(m)。
局部性疵点评分规定
局部性疵点评分规定按表4。
症点长度
疵点在8.0cm及以下
疵点在8.0cm以上~16.0cm及以下疵点在16.0cm以上~24.0cm及以下疵点在24.0cm以上
局部性疵点评分规定
注:布面疵点具体内容见GB/T406一2008附录B,症点名称说明见GB/T406一2008附录C5.4.1.2.2.2
1m评分不得超过4分。
.(1)
所有破洞(断纱3根及以上,或者经纬各断1根且明显的)不论大小,均评4分;距边2.0cm5.4.1.2.2.3
及以内的破损性疵点评2分。
难以数清、不易量计的分散斑渍,根据其分散的最大长度和宽度,参照表4分别量计、累计5.4.1.2.2.4
评分。
5.4.1.2.3
局部性疵点评分说明
5.4.1.2.3.1
5.4.1.2.3.2
5.4.1.2.3.3
症点长度按经向或纬向的最大长度量计。除破损和边疵外,距边1.0cm及以内的其他症点不评分评定布面疵点时,均以布匹正面为准,反面有通匹、散布性的严重疵点时应降一个等级,散布性疵点允许程度规定
散布性疵点评等规定按表5。
疵点名称和类别
花纹不符、染色不匀
深浅细点
注1:花纹不符以用户确认样为准。表5
5散布性疵点评等规定
优等品
不影响外观
不影响外观
不影响外观
注2:印花布的布面症疵点根据对总体效果的影响程度评定。5.4.2
优等品症点说明
优等品不允许有下列疵点:
单独一处评4分的局部性症疵点;破损性症点。
一等品破损性疵点说明
一等品不允许有破损性疵点。
假开剪和拼件的规定
5.5.1在优等品中不允许假开剪。一等品
不影响外观
不影响外观
不影响外观
FZ/T14017—2018
二等品
影响外观
影响外观
影响外观
5.5.2假开剪的症点应是评为4分的疵点或3分的严重症点,假开剪后各段布都应是一等品。5.5.3凡用户允许假开剪或拼件的,可实行假开剪或拼件。距布端5m以内及长度在30m以下不允许假开剪,最低拼件长度不低于10m;假开剪按60m不允许超过2处,长度每增加30m,假开剪可相应增加1处。
5.5.4假开剪和拼件率合计不允许超过20%,其中拼件率不得超过10%。假开剪位置应作明显标记,附假开剪段长记录单。5.5.5
试验和检验方法
试验方法
6.1.1密度检验方法按GB/T4668执行,经纬向密度偏差率按式(2)计算,按GB/T8170修约至小数点后1位。
Di-D×100%
式中:
经纬向密度偏差率;
锦纶印染布标准(经、纬纱)密度,单位为根每10厘米(根/10cm);锦纶印染布实测(经、纬纱)密度,单位为根每10厘米(根/10cm)。.(2)
FZ/T14017—2018
6.1.2单位面积质量试验方法按GB/T4669一2008中方法6执行,单位面积质量偏差率按式(3),按GB/T8170修约至小数点后1位。
G=mi-mx
×100%
式中:
单位面积质量偏差率;
锦纶印染布单位面积质量标称值,单位为克每平方米(g/m2);锦纶印染布单位面积质量实测值,单位为克每平方米(g/m)。注:单位面积质量标称值为客户要求或面料设计目标值,按供需双方协议商定。6.1.3
断裂强力试验方法按GB/T3923.1执行。撕破强力试验方法按GB/T3917.1执行。...(3)
水洗尺寸变化率试验方法按GB/T8628、GB/T8629一2001(采用洗涤程序5A,干燥程序F)和GB/T8630执行。
耐光色牢度试验方法按GB/T8427—2008中方法3执行。耐皂洗色牢度试验方法按GB/T3921—2008中A(1)多纤维贴衬执行。耐摩擦色牢度试验方法按GB/T3920执行。耐汗渍色牢度试验按GB/T3922—2013中多纤维贴衬执行。耐热压色牢度按GB/T6152—1997中潮压法,温度为110℃士2℃执行。幅宽检验方法按GB/T4666执行。变色、色差按GB/T250、沾色按GB/T251评定。歪斜按GB/T14801执行。
外观质量检验条件和方法
6.2.1采用灯光检验时,以40W加罩青光日光灯管3根~4根,照度不低于7501x,光源与布面距离为1.0m~1.2m。
6.2.2验布机验布板角度为45,验布机速度不得高于30m/min。布匹的评等检验,按验布机上做出的疵点标记,评分评等。
6.2.3布匹的复验、验收应将布平摊在验布台上,按纬向逐幅展开检验,检验人员的视线应正视布面,眼睛与布面的距离为55.0cm~60.0cm。6.2.4规定检验布的正面(盖梢印的一面为反面)。斜纹织物:纱织物以左斜“人”为正面;线织物以右斜“”为正面。
检验规则
检验规则按FZ/T10005执行。
标志和包装
标志和包装按FZ/T10010的有关规定执行其他
特殊品种及用户对产品有特殊要求的,由供需双方另订协议。6
FZ/T14017-2018
中华人民共和国纺织
行业标准
锦纶印染布
FZ/T14017—2018
中国标准出版社出版发行
北京市朝阳区和平里西街甲2号(100029)北京市西城区三里河北街16号(100045)网址www.spc.net.cn
总编室:(010)68533533发行中心:(010)51780238读者服务部:(010)68523946
中国标准出版社秦皇岛印刷厂印刷各地新华书店经销
开本880×12301/16
2018年5月第一版
印张0.75
字数15千字
2018年5月第一次印刷
书号:155066·2-33085
定价16.00元
由本社发行中心调换
如有印装差错
版权专有侵权必究
举报电话:(010)68510107
小提示:此标准内容仅展示完整标准里的部分截取内容,若需要完整标准请到上方自行免费下载完整标准文档。
中华人民共和国纺织行业标准
FZ/T14017—2018
代替FZ/T14017—2009
锦纶印染布
Printedanddyedpolyamidefabric2018-04-30发布
中华人民共和国工业和信息化部发布
2018-09-01实施
本标准按照GB/T1.1一2009给出的规则起草。FZ/T14017-—2018
本标准代替FZ/T14017—2009《锦纶印染布》,与FZ/T14017—2009相比主要技术变化如下:适用范围删除了用途的要求,补充以锦纶长丝为原料,同时对标准定义作了相应调整;密度偏差、质量偏差项目名称调整为密度偏差率、单位面积质量偏差率,调整了断裂强力、撕破强力考核指标,水洗尺寸变化率将优等品、一等品分指标考核,增设了耐热压色牢度考核项目;局部性疵点允许评分数规定分二档考核;调整幅宽偏差指标,提升色差要求,将条格歪斜、纬斜与歪斜、纬斜分档考核:试验方法增加了密度偏差率、单位面积质量偏差率计算公式。本标准由中国纺织工业联合会提出。本标准由全国纺织品标准化技术委员会印染制品分技术委员会(SAC/TC209/SC11)归口。本标准起草单位:吴江福华织造有限公司、福建华锦实业有限公司、浙江金三发新材科技有限公司、中国印染行业协会、上海市纺织工业技术监督所。本标准主要起草人:肖燕、施清岛、张俊峰、严华荣、林琳、张宝庆、本标准所代替标准的历次版本发布情况为:FZ/T14017—2009。
1范围
锦纶印染布
FZ/T14017—2018
本标准规定了锦纶印染布的术语和定义、分类、要求、试验和检验方法、检验规则、标志和包装。本标准适用于以锦纶6或锦纶66长丝为原料,机织生产的各类染色、印花锦纶印染布。2规范性引用文件
下列文件对于本文件的应用是必不可少的。凡是注日期的引用文件,仅注日期的版本适用于本文件。凡是不注日期的引用文件,其最新版本(包括所有的修改单)适用于本文件。GB/T250
GB/T251
色牢度试验评定变色用灰色样卡纺织品
纺织品
色牢度试验评定沾色用灰色样卡GB/T406—2008
棉本色布
GB/T411
棉印染布
GB/T3917.1
GB/T3920
纺织品
纺织品
GB/T3921—2008
GB/T3922—2013
GB/T3923.1
GB/T4666
GB/T4668
织物撕破性能
第1部分:冲击摆锤法撕破强力的测定耐摩擦色牢度
色牢度试验
纺织品
纺织品
纺织品
色牢度试验
色牢度试验
耐皂洗色牢度
耐汗渍色牢度
织物拉伸性能第1部分:断裂强力和断裂伸长率的测定(条样法)纺织品
织物长度和幅宽的测定
机织物密度的测定
GB/T4669—2008
纺织品
单位长度质量和单位面积质量的测定机织物
GB/T4841.3
GB/T6152
GB/T8170
GB/T8427-
GB/T8628
染料染色标准深度色卡2/1、1/3、1/6、1/12、1/25-1997
纺织品
色牢度试验
耐热压色牢度
数值修约规则与极限数值的表示和判定2008
纺织品
色牢度试验耐人造光色牢度:氙弧测定尺寸变化的试验中织物试样和服装的准备、标记及测量纺织品
GB/T8629—2001
纺织品试验用家庭洗涤和干燥程序GB/T8630
GB/T14801
GB18401
GB31701
纺织品洗涤和干燥后尺寸变化的测定机织物与针织物纬斜和弓纬试验方法国家纺织产品基本安全技术规范婴幼儿及儿童纺织产品安全技术规范FZ/T10005
FZ/T10010
3术语和定义
棉及化纤纯纺、混纺印染布检验规则棉及化纤纯纺、混纺印染布标志与包装GB/T411界定的以及下列术语和定义适用于本文件。3.1
5printedanddyedpolyamidefabric锦纶印染布
经、纬向均使用锦纶6或锦纶66长丝织造,经染整加工的机织物。1
FZ/T14017—2018
4分类
锦纶印染布按品种、规格分类,产品的品种和规格根据客户合同或用户需要确定。5要求
锦纶印染布的要求分为内在质量和外观质量两个方面。内在质量包括密度偏差率、单位面积质量偏差率、断裂强力、撕破强力、水洗尺寸变化率、色牢度和安全性能7项;外观质量包括幅宽偏差、色差、歪斜、局部性疵点和散布性疵点5项。5.2
分等规定
5.2.1产品的品等分为优等品、一等品、二等品,低于二等品的为等外品。5.2.2锦纶印染布的评等,内在质量按批评等,外观质量按匹(段)评等,以内在质量和外观质量中最低一项品等作为该匹(段)布的品等5.1.3在同一匹(段)布内,局部性疵点采用每百平方米允许评分的办法评定等级;散布性疵点按严重一项评等。
内在质量
产品的安全性应符合GB18401或GB31701的规定。内在质量分等规定按表1。
密度偏差率/%
单位面积质量偏差率/%
70g/m2以上
断裂强力/N免费标准bzxz.net
撕破强力/N
45g/m~70g/m
30g/m2~45g/m2
70g/m2以上
45g/m2~70g/m2
30g/m2~45g/m2
内在质量评等规定
优等品
-2.0~+2.0
-2.0~+2.0
—3.0~+3.0
一等品
-3.0~+3.0
-3.0~+3.0
-4.0~+4.0
二等品
-4.0~+4.0
-4.0~+4.0
-4.0~+4.0
水洗尺寸变化率/%
色牢度/级
耐皂洗
耐摩擦
耐汗渍
耐热压
表1(续)
优等品
-2.0~+1.0
一等品
FZ/T14017—2018
三等品
-2.5~+1.5
注1:单位面积质量在30g/m及以下的断裂强力、撕破强力按供需双方协商确定。注2:耐光色牢度有特殊要求的,按供需双方协商确定。耐湿摩色牢度深色一等品可降半级。3.0~+2.0
-3.0~+2.0
深、浅色程度按照GB/T4841.3规定,颜色大于1/12染料染色标准深度为深色,颜色小于或等于1/12染料染色标准深度为浅色。
外观质量
外观质量要求
幅宽偏差、色差、歪斜
幅宽偏差、色差、歪斜评等规定按表2。表2
疵点名称和类别
幅宽偏差\/cm
漂色布
色差/级
歪斜/%
左中右
幅宽偏差、色差、歪斜评等规定优等品
-1.0~+2.0
同类布样
参考样
同类布样
参考样
漂色布
花斜或纬斜
条格花斜或纬斜
注:歪斜以花斜或纬斜、条格花斜或纬斜中严重的一项考核。印花布幅宽负偏差不超过一1.0cm。4-5
一等品
-2.0~+3.0
三等品
FZ/T14017—2018
局部性疵点
5.4.1.2.1
5.4.1.2.1.1
局部性症点允许评分数的规定
每匹(段)布的局部性疵点允许评分数规定按表3。表3局部性疵点允许评分数规定
锦纶长丝线密度/dtex
优等品
锦纶长丝线密度按经向或纬向最小线密度执行。5.4.1.2.1.2
式中:
5.4.1.2.2
5.4.1.2.2.1
一等品
单位为分每百平方米
二等品
每匹(段)布的局部性疵点允许总评分按式(1):计算结果按GB/T8170修约至个位数A=(a×L×W)/100
每匹(段)布的局部性疵点允许总评分,单位为分;每百平方米允许评分数,单位为分每百平方米(分/100m);匹(段)长,单位为米(m);
幅宽,单位为米(m)。
局部性疵点评分规定
局部性疵点评分规定按表4。
症点长度
疵点在8.0cm及以下
疵点在8.0cm以上~16.0cm及以下疵点在16.0cm以上~24.0cm及以下疵点在24.0cm以上
局部性疵点评分规定
注:布面疵点具体内容见GB/T406一2008附录B,症点名称说明见GB/T406一2008附录C5.4.1.2.2.2
1m评分不得超过4分。
.(1)
所有破洞(断纱3根及以上,或者经纬各断1根且明显的)不论大小,均评4分;距边2.0cm5.4.1.2.2.3
及以内的破损性疵点评2分。
难以数清、不易量计的分散斑渍,根据其分散的最大长度和宽度,参照表4分别量计、累计5.4.1.2.2.4
评分。
5.4.1.2.3
局部性疵点评分说明
5.4.1.2.3.1
5.4.1.2.3.2
5.4.1.2.3.3
症点长度按经向或纬向的最大长度量计。除破损和边疵外,距边1.0cm及以内的其他症点不评分评定布面疵点时,均以布匹正面为准,反面有通匹、散布性的严重疵点时应降一个等级,散布性疵点允许程度规定
散布性疵点评等规定按表5。
疵点名称和类别
花纹不符、染色不匀
深浅细点
注1:花纹不符以用户确认样为准。表5
5散布性疵点评等规定
优等品
不影响外观
不影响外观
不影响外观
注2:印花布的布面症疵点根据对总体效果的影响程度评定。5.4.2
优等品症点说明
优等品不允许有下列疵点:
单独一处评4分的局部性症疵点;破损性症点。
一等品破损性疵点说明
一等品不允许有破损性疵点。
假开剪和拼件的规定
5.5.1在优等品中不允许假开剪。一等品
不影响外观
不影响外观
不影响外观
FZ/T14017—2018
二等品
影响外观
影响外观
影响外观
5.5.2假开剪的症点应是评为4分的疵点或3分的严重症点,假开剪后各段布都应是一等品。5.5.3凡用户允许假开剪或拼件的,可实行假开剪或拼件。距布端5m以内及长度在30m以下不允许假开剪,最低拼件长度不低于10m;假开剪按60m不允许超过2处,长度每增加30m,假开剪可相应增加1处。
5.5.4假开剪和拼件率合计不允许超过20%,其中拼件率不得超过10%。假开剪位置应作明显标记,附假开剪段长记录单。5.5.5
试验和检验方法
试验方法
6.1.1密度检验方法按GB/T4668执行,经纬向密度偏差率按式(2)计算,按GB/T8170修约至小数点后1位。
Di-D×100%
式中:
经纬向密度偏差率;
锦纶印染布标准(经、纬纱)密度,单位为根每10厘米(根/10cm);锦纶印染布实测(经、纬纱)密度,单位为根每10厘米(根/10cm)。.(2)
FZ/T14017—2018
6.1.2单位面积质量试验方法按GB/T4669一2008中方法6执行,单位面积质量偏差率按式(3),按GB/T8170修约至小数点后1位。
G=mi-mx
×100%
式中:
单位面积质量偏差率;
锦纶印染布单位面积质量标称值,单位为克每平方米(g/m2);锦纶印染布单位面积质量实测值,单位为克每平方米(g/m)。注:单位面积质量标称值为客户要求或面料设计目标值,按供需双方协议商定。6.1.3
断裂强力试验方法按GB/T3923.1执行。撕破强力试验方法按GB/T3917.1执行。...(3)
水洗尺寸变化率试验方法按GB/T8628、GB/T8629一2001(采用洗涤程序5A,干燥程序F)和GB/T8630执行。
耐光色牢度试验方法按GB/T8427—2008中方法3执行。耐皂洗色牢度试验方法按GB/T3921—2008中A(1)多纤维贴衬执行。耐摩擦色牢度试验方法按GB/T3920执行。耐汗渍色牢度试验按GB/T3922—2013中多纤维贴衬执行。耐热压色牢度按GB/T6152—1997中潮压法,温度为110℃士2℃执行。幅宽检验方法按GB/T4666执行。变色、色差按GB/T250、沾色按GB/T251评定。歪斜按GB/T14801执行。
外观质量检验条件和方法
6.2.1采用灯光检验时,以40W加罩青光日光灯管3根~4根,照度不低于7501x,光源与布面距离为1.0m~1.2m。
6.2.2验布机验布板角度为45,验布机速度不得高于30m/min。布匹的评等检验,按验布机上做出的疵点标记,评分评等。
6.2.3布匹的复验、验收应将布平摊在验布台上,按纬向逐幅展开检验,检验人员的视线应正视布面,眼睛与布面的距离为55.0cm~60.0cm。6.2.4规定检验布的正面(盖梢印的一面为反面)。斜纹织物:纱织物以左斜“人”为正面;线织物以右斜“”为正面。
检验规则
检验规则按FZ/T10005执行。
标志和包装
标志和包装按FZ/T10010的有关规定执行其他
特殊品种及用户对产品有特殊要求的,由供需双方另订协议。6
FZ/T14017-2018
中华人民共和国纺织
行业标准
锦纶印染布
FZ/T14017—2018
中国标准出版社出版发行
北京市朝阳区和平里西街甲2号(100029)北京市西城区三里河北街16号(100045)网址www.spc.net.cn
总编室:(010)68533533发行中心:(010)51780238读者服务部:(010)68523946
中国标准出版社秦皇岛印刷厂印刷各地新华书店经销
开本880×12301/16
2018年5月第一版
印张0.75
字数15千字
2018年5月第一次印刷
书号:155066·2-33085
定价16.00元
由本社发行中心调换
如有印装差错
版权专有侵权必究
举报电话:(010)68510107
小提示:此标准内容仅展示完整标准里的部分截取内容,若需要完整标准请到上方自行免费下载完整标准文档。
标准图片预览:





- 其它标准
- 上一篇: FZ/T 14013-2018莫代尔纤维印染布
- 下一篇: FZ/T 34002-2016亚麻印染布
- 热门标准
- 其他行业标准
- FZ/T54089-2016 有色锦纶6弹力丝
- FZ/T54087-2016 粘合活化型涤纶工业长丝
- FZ/T54088-2016 锦纶6全牵伸单丝
- YS/T433-2016 银精矿
- FZ/T54082-2015 锦纶6膨体长丝(BCF)
- FZ/T62036-2017 乳胶枕、垫
- QB/T4698-2014 家用和类似用途软水机
- QB/T4207-2011 一字槽螺钉旋具头
- FZ/T61002-2019 化纤仿毛毛毯
- JB/T4212.6-2014 内六角圆柱头螺钉冷镦模 第6部分:凹模
- NB/T31048.1-2014 风力发电机用绕组线 第1部分 一般规定
- T/CMAJY047-2021 加油机在线监督管理规范
- FZ/T73022-2019 针织保暖内衣
- QB/T1999-1994 密胺塑料餐具
- FZ/T52039-2014 再生聚苯硫醚短纤维
- 行业新闻
请牢记:“bzxz.net”即是“标准下载”四个汉字汉语拼音首字母与国际顶级域名“.net”的组合。 ©2025 标准下载网 www.bzxz.net 本站邮件:bzxznet@163.com
网站备案号:湘ICP备2025141790号-2
网站备案号:湘ICP备2025141790号-2