- 您的位置:
- 标准下载网 >>
- 标准分类 >>
- 其他行业标准 >>
- FZ/T 93054-2019转杯纺纱机 分梳辊
标准号:
FZ/T 93054-2019
标准名称:
转杯纺纱机 分梳辊
标准类别:
其他行业标准
英文名称:
Rotor type open-end spinning machine—Opening roller标准状态:
现行-
发布日期:
2019-12-24 -
实施日期:
2020-07-01 出版语种:
简体中文下载格式:
.pdf .zip
标准ICS号:
纺织和皮革技术>>纺织机械>>59.120.10纺纱、加捻和卷曲变形机械中标分类号:
纺织>>纺织机械与器具>>W93纺部机械与器具
替代情况:
替代FZ/T 93054-2010

部分标准内容:
ICS 59.120.10
中华人民共和国纺织行业标准
FZ/T93054-2019
代替FZ/T93054—2010
转杯纺纱机
分梳辊
Rotor type open-end spinning machine--Opening roller2019-12-24发布
中华人民共和国工业和信息化部发布
2020-07-01实施
本标准按照GB/T1.1一2009给出的规则起草。FZ/T93054-2019
本标准代替FZ/T93054—2010《转杯纺纱机分梳辊》,与FZ/T93054—2010相比主要技术变化如下:
增加了标记和参数(见第1章、3.2、3.3、图1、表1、表2、表3);提高了辊体外端面的对轴承公共轴线的端面圆跳动要求(见4.1b)2));提高了齿项(针尖)到轴承公共轴线的距离的变动量要求(见4.1c));-提高了传动轮外圆对轴承公共轴线的径向圆跳动公差要求(见4.1d));修改了齿条与螺旋槽之间的结合牢固要求(见4.3d));修改了分体式分梳辊齿圈与辊体的配合要求(见4.4);增加了齿条齿部的镀层要求(见4.8)。请注意本文件的某些内容可能涉及专利。本文件的发布机构不承担识别这些专利的责任。本标准由中国纺织工业联合会提出。本标准由全国纺织机械与附件标准化技术委员会纺纱、染整机械分技术委员会(SAC/TC215/SC1)归口。
本标准主要起草单位:无锡市宏飞工贸有限公司、国家纺织机械质量监督检验中心、金轮针布(江苏)有限公司、保定市金桥纺机配件有限公司、安徽日发纺织机械有限公司、浙江泰坦股份有限公司、浙江精功科技股份有限公司、经纬智能纺织机械有限公司。本标准主要起草人:吉云飞、徐向红、薛庆、徐辉、许亮、石焕强、王剑浪、刘恒。本标准所代替标准的历次版本发布情况为:-FZ/T93054—1999;
FZ/T93054—2010。
1范围
转杯纺纱机分梳辊
FZ/T93054—2019
本标准规定了转杯纺纱机分梳辊的分类、标记和参数、要求、试验方法、检验规则及标志、包装、运输和贮存。
本标准适用于转杯纺纱机分梳辊(以下简称分梳辑)。2规范性引用文件
下列文件对于本文件的应用是必不可少的。凡是注日期的引用文件,仅注日期的版本适用于本文件。凡是不注日期的引用文件,其最新版本(包括所有的修改单)适用于本文件。GB/T191包装储运图示标志
GB/T1958产品几何技术规范(GPS)儿何公差检测与验证GB/T2828.1一2012计数抽样检验程序第1部分:按接收质量限(AQL)检索的逐批检验抽样计划
运输包装用单瓦楞纸箱和双瓦楞纸箱GB/T6543
GB/T8597滚动轴承防锈包装
GB/T9239.1一2006机械振动恒态(刚性)转子平衡品质要求第1部分:规范与平衡允差的检验
GB/T30164
FZ/T93038
FZ/T93070
纺织机械与附件纺纱准备与纺纱机械用钢针梳理机用金属针布齿条
转杯纺纱机分梳辊轴承
3分类、标记和参数
3.1分类
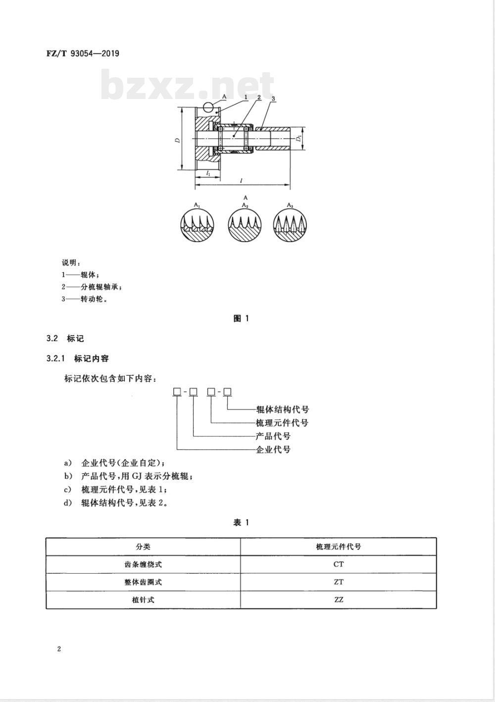
按梳理元件分为:
齿条缠绕式,见图1A1;
整体齿圈式,见图1A2;
植针式,见图1A3。
b)按辊体结构分为:
整体式;
一分体式。
FZ/T93054—2019
说明:
辊体;
分梳辊轴承;
转动轮。
标记内容
标记依次包含如下内容:
企业代号(企业自定);
产品代号,用GJ表示分梳辊;
梳理元件代号,见表1;
辊体结构代号,见表2。
齿条缠绕式
整体齿圈式
植针式
辊体结构代号
梳理元件代号
-产品代号
企业代号
梳理元件代号
标记示例
整体式
分体式
辊体结构代号
FZ/T93054—2019
示例:某企业生产的梳理元件为齿条缠绕式辊体结构的分体式分梳辊,其标记为:-GJCT-F。3.3参数
基本参数见表3。
辊体外径D
传动轮外径D1
分梳辊长度1
辊体宽度11
4要求
4.1形位公差:
64、64.6、74.5、80
23.5、25、28、29.4
92、97、105.5、126.5、129、13524、27.5、33、37.5、40.5、43辊体外圆对轴承公共轴线的径向圆跳动公差为0.03mm。a)
辊体端面对轴承公共轴线的端面圆跳动:b
1)内端面对轴承公共轴线的端面圆跳动公差为0.02mm;2)外端面对轴承公共轴线的端面圆跳动公差为0.035mm。c)
齿顶(针尖)到轴承公共轴线的距离变动量<0.07mm。传动轮外圆对轴承公共轴线的径向圆跳动公差为0.04mm。d)
辊体外圆及端面表面粗糙度Ra≤1.6μm。外观质量:
辊体齿部应排列整齐,应无侧弯、锈迹、倒钩及残齿、断齿等现象。辊体针部应排列整齐,无漏针、锈针、断针、侧弯等现象。辊体齿顶(针尖)应低于辊体外圆,齿条与螺旋槽之间应无缝隙、毛刺,结合牢固;齿条始末端与辊体表面平整。分梳辊表面应光滑、不挂纤维。分体式分梳辑辊齿圈与辊体配合应不松动、易拆卸。分梳辊轴承与辊体、传动轮结合应牢固。分梳辊平衡品质等级应符合GB/T9239.1一2006中G2.5的规定。缠绕式齿条及整体齿圈式的齿部应符合FZ/T93038的规定。齿部镀层:
单位为毫米
FZ/T93054—2019
a)齿部金刚石镀层应厚薄均匀,镀层厚度为0.03mm~0.04mm;b)齿部镍磷镀层应厚薄均匀,镀层厚度为0.025mm0.035mm。4.9植针式分梳辊植针应符合GB/T30164的规定。4.10转杯纺纱机分梳辊轴承应符合FZ/T93070的规定。5试验方法
5.1形位公差(4.1a)、4.1b)、4.1d)),按GB/T1958规定,用千分表检测。5.2齿顶(针尖)到轴承公共轴线距离变动量4.1c),以轴承的公共轴线为基准,将千分表的平表头置于单齿的齿顶(针尖)上(除头尾圈外),测多个齿顶(针尖),取其最大示值差。5.3辊体外圆及端面表面粗糙度(4.2),用表面粗糙度样板比对检测或用表面粗糙度仪检测。5.4辊体齿尖低于辊体外圆的要求4.3c),用分口尺检测。5.5齿条与螺旋槽表面质量4.3d),用棉条擦拭,轻吹后目测是否挂纤维。5.6结合牢固度(4.5),将辊体端面朝下放置,用5kg码(或50N的作用力)置于传动轮端面,目测辊体和转动轮有无松动。
5.7平衡品质等级(4.6),按GB/T9239.1的规定,用动平衡机检测。5.8缠绕式齿条及整体齿圈式的齿部(4.7),按FZ/T93038的规定检测。5.9齿部镀层的厚度(4.8),用测厚仪检测。5.10植针式分梳辊植针(4.9),按GB/T30164的规定检测。5.11转杯纺纱机分梳辊轴承(4.10),按FZ/T93070的规定检测。5.12其余项目(4.3a)、4.3b)、4.3e)、4.4),感官检测。6检验规则
6.1型式试验
6.1.1在下列情况之一时,应进行型式试验:a)产品的结构、材料、工艺有较大改变,可能影响产品性能时;b)新产品鉴定或老产品转厂定型生产时;出厂检验结果与上次型式检验有较大差异时;c)
d)产品停产两年以上恢复生产时;第三方进行质量检验时。
6.1.2检验项目:第4章。
6.2出广检验
6.2.1产品应经制造方检验部门检验合格,并附有产品质量合格证方可出厂。6.2.2检验项目:4.1~4.6。
6.3抽样方法和判定原则bzxz.net
6.3.1按GB/T2828.1一2012的规定,采用正常检验一次抽样方案,从正常检验开始,选用一般检验水平Ⅱ,接收质量限AQL为1.5
6.3.2样本经检验,若不合格品数小于拒收数,则判定该批样本符合标准要求,反之,判定该批样本不符合标准要求。
包装箱的储运图示、标志按GB/T191的规定。7.1
分梳辊表面应有产品标记,必要时标识旋向。7.2
包装、运输、贮存
FZ/T93054-2019
产品的防锈包装按GB/T8597的规定,运输包装按GB/T6543的规定,并有防震措施8.1
8.2瓦楞纸箱在储运过程中应避免雨雪、暴晒、受潮和污染,不得采用有损纸箱的运输、装卸及工具,8.3产品出厂后,在良好的防潮及通风贮存条件下,包装箱内产品的防潮、防锈有效期自出厂之日起为1年。
小提示:此标准内容仅展示完整标准里的部分截取内容,若需要完整标准请到上方自行免费下载完整标准文档。
中华人民共和国纺织行业标准
FZ/T93054-2019
代替FZ/T93054—2010
转杯纺纱机
分梳辊
Rotor type open-end spinning machine--Opening roller2019-12-24发布
中华人民共和国工业和信息化部发布
2020-07-01实施
本标准按照GB/T1.1一2009给出的规则起草。FZ/T93054-2019
本标准代替FZ/T93054—2010《转杯纺纱机分梳辊》,与FZ/T93054—2010相比主要技术变化如下:
增加了标记和参数(见第1章、3.2、3.3、图1、表1、表2、表3);提高了辊体外端面的对轴承公共轴线的端面圆跳动要求(见4.1b)2));提高了齿项(针尖)到轴承公共轴线的距离的变动量要求(见4.1c));-提高了传动轮外圆对轴承公共轴线的径向圆跳动公差要求(见4.1d));修改了齿条与螺旋槽之间的结合牢固要求(见4.3d));修改了分体式分梳辊齿圈与辊体的配合要求(见4.4);增加了齿条齿部的镀层要求(见4.8)。请注意本文件的某些内容可能涉及专利。本文件的发布机构不承担识别这些专利的责任。本标准由中国纺织工业联合会提出。本标准由全国纺织机械与附件标准化技术委员会纺纱、染整机械分技术委员会(SAC/TC215/SC1)归口。
本标准主要起草单位:无锡市宏飞工贸有限公司、国家纺织机械质量监督检验中心、金轮针布(江苏)有限公司、保定市金桥纺机配件有限公司、安徽日发纺织机械有限公司、浙江泰坦股份有限公司、浙江精功科技股份有限公司、经纬智能纺织机械有限公司。本标准主要起草人:吉云飞、徐向红、薛庆、徐辉、许亮、石焕强、王剑浪、刘恒。本标准所代替标准的历次版本发布情况为:-FZ/T93054—1999;
FZ/T93054—2010。
1范围
转杯纺纱机分梳辊
FZ/T93054—2019
本标准规定了转杯纺纱机分梳辊的分类、标记和参数、要求、试验方法、检验规则及标志、包装、运输和贮存。
本标准适用于转杯纺纱机分梳辊(以下简称分梳辑)。2规范性引用文件
下列文件对于本文件的应用是必不可少的。凡是注日期的引用文件,仅注日期的版本适用于本文件。凡是不注日期的引用文件,其最新版本(包括所有的修改单)适用于本文件。GB/T191包装储运图示标志
GB/T1958产品几何技术规范(GPS)儿何公差检测与验证GB/T2828.1一2012计数抽样检验程序第1部分:按接收质量限(AQL)检索的逐批检验抽样计划
运输包装用单瓦楞纸箱和双瓦楞纸箱GB/T6543
GB/T8597滚动轴承防锈包装
GB/T9239.1一2006机械振动恒态(刚性)转子平衡品质要求第1部分:规范与平衡允差的检验
GB/T30164
FZ/T93038
FZ/T93070
纺织机械与附件纺纱准备与纺纱机械用钢针梳理机用金属针布齿条
转杯纺纱机分梳辊轴承
3分类、标记和参数
3.1分类
按梳理元件分为:
齿条缠绕式,见图1A1;
整体齿圈式,见图1A2;
植针式,见图1A3。
b)按辊体结构分为:
整体式;
一分体式。
FZ/T93054—2019
说明:
辊体;
分梳辊轴承;
转动轮。
标记内容
标记依次包含如下内容:
企业代号(企业自定);
产品代号,用GJ表示分梳辊;
梳理元件代号,见表1;
辊体结构代号,见表2。
齿条缠绕式
整体齿圈式
植针式
辊体结构代号
梳理元件代号
-产品代号
企业代号
梳理元件代号
标记示例
整体式
分体式
辊体结构代号
FZ/T93054—2019
示例:某企业生产的梳理元件为齿条缠绕式辊体结构的分体式分梳辊,其标记为:-GJCT-F。3.3参数
基本参数见表3。
辊体外径D
传动轮外径D1
分梳辊长度1
辊体宽度11
4要求
4.1形位公差:
64、64.6、74.5、80
23.5、25、28、29.4
92、97、105.5、126.5、129、13524、27.5、33、37.5、40.5、43辊体外圆对轴承公共轴线的径向圆跳动公差为0.03mm。a)
辊体端面对轴承公共轴线的端面圆跳动:b
1)内端面对轴承公共轴线的端面圆跳动公差为0.02mm;2)外端面对轴承公共轴线的端面圆跳动公差为0.035mm。c)
齿顶(针尖)到轴承公共轴线的距离变动量<0.07mm。传动轮外圆对轴承公共轴线的径向圆跳动公差为0.04mm。d)
辊体外圆及端面表面粗糙度Ra≤1.6μm。外观质量:
辊体齿部应排列整齐,应无侧弯、锈迹、倒钩及残齿、断齿等现象。辊体针部应排列整齐,无漏针、锈针、断针、侧弯等现象。辊体齿顶(针尖)应低于辊体外圆,齿条与螺旋槽之间应无缝隙、毛刺,结合牢固;齿条始末端与辊体表面平整。分梳辊表面应光滑、不挂纤维。分体式分梳辑辊齿圈与辊体配合应不松动、易拆卸。分梳辊轴承与辊体、传动轮结合应牢固。分梳辊平衡品质等级应符合GB/T9239.1一2006中G2.5的规定。缠绕式齿条及整体齿圈式的齿部应符合FZ/T93038的规定。齿部镀层:
单位为毫米
FZ/T93054—2019
a)齿部金刚石镀层应厚薄均匀,镀层厚度为0.03mm~0.04mm;b)齿部镍磷镀层应厚薄均匀,镀层厚度为0.025mm0.035mm。4.9植针式分梳辊植针应符合GB/T30164的规定。4.10转杯纺纱机分梳辊轴承应符合FZ/T93070的规定。5试验方法
5.1形位公差(4.1a)、4.1b)、4.1d)),按GB/T1958规定,用千分表检测。5.2齿顶(针尖)到轴承公共轴线距离变动量4.1c),以轴承的公共轴线为基准,将千分表的平表头置于单齿的齿顶(针尖)上(除头尾圈外),测多个齿顶(针尖),取其最大示值差。5.3辊体外圆及端面表面粗糙度(4.2),用表面粗糙度样板比对检测或用表面粗糙度仪检测。5.4辊体齿尖低于辊体外圆的要求4.3c),用分口尺检测。5.5齿条与螺旋槽表面质量4.3d),用棉条擦拭,轻吹后目测是否挂纤维。5.6结合牢固度(4.5),将辊体端面朝下放置,用5kg码(或50N的作用力)置于传动轮端面,目测辊体和转动轮有无松动。
5.7平衡品质等级(4.6),按GB/T9239.1的规定,用动平衡机检测。5.8缠绕式齿条及整体齿圈式的齿部(4.7),按FZ/T93038的规定检测。5.9齿部镀层的厚度(4.8),用测厚仪检测。5.10植针式分梳辊植针(4.9),按GB/T30164的规定检测。5.11转杯纺纱机分梳辊轴承(4.10),按FZ/T93070的规定检测。5.12其余项目(4.3a)、4.3b)、4.3e)、4.4),感官检测。6检验规则
6.1型式试验
6.1.1在下列情况之一时,应进行型式试验:a)产品的结构、材料、工艺有较大改变,可能影响产品性能时;b)新产品鉴定或老产品转厂定型生产时;出厂检验结果与上次型式检验有较大差异时;c)
d)产品停产两年以上恢复生产时;第三方进行质量检验时。
6.1.2检验项目:第4章。
6.2出广检验
6.2.1产品应经制造方检验部门检验合格,并附有产品质量合格证方可出厂。6.2.2检验项目:4.1~4.6。
6.3抽样方法和判定原则bzxz.net
6.3.1按GB/T2828.1一2012的规定,采用正常检验一次抽样方案,从正常检验开始,选用一般检验水平Ⅱ,接收质量限AQL为1.5
6.3.2样本经检验,若不合格品数小于拒收数,则判定该批样本符合标准要求,反之,判定该批样本不符合标准要求。
包装箱的储运图示、标志按GB/T191的规定。7.1
分梳辊表面应有产品标记,必要时标识旋向。7.2
包装、运输、贮存
FZ/T93054-2019
产品的防锈包装按GB/T8597的规定,运输包装按GB/T6543的规定,并有防震措施8.1
8.2瓦楞纸箱在储运过程中应避免雨雪、暴晒、受潮和污染,不得采用有损纸箱的运输、装卸及工具,8.3产品出厂后,在良好的防潮及通风贮存条件下,包装箱内产品的防潮、防锈有效期自出厂之日起为1年。
小提示:此标准内容仅展示完整标准里的部分截取内容,若需要完整标准请到上方自行免费下载完整标准文档。

标准图片预览:





- 其它标准
- 热门标准
- 其他行业标准
- YB/T096-2015 高碳铬不锈钢丝
- QB/T4595.6-2013 合页 第6部分:双袖型合页
- CNAS-CC01:2011 管理体系认证机构要求(2011版本)
- JB/T1308.3-2011 PN2500超高压阀门和管件 第3部分:管子端部
- FZ/T07002-2018 废旧纺织品再加工短纤维
- SG111-1~2 建筑结构加固施工图设计表示方法建筑结构加固施工图设计深度图样(新编)
- HG/T3766-2004 炔螨特乳油
- YB/T4458-2015 家电用彩色涂层钢板及钢带
- NB/T33005-2013 电动汽车充电站及电池更换站监控系统技术规范
- HG/T4605-2014 透明电磁波屏蔽膜
- QB/T4654-2014 香茅醛
- QB/T4656-2014 小茴香(精)油
- QJLYN0005S-2016 吉林省医诺生物技术有限公司 桦树茸复合压片糖果
- NB/SH/T0407-2013 石油蜡水溶性酸或碱试验法
- FZ/T99020-2018 针织圆纬机数控系统通用技术规范
- 行业新闻
请牢记:“bzxz.net”即是“标准下载”四个汉字汉语拼音首字母与国际顶级域名“.net”的组合。 ©2009 标准下载网 www.bzxz.net 本站邮件:bzxznet@163.com
网站备案号:湘ICP备2023016450号-1
网站备案号:湘ICP备2023016450号-1