- 您的位置:
- 标准下载网 >>
- 标准分类 >>
- 纺织行业标准(FZ) >>
- FZ/T 14009-2014 篷盖用维纶染色防水帆布
标准号:
FZ/T 14009-2014
标准名称:
篷盖用维纶染色防水帆布
标准类别:
纺织行业标准(FZ)
标准状态:
现行出版语种:
简体中文下载格式:
.zip .pdf下载大小:
1.99 MB

点击下载
标准简介:
FZ/T 14009-2014.
1范围
FZ/T 14009规定了以维纶短纤维为原料的篷盖用维纶染色防水帆布的分类和标识、要求、试验和检验方法.检验规则及标志和包装。
FZ/T 14009适用于鉴定采用维纶短纤维、机织生产的篷盖用维纶染色防水帆布的品质。
FZ/T 14009不适用于鉴定维纶涂层帆布的品质。
2规范性引用文件
下列文件对于本文件的应用是必不可少的。凡是注日期的引用文件,仅注日期的版本适用于本文
件。凡是不注日期的引用文件,其最新版本(包括所有的修改单)适用于本文件.
GB/T 250纺织品色牢度 试验评定变色用灰色样卡
GB/T 251纺织品色牢度试验评定沾色用灰色样卡
GB/T 411棉印染布
GB/T 3917.2纺织品织物撕破性能 第2 部分:裤形试样(单缝)撕破强力的测定
GB/T 3920纺织品色牢度试验 耐摩 擦色牢度
GB/T 4744- 1997纺织织物 抗渗水性测定 静水压试验
GB/T 4745- 2012 纺织品防水性 能的检测和评价沾水法
GB5296.4消费品使用说明第4部分:纺织品和服装
GB/T8170数值修约规则与极限数值的表示和判定
GB/T 8427-2008纺织品色牢度试验 耐人造 光色牢度:氙弧
GB/T 14801机织物 与针织物纬斜和弓纬试验方法
GB 18401国家纺织产 品基本安全技术规范
FZ/T 10003帆布 织物试验方法
FZ/T10005棉及化纤纯纺、混纺印染布检验规则

部分标准内容:
中华人民共和国纺织行业标准
FZ/T14009—2014
代替FZ/T14009--2005
篷盖用维纶染色防水帆布
Water-proof dyed vinylon canvas for awning2014-05-06发布
中华人民共和国工业和信息化部2014-10-01实施
本标准按照GB/T1.1—2009给出的规则起草。本标准代替FZ/T14009一2005《篷盖用维纶染色防水帆布》。本标准与F2/T14009—2005相比主要变化如下:增加篷盖用维纶染色防水帆布的定义:增加撕破强力、色牢度(耐光、耐摩擦)的考核;纬纱密度改为纬向密度偏差率,断裂强力改为最低值考核:FZ/T14009-—2014
调整外观质量局部性疵点评分方法,允许评分数由分/米改为分/平方米计算,取消幅宽分类;除边疵外,其余采用O起点;
散布性疵点增加幅宽偏差、歪斜的考核;删除附录A中断裂强力加工系数值。本标准由中国纺织工业联合会提出。本标准由全国纺织品标准化技术委员会棉纺织印染分技术委员会(SAC/TC209/SC2)归口。本标准起草单位:奉化市天盾防水材料有限公司、新天龙集团有限公司、上海市纺织工业技术监督所中国印染行业协会。
本标准主要起草人:胡长明、王云侠、徐华君、林琳、任参。本标准所代替标准的历次版本发布情况为:ZBW75001-1985;
FZ/T14009—1999.FZ/T14009-2005。1范围
篷盖用维纶染色防水帆布
FZ/T14009—2014
本标准规定了以维纶短纤维为原料的篷盖用维纶染色防水帆布的分类和标识、要求、试验和检验方法、检验规则及标志和包装。
本标准适用于鉴定采用维纶短纤维、机织生产的篷盖用维纶染色防水帆布的品质。本标准不适用于鉴定维纶涂层帆布的品质。2规范性引用文件
下列文件对于本文件的应用是必不可少的。凡是注日期的引用文件,仅注日期的版本适用于本文件。凡是不注日期的引用文件,其最新版本(包括所有的修改单)适用于本文件。GB/T250纺织品色牢度试验评定变色用灰色样卡GB/T251纺织品色牢度试验评定沾色用灰色样卡GB/T411棉印染布
GB/T3917.2纺织品织物撕破性能第2部分:裤形试样(单缝)撕破强力的测定GB/T3920
纺织品色牢度试验耐摩擦色牢度GB/T4744--1997纺织织物抗渗水性测定静水压试验GB/T4745一2012纺织品防水性能的检测和评价沾水法消费品使用说明第4部分:纺织品和服装GB5296.4
GB/T8170
数值修约规则与极限数值的表示和判定GB/T8427-2008
纺织品色牢度试验耐人造光色牢度:氙弧GB/T14801机织物与针织物纬斜和弓纬试验方法GB18401
国家纺织产品基本安全技术规范FZ/T10003
FZ/T10005
FZ/T10010
3术语和定义
帆布织物试验方法
棉及化纤纯纺、混纺印染布检验规则棉及化纤纯纺、混纺印染布标志与包装GB/T411界定的及以下术语和定义适用于本文件。3.1
streakiness
沿经向延伸或断续散布,色泽有深有浅,两边又无明显界限的疵点。3.2
water-proof dyed vinylon canvas for awning蓬盖用维纶染色防水帆布
经纬纱均用维纶单纱或多股线织造,经染整加工,具有防水性能的较粗厚织物。主要用于汽车运输和露天仓库的遮盖以及野外搭帐篷。1
FZ/T14009—2014
4分类
篷盖用维纶染色防水帆布按照织物的主要用途分为篷布用及盖布用织物两大类。篷盖用维纶染色防水帆布加工系数按照附录A执行。5要求
5.1要求内容
篷盖用维纶染色防水帆布的要求分为内在质量和外观质量两个方面,内在质量包括纬向密度偏差率、断裂强力、撕破强力、静水压、沾水、色牢度及安全性能七项,外观质量包括局部性症点和散布性疵点两类。
5.2分等规定
5.2.1产品的品等分为优等品、一等品和二等品,低于二等品的为等外品。5.2.2篷盖用维纶染色防水帆布的评等,内在质量指标按批评等,外观质量按段(匹)评等,以内在质量和外观质量中最低的品等作为该匹(段)布的品等。5.2.3在同一匹(段)布内,局部性疵点采用有限度的每平方米允许评分的办法评定等级;散布性疵点按严重一项评等。
5.3内在质量
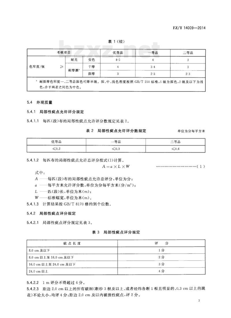
5.3.1产品的安全性能应符合GB18401的规定。内在质量评等规定见表1。
考核项目
纬向密度偏差率/%
篷布用
断裂强力/N
撕破强力/N
静水压/(cmH,O)
沾水/级
盖布用
篷布用
盖布用
篷布用织物
盖布用织物
内在质量评等规定
优等品
一等品
二等品
色牢度/级
考核项目
耐摩擦
表1(续)
优等品
一等品
FZ/T14009—2014
二等品
耐湿摩色牢度一、二等品深色可降半级。深,中、浅色程度按照GB/T250标准,5级为深色,2级及以下为浅色,介于两者之间色为中色。
外观质量
局部性症点允许评分规定
每匹(段)布的局部性疵点允许评分数规定见表2。表2局部性症点允许评分数规定
优等品
一等品
每匹布的局部性疵点允许总评分按式(1)计算。A-axLxW
式中:
每匹(段)布的局部性疵点允许总评分,单位为分;每平方米允许评分数,单位为分每平方米(分/m\);匹(段)长,单位为米(m);
标准幅宽,单位为米(m)。
计算结果按GB/T8170修约到个位数。局部性症点评分规定
局部性疵点评分规定见表3。
表3局部性症点评分规定
疵点长度
8.0cm及以下
8.0cm以上至16.0cm及以下
16.0cm以上至24.0cm及以下
24.0cm以上
5.4.2.21m评分不得超过4分。
单位为分每平方米
二等品
.(1)
5.4.2.3距边2.0cm以上的所有破洞(断纱3根及以上、或者经纬各断1根且明显的、0.3cm以上的跳花)不论大小,均评4分;距边2.0cm及以内破损性疵点,评2分。3
FZ/T14009—2014
局部性症点评分的说明
症点长度按经向或纬向的最大长度量计。除破损外,距边1.0cm及以内的其他疵点不评分。评定布面症点时,均以布匹正面为准,反面有通匹,散布性的严重疵点时须降一个等级。布面症点应根据对总体效果的影响程度评定。散布性脏点允许程度规定
散布性疵点允许程度规定见表4。表4散布性疵点允许程度规定
点名称和类别
幅宽偏差/cm
色差/级
歪斜/%
幅宽140cm及以下
幅宽140cm以上
同类布样
参考样
左中右
正反面
染色不勺
优等品症点说明
优等品不允许有下列症点:
单独一处评4分的局部性症点;
破损性症点。
5.4.6一等品破损性症点说明
一等品不允许有破损性症点。
5.5假开剪和拼件的规定
5.5.1在优等品中不允许假开剪。优等品
-1.0~+2.0
-1.5~+2.5
不影响外观
不影响外观
一等品
—1.5~+2.5
2.0~+3.0
不影响外观
不影响外观
二等品
低于3
低于2-3
低于2-3
影响外观
影响外观
5.5.2凡用户允许假开剪或拼件的,可实行假开剪和拼件,最低拼件长度不低于10m;假开剪的症点应是评为4分的疵点或评为3分的严重疵点,假开剪后各段布都应是一等品。5.5.3距布端5m以内及长度在30m以下不允许假开剪。长度超过30m可作1处假开剪,每增加30m可增加1处假开剪,依次类推。各假开剪之间间距不得小于10m。每个假开剪均应加放0.25m长度作为假开剪疵点的补偿(若疵点长度超过0.25m的按实际长度加放)。作为假开剪疵点的评分不记人该匹(段布的局部性疵点的总评分。5.5.4假开剪和拼件率合计不允许超过20%,其中拼件率不得超过10%。另有要求按双方协议执行。5.5.5假开剪布应作明显标记,附假开剪段长记录单。4
6试验和检验方法
6.1试验方法
FZ/T14009—2014
6.1.1纬纱密度按FZ/T10003执行,纬向密度偏差率按式(2)计算,按GB/T8170修约至小数点后位。
式中:
一纬向密度偏差率,%;
DI-D=×100%
D一篷盖用维纶染色防水帆布的标准纬纱密度,单位为根每十厘米(根/10cm);D.篷盖用维纶染色防水帆布的实测纬纱密度,单位为根每十厘米(根/10cm)。6.1.2断裂强力按FZ/T10003执行。6.1.3撕破强力按GB/T3917.2执行。(2)
6.1.4静水压试验按GB/T4744一1997执行。其中试验用水温为20℃士2℃,从试样正面施加水压,水压上升速率10cmH.O/min士0.5cmHz0/min。6.1.5沾水试验按GB/T4745--2012执行。其中试验用水温为20℃士2℃。6.1.6耐光色牢度试验按GB/T8427—2008中方法3执行。6.1.7耐摩擦色牢度试验按GB/T3920执行。6.1.8幅宽按FZ/T10003执行。
6.1.9变色、色差按GB/T250,沾色按GB/T251评定。6.1.10纬斜按GB/T14801执行。
6.2外观质量检验条件和方法
6.2.1采用灯光检验时,以40W加罩青光日光灯管3支~4支,照度不低于7501x,光源与布面距离为1.0m~1.2m。
6.2.2布段的评等检验,按验布机上作出的疵点标记,评分评等。6.2.3布段的复验、验收应平摊在验布台上,按纬向逐幅展开检验,检验人员的视线应正视布面,眼睛与布面的距离为55.0cm~60.0cm。6.2.4规定检验织物的正面(盖梢印的一面为反面)。7检验规则
检验规则按FZ/T10005执行。
8标志和包装
标志和包装按FZ/T10010执行,内包装的标志按GB5296.4执行。9其他
特殊品种及用户对产品有特殊要求的,由供需双方另订协议。5
FZ/T14009-2014
A.1幅宽、密度的加工系数
附录A
(规范性附录)
篷盖用维纶染色防水帆布加工系数根据篷盖用维纶染色防水帆布的分类、结合印染工艺设计,按规定的加工系数计算。加工系数A.1.1
见表A.1。
篷布用
盖布用
厚织物
薄织物
加工系数
幅宽加工系数(6)
密度加工系数(e)
2篷盖用维纶染色防水帆布的经、纬纱平均线密度按式(A.1)计算,按GB/T8170修约到个位数。A.1.2
式中:
-篷盖用维纶染色防水帆布经、纬纱平均线密度,单位为特克斯(tex):篷盖用维纶染色防水帆布经纱线密度,单位为特克斯(tex);篷盖用维纶染色防水帆布纬纱线密度,单位为特克斯(tex)。.(A.1)
A.1.3篷盖用维纶染色防水帆布厚、薄织物的分类,按经、纬纱平均线密度分类。经、纬纱平均线密度为118tex以上,为厚织物。经、纬纱平均线密度为118tex及以下,为薄织物。A.2计算方法
标准幅宽按式(A.2)计算。
式中:
篷盖用维纶染色防水帆布的标准幅宽,单位为米(m);篷盖用维纶本色帆布的标准幅宽,单位为米(m);篷盖用维纶染色防水帆布的幅宽加工系数。A.2.2标准(经、纬纱)密度按式(A.3)计算。D...=d..wXc
式中:
..(A.3)
篷盖用维纶染色防水帆布的标准(经、纬纱)密度,单位为根每十厘米(根/10cm);篷盖用维纶本色帆布的标准(经、纬纱)密度,单位为根每十厘米(根/10cm);篷盖用维纶染色防水帆布的(经、纬纱)密度加工系数。FZ/T14009-2014
打印H期:2014年7月28HF009A
中华人民共和国纺织
行业标准
蓬盖用维纶染色防水帆布
FZ/T14009--2014
中国标准出版社出版发行
北京市朝阳区和平里西街甲2号(100029)北京市西城区三里河北街16号(100045)网址spc.net.cn
总编室:(010)64275323发行中心:(010)51780235读者服务部:(010)68523946
中国标准出版社秦皇岛印刷厂印刷各地新华书店经销
开本880×12301/16印张0.75字数14千字2014年7月第一版免费标准bzxz.net
2014年7月第一次印刷
书号:155066·2-27187定价16.00元如有印装差错由本社发行中心调换版权专有侵权必究
举报电话:(010)68510107
小提示:此标准内容仅展示完整标准里的部分截取内容,若需要完整标准请到上方自行免费下载完整标准文档。

标准图片预览:





- 其它标准
- 热门标准
- FZ纺织行业标准
- FZ/T13051—2021 棉羊毛混纺涤纶弹力丝包芯纱本色布
- FZ/T94007.2-2013 综第2部分:织机综框用钢丝综
- FZ/T43057-2021 聚乳酸丝织物
- FZ/T01041-2014 绒毛织物 绒毛长度和绒毛高度的测定
- FZ/T34002-1992 亚麻印染布
- FZ/T63052—2020 涤纶短纤织带
- FZ/T63035-2016 聚酰胺复丝双层编织结构绳索
- FZ∕T14041-2018 灯芯绒涤棉混纺印染布
- FZ/T73001-2016 袜子
- FZ/T52038-2014 充填用再生涤纶超短纤维
- FZ66307-1995 特种工业用薄型棉带
- FZ/T60014-2017 絮片耐洗涤性能试验方法
- FZ/T54098-2017 聚乳酸牵伸丝
- FZ∕T10010-2018 棉及化纤纯纺、混纺印染布标志与包装
- FZ/T98007-2011 电子单纱强力仪
- 行业新闻
网站备案号:湘ICP备2023016450号-1