- 您的位置:
- 标准下载网 >>
- 标准分类 >>
- 轻工行业标准(QB) >>
- QB/T 1814-1993 钢丝发夹
标准号:
QB/T 1814-1993
标准名称:
钢丝发夹
标准类别:
轻工行业标准(QB)
标准状态:
现行出版语种:
简体中文下载格式:
.zip .pdf下载大小:
132.12 KB
相关标签:
钢丝
点击下载
标准简介:
QB/T 1814-1993.
b.电镀产品经中性盐雾试验4h,其基体耐腐蚀级别不低于3级。
4.4 漆膜牢固度
漆膜应牢固,经漆膜牢固试验后,漆膜无起皮﹑脱落现象。
4.5外观要求
4.5.1产品造型应端正,除勾型外,发夹的上下两叶应重合。
4.5.2发夹内外面不得有锈迹。
4.5.3涂漆产品外表面应色泽光亮,不得有沾漆、流漆、皱纹、露底,不应有明显划痕﹑起泡,麻点。
4.5.4电镀产品外表面应色泽光亮、均匀,不应有起泡、脱皮。
4.5.5发夹端头应光滑,切口毛边不得大于0. lmm,有珠头发夹上下叶珠头大小基本均匀,珠头不得松动及有明显的露角、起泡、凹坑。
5试验方法
5.1尺寸测量
长度、端头距、切口毛边用游标卡尺稠量。
5.2弹性试验
按表﹖规定的距离,用手拉开两叶端头连续开合5次。
5.3抗疲劳性能试验
按表⒉规定的距离,用专用测试仪,拉开两叶端头连续1200 次。
5.4耐腐蚀性能试验
中性盐雾试验按GB 5938规定试验,并按GB 5944方法评价。
5.5 漆膜牢固试验
将发夹两叶展开,下叶在直径mm 金属棒上进行弯曲,转角大于180°,用指甲轻刮弯曲顶部一次。
5.6夹持要求及外观
在相距750mm,4oW日光灯照明下进行手感目测。
6检验规则
6.1产品必须经制造厂检验舍格后方能出厂。
6.2产品检验分出厂检验和型式检验,采用每百单位产品不合格品数检验。
6.3出厂检验
6.3.1出厂检验按GB/T 2828规定进行,采用正常检查一次抽样方案。其检验项目、不合格分类、合格质经水平、检查水平见表3。
部分标准内容:
钢丝发夹
主题内容与适用范围
QB/T 1814-
本标准规定了钢丝发夹的产品分类、技术要求、试验方法、检验规则和标志、包装、运输、贮存。2引用标准
GB/T2828逐批检查计数抽样程序及抽样表(适用于连续批的检查)GB/T2829周期检查计数抽样程序及抽样表(适用于生产过程稳定性的检查)GB5938轻工产品金属镀层和化学处理层的耐腐蚀试验方法中性盐雾试验(NSS)法GB5944轻工产品金属镀层腐蚀试验结果的评价3产品分类
3.1产品结构及各部名称
产品结构示意及各部名称见图1。图1
1-端头;2—前接触点:3—上叶;4—下叶3.2产品型式
3.2.1产品按型式分平面型、波浪型、叶型、花型、麻花型、勾型六种,见图2,代号见表1。5
a.平面型
中华人民共和国轻工业部1993-07-29批准图2
b.波浪型
000000
1994-03-01实施
产品型式
型式代号
心、麻花型
平面型
QB/T 1814 993
续图2
波浪型
3.2.2产品端头分有珠头(Q)和无珠头。3.3产品标记
标记示例:GFB50-1QQB/T1814
标雄号
珠头代号
麻花型
设计序号(用阿拉伯数字表示)长度Lmm
—型代号
产品名称代号
第次设计长度50mm的珠头波浪钢丝发夹。4技术要求
4.1尺寸要求
产品长度L的极限偏差应符合表么规定。表2
长度尺寸
极限偏差
端头距(弹性)
端头距(疲劳性能)
4.2使用要求
4.2.1弹性
除勾型外,经弹性试验后,产品应恢复原状。>60
4.2.2抗疲劳性能
除勾型外,经疲劳性能试验后,产品前接触点或面不得有间隙。4.2.3夹持要求
发夹前接触点不得有间隙或接触面不得小于长度的三分之一。4.3耐腐蚀性能
涂漆产品经中性盐雾试验Bh,其基体耐腐蚀级别不低于6级;装藏。
QB/T 1814--1993
b,电镀产品经中性盐雾试验4h,其基体耐腐蚀级别不低于3级。4.4漆膜牢固度
漆膜应牢固,经漆膜牢固试验后,漆膜无起皮、脱落现象。4.5外观要求
4.5.1产品造型应端正,除勾型外,发夹的上下两叶应重合。4.5.2发夹内外面不得有锈迹。
4.5.3涂漆产品外表面应色泽光癌,不得有沾漆、流漆、皱纹、露底,不应有明显划痕、起泡、麻点。4.5.4电镀产品外表面应色泽光亮、均勾,不应有起泡、脱皮。4.5.5发夹端头应光滑,切口毛边不得大于0.1mm,有珠头发夹上下叶珠头大小基本均匀,珠头不得松动及有明显的露角、起泡、凹坑。5试验方法
5.1尺寸测量
长度、端头距、切日毛边用游标卡尺测量。5.2弹性试验
按装2规定的距离,用手拉开两叶端头连续开合5次。5.3抗疲劳性能试验
按表2规定的距离,用专用测试仪,拉开两叶端头连续1200次。5.4耐腐蚀性能试验
中性盐雾试验按GB5938规定试验,并按GB5944方法评价。5.5漆膜牢固试验
将发夹两叶展开,下叶在直径5mm金属棒上进行弯曲,转角大于180°,用指甲轻刮弯曲顶部一次。5.6夹持要求及外观
在相距750mm,40W日光灯照明下进行手感目测。6检验规赠
6.1产品必须经制造厂检验合格后方能出厂、6.2产品检验分出厂检验和型式检验,采用每百单位产品不合格品数检验。6.3出厂检验
6.3.1出厂检验按GB/T2828规定进行,采用正常检查一次抽样方案。其检验项目、不合格分类、合格质鑫承平、检套水平见髪3
检验项目
夹持要求
长度尺叶
外观要求
技术要求
试验方法
不合格分类
合格质水平(AQL)
检查水平 IL
QB/T1814—1993
6.3.2经出厂检验判定为合格批时,交货方将检出不合格品换成合格品后方可提交;判定为不合格时,该批产品由交货方返工整理后,才能再次提交检验。6.4型式检验
6.4.1有下列情况之-~时,应进行型式检验。a.
新产品或老产品转厂生产的定型鉴定;产品投产后,当结构、材料、工艺有较大改变时,可能影响产品性能时;产品停产半年以上,恢复生产时;上级质量监督机构或主管单位提出进行型式检验的要求时;正常生产时,每年进行一次。
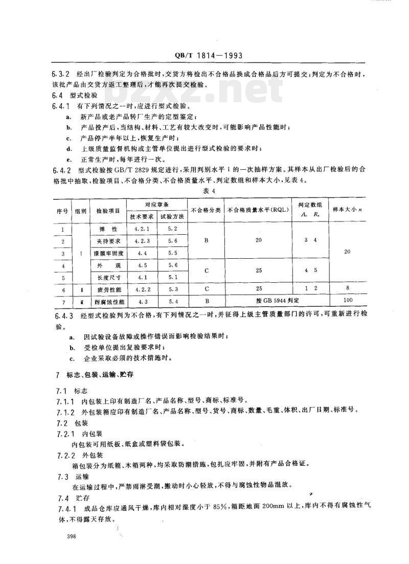
6.4.2型式检验按GB/T2829规定进行,采用判别水平I的一次抽样方案。其样本从出厂检验后的合格批中抽取,检验项目、不合格分类、不合格质量水平、判定数组和样本大小,见表4。表4
检验项目
夹持要求
漆膜车固度
长度尺寸
疲劳性能
[耐腐蚀性能
对应章条
技术要求
试验方法
不合格分类|不合格质量水平(RQLB
判定数组
按GB5944判定
样本大小n
经型式检验判为不合格,有下列情况之一时,并征得上级主管质量部门的许可,可重新进行检因试验设备故障或操作错误而影响检验结果时;受检单位提出复验要求时;
企业采取必须的技术措施时。
7标志、包装、运输、贮存
7.1标志
7.1.1内包装上印有制造厂名、产品名称、型号、商标、标准号。7.1.2外包装箱应印有制造厂名、产品名称、型号、货号、商标、数量、毛重、体积、出厂日期、标准号。7.2包装
7.2.1内包装
内包装可用纸板、纸盒或塑料袋包装。7.2.2外包装
箱包装分为纸箱、木箱两种,均采取防潮措施,包扎应牢固,并附有产品合格证。7.3运输
在运输过程中,严禁丽淋受潮,搬动时小心轻放,不得与腐蚀性物品混放。7.4贮存
7.4.1成品仓库应通风干燥,库内相对湿度小于85%,箱距地面200mm以上,库内不得有腐蚀性气体,不得露天存放。
QB/T1814-1993下载标准就来标准下载网
2产品在符合7.3,7.4.1规定及不开箱情况下,贮存保质期:涂漆产品为一年;电镀产品为半年。7.4.2
附加说明:
本标准由轻工业部质量标准司提出。本标准由全国日用五金标准化中心归口。本标准由上海发夹厂、北京发卡厂负责起草。本标准主要起草人郁宏伟。
自本标准实施之日起,原轻工业部部标准SG370-1.984《钢丝发夹》废址。399
小提示:此标准内容仅展示完整标准里的部分截取内容,若需要完整标准请到上方自行免费下载完整标准文档。
标准图片预览:





- 其它标准
- 热门标准
- QB轻工标准
- QB/T5302-2018 生活用干纸巾流延聚乙烯(CPE) 包装膜
- QB/T2833-2006 运动营养食品 能量控制食品
- QB/T1640-1992 陶瓷模用石膏粉物理性能测试方法
- QB/T1334-2013 水嘴通用技术条件
- QB/T4701-2014 毛发护理器具环境意识设计导则
- QB/T1272-2012 毛皮 化学试验样品的准备
- QB/T2421-1998 铝及铝合金不粘锅
- QB/T2049.5-1994 电光源玻壳K型玻壳尺寸系列
- QB1872-1993 服装用皮革
- QB/T1949-2004 扬琴
- QB/T4427-2012 芸香浸膏 枫香树脂提取物
- QB/T2816-2006 工业用缝纫机单(双)针下送料立柱式平缝机机头
- QB6005-1992 麦芽厂设计规范
- QB/T2173-2001 尼龙拉链
- QB/T2172-1995 注塑拉链
- 行业新闻
网站备案号:湘ICP备2025141790号-2