- 您的位置:
- 标准下载网 >>
- 标准分类 >>
- 汽车行业标准(QC) >>
- QC/T 616-2011 C型通孔式嵌装塑料螺母
标准号:
QC/T 616-2011
标准名称:
C型通孔式嵌装塑料螺母
标准类别:
汽车行业标准(QC)
标准状态:
现行出版语种:
简体中文下载格式:
.zip .pdf下载大小:
958.02 KB

点击下载
标准简介:
QC/T 616-2011.Plastic expansion nut with open end-Type C.
1范围.
QC/T 616规定了C型通孔式嵌装塑料螺母的型式与尺寸、技术条件。
QC/T 616适用于与NST4. 5 ~ NST6自攻螺钉螺纹相配的C型通孔式嵌装塑料螺母。
2规范性引用文件
下列文件对于本标准的应用是必不可少的。凡是注日期的引用文件,仅所注日期的版本适用于本标准。凡是不注日期的引用文件,其最新版本(包括所有的修改单)适用于本标准。
QC/T 326汽车标准件产 品编号规则
QC/T 618嵌装塑料螺母技术条件
QC/T 713塑料(尼龙) 用自攻螺钉螺纹
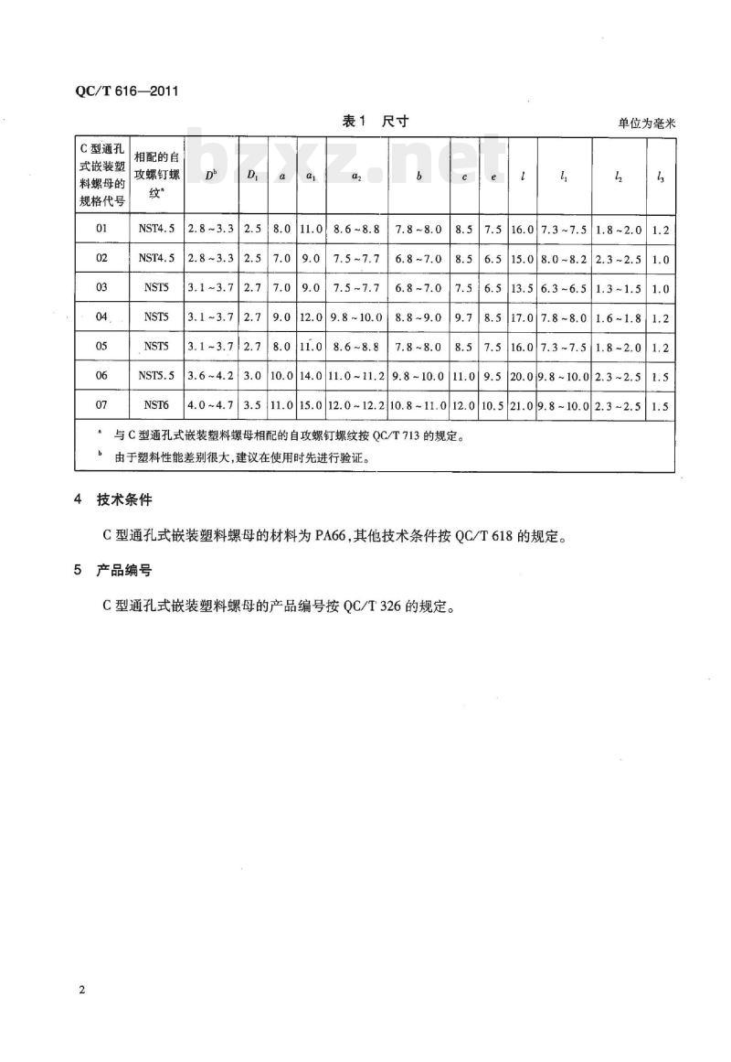
3型式与尺寸
C型通孔式嵌装塑料螺母的型式与尺寸按图1和表1。C型通孔式嵌装塑料螺母用底孔见附录A。
4技术条件
C型通孔式嵌装塑料螺母的材料为PA66,其他技术条件按QC/T 618的规定。
5产品编号
C型通孔式嵌装塑料螺母的产品编号按QC/T 326的规定。
本标准按照GB/T 1. 1-2009给出的规则起草。
本标准代替QC/T 616-1999。本标准与QC/T 616-1999相比,主要变化如下:
修改了与C型通孔式嵌装塑料螺母相配的自攻螺钉螺纹(ST螺纹改为NST螺纹);
将尺寸代号d改为D,D改为D1;
修改了与C型通孔式嵌装塑料螺母相配的金属薄板厚度尺寸;
修改了尺寸b。
本标准由全国汽车标准化技术委员会( SAC/TC114)提出并归口。
本标准起草单位:广州汽车集团有限公司汽车工程研究院、长安福特马自达汽车有限公司南京公司。
本标准主要起草人:赵喆、段连祥、卢丽娟、邹蕾。
本标准所代替标准的历次版本发布情况为:
一QC/T 616- -1999。

部分标准内容:
中华人民共和国汽车行业标准
QC/T616-2011
代替QC/T616—1999
C型通孔式嵌装塑料螺母
Plastic expansion nut with open endType C2011-12-20发布
2012-07-01实施
中华人民共和国工业和信息化部发布
规范性引用文件
型式与尺寸·
技术条件…
产品编号
附录A(规范性附录)
C型通孔式嵌装塑料螺母用底孔
QC/T616—2011
QC/T616-2011
本标准按照GB/T1.1—2009给出的规则起草。本标准代替QC/T616—1999。本标准与QC/T616—1999相比,主要变化如下:修改了与C型通孔式嵌装塑料螺母相配的自攻螺钉螺纹(ST螺纹改为NST螺纹);-将尺寸代号d改为D,D改为Dt;
修改了与C型通孔式嵌装塑料螺母相配的金属薄板厚度尺寸;修改了尺寸b。
本标准由全国汽车标准化技术委员会(SAC/TC114)提出并归口。本标准起草单位:广州汽车集团有限公司汽车工程研究院、长安福特马自达汽车有限公司南京公司。
本标准主要起草人:赵喆、段连祥、卢丽娟、邹蕾。本标准所代替标准的历次版本发布情况为:-QC/T 616-—-1999。
C型通孔式嵌装塑料螺母
本标准规定了C型通孔式嵌装塑料螺母的型式与尺寸、技术条件。QC/T 616--2011
本标准适用于与NST4.5~NST6自攻螺钉螺纹相配的C型通孔式嵌装塑料螺母。2规范性引用文件
下列文件对于本标准的应用是必不可少的。凡是注日期的引用文件,仅所注日期的版本适用于本标准。凡是不注日期的引用文件,其最新版本(包括所有的修改单)适用于本标准。QC/T326汽车标准件产品编号规则QC/T618嵌装塑料螺母技术条件
QC/T713塑料(尼龙)用自攻螺钉螺纹3
型式与尺寸
C型適孔式嵌装塑料螺母的型式与尺寸按图1和表1。C型通孔式嵌装塑料螺母用底孔见附录A。
注:其余未规定的细节由制造商确定。图1C型通孔式嵌装塑料螺母的型式与尺寸QC/T 616—2011
C型通孔
式嵌装塑
料螺母的
规格代号
相配的自
攻螺钉螺
表1尺寸
10.014.011.0~11.2
115.0112.0.
单位为毫米
16.07.3~7.51.8~2.01.2
15.08.0~8.22.3~2.5
13.56.3 ~6.5
117.07.8 ~8.0
16.07.3~7.5
20.09.8~10.02.3~2.5
10.8 ~11.012.010.5
21.09.8~10.0
与C型通孔式嵌装塑料螺母相配的自攻螺钉螺纹按QC/T713的规定。由于塑料性能差别很大,建议在使用时先进行验证。4技术条件
C型通孔式嵌装塑料螺母的材料为PA66,其他技术条件按QC/T618的规定。5产品编号
C型通孔式嵌装塑料螺母的产品编号按QC/T326的规定。.3~2.5
附录A
(规范性附录)
C型通孔式嵌装塑料螺母用底孔
A.1C型通孔式嵌装塑料螺母用底孔C型通孔式嵌装塑料螺母用底孔及其应用按图A.1和表A.1的规定。S
C型通孔式嵌装塑料螺母的规格代号01
QC/T616—2011
单位为毫米
S/N:1580177·814
1158017781403
中华人民共和国汽车行业标准
C型通孔式嵌装塑料螺母免费标准bzxz.net
QC/T616—2011
中国计划出版社出版
(地址:北京市西城区木梯地北里甲11号国宏大厦C座4层)(邮政编码:100038电话:6390643363905381)新华书店北京发行所发行
三河富华印剧包装有限公司印刷880×1230毫米
1/160.75印张18千字
2012年5月第1次印刷
2012年5月第1版
印数1—600册
统一书号:1580177-814
定价:12.00元
版权专有
侵权必究
小提示:此标准内容仅展示完整标准里的部分截取内容,若需要完整标准请到上方自行免费下载完整标准文档。

标准图片预览:





- 其它标准
- 热门标准
- QC汽车标准
- QC/T709-2004 汽车密封条压缩永久变形试验方法
- QC/T1141-2020 汽车离合器分离轴承总成
- QC/T476-2007 客车防雨密封性限值及试验方法
- QC/T932-2012 道路运输液体危险货物罐式车辆紧急切断阀
- QC/T491-2018 汽车减振器性能要求及台架试验方法
- QC/T29106-2014 汽车电线束技术条件
- QC/T216-1996 汽车用地毯的性能要求及试验方法
- QC/T944-2013 汽车材料中多溴联苯(PBBs)和多溴二苯醚(PBDEs)的检测方法
- QC/T1007-2015 汽车用燃油滤清器过滤性能的评定颗粒计数法
- QC/T79.2-2008 道路车辆牵引车和挂车之间气制动连接用螺旋管总成第2部分:性能要求
- QC/T207-1996 汽车腊通气弹簧
- QC/T1066-2017 汽车驻车制动用拉索总成性能要求及台架试验方法
- QC/T898-2013 摩托车和轻便摩托车辐条
- QC/T401-2013 卡套式锥螺纹直角接头体
- QC/T30-2004 机动车用电喇叭技术条件
- 行业新闻
网站备案号:湘ICP备2023016450号-1