- 您的位置:
- 标准下载网 >>
- 标准分类 >>
- 汽车行业标准(QC) >>
- QC/T 602-1999 十字槽大半圆头自攻螺钉
标准号:
QC/T 602-1999
标准名称:
十字槽大半圆头自攻螺钉
标准类别:
汽车行业标准(QC)
标准状态:
现行出版语种:
简体中文下载格式:
.zip .pdf下载大小:
161.98 KB

点击下载
标准简介:
QC/T 602-1999.
1范围
QC/T 602规定了ST2. 9~ST6.3的十字槽大半圆头自攻螺钉。
2引用标准
下列标准包含的条文,通过在本标准中引用而构成为本标准的条文。在本标准出版时,所示版本均为有效。所有标准都会被修订,使用本标准的各方应探讨使用下列标准最新版本的可能性。
GB/T 90-- 1985.紧固件验收检查、标志与包装
GB/T 944.1-1985螺钉 用十字槽
GB/T 3098. 5- 1985紧固件机械性能自 攻螺钉
GB/T 3098. 6- 1985紧固件机械性能不锈钢螺栓 、螺钉、螺柱和螺母
GB/T 3103. 1-1982紧固件公差螺栓 、螺钉和螺母
GB/T 5280- 1985自 攻螺钉用螺纹
QC/T 326- 1999汽车 用标准件产品编号规则
QC/T 625-1999汽车 用涂镀层和化学处理层
3型式与尺寸
5产品编号
5.1 编号方法按QC/T 326规定。.
5.2 编号示例
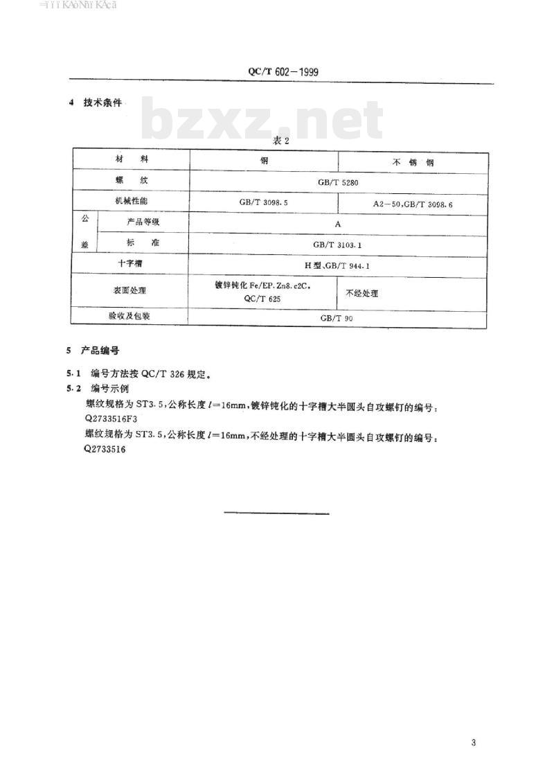
螺纹规格为ST3.5,公称长度l= 16mm ,镀锌钝化的十字槽大半圆头自攻螺钉的编号:Q2733516F3
螺纹规格为ST3.5,公称长度l= 16mm,不经处理的十字槽大半圆头自攻螺钉的编号:Q2733516
本标准规定了ST2. 9~ST6. 3十字槽大半圆头自攻螺钉。由于较以往传统自攻螺钉的头部直径有较大的增大,因而增大了被接触零件的接触面积。
本标准由国家机械工业局提出。.
本标准由全国汽车标准化技术委员会归口。
本标准起草单位:跃进汽车集团公司
本标准起草人:赵喆

部分标准内容:
本标准规定了ST2.9~ST6.3十字槽大半圆头自攻螺钉。由于较以往传统自攻螺钉的头部直径有较大的增大,因而增大了被接触零件的接触面积。本标准由国家机械工业局提出。本标准由全国汽车标准化技术委员会归口。本标雁起草单位:跃进汽车集团公司本标准起草人:赵喆
1范围
中华人民共和国汽车行业标准
十字槽大半圆头自攻螺钉
本标准规定了ST2.9~ST6.3的十字槽大半圆头自攻螺钉。2引用标准
QC/T602-1999
下列标准包含的条文,通过在本标准中引用而构成为本标准的条文。在本标准出版时,所示版本均为有效。所有标准都会被修订,使用本标准的各方应探讨使用下列标准最新版本的可能性。GB/T90-1985紧固件验收检查、标志与包装GB/T944.1-1985螺钉用十字槽
GB/T3098.5-1985紧固件机械性能自攻螺钉
GB/T3098.6-1985紧固件机械性能不锈钢螺栓、螺钉、螺柱和螺母GB/T3103.1-1982紧固件公差螺栓、螺钉和螺母GB/T5280-1985自攻螺钉用螺纹
QC/T326--1999汽车用标准件产品编号规则QC/T625-1999
3型式与尺寸
汽车用涂镀层和化学处理层
国家机械工业局1999-11-05批准2000—07-01实施
螺纹规格
ma(参考)
播入深度
3(参考)
12.213.812.2
15.216.815.2
18.219.818.2
21.222.820.7
24.225.823.7
30.733.330.7
36.739.336.7
QC/T602-1999
7.5~8.09.5~10.0
2.05~2.352.35~2.65
11.5~12.0
2.85~3.15
3.50~3.90
-iiiKAoNhikAca
4技术条件
机械性能
产品等级
十字槽
表面处理
验收及包装
5产品编号
5.1编号方法按QC/T326规定。
5.2编号示例
QC/T602—1999
GB/T5280
GB/T3098.5
GB/T3103.1
H型.GB/T944.1
镀锌钝化Fe/EP.Zn8.c2C,
QC/T625
不锈钢
A250,GB/T3098.6
不经处理
GB/T90
螺纹规格为ST3.5,公称长度1一16mm,镀锌钝化的十字槽大半圆头自攻螺钉的编号:Q2733516F3bzxZ.net
螺纹规格为ST3.5,公称长度1=16mm,不经处理的十字槽大半圆头自攻螺钉的编号:Q2733516
小提示:此标准内容仅展示完整标准里的部分截取内容,若需要完整标准请到上方自行免费下载完整标准文档。

标准图片预览:





- 其它标准
- 热门标准
- QC汽车标准
- QC/T593-2014 汽车液压比例阀性能要求及台架试验方法
- QC/T709-2004 汽车密封条压缩永久变形试验方法
- QC/T1141-2020 汽车离合器分离轴承总成
- QC/T340-2017 汽车用六角法兰承面带齿螺栓
- QC/T639-2004 汽车用橡胶密封条
- QC/T804-2014 乘用车仪表板总成和副仪表板总成
- QC/T228.4-1997 摩托车和轻便摩托车操纵拉索套管
- QC/T535-1999 重型载货汽车燃料消耗量限值
- QC/T29117.12-93 摩托车和轻便摩托车产品质量检验减震器质量评定方法
- QC/T216-1996 汽车用地毯的性能要求及试验方法
- QC/T1105-2019 接地螺栓性能要求及试验方法
- QC/T228.7-1997 摩托车和轻便摩托车操纵拉索调整螺母
- QC/T540-1999 汽车柴油机“S”尺寸的2型法兰或压板安装喷油器体
- QC/T1007-2015 汽车用燃油滤清器过滤性能的评定颗粒计数法
- QC/T207-1996 汽车腊通气弹簧
- 行业新闻
网站备案号:湘ICP备2023016450号-1