- 您的位置:
- 标准下载网 >>
- 标准分类 >>
- 轻工行业标准(QB) >>
- QB/T 2220-1998 圆筒式灯头的量规
标准号:
QB/T 2220-1998
标准名称:
圆筒式灯头的量规
标准类别:
轻工行业标准(QB)
标准状态:
现行出版语种:
简体中文下载格式:
.zip .pdf下载大小:
3.76 MB
点击下载
标准简介:
QB/T 2220-1998.
QB/T 2220规定了检验圆简式灯头互换性尺寸的量规的产品分类、技术要求、标志、包装及使用原则。
QB/T 2220适用于设计和制造检验按GB 2798生产的圆简式灯头用的量规及其使用方法和原则。
2引用标准
下列标准包含的条文,通过在本标准中引用而构成为本标准的条文。在标准出版时,所示版本均为有效。所有标准都会被修订,使用本标准的各方应探讨使用下列标准最新版本的可能性。
GB 2798- -81圆筒式和凹式灯头的型式和尺寸
GB 1957-81光滑极限量规
3产品分类
QB/T 2220规定的量规按用途分为通规和止规两类,共有SX6s.S7s. S10s. S12s.SYt5s.S19s六种规格。
4技术要求
4.1圆筒式灯头量规的型式、 尺寸应符合下列图表的规定。
SX6s和S 19s灯头的通规见图1和表1;
S7s. S10s和SY 15s灯头的通规见图2和表2;
S12s灯头的通规见图3和表3;
SX6s. S7s、 S10s、 S12s、 SY15s. S19s灯头的止规见图4和表4。
4.2量规的材质、 工作面硬度和表面粗糙度等主要技术条件应符合GB1957第3章的要求。
4.3通止规工 作面倒角为0.5X45。
4.4制造厂应有经计量部门验证的校验规,以备对量规进行检验,经检验合格的量规应有合格证。
5标志、包装
5..量规包装前应进行防锈处理,并用硬质材料作外部包装。
6使用原则
灯头生产厂用符合本标准的量规检验灯头时,生产部门应使用较新的或磨损较小的通规,检验部门和用户应使用较旧的或磨损较多的通规。
部分标准内容:
圆筒式灯头的量规
QB/T2220-1996Www.bzxZ.net
本标准是在QB696-79的基础上修订而成。本次修订中增加了SX6s、S12s两个规格的灯头量规。
自本标准实施之日起,原轻工业部标准QB696一79《圆筒式灯头的量规》作废。本标推由中国轻工总会质量标准部提出。本标准由全国电光源标准化中心归口。本标准由江苏华明实业公司负责起草。本标准主要起草人:卢荣林。
1范围
中华人民共和国行业标准
圆简式灯头的量规
QB/T2220—1996
本标准规定了检验圆筒式灯头互换性尺寸的量规的产品分类、技术要求、标志、包装及使用原则。
本标准适用于设计和制造检验按GB2798生产的圆简式灯头用的量规及其使用方法和原则。
2引用标准
下列标准包含的条文,通过在本标准中引用而构成为本标准的条文。在标准出版时,所示版本均为有效。所有标准都会被修订,使用本标准的各方应探讨使用下列标准最新版本的可能性。
GB2798-81圆筒式和凹式灯头的型式和尺寸GB1957—81:光滑极限量规
3产品分类
本标准规定的量规按用途分为通规和止规两类,共有SX6s、S7s、S10s、S.12s、SY15s、S19s六种规格。
4技术要求
4.1圆筒式灯头量规的型式、尺寸应符合下列图表的规定。SX6s和S19s灯头的通规见图1和表1;S7s,S10s和SY15s灯头的通规见图2和表2S12s灯头的通规见图3和表3;
SX6s、S7s、S10s、S12s、SY15s、S19s灯头的止规见图4和表4。4.2量规的材质、工作面硬度和表面粗糙度等主要技术条件应符合GB1957第3章的要求。
4.3通止规工作面倒角为0.5×45。4.4制造厂应有经计量部门验证的校验规,以备对量规进行检验,经检验合格的量规应有合格证。
5标志、包装
5.1量规的非工作面上应有下列清晰而牢固的标志。中国轻工总会1995—06-05批准
1997—03--01实施
QB/T2220-1996
a,量规的型号:该型号与相应被检灯头一致;b.量规专用代号:
通规——“通\或“T”,
止规——“止”或“Z”;
c.本标准编号:QB/T2220
d。出厂日期和厂商标志。
-1996:
5.2量规包装前应进行防锈处理,并用硬质材料作外部包装。6使用原则
灯头生产厂用符合本标准的量规检验灯头时,生产部门应使用较新的或磨损较小的通规,检验部门和用户应使用较旧的或磨损较多的通规。0
图1SX6s.S19s灯头的通规
尺寸符号
目的:检验SX6s、S19s灯头的外径最大值和全长。制造偏差
磨损后的极限偏差
检验;灯头应能从0面完全进入量规,其底部(或口部)不应低于X面和高于Y面。37
尺寸符号
QB/T2220--1996
图2S7s、S10s、SY15s灯头的通规表2
制造偏差
目的:检验S7s、S10s和SY15s灯头的外径最大值和全长。磨损后的极限偏差
检验:灯头应能从0面完全进入量规,其接触片(或灯头底部)不应低于X面和高于Y面。
尺寸符
QB/T2220-1996
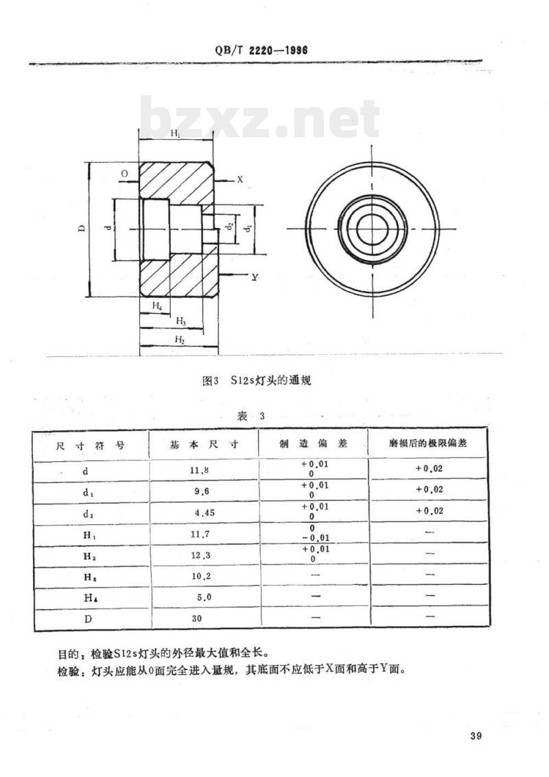
图3S12s灯头的通规
基本尺寸
目的:检验S12s灯头的外径最大值和全长。制造偏差
磨损后的极限偏差
检验:灯头应能从0面完全进入量规,其底面不应低于X面和高于Y面。39
尺寸符号
QB/T2220--1996
图4SX6s、S7s、S10s、S12s、SY15s和S19s灯头的止规表4
制造偏差
目的:检验SX6s、S7s、S10s、S12s、SY15s、S19s灯头外径的最小值。检验:灯头应不能通过量规。
磨损后的
极限偏差
中华人民共和国
行业标准
灯头、灯座的型号命名方法
单端荧光灯灯头的型式和尺寸
圆筒式灯头的盘规
QB2218、2219—1996
QB/T2220—1996
轻工业标准化编辑出版委员会
地址:北京朝外光华路12号
电话:65060022-2320
邮政编码:100020
内部资料
不准翻印
印数:1000册定价:10.00元
小提示:此标准内容仅展示完整标准里的部分截取内容,若需要完整标准请到上方自行免费下载完整标准文档。
标准图片预览:





- 其它标准
- 热门标准
- QB轻工标准
- QB/T5302-2018 生活用干纸巾流延聚乙烯(CPE) 包装膜
- QB/T2833-2006 运动营养食品 能量控制食品
- QB/T1334-2013 水嘴通用技术条件
- QB/T1640-1992 陶瓷模用石膏粉物理性能测试方法
- QB/T4916-2016 伊代欣糖(浆)
- QB/T2049.5-1994 电光源玻壳K型玻壳尺寸系列
- QB1872-1993 服装用皮革
- QB/T2609-2003 工业缝纫机漏油的测试方法 第1部分:平缝纫机漏油的测试方法
- QB/T1272-2012 毛皮 化学试验样品的准备
- QB/T2816-2006 工业用缝纫机单(双)针下送料立柱式平缝机机头
- QB/T4701-2014 毛发护理器具环境意识设计导则
- QB/T5302-2018 生活用干纸巾流延聚乙烯(CPE) 包装膜
- QB/T2858-2007 学生书袋
- QB/T4427-2012 芸香浸膏 枫香树脂提取物
- QB6005-1992 麦芽厂设计规范
- 行业新闻
网站备案号:湘ICP备2025141790号-2