- 您的位置:
- 标准下载网 >>
- 标准分类 >>
- 通信行业标准(YD) >>
- YD/T 841.3-2016 地下通信管道用塑料管 第3部分:双壁波纹管
标准号:
YD/T 841.3-2016
标准名称:
地下通信管道用塑料管 第3部分:双壁波纹管
标准类别:
通信行业标准(YD)
标准状态:
现行出版语种:
简体中文下载格式:
.zip .pdf下载大小:
1.45 MB
点击下载
标准简介:
YD/T 841.3-2016.Plastic duct for telecommunication underground conduit Part 3: Double-wall corrugated duct.
1范围
YD/T 841.3规定了地下通信管道用双壁波纹管的产品型号、分类、结构、要求、试验方法、检验规则、标志、运输、储存等。
YD/T 841.3适用于地下通信管道系统中使用的双壁波纹管。
2规范性引用文件
下列文件对于本文件的应用是必不可少的。凡是注日期的引用文件,仅所注日期的版本适用于本文件。凡是不注日期的引用文件,其最新版本(包括所有的修改单)适用于本文件。
GB/T 2828.1-2012计数抽样 检验程序第1部分:按接收质量限(AQL)检索的逐批检验抽样计划
GB/T 8806-2008塑料管道系统塑料部件尺寸的测定(ISO 3126:2005, IDT)
GB/T 19472.1-2004埋地用聚乙烯(PE)结构壁管道系统第1部分:聚乙烯双壁波纹管材
GB/T 26572-2011电子电气产品中限用物质的限量要求
YD/T 841.1-2016地下通信管道用塑料管第1部分:总则
3产品型号、分类和结构
3.1产 品型号
应符合YD/T 841.1-2016中4.2的相关规定。
3.2 产品分类
管材除按YD/T 841.1-2016中4.1分类外,还可以按环刚度分类,见表1。
3.3 产品结构
3.3.1产品结构示意图
根据连接方式的不同,典型的双壁波纹管有两种结构形式,如图1和图2所示。
部分标准内容:
中华人民共和国通信行业标准
YD/T841.3-2016
代替YD/T841.3-2008
地下通信管道用塑料管
第3部分:双壁波纹管
Plastic duct for telecommunication underground conduitPart3:Double-wall corrugatedduct2016-07-11发布
2016-10-01实施
中华人民共和国工业和信息化部发布前
范围·
规范性引用文件
产品型号、分类和结构·
4要求··
试验方法
6检验规则·
7标志、运输、储存
YD/T841.3-2016
YD/T841.3-2016
YD/T841《地下通信管道用塑料管》分为以下部分:第1部分:总则:
第2部分:实壁管:
第3部分:双壁波纹管;
第4部分:硅芯管:
第5部分:梅花管:
第6部分:栅格管:
第7部分:蜂窝管:
第8部分:塑料合金复合型管;
本部分为YD/T841的第3部分。
本部分按照GB/T1.1-2009给出的规则起草。本部分代替YD/T841.3-2008《地下通信管道用塑料管第3部分:双壁波纹管》。本部分与YD/T841.3-2008相比,除编辑性修改外主要技术变化如下:修改了规范性引用文件(见第2章,2008年版第2章):;删除了符号(2008年版第3章):修改了承口最小壁厚为最小内层壁厚的1.5倍(见4.4.2,2008年版5.4.2):一删除了聚氯乙烯(PVC-U)管材物理力学及环境性能要求中的纵向回缩率试验、扁平试验、维卡软化温度试验、蠕变比率试验(见2008年版5.7.1):删除了聚乙烯(PE)管材物理力学及环境性能要求中的纵向回缩率试验、蠕变比率试验(见2008年版5.7.2):
增加了老化后的扁平试验要求(见4.6):增加了高温灼烧残留量试验要求(见4.6);增加了环保性能要求(见4.7):修改了出厂检验(见6.3,2008年版7.3.3)请注意本文件的某些内容可能涉及专利。本文件的发布机构不承担识别这些专利的责任。本部分由中国通信标准化协会提出并归口。本部分起草单位:中国信息通信研究院、武汉烽火科技集团有限公司、成都泰瑞通信设备检测有限公司,湖北凯乐科技股份有限公司,杭州光泛通信技术有限公司、浙江八方电信有限公司、华龙光通信技术有限公司、西安西古光通信有限公司。I
HiiKAoNiKAca
YD/T841.3-2016
本部分主要起草人:李婷婷、谢寸飞、刘骋、宋红华、张拥军、钱强、李勤、张海莲、王正刚、
本部分所代替标准的历次版本发布情况为:YD/T841-1996;
YD/T841.3-2008。
HiiKAoNiKAca
1范围
地下通信管道用塑料管
第3部分:双壁波纹管
YD/T841.3-2016
本部分规定了地下通信管道用双壁波纹管的产品型号、分类、结构、要求、试验方法、检验规则、标志、运输、储存等。
本部分适用于地下通信管道系统中使用的双壁波纹管。2规范性引用文件
下列文件对于本文件的应用是必不可少的。凡是注日期的引用文件,仅所注日期的版本适用于本文件。凡是不注日期的引用文件,其最新版本(包括所有的修改单)适用于本文件。GB/T2828.1-2012计数抽样检验程序第1部分:按接收质量限(AQL)检索的逐批检验抽样计划GB/T8806-2008
塑料管道系统塑料部件尺寸的测定(ISO3126:2005,IDT)GB/T19472.1-2004埋地用聚乙烯(PE)结构壁管道系统第1部分:聚乙烯双壁波纹管材GB/T26572-2011电子电气产品中限用物质的限量要求YD/T841.1一2016地下通信管道用塑料管第1部分:总则3产品型号、分类和结构
3.1产品型号
应符合YD/T841.1一2016中4.2的相关规定。3.2产品分类
管材除按YD/T841.1一2016中4.1分类外,还可以按环刚度分类,见表1。表1环刚度等级
环刚度
注:括号内数值为非首选等级
3.3产品结构
3.3.1产品结构示意图
单位为千牛顿每平方米
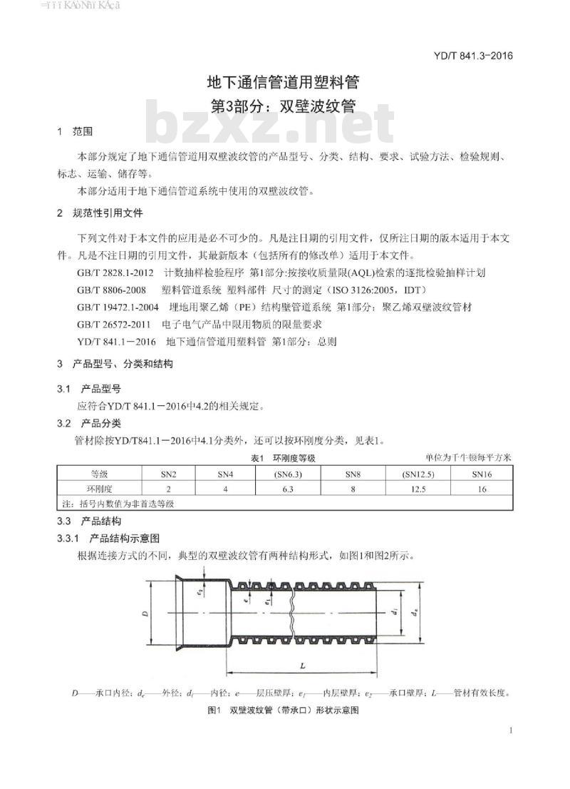
根据连接方式的不同,典型的双壁波纹管有两种结构形式,如图1和图2所示。nog
承口内径:de
外径:d,
内径:e
层压壁厚:er
内层壁厚:e2
图1双壁波纹管(带承口)形状示意图承口壁厚:L
管材有效长度。
iiikAoNiKAca
YD/T841.3-2016
aonnnanan
UOUUOUUUUO
外径:d.
3.3.2管材的连接方式
3.3.2.1承插式连接方式
承插式连接方式如图3所示。
内径:
层压壁厚;e
内层壁厚:L
图2双壁波纹管(无承口)形状示意图密封圈
管材有效长度。
ooooooo
接合长度:D
承口内径;dum
平均内径:e2
承口壁厚
图3波纹管承插连接截面示意图(密封圈嵌在波谷中)3.3.2.2套管连接方式
套管连接方式如图4所示。
密封圈
annaaaa
oooooon
接合长度:d
承口内径:di
平均内径:e:
套管壁厚。
图4波纹管套管连接示意图(密封圈嵌在波谷中)3.3.2.3哈呋外固连接方式
HiiKANiKAca
哈呋外固连接方式如图5所示。
半环式外围管件
连体密封圈
nnaannnn
图5波纹管哈呋外固连接示意图
4要求
4.1材料
YD/T841.3-2016
管材的主要材料应为聚氯乙烯或聚乙烯树脂,并加入为改进产品性能所必需的添加剂。4.2颜色
管材内外层各自的颜色应均匀一致,外层一般为本色,或由供需双方协商确定。4.3外观
管材内、外壁应光滑、平整,无气泡、裂纹、分解变色线及明显的杂质,管材断面切割应平整,无裂口、毛刺并与管轴线垂直。
4.4结构尺寸
4.4.1典型的双壁波纹管材尺寸
典型的双壁波纹管的规格尺寸见表2。当用户提出要求,并与制造商协商后,可以生产表2规定以外规格尺寸的产品。
表2典型的双壁波纹管外径系列管材的尺寸公称外径
平均外径dem
标称值
允许误差
最小平均内径
diammin
长度允许偏差为0mm~30mm,交货长度也可由制造商与用户商定4.4.2典型的双壁波纹管承口结构尺寸最小层压壁厚
最小内层壁厚
单位为毫米
有效长度“
典型的双壁波纹管的承口结构尺寸见表3,且承口的最小平均内径应不小于管材的最大平均外径。表3
公称外径DN/OD
典型的双壁波纹管承口结构尺寸承口最小壁厚e2-min
最小接合长度Amin
单位为毫米
HiiKAoNiKAca
YD/T841.3-2016
公称外径DN/OD
5弯曲度
表3(续)
承口最小壁厚e2min
最小接合长度A
硬直管同方向弯曲度应不大于2%。管材不允许有“S”形弯曲。硬弯管、可挠管不考核弯曲度指标4.6
物理力学及环境性能要求
聚氯乙烯(PVC-U)管材物理力学及环境性能要求4.6.1
应符合表4的规定。
表4聚氯乙烯(PVC-U)管材物理力学及环境性能要求序号
检验项目
落锤冲击试验
环刚度
复原率
套管坠落试验
连接密封性
静摩擦系数
热老化后的扁平试验
高温灼烧残留量
性能要求
(0±1)℃,2h,试样9/10及以上不破裂SN2等级:≥2
SN4等级:≥4
SN6.3等级:≥6.3
SN8等级:≥8
SN12.5等级:≥12.5
SN16等级:≥16
≥90%:且试样不破裂,不分层
试样无破损或裂纹
试样不破裂,无渗漏
老化后,垂直方向初始高度形变量为25%时,立即卸荷,试样不破裂待研究
聚乙烯(PE)管材的物理力学及环境性能要求应符合表5的规定。
表5聚乙烯(PE)管材物理力学及环境性能要求序号
落锤冲击试验
扁平试验
环刚度
复原率
连接密封性
静摩擦系数
热老化后的扁平试验
高温灼烧残留量
技术指标
(0土1)℃,2h,试样9/10及以上不破裂垂直方向外径形变量为40%时,立即卸荷,试样不破裂SN2等级:≥2
SN4等级:≥4
SN6.3等级:≥6.3
SN8等级:≥8
SN12.5等级:≥12.5
SN16等级:≥16
≥90%;且试样不破裂,不分层
试样不破裂,无渗漏
老化后,垂直方向初始高度形变量为40%时,立即卸荷,试样不破裂≤10%
TiiKAoNiKAca
4.7环保性能
YD/T841.3-2016
必要时,可对管材进行环保性能试验。组成管材的各均一材料中限用物质的含量应符合GB/T26572-2011中相关规定的要求。5试验方法
5.1状态调节和试验的标准环境
按YD/T841.1一2016中5.1的规定进行试验5.2颜色及外观检查
按YD/T841.1一2016中5.2的规定进行试验。5.3管材结构尺寸及长度
按YD/T841.1-2016中5.3的规定进行试验。5.4承口尺寸
5.4.1承口壁厚
按GB/T8806-2008中8.3.5的规定进行测试,用精度为0.02mm的量具测量不少于3个试样承口壁厚,取最小值作为测量结果。
5.4.2承口平均内径
按GB/T19472.1-2004中8.3.5的规定进行测试,用精度为0.02mm的量具测量试样承口相互垂直的两内径,以两内径的算术平均值作为测量结果。5.4.3接合长度
按图3及图4所示,用精度为0.02mm的量具测量不少于3个试样的接合长度,取最小值为测量结果5.5弯曲度
按YD/T841.1-2016中5.4规定进行试验。5.6落锤冲击试验
按YD/T841.1一2016中5.5规定进行试验,质量为0.5kg和0.8kg的落锤应采用d25型锤头,质量大于或等于1.0kg的落锤应采用d90型锤头,每个试样冲击一次。冲击条件按表6规定,在保证冲量定的情况下,可选择除表6规定之外的落锤质量及冲击高度。表6落锤冲量
管材标称外径
(mm)
de≤o
110
按YD/T841.1-2016中5.6规定进行试验。5.8环刚度试验
按YD/T841.1-2016中5.7规定进行试验。5.9复原率
落锤质量
冲击高度
(mm)
HiiKAoNiKAca
YD/T841.3-2016
按YD/T841.1-2016中5.10规定进行试验5.10套管坠落试验
按YD/T841.1-2016中5.11规定进行试验,5.11连接密封性试验
按YD/T841.1-2016中5.15规定进行试验5.12静摩擦系数试验
按YD/T841.1-2016中5.17规定进行试验5.13热老化后扁平试验
按YD/T841.1-2016中5.19规定进行试验5.14高温灼烧残留量试验
按YD/T841.1-2016中5.20规定进行试验环保性能
按YD/T841.1-2016中5.21规定进行试验6检验规则
6.1总则
产品需经生产厂质量检验部门检验合格并附有质量合格标识方可出厂。检验分类
产品检验分为出厂检验和型式检验,聚氯乙烯(PVC-U)管材检验项目和检验类别见表7:聚乙烯(PE)管材检验项目和检验类别见表8。表7
检验项目
管材的结构尺寸
承口结构尺寸
弯曲度
落锤冲击试验
环刚度
复原率
套管坠落试验
连接密封性
静摩擦系数
热老化后的扁平试验
环保性能”
聚氯乙烯(PVC-U)管材检验项目和检验类别性能要求条文号
表4序号1
表4序号2
表4序号3
表4序号4
表4序号5
表4序号6
表4序号7
“”表示型式检验或出厂检验所选择的相应项目必要时进行此项目测试
试验方法条文号
型式检验项目
出厂检验项目
检验项目
管材的结构尺寸
承口结构尺寸
弯曲度
落锤冲击试验
扁平试验
环刚度
复原率
连接密封性
静摩擦系数
热老化后的扁平试验
高温灼烧残留量
环保性能
表8聚乙烯(PE)管材检验项目和检验类别性能要求条文号
表5序号1
表5序号2
表5序号3
表5序号4
表5序号5
表5序号6
表5序号7
表5序号8
注:“√”表示型式检验或出厂检验所选择的相应项目必要时进行此项目测试
6.3出厂检验
6.3.1组批
试验方法条文号
型式检验项目
YD/T841.3-2016
出厂检验项目
同一批原料,同一配方和工艺条件下生产的同一规格管材为一批,每批数量不超过6×10kg。如生产量少,生产期6天尚不足6×10kg,则以7天产量为一批。6.3.2出厂检验项目
出厂检验项目见表7及表8。
6.3.3出厂检验项目分类
6.3.3.1出厂检验种类
除颜色及外观为100%检验项目外,其他出厂检出厂检验按检验项目划分为100%检验及抽样检验。验项目为抽样检验项目,其中尺寸检验项目按照GB/T2828.1-2012规定进行抽样,采用正常检验一次抽样方案,取一般检验水平1,接收质量限(AQL)为6.5,具体抽样见表9。抽样方案
≤150
151~280
281~500
501~1200
1201~3200www.bzxz.net
3201~10000
样本量
其他出厂检验项目试验
接收数
拒收数
单位为根
YD/T841.3-2016
在计数抽样合格的产品中,随机抽取足够的样品,根据产品分类进行表7或表8中规定的其他出厂检验项目试验。
6.3.4出厂检验判定规则
100%检验项目中有任何一项不合格,则判该产品为不合格。尺寸抽查检验项目中任一条不符合表9的规定时,则判该批为不合格。物理力学性能抽查检验项目中有一项达不到要求,则在该批中随机抽取双倍的试样进行该项目复验。如仍不合格,则判该批为不合格批,不合格产品不充允许出厂。6.4型式检验
6.4.1型式检验的项目
型式检验的项目见表7或表8。
6.4.2型式检验的抽样
型式检验的样本应从出厂检验合格的批中随机抽取。6.4.3型式检验的要求
一般情况下每一年进行一次。如若有以下情况之一,也应进行型式检验:a)新产品或老产品转厂生产的定型试制:b)产品结构、材料、工艺有较大变动,可能影响产品性能时:c)产品连续停产6个月以上再恢复生产时;d)出广检验结果与上次型式检验结果有较大差异时。6.4.4型式试验判定规则
检验项目不合格时,则需随机抽取双倍样品对该项进行复检,仍不合格,则判该型式检验为不合格。型式检验不合格的应对该型号产品停止验收,停止继续生产。同时应分析原因,采取措施,直至新的型式检验合格后,才能恢复生产与验收。7标志、运输、储存
7.1标志
产品至少有下列标志:产品型号、企业名称或商标、执行标准、生产日期。每根管材至少有一处完整标记。
7.2运输
产品在装卸运输时,应避免受剧烈撞击、抛摔和重压。7.3储存
储存场地应平整,堆放应整齐,堆放高度不得高于2m,距热源不少于1m,不应露天曝晒。储存温度:PVC管材:一20℃~+60℃:PE管材:一40℃~+60℃。
小提示:此标准内容仅展示完整标准里的部分截取内容,若需要完整标准请到上方自行免费下载完整标准文档。
标准图片预览:





- 热门标准
- YD通讯标准
- YDC029-2003 电信设备和系统的高低频电磁兼容性改善技术要求
- YD/T1344-2005 IPv6 地址结构协议 —— IPv6 无状态地址自动配置
- YD/T1319-2004 通信电缆 —— 无线通信用 50Ω 泡沫聚乙烯绝缘编织外导体射频同轴电缆
- YD/T1875-2009 800MHz/2GHz cdma2000 数字蜂窝移动通信网设备测试方法传统终端域(LMSD)移动交换子系统
- YD/T5174-2008 2GHz TD-SCDMA 数字蜂窝移动通信网工程验收暂行规定
- YD/T901-2001 核心网用光缆层绞式通信用室外光缆
- YD/T1049-2000 800MHz CDMA 数字蜂窝移动通信网设备总测试规范:交换子系统部分
- YD/T1061-2000 同步数字体系(SDH)上传送 IP 的 LAPS 技术要求
- YD/T1456.2-2006 900/1800MHz TDMA 数字蜂窝移动通信网业务交换点(SSP)设备测试方法(CAMEL3) 第2部分分组域(PS)
- YD/T1688.3-2011 xPON 光收发合一模块技术条件 第3部分:用于 GPON 光线路终端/光网络单元(OLT/ONU)的光收发合一模块
- YD/T2510-2013 2GHz TD-SCDMA数字蜂窝移动通信网 增强型高速分组接入(HSPA+) 无线接入子系统设备测试方法
- YD/T2924-2015 移动分组核心网域名系统(DNS)设备测试方法
- YD/T1970.6-2009 通信局(站)电源系统维护技术要求 第6部分:发电机组系统
- YD/T1551-2007 2GHz WCDMA 数字蜂窝移动通信网 lub 接口测试方法(第一阶段)
- YD/T5032-2005 会议电视系统工程设计规范
- 行业新闻
网站备案号:湘ICP备2025141790号-2