- 您的位置:
- 标准下载网 >>
- 标准分类 >>
- 通信行业标准(YD) >>
- YD/T 1319-2004 通信电缆 —— 无线通信用 50Ω 泡沫聚乙烯绝缘编织外导体射频同轴电缆
【YD通讯标准】 通信电缆 —— 无线通信用 50Ω 泡沫聚乙烯绝缘编织外导体射频同轴电缆
- YD/T1319-2004
- 现行
- 点击下载此标准
标准号:
YD/T 1319-2004
标准名称:
通信电缆 —— 无线通信用 50Ω 泡沫聚乙烯绝缘编织外导体射频同轴电缆
标准类别:
通信行业标准(YD)
标准状态:
现行出版语种:
简体中文下载格式:
.zip .pdf下载大小:
404.70 KB
点击下载
标准简介:
YD/T 1319-2004.Telecommunication cable Foamed polyethylene dielectric,braided outer conductor , 50 ohm radio frequency coaxial cable for wireless telecommunication.
1范围
YD/T 1319规定了无线通信用502泡沫聚乙烯绝缘编织外导体(复合屏蔽)射频同轴电缆(以下简称电缆)的产品分类、要求、试验方法、检验规则、包装、运输和贮存。
YD/T 1319适用于100-2500MHz工作频率范围内,移动通信、微波通信、无线电广播系统、航空和航海雷达系统中的天线馈线和通信设备连接线的设计、生产与应用。
YD/T 1319只规定了特性阻抗502泡沫聚乙烯绝缘复合编织外导体射频同轴电缆系列。
YD/T 1319衰减和电压驻波比等电气指标都高于相关标准和技术资料。
YD/T 1319对内导体除规格代号为5的产品外,其余推荐使用铜包铝的方式。
2规范性引用文件
下列文件中的条款通过本标准的引用而成为本标准的条款。凡是注日期的文件,其随后所有的修改单(不包括勘误的内容)或修改版均不适用于本标准,然而,鼓励根据本标准达成协议的各方研究是否使用这些文件的最新版本。凡是不注日期的引用文件,其最新版本适用于本标准。
GB/T 2828逐批检查计数抽样程序及抽样表(适用于连续批的检查)
GB/T 2829周期检查计数抽样程序及抽样表( 适用于生产过程稳定性的检查)
GB/T 2951.1-1997电缆绝缘和护套材料通用试验方法第1部分:通用试验方法第1节:厚度和外形尺寸测量一机械性能试验
GB/T 3198工业用纯铝箔
GB/T 3953电工圆铜线
GB/T 4909裸电线试验方法
GB/T 4910镀锡圆铜线
GB/T 6388运输包装收发货标志
GB 6995电线电缆识别标志
GB/T 8815电线电缆用软聚氯乙烯塑料
部分标准内容:
YD/T1319-2004
通信电缆
无线通信用502泡沫聚乙烯绝缘
编织外导体射频同轴电缆
Telecomrnunicationcable
-Foamed polyethylenedielectric,braided outer conductor,5o ohm radio frequency coaxial cableforwireless telecommunication2004-07-16发布
中华人民共和国信息产业部
2005-01-01实施
范围·
现范性点用文件
3产品分类·
4要求…
试验点法
6捡验规则
包装、包装标志、严品合格证、运输和广疗次
LYYKAONKAa
YD/T1319-2004
本标准修改用H本工业标准JISC3501--·1993<射频同轴电缴”的相关内容。本标准定通信电缆系列标准之一,该系列标准的名称及结构如下YD/T1319-2004
1YLD/T1119-2001通信电缴——苯站用物理发鸿聚乙烯绝缘超柔射频同轴电缆2Y13T1120-200]通信电缴——物理发流聚烯绝缘漏过同轴电缆3.Y1D/T1174-2001通信电缆--局用同轴电缆4.YL/T11752001通信电激—向轴/对绞泥合缆5.YD/T1319-2004通信电缴无线通信用5052泡策乙轻绝缘维织外导控前频同轴电缴本标准中中国通信标准化协会提出并归口。本标准起单单:大质出信科整股份有限公司光通信分公司成都君天电缆股份有典公司
江苏宁迪线缆有版公司
标准主要起节人:刘湘荣代康张脱勇王微昕宋爱成J
1范围
通信电缆
YD/F1319-7004
无线通信用502泡沫聚乙烯绝缘编织外导体射频同轴电缆本称准现定广无线通信用)泡沫配7烯纯缴编织外体(复合屏蔽谢规同轴电缆(以下简称自薄的产品分类、费求、试验方达、检验规则、包装,运输利配存:本标准适用于100-2500MI2「.作率忙闹内,移动通信、数镀通信,尤级自广播系款,航公和航百达系统中的天线链线和通信说各连接线的设计、生产与应用:本标准只脱定了特性业抗502范沫案7端绝缘配合编织外体新赖同轴直缆系列:本标准衰碳和电业驻液比等电气指标怀高于相关标准和快术资料。本标准刘内寻体除就格代号为5的产外,其余推荐使用钊包销的方式2规范性引用文件
下列义件中的系款通起本标难的引用而成为本标准的条款。凡是括口游的文件:其后所有的格改单(不包括勘误的内容:或套改版均不适用于本标准,燃而,效厨报本标准必成协议的齐方开究是香使用这此义行的最新版本。凡是不注H期的引用文件,其最新版术适用于本标准。GB/T2828
GB/T2829
GB/T 2951.11997
GB/T3198
GB/T3953
GBT4909
GB/T4910
GB/T6388
GB6995
GB/T8815
GB/T1506.5
G/T 17737.12XK
GB/T 1R3).1
JA/T8137
SJ/T11223
YD/T 837-1996
YD/T 897 [-199]
YDIJ13
逐批检查计抽栏程序及抽样表(适用于近续批的检查)同期检查计数抽样程序及抽样表(适用工生产过程稳定性的检查)电缆绝续利护套材料造用试验力法第1部分:通用试验方法第1节:序度和外形尺寸测量一—机械性能试验工业用纯铅箔
电T圆铜缆
裸电线试验方法
镀铜铜线
运输包装收发货标志
电线电缆识别标志
电线电缆用教率氯己烯塑料
电线电缆用黑色之统料
射频电缆带!部处:总奶范一一总则:定文,要求和试购方法电缴在火始杀件下的然媒式验第部分:单根绝家电线戏电绕的重点燃烧试验方法
电线电缆交货盘
铜包销线
铜芯彩7烯绝嵌铝柴综合护套市内道将电缆法验方法接人网用同轴电缆第1部分:同轴用户电缆股要求沁貌扩套用低州无岗阳熟材科持性LTY KAONTRA
YD/T1319-20Q4
3产品分类下载标准就来标准下载网
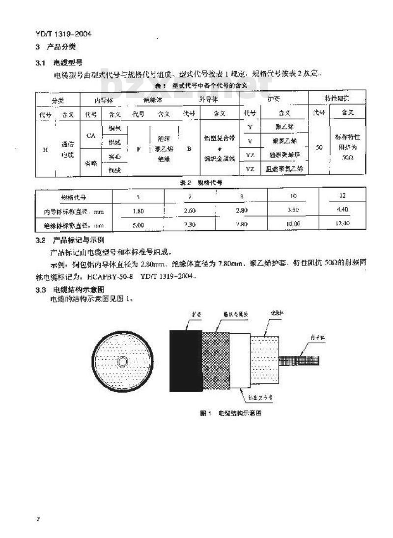
3.1电缆型号
电继型号由式代号与规格代号组虑、型式代导按变1规定,规拓发号接表2起定,表,型式代号中各个代号的含义分类
内导栋
规格化号
内导标称宜径:m
绝缘怀标称直性,im
3.2产品标记与示例
曾继体
牵乙烯
产品标记山电缆型号利本标准号组惑。+
外导体
名整冠合带
缩织金属编
表2规格代号
梅酒乙
阳胜来烯轻
丑然亲氧乙
特性拉
标称特性
用抗为
示例:制包内导体直径为2.80mm、绝缘体直径为7.80mm.案乙烯护套、特性鼠抗5(12的射频同转电缆标记为:HCAPBY-50-8YD/T1319-20K4.3.3电缆结构示意图
电缆的结构示意图见图1。
临筑垂属质
图1电继结构示意图
4要求
4.1内导体
4.1.1内导体材料
YDT 1319-2004
内导达成出铜铝线或心铜线制底:包智载内导保应符台SIT11223划定的CC4-10A型域CCA-15A型较态铜付领线的性能要求:多心制线内导体符合GR/T3953现定的TR型软圈调线性能费求,4.1.2内导体直径及偏差
内导伴直径,梦料及偏差规定列下表3表 3内导体直径及偏差
现将代号
内导体种类
实心朗联
了规化为,的产品,内添可罕用实心4.2绝缘体
单位:mm
绝迷体山彩之烯内皮展、闭孔结构的泡沐聚乙端层和聚乙烯外皮层心、连续地挤包在庆导体上的三层含有稳定剂的绝续级聚7烯组合材料构成:小允许绝级体山聚乙烯内皮尽和闭孔结构的施法之烯层组合材料按上述条件料成。4.2.1绝敏体的外观,完整性
绝缘体成完整连续,表面光滑,均句、因整、无缺陷,不允许修补,4.2.2绝级体材料
使用的池沐绝源梦料应量-科率乙烯树脂的掺合物:聚乙烯树脂搭合物所使用的低度、线性低密度高密度聚乙基础树脂,净小T成接剂之前,其性能应符合YT597.1-1997中4.2.2的规定:内成层和外皮层度采用能满足标准规定的问美性脂要求的性低密聚之烯树脂或高率度聚乙烯树42.3绝编体直径及偏差
绝够体直径成尽可能均,领缘体直径及假差恐定列下表4。表4绝续体直径及偏差
垛格北号
4.2.4艳缘体的同心度
门何个绝意你战而上的间心良成六小十94%4.2.5绝缴体的剥离力
单位:m
1±,40
绝缘体皮层应既粘若在内冰体上以格若在绝缘泡沫绝终层工,从内学本上动离绝缘体所要求的力i符表5的要求。
LTY KAONTKAa
YD/T 1319 -2004
凯市代号
绝添体的最小到再大
4.2.6绝综体的收缩量
表5绝蜂体的别商力
年:N
经过5.2.4试验为法后,绝缘体油向的总收绪至应公超过6.4mm,切[绝嵌体试样时引起的收缩量应计入差收缩量型,
4.2.7绝袭体的热氧化稳定性
绝续控试栏者化前后的氧化诱导期(OIT)成符合下列要求:)老化前的氧化诱导粥应不小十3min:b)老化后的氧化诱导期成不小\2Imi。4.3外导体(屏蔽)
4.3.1外导体材料
良外导休中铝塑复合制和端织金属线组成,4.3.1.1 帮塑更合带
销翌复合带由层码销和层聚博熙复台而或。铝箱的厚应为(0.015+0.002)mm:树脂薄膜的厚度应为(0.020±0.002)mm:估塑复合带的铅消应符全G月/3198的惠求4.3.12编织金属载
编东金同线官使用镜铸铜线。编织金涡线的直径为0.12-0.2Umm:轰销图铜线成符合GB4910的规是。
4.3.2帽望怎合带的措盖率
铅频复合带以最小18%的搭益本铅箔期外纵包在绝综格上。4.3.3编织密座
金属线编绍层的编织密度减不小于:80%:4.3.4连辨性
外体!屏救应连续,瑞织暑个允准出现断层,翁织层中单线断线后的连接应采消焊接或编人,整个编织层不允许接续:纵包错塑觉合带不允许出现缺带,4.3.5外导体直径及偏业
外导体直径及偏差心符合表6的规定表6外导体点径及偏差
规格代号
4.4.1护套料
也缆护套世采之烯或整氯乙烯或阻盛駕烯经或看阿燃策氯乙烯护套料潮作单位:mu
案艺烯护套料为线牛低缩度紧乙烯(LLDPE)或中密度梁乙烯(MDPR),豪Z幕净套成特合GBT4
YD/T1319-2004
156规定的零求:聚氟乙烯护套料成符合(IR/TR815的要求:正盘彩筛烃护变料符合YD1113的要求:阻激率烯护卡料的要求特定。
4.4.2护套的外现和究整性
电缆护套应光治、国整、连续,无孔洞、裂缝、气泡和陷等陷电鲍护生产过程中停用真流或安流火花检查,应无击穿点。电火花市压应贫合表了就定的直流或等效T频电压.
表7电火花电压值
现好代号
声病电压值
1.规压有效值
4.4.3护套量小厚度和量大外径
电缆护衰最小厚度和最大外径应符合表B的规定。R
素6护查最小原魔和最火外径
现格化号
最小厚度
融大外径
4.4.4电缆护套的题色
扩套颤色为色,也可为其它颜色。4.4.5扩套的抗张强知断裂伸长率0.70
单拉:
单位:mt
各种护套料扰张强度和断裂伸长率应持合表9的现定:册燃聚氮乙煤扩会料要求正在书虑中。表白护高的抗张噪魔和断裂伸长率扩长料的种类
牵乙烘护套料
亲新操护套料
阻燃蒸师经心英料
4.5电缆的性能要求
4.5.1机械和耐环境性能
4.5.1.1高温试验
拉张道度(MFa)
老北所科伸民率()
果乙烯或阻燃烯烃护变电缆应在,80土3)下进行南温计试验,来氯之烯比医燃聚氛乙烯护套电缆应在(70工3)下进行高温试验,试验时间为1681.当用止常或校正现力检变时,试样应无任何可见的万教、教线或其它拉防在述行视力磁否之前,允件式恢至室温。4.5.1.2抵温试验
案乙烯或过燃采梯轻护套电缆应在(-30土3)七下迹行低组诚验,案象乙烯或激聚氧Z烯护套吨缆立在(2工3):下选行低满试验,试验时间为20h,特经用芯轴直轻为电懿标称外将的10。当用带或改工视方检在以,样的护旁和绝缘体应无开裂,奖数或其它损作。5
LTY KAONTRAa
YD,Tt319-20D4
4.5.1.3湾曲试验
电统应在室洱下进行变曲式验,变典芯驰直径为电缆标称外径的20借:当月正常感校正视力检查时电疑的金润构件不应作额效或断裂,出缆的护套不成开裂。电缆包气性能应满足4.5.2的规定,4.5.1.4正然格性
阳燃案氯乙鼎护套利阻燃彩烯烃护传电缆射然燃性试验成符合GR/T18380拍划定,4.5.2电气性能
导体的连性
电缆的内出体,外体均应分别沿电缴长息连:4.5.2.2绝介电强度
在电缴内外体问随如2kV直流电,保持1min应不击穿。4.5.2.3绝缘电阻
20芯时,在电缴内外产体间施成500V食逆电乐,保持满数至60,绝缘电阻产不小于5000MQ+km,4.52.4特性阻抗
在100~2500MHz内,电缆的平特性限抗应:50=2)2,阻抗的试表征频率率1000M1Iz附。
4.52.5衰减常数
20芒时,电缴的衰减常数应不大十表10的要求。表 10 变减常受
规格代号
中位:IH10
4.5.2.6电三驻波比
电给的电弱波比(VSWK)温该衍合表1的相关现定表t1电压波比(VSWA:
规格化号
移动通信频段
下作频段
800-25DO
100-230
G0-300
32n-28n
1400~1500
17(0-. 19(X)
E860-2100
2100.-2300
23门O-2500
YD/T1319-2004
坐:心统的儿被比显改付合本“铭动適信约段”的要求,并在合同规定的个或2个“工作频段”内符合相对应的要求
4.6标志
电缆护餐上的标志应符含GB6995.3的规定,高在电缆护套上沿长度方向间隔不大于1m的地方即制制造厂名或具代导、电缆型号、制造年份,标志颜他应使十识别。中题护上应喷自或制以m为单位的长度标志,长度标志的问臣为[m,识考应不大于5%。4.7封头
出的两端应封身好,以随气授入,宜使用试管状塑料封相密封。4.8交货民距
电缆标称交货长度为100m或10Klm的整数倍根据供需效方协设,可以任也长息的电缆交货,5试验方法
5.1.内导体的试验方法
5.1.1内导体直径及偏差
内导件直径及偏并的测员应接GBT4K9,2的规定进行。5.1.2内导体的抗张强弹和断裂伸长率铜包铝线内子体、实心铜线内体的比张强度和每我仲长率试验应接GB门4909.3的划定进5.2绝缔体的试验方法
5.2.1绝繁体直径及偏差
绝缘体直径及靠禁的测量应按GB/T2951.1的规定违行:.5.2.2绝缘体的间心度
绝缘体的同心度应度G/T2951.1的规过酒乐,并按YD/TH97.1-19474.2.1的方法引算。TTKANrKAea
YD/T1319-2004
5.2.3绝缘体的转商力
绝缴休的剥离力试验应接GB/T17737.1-2000中10.1的规定逊行。5.2.4绝够体的收缩
绝综体的收缩试验应按Y1)/T897.1-19中5.4.5的规定进行5.2.5绝体的热氧化稳定性
绝缘体的热氢化追定性试验应按YD/897.1-1907十5.4.6的规定训行。5.3外导体[屏蔽;的试验方法
5.3.1外导体直径及痛差
外导本亨径及偏差的测至成GR/T2951.1的规定进行.5.3.2纵包铝翌氨合带的搭益率
纵包铝塑复合带的搭盖率应按G/T2951.1的规竞测量:以绝像直径为成准划克搭益率。5.3.3编织密岗
编织能度的测盘和计筛应按YL18.1-1997中5.5.2的现定进行:5.4电须护的试验方法
5.4.1护套的外观和完整性
护套的外规应创用正常或较IF视力检含。完整性应按CB/T17737.1-2000411.6.3.2的规定进行.5.4.2护事凝小厚度和最大外径
扩套最小厚度和最大外径的测量应按GBT2951.1的规亲进行,5.4.3护套的抗张弧度和断型伸长率电缆护套的抗涨强造和老化前尽的断致伸长率试验按GBT2951.1的规定进行5.5电缆的机恢和耐环境性能试验方法5.5.1高温试险
电频的高温试途应按G8/T17737.1-2000中10.7的规定进行5.5.2低沿试验
电缆的低温试验应按GB/T17737.1-20UU币10.3的热定进行。5.5.3每费试验
电缆的宽#试验应接GB/T17737.1-2000中10.2的规定进行。5.5.4耐燃烧性
聚氯乙烯护套和燃聚烯经护套电缆的耐燃性试验应腰GBT18380.1的规定进行5.6电缆电气性能试验方法
5.6.1导体的连续性
电缴导本的还续性试验应按YDT837.2-196中4.9的规定进行。5.6.2绝經体的介电强度
电懿绝缘体的介电度试验应按G乃T7737.1-2000申11.5的规定进行6.6.9绝缴电阻
电频内外导远间的绝缘出阻试验应接G月17777.1-200M中11.2的域定进1,5.6.4特性阻抗
电纳的特性张抗试验接GBT17737.1-2000卡F1.8规定的方法或使用等效方法1例如网络分折仪通行。
5.6.5衰减常数
电统的良践节数试验成投GB/T17737.1.2000中11.13规定的方法进行,5.6.6电压驻液比
电缆的电天整波比试验成按GB/T17737.1-2000中11.12规定的方先进行5.7电燃长度标志误差
电统长要标志识差谢量心投YD/T837.5-1996:4.4的税定进行。B检验规则
6.1总则
YD/T 1319-2004
电缆应经制造!\质世检验部门格整,梳验合资后方可出厂,白厂产品应附有质至检验个格证检验分出厂检验和型式检验
62出厂检验
出厂检骏拟控验致日包括10%检监和拍样检验。6.2.1100%检验
出厂检验的100%检验项日、要求和试验方法见表12表12100%性验项自、要求和试验方法序号
内导体直径表偏差
绝续的外观、完整些忙
地缘体点轻及编差
外导件径及编差
扩我的外望、完离性
广套最小厚饮礼展大外径
导体的座缺性
染能体的外电通
绝谈体电阻
注:绝橡体的外源,实整性打护套的外划,完都性成心生产时进行6.2.2摘样检感
出!检验约捕栏格验逆势G日T2828的规定进行、拍避从以下两条期定业,单位产品“年一条制道长度见缆成每一包装:卷或盘电缆试意方达
止带混力
h:检验批一一以授时内用相同原材料、相同工之详续生产的叫型式代号的单位产品作为个检检折:…次交费量中相同型式代号的单位产品作为个检验此9
LTY KAONTKAa
小提示:此标准内容仅展示完整标准里的部分截取内容,若需要完整标准请到上方自行免费下载完整标准文档。
标准图片预览:





- 热门标准
- YD通讯标准
- YD/T1684-2007 数字蜂窝移动通信网点对点短消息业务计费技术要求和检测方法
- YDC029-2003 电信设备和系统的高低频电磁兼容性改善技术要求
- YD/T1344-2005 IPv6 地址结构协议 —— IPv6 无状态地址自动配置
- YD/T1108-2001 CDMA 数字蜂窝移动通信网无线同步双模(GPS/GLONASS)接收机性能要求及与基站间接口技术规范
- YD/T2068.3-2010 2GHz TD-SCDMA 数字蜂窝移动通信网多媒体广播系统(TD-MBMS)网络管理技术要求(第一阶段) 第3部分:基于 CORBA 技术的网络资源模型设计
- YD/T1319-2004 通信电缆 —— 无线通信用 50Ω 泡沫聚乙烯绝缘编织外导体射频同轴电缆
- YD/T1374.7-2007 2GHz TD-SCDMA/WCDMA 数字蜂窝移动通信网 lu 接口技术要求(第二阶段) 第7部分:服务区广播协议(SABP)
- YD/T1875-2009 800MHz/2GHz cdma2000 数字蜂窝移动通信网设备测试方法传统终端域(LMSD)移动交换子系统
- YD/T5174-2008 2GHz TD-SCDMA 数字蜂窝移动通信网工程验收暂行规定
- YD/T767-1995 同步数字系列设备和系统的光接口技术要求
- YD/T772-1995 集团电话进网技术要求和检测方法
- YD/T1049-2000 800MHz CDMA 数字蜂窝移动通信网设备总测试规范:交换子系统部分
- YD/T1456.2-2006 900/1800MHz TDMA 数字蜂窝移动通信网业务交换点(SSP)设备测试方法(CAMEL3) 第2部分分组域(PS)
- YD/T1688.3-2011 xPON 光收发合一模块技术条件 第3部分:用于 GPON 光线路终端/光网络单元(OLT/ONU)的光收发合一模块
- YD/T1027-1999 800MHz CDMA数字蜂窝移动通信网接口测试规范:移动交换中心与基站子系统间接口
- 行业新闻
网站备案号:湘ICP备2025141790号-2