- 您的位置:
- 标准下载网 >>
- 标准分类 >>
- 化工行业标准(HG) >>
- HG/T 3046-2011 代替 HG/T 3046-1999 织物芯输送带外观质量规定
- 标准号: - HG/T 3046-2011
- 标准名称: - 代替 HG/T 3046-1999 织物芯输送带外观质量规定
- 标准类别: - 化工行业标准(HG)
- 标准状态: 现行
- 出版语种: 简体中文
- 下载格式: .zip .pdf
- 下载大小: 130.74 KB
 标准简介/下载
标准简介/下载点击下载
标准简介:
					HG/T 3046-2011.Conveyor belts with a textile carcass-Specification for appearance quality.
1范围
HG/T 3046规定了织物芯输送带(以下简称带)的外观质量要求,还规定了外观缺陷测量方法。
HG/T 3046适用于织物芯橡胶输送带,不适用于花纹输送带、金属骨架输送带、全塑料覆盖层输送带和整体带芯难燃输送带。
2规范性引 用文件
下列文件对于本文件的应用是必不可少的。凡是注日期的引用文件,仅注日期的版本适用于本文件。凡是不注日期的引用文件,其最新版本(包括所有的修改单)适用于本文件。
GB/T 5756输送 带术语及其定义(neq GB/T 5756-2009 ,ISO 5284 : 1986)
3术语和定义
GB/T 5756界定的术语和定义适用于本文件。
4外观缺陷规定.
4.1明疤
带表面上的明疤深度大于1 mm且面积大于50 mm2时,应一次修理完善(深度不大于1 mm时不修理。深度大于1mm,面积不大于25m㎡且不露布时也不修理)。
4.2夹沟与裂口
每卷带上,夹沟与裂口总累计长度不得超过带长的2 %,单个长度不得大于500 mm,并应一次修理完善(深度不大于1.0 mm时不修理,但计入累计长度)。
4.3带侧凸出
该缺陷应一次修理完善。
4.4覆盖层脱层
每100㎡覆盖层上,脱层总面积不得超过1600c㎡ ,并应一次修理完善。
4.5布层脱层
每100㎡输送带上,脱层总面积不得超过1200c㎡,并应一次修理完善(修理层数不得超过布层总数的50 %)。
4.6覆盖层重皮
该缺陷深度0.8mm以上,并且长度在10mm以上进行硫化修理,小于此范围可进行抛光精加工处理,每100 m输送带上不得超过二处,并应一次修理完善。
 标准内容
标准内容部分标准内容:
备案号:34628—2012
中华人民共和国化工行业标准
HG/T 3046—2011
代替HG/T3046—1999
织物芯输送带外观质量规定
Conveyor belts with a textile carcass-Specification for appearance quality2011-12-20发布
2012-07-01实施
中华人民共和宝工业和信息化部发布前言
本标准按照GB/T1.1-2009给出的规则起草。HG/T3046—2011
本标准代替HG/T3046—1999《织物芯输送带外观质量规定》,与HG/T3046—1999相比,主要技术变化如下:
增加了规范性引用文件(见第2章);修改了夹沟与裂口的外观缺陷规定(见4.2,1999年版的2.2);修改了覆盖层重皮的外观缺陷规定(见4.6,1999年版的2.6);-修改了带侧露布的外观缺陷规定(见4.8,1999年版的2.8);修改了布层横波浪的外观缺陷规定(见4.9,1999年版的2.9);修改了布层纵波浪的外观缺陷规定(见4.10,1999年版的2.10);修改了边胶海绵的外观缺陷规定(见4.11,1999年版的2.11);-删除了附录A中的外观缺陷术语定义(见附录A,1999年版的附录A)。本标准的附录A为资料性附录。
本标准由中国石油和化学工业联合会提出。本标准由全国带轮与带标准化技术委员会输送带分技术委员会(SAC/TC428/SC1)归口。本标准起草单位:浙江双箭橡胶股份有限公司、青岛橡六输送带有限公司、浙江三维橡胶制品有限公司、青岛科技大学。
本标准主要起草人:沈会民、张墩、张国方、辛永录、叶杨政、段成刚、范军、余雪梅。本标准所代替标准的历次版本发布情况为:HG/T3046—1989,HG/T3046—1999。1范围
织物芯输送带外观质量规定
HG/T3046—2011
本标准规定了织物芯输送带(以下简称带)的外观质量要求,还规定了外观缺陷测量方法。本标准适用于织物芯橡胶输送带,不适用于花纹输送带、金属骨架输送带、全塑料覆盖层输送带和整体带芯难燃输送带。
2规范性引用文件
下列文件对于本文件的应用是必不可少的。凡是注日期的引用文件,仅注日期的版本适用于本文件。凡是不注日期的引用文件,其最新版本(包括所有的修改单)适用于本文件。GB/T5756输送带术语及其定义(negGB/T5756—2009,ISO5284:1986)3术语和定义
GB/T5756界定的术语和定义适用于本文件。4外观缺陷规定
4.1明疤
带表面上的明疤深度大于1mm且面积大于50mm2时,应一次修理完善(深度不大于1mm时不修理。深度大于1mm,面积不大于25mm2且不露布时也不修理)。4.2夹沟与裂口
每卷带上,夹沟与裂口总累计长度不得超过带长的2%,单个长度不得大于500mm,并应一次修理完善(深度不大于1.0mm时不修理,但计人累计长度)。4.3带侧凸出
该缺陷应一次修理完善。
4.4爱盖层脱层
每100m2覆盖层上,脱层总面积不得超过1600cm2,并应一次修理完善。4.5布层脱层
每100m2输送带上,脱层总面积不得超过1200cm2,并应一次修理完善(修理层数不得超过布层总数的50%)。
4.6覆盖层重皮
该缺陷深度0.8mm以上,并且长度在10mm以上进行硫化修理,小于此范围可进行抛光精加工处理,每100m输送带上不得超过二处,并应一次修理完善。4.7扯掉边胶
该缺陷不允许有。
4.8带侧露布
该缺陷两侧累计长度不得超过带长的2%,并应一次修理完善。4.9布层横波浪
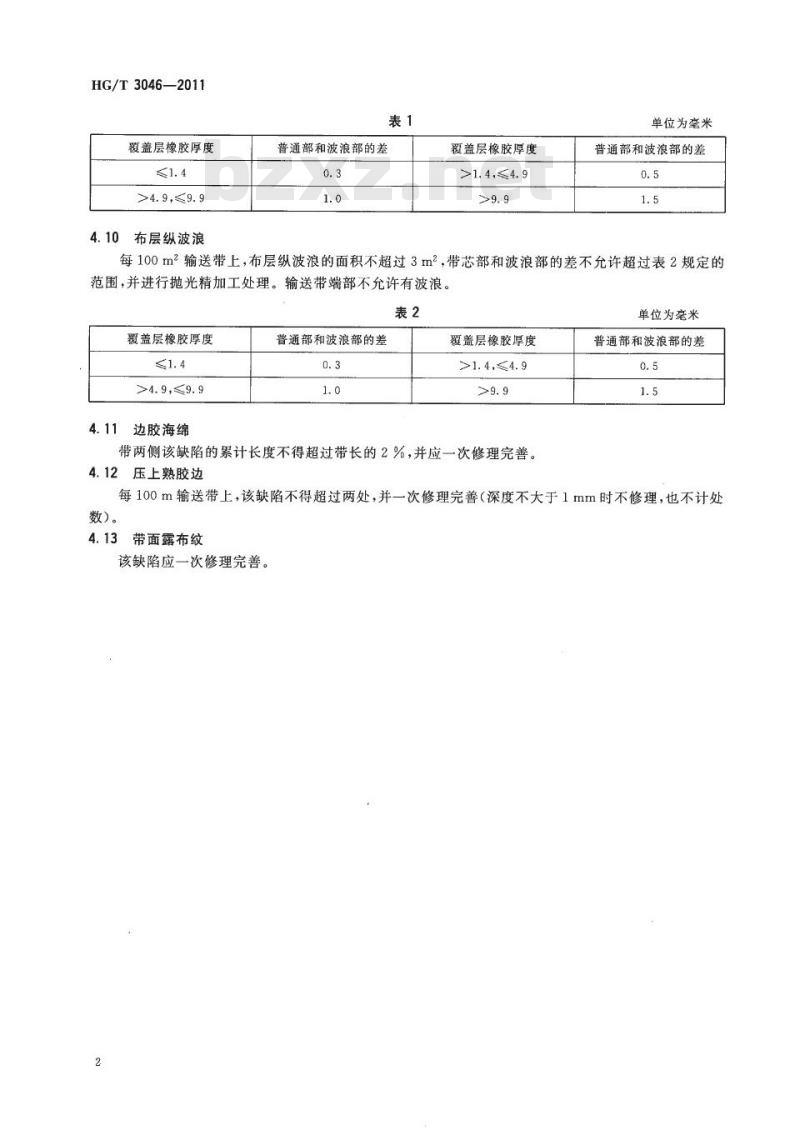
每100m输送带上横波浪不得超过四处,一处不得超过四个峰。带芯普通部和波浪部的差不允许超过表1规定的范围,并进行抛光精加工处理。1
HG/T3046—2011
覆盖层橡胶厚度
>4. 9,≤9. 9
布层纵波浪
普通部和波浪部的差
覆盖层橡胶厚度
>1. 4,≤4. 9
单位为毫米
普通部和波浪部的差
每100m2输送带上,布层纵波浪的面积不超过3m2,带芯部和波浪部的差不允许超过表2规定的范围,并进行抛光精加工处理。输送带端部不允许有波浪。表2
覆盖层橡胶厚度
>4.9≤9.9
边胶海绵
普通部和波浪部的差
覆盖层橡胶厚度
>1. 4,≤4. 9
带两侧该缺陷的累计长度不得超过带长的2%,并应一次修理完善。4.12压上熟胶边
单位为毫米
普通部和波浪部的差
每100m输送带上,该缺陷不得超过两处,并一次修理完善(深度不大于1mm时不修理,也不计处数)。
4.13带面露布纹
该缺陷应一次修理完善。
A.1明疤
用卡尺或百分表测量其最大深度。A.2夹沟与裂口
附录A
(资料性附录)bzxZ.net
输送带外观缺陷测量方法
用卡尺或百分表测量最大深度,用卷尺测量长度。A.3带侧凸出
目测或手摸。
A.4覆盖层脱层(或称胶泡)
用卷尺测量长度和宽度,按式(A1)计算面积。面积~长×宽×0.7
5覆盖层重皮
目测或手摸。
A.6布层脱层(或称布泡)
目测后用卷尺测量长度和宽度,按式(A1)计算面积。A.7扯掉边胶
用卷尺测量长度。
A.8带侧露布
用卷尺测量长度。
A.9带面露布纹
用卷尺测量长度和宽度,并按式(A1)计算面积。A.10布层横波浪
用卡尺或百分表测量最大深度。A.11布层纵波浪
用卡尺或百分表测量最大深度。A.12边胶海绵
用卷尺测量长度。
A.13压上熟胶边
目测或手摸。
HG/T3046—2011
中华人民共和国
化工行业标准
织物芯输送带外观质量规定
HG/T3046—2011
出版发行:化学工业出版社
(北京市东城区青年潮南街13号邮政编码100011)化学工业出版社印刷厂
880mm×1230mm1/16印张%
字数7千字
2012年3月北京第1版第1次印刷
书号:155025·1056
购书咨询:010-64518888
售后服务:010-64518899
网址:http://cip.com.cn凡购买本书,如有缺损质量问题,本社销售中心负责调换。定价:10.00元
版权所有
违者必究
小提示:此标准内容仅展示完整标准里的部分截取内容,若需要完整标准请到上方自行免费下载完整标准文档。
 标准图片预览
标准图片预览 标准图片预览:





- 热门标准
- HG化工标准
- HG/T20592-2009 钢制管法兰(PN系列)
- HG/T20518-2008 化工粉体工程设计通用规范
- HG∕T5056-2016 GB 7544在天然橡胶胶乳避孕套质量管理中的使用指南
- HG/T3985-2007 聚四氟乙烯波纹管膨胀节
- HG/T3219-2009 代替 HG/T 3219-1999 搪玻璃平面阀
- HG/T3459-2003 化学试剂 顺丁烯二酸酐
- HG/T2017-2011 代替 HG/T 2017-2000 普通运动鞋
- HG/T2956.5-2001 硼镁矿石中氧化亚铁含量的测定重铬酸钾 容量法
- HG/T2257-2011 代替 HG/T 2257-1991 照相化学品 成色剂挥发分的测定
- HG/T21529-2014 代替 HG/T 21529-2005 板式平焊法兰手孔
- HG/T4243-2011 医用干银胶片中银含量测定
- HG/T2371-2003 代替 HG/T 2371-1992 搪玻璃开式搅拌容器
- HG/T2225-2010 代替 HG/T 2225-2001 工业硫酸铝
- HG/T2044-2020 代替 HG/T 2044-2003 机械密封用喷涂氧化铬密封环技术条件
- HG/T2343-2012 硫化促进剂 ETU
- 行业新闻
网站备案号:湘ICP备2025141790号-2
