- 您的位置:
- 标准下载网 >>
- 标准分类 >>
- 轻工行业标准(QB) >>
- QB/T 1456-1992 薄凸版纸
标准号:
QB/T 1456-1992
标准名称:
薄凸版纸
标准类别:
轻工行业标准(QB)
英文名称:
Thin relief paper标准状态:
现行-
发布日期:
1992-04-14 -
实施日期:
1992-12-01 出版语种:
简体中文下载格式:
.rar.pdf下载大小:
85.78 KB
中标分类号:
轻工、文化与生活用品>>造纸>>Y32纸
替代情况:
QB 825-81采标情况:
ГОСТ 7317-1978 NEQ
点击下载
标准简介:
标准下载解压密码:www.bzxz.net
本标准规定了薄凸版纸的产品分类、技术要求、试验方法、检验规则和标志、包装、运输、贮存。本标准适用于供凸版印刷工具书等印刷用纸。 QB/T 1456-1992 薄凸版纸 QB/T1456-1992
部分标准内容:
中华人民共和国轻工行业标准
薄凸版纸
1主题内容与适用范围
QB/T 1456--1992
本标准规定了薄凸版纸的产品分类、技术要求、试验方法、检验规则和标志、包装、运输、贮存。本标准适用于供凸版印刷工具书等印刷用纸。2 引用标准
GB/T450纸和纸板试样的采取
GB/T451.1纸和纸板尺寸及偏斜度的测定法纸和纸板定量的测定法
GB/T 451.2
纸和纸板厚度的测定法
GB/T 451. 3
GB/T 453
GB/T456
GB/T457
GB/T460
GB/T 462
GB/T1541
GB/T 1543
GB/T 2828www.bzxz.net
纸和纸板抗张强度的测定法(恒速加荷法)纸和纸板平滑度的测定法(别克法)纸耐折度的测定法
纸和纸板施胶度的测定法(墨水划线法)纸和纸板水分的测定法
纸和纸板尘埃度的测定法
纸不透明度的测定法(纸背衬)逐批检查计数抽样程序及抽样表(适用于连续批的检查)GB/T 8940. 1
GB/T 10342
GB/T 10739
3产品分类
纸和纸板白度测定法45/0定向反射法纸张的包装和标志
纸浆、纸和纸板
试样处理和试验的标准大气
3.1薄凸版纸的技术质量水平分为A、B、C三等。3.2薄凸版纸主要为平板纸。
4技术要求
4.1薄凸版纸的技术指标必须符合表1规定。表1
指标名称
平均製断长
不小于
中华人民共和国轻工业部1992-04-14批准262
0.65~0.80
0.65~0.80
0.65~0.80
1992-12-01实施
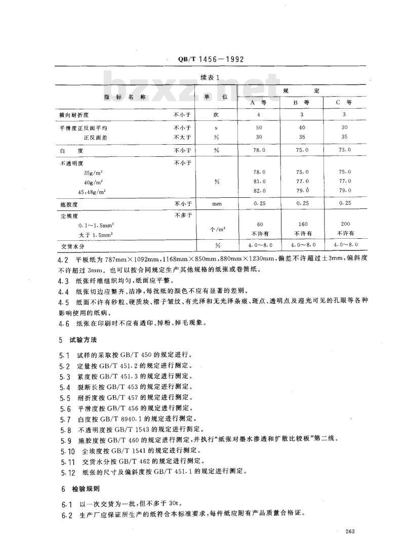
横向耐折度
指标名称
平滑度正反面平均
正反面差
不透明度
35g/m2
40g/m2
45,48g/m2
施胶度
尘埃度
0.1~~1.5mm2
大于1.5mm2
交货水分
QB/T1456—1992
续表1
不小于
不小于
不大于
不小于
不小于
不小于
不多于
个/m2
不许有
不许有
不许有
4.2平板纸为787mm×1092mm,1168mm×850mm,880mm×1230mm,偏差不许超过士3mm,偏斜度不许超过3mm。也可以按合同规定生产其他规格的纸张或卷简纸。4.3纸张纤维组织均匀,纸面应平整。4.4纸张切边应整齐、洁净,每批纸的颜色不应有显著的差别。4.5纸面不许有砂粒、硬质块、褶子皱纹、有光泽和无光泽条痕、斑点、透明点及迎光可见的孔眼等各种影响使用的纸病。
4.6纸张在印刷时不应有透印、掉粉、掉毛现象。5试验方法
试样的采取按GB/T450的规定进行。5.1
5.2定量按GB/T451.2的规定进行测定。5.3
紧度按GB/T451.3的规定进行测定。5.4裂断长按GB/T453的规定进行测定。5.5耐折度按GB/T457的规定进行测定。5.6平滑度按GB/T456的规定进行测定。白度按GB/T8940.1的规定进行测定。5.7
不透明度按GB/T1543的规定进行测定。5.8
5.9施胶度按GB/T460的规定进行测定,并执行“纸张对墨水渗透和扩散比较板”第二线。5.10尘埃度按GB/T1541的规定进行测定。5.11
交货水分按GB/T462的规定进行测定。5.12纸张的尺寸及偏斜度按GB/T451.1的规定进行测定。6检验规则
6.1以一次交货为批,但不多于 30t。6.2生产厂应保证所生产的纸符合本标准要求,每件纸应附有产品质量合格证。263
QB/T1456--1992
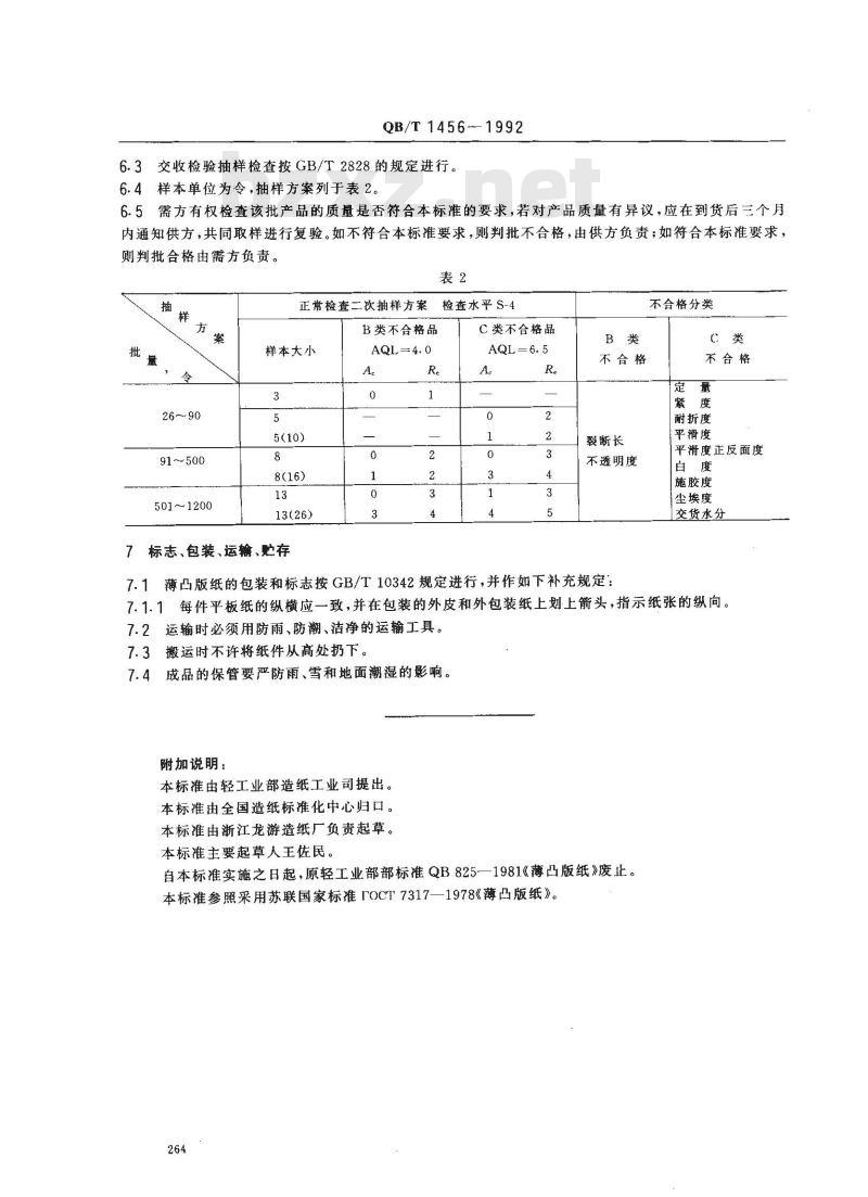
6.3交收检验抽样检查按GB/T2828的规定进行。6.4样本单位为令,抽样方案列于表2。6.5需方有权检查该批产品的质量是否符合本标准的要求,若对产品质量有异议,应在到货后三个月内通知供方,共同取样进行复验。如不符合本标准要求,则判批不合格,由供方负责;如符合本标准要求,则判批合格由需方负责。
91~500
501~1200
正常检查二次抽样方案检查水平S-4B类不合格品
样本大小
13(26)
7标志、包装、运输、贮存
C类不合格品
不合格分类
不合格
裂断长
不透明度
不合格
耐折度
平滑度
平滑度正反面度
施胶度
尘埃度
交货水分
7.1薄凸版纸的包装和标志按GB/T10342规定进行,并作如下补充规定:7.1.1每件平板纸的纵横应一致,并在包装的外皮和外包装纸上划上箭头,指示纸张的纵向。7.2运输时必须用防雨、防潮、洁净的运输工具。7.3搬运时不许将纸件从高处扔下。7.4成品的保管要严防雨、雪和地面潮湿的影响。附加说明:
本标准由轻工业部造纸工业司提出。本标准由全国造纸标准化中心归口。本标准由浙江龙游造纸厂负责起草。本标准主要起草人王佐民。
自本标准实施之日起,原轻工业部部标准QB825—1981《薄凸版纸》废止。本标准参照采用苏联国家标准rOCT7317—1978《薄凸版纸》。264
小提示:此标准内容仅展示完整标准里的部分截取内容,若需要完整标准请到上方自行免费下载完整标准文档。
薄凸版纸
1主题内容与适用范围
QB/T 1456--1992
本标准规定了薄凸版纸的产品分类、技术要求、试验方法、检验规则和标志、包装、运输、贮存。本标准适用于供凸版印刷工具书等印刷用纸。2 引用标准
GB/T450纸和纸板试样的采取
GB/T451.1纸和纸板尺寸及偏斜度的测定法纸和纸板定量的测定法
GB/T 451.2
纸和纸板厚度的测定法
GB/T 451. 3
GB/T 453
GB/T456
GB/T457
GB/T460
GB/T 462
GB/T1541
GB/T 1543
GB/T 2828www.bzxz.net
纸和纸板抗张强度的测定法(恒速加荷法)纸和纸板平滑度的测定法(别克法)纸耐折度的测定法
纸和纸板施胶度的测定法(墨水划线法)纸和纸板水分的测定法
纸和纸板尘埃度的测定法
纸不透明度的测定法(纸背衬)逐批检查计数抽样程序及抽样表(适用于连续批的检查)GB/T 8940. 1
GB/T 10342
GB/T 10739
3产品分类
纸和纸板白度测定法45/0定向反射法纸张的包装和标志
纸浆、纸和纸板
试样处理和试验的标准大气
3.1薄凸版纸的技术质量水平分为A、B、C三等。3.2薄凸版纸主要为平板纸。
4技术要求
4.1薄凸版纸的技术指标必须符合表1规定。表1
指标名称
平均製断长
不小于
中华人民共和国轻工业部1992-04-14批准262
0.65~0.80
0.65~0.80
0.65~0.80
1992-12-01实施
横向耐折度
指标名称
平滑度正反面平均
正反面差
不透明度
35g/m2
40g/m2
45,48g/m2
施胶度
尘埃度
0.1~~1.5mm2
大于1.5mm2
交货水分
QB/T1456—1992
续表1
不小于
不小于
不大于
不小于
不小于
不小于
不多于
个/m2
不许有
不许有
不许有
4.2平板纸为787mm×1092mm,1168mm×850mm,880mm×1230mm,偏差不许超过士3mm,偏斜度不许超过3mm。也可以按合同规定生产其他规格的纸张或卷简纸。4.3纸张纤维组织均匀,纸面应平整。4.4纸张切边应整齐、洁净,每批纸的颜色不应有显著的差别。4.5纸面不许有砂粒、硬质块、褶子皱纹、有光泽和无光泽条痕、斑点、透明点及迎光可见的孔眼等各种影响使用的纸病。
4.6纸张在印刷时不应有透印、掉粉、掉毛现象。5试验方法
试样的采取按GB/T450的规定进行。5.1
5.2定量按GB/T451.2的规定进行测定。5.3
紧度按GB/T451.3的规定进行测定。5.4裂断长按GB/T453的规定进行测定。5.5耐折度按GB/T457的规定进行测定。5.6平滑度按GB/T456的规定进行测定。白度按GB/T8940.1的规定进行测定。5.7
不透明度按GB/T1543的规定进行测定。5.8
5.9施胶度按GB/T460的规定进行测定,并执行“纸张对墨水渗透和扩散比较板”第二线。5.10尘埃度按GB/T1541的规定进行测定。5.11
交货水分按GB/T462的规定进行测定。5.12纸张的尺寸及偏斜度按GB/T451.1的规定进行测定。6检验规则
6.1以一次交货为批,但不多于 30t。6.2生产厂应保证所生产的纸符合本标准要求,每件纸应附有产品质量合格证。263
QB/T1456--1992
6.3交收检验抽样检查按GB/T2828的规定进行。6.4样本单位为令,抽样方案列于表2。6.5需方有权检查该批产品的质量是否符合本标准的要求,若对产品质量有异议,应在到货后三个月内通知供方,共同取样进行复验。如不符合本标准要求,则判批不合格,由供方负责;如符合本标准要求,则判批合格由需方负责。
91~500
501~1200
正常检查二次抽样方案检查水平S-4B类不合格品
样本大小
13(26)
7标志、包装、运输、贮存
C类不合格品
不合格分类
不合格
裂断长
不透明度
不合格
耐折度
平滑度
平滑度正反面度
施胶度
尘埃度
交货水分
7.1薄凸版纸的包装和标志按GB/T10342规定进行,并作如下补充规定:7.1.1每件平板纸的纵横应一致,并在包装的外皮和外包装纸上划上箭头,指示纸张的纵向。7.2运输时必须用防雨、防潮、洁净的运输工具。7.3搬运时不许将纸件从高处扔下。7.4成品的保管要严防雨、雪和地面潮湿的影响。附加说明:
本标准由轻工业部造纸工业司提出。本标准由全国造纸标准化中心归口。本标准由浙江龙游造纸厂负责起草。本标准主要起草人王佐民。
自本标准实施之日起,原轻工业部部标准QB825—1981《薄凸版纸》废止。本标准参照采用苏联国家标准rOCT7317—1978《薄凸版纸》。264
小提示:此标准内容仅展示完整标准里的部分截取内容,若需要完整标准请到上方自行免费下载完整标准文档。
标准图片预览:



- 其它标准
- 上一篇: QB/T 1455-1992 邮票纸
- 下一篇: QB/T 1457-1992 纱管纸板
- 热门标准
- 轻工行业标准(QB)
- QB/T5247-2018 箱包配件塑料插扣耐 用性能试验方法
- QB/T2856-2007 毛革服装
- QB/T2425-1998 封箱用再湿性牛皮纸胶粘带
- QB/T3520-1999 500kV油纸套管绝缘纸
- QB2584-2003 蒸汽淋浴房
- QB/T2591-2003 抗菌塑料-抗菌性能试验方法和抗菌效果
- QB/T1439-2005 帐册
- QB/T1584-2005 日用皮手套
- QB/T1756-1993 造纸机械湍流式中浓度浆泵
- QB/T1782-1993 苯乙醇
- QB/T1664-1998 纸板戳穿强度测定仪
- QB/T1702.2-1993 括板升运机
- QB/T2501-2000 重力式自动装料衡器
- QB/T2161-1995 儿童推车整车通用技术条件
- QB/T3510-1999 Y311条粗条干仪用记录纸
- 行业新闻
请牢记:“bzxz.net”即是“标准下载”四个汉字汉语拼音首字母与国际顶级域名“.net”的组合。 ©2025 标准下载网 www.bzxz.net 本站邮件:bzxznet@163.com
网站备案号:湘ICP备2025141790号-2
网站备案号:湘ICP备2025141790号-2