- 您的位置:
- 标准下载网 >>
- 标准分类 >>
- 轻工行业标准(QB) >>
- QB/T 1457-1992 纱管纸板
标准号:
QB/T 1457-1992
标准名称:
纱管纸板
标准类别:
轻工行业标准(QB)
英文名称:
Tube Paperboard标准状态:
已作废-
实施日期:
1992-12-01 -
作废日期:
2007-05-01 出版语种:
简体中文下载格式:
.rar.pdf下载大小:
130.95 KB
中标分类号:
轻工、文化与生活用品>>造纸>>Y31纸浆与纸板
替代情况:
替代QB 739-80;被QB/T 1457-2006代替采标情况:
ГОСТ 891-1975 NEQ
相关标签:
纸板
部分标准内容:
中华人民共和国轻工行业标准
纱管纸板
主题内容与适用范围
QB/T1457-1992
本标准规楚了纱管纸板的产品分类、技术要求、试验方法、检验规则和标志、包装、运输、贮存。本标推适用于制造粗纱管、化纤纱管及其他类似用途的纸芯管用的纱管纸板。2引用标准
GB/T450纸和纸板试样的采取
GB/T451.1纸和纸板尺寸及偏斜度的测定法GB/T 451.2纸和纸板定量的测定法GB/T451.3纸和纸板厚度的测定法纸和纸板施胶度的定法(墨水划线法)GB/T 460
GB/T 461. 1
纸和纸板毛细级液离度的测定法(克列姆法)纸和纸板水分的测定法
GB/T 462
纸板耐折度的测定法(肖伯尔式测定仪)GB/T 1538
GB/T 1539
GB/T 1540
GB/T 2828
GB/T 10342
纸板耐破度的测定法
纸和纸板吸水性的测定法(可勃法)逐批检查计数抽样程序及抽样表(适用于连续批的检查)纸张的包装和标志
纸浆、纸和纸板试样处理和试验的标催大气GB/T 10739
3产品分类
3.1纱管纸板分G型和H型,G型是挂面纱管纸板用于POY纱管及锥管,H型为灌合浆纱管纸板用于DTY及POY纱管。用于FDY型纱管的H型纱管纸板列于附录A中。3.2纱管纸极的技术质量承平分为A、B、C三等。3.3纱管纸板又分为平板、卷筒两种。3.4产品的厚度及定量亦可按合同的规定执行。4技术要求免费标准下载网bzxz
4.1平板尺寸为787mm×1092mm,或按订货合同的规定。尺寸偏差不许超过±5mm,偏斜度不超过5mm.
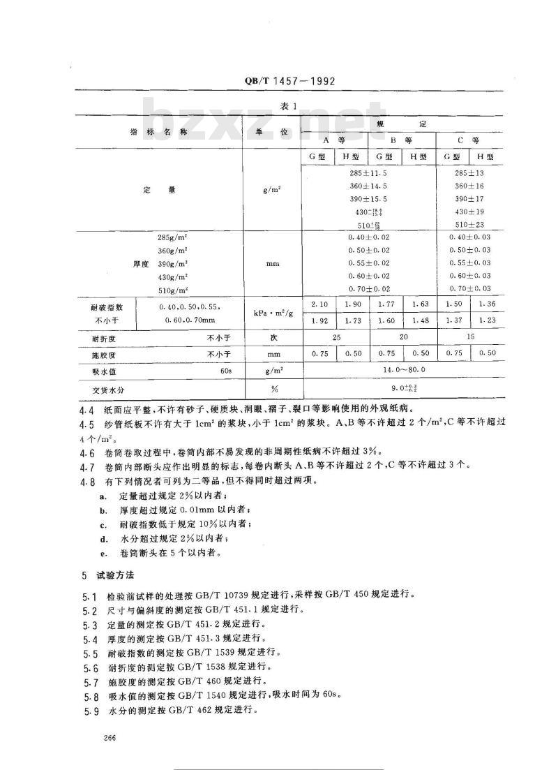
4.2卷简宽度为787、1220.1600mm:藏按订货合同的规定。每卷重量在400~500kg之间,或按订货合同规定。宽度偏差不许超过士5mm4.3纱管纸板的技术指标必须符合表1规定。中华人民共和国轻工业部1992-0414批准标准搜
标准行业餐科免费下载
1992-12-01实施
耐破指数
不小于
耐折度
施胶度
吸水值
交货水分
指标名称
285g/m2
360g/m2
厚度390g/m2
430g/m2
510g/m2
0.40,0.50,0.55,
0. 60.0. 70mm
不小于
不小于
QB/T 1457—1992
kPa-m\/g
285±11.5
360±14.5
390±15.5
430-19:8
510元
0.40±0.02
0. 50±0.02
0.55±0.02
0.60±0. 02
0.70±0.02
14. 0~80. 0
285±13
360±16
390±17
430±19
510±23
0. 40±0. 03
0.50±0.03
0.55±0.03
0.60±0.03
0.70±0.03
4.4纸面应平整,不许有砂子、硬质块、洞眼、褶子、裂口等影响使用的外观纸病。4.5纱管纸板不许有大于1cm2的浆块,小于1cm2的浆块。A、B等不许超过2个/m2,C等不许超过4个/m\。
4.6卷筒卷取过程中,卷简内部不易发现的非周期性纸病不许超过3%。卷简内部断头应作出明显的标志,每卷内断头A、B等不许超过2个,C等不许超过3个。4.7
有下列情况者可列为二等品,但不得同时超过两项。a.
定量超过规定2%以内者;
厚度超过规定0.01mm以内者;
耐破指数低于规定10%以内者;
水分超过规定2%以内者;
卷简断头在5个以内者。
5试验方法
检验前试样的处理按GB/T10739规定进行,采样按GB/T450规定进行。尺寸与偏斜度的测定按GB/T451.1规定进行。5.3定量的测定按GB/T451.2规定进行。5.4厚度的测定按GB/T451.3规定进行。5.5耐破指数的测定按GB/T1539规定进行。5.6耐折度的测定按GB/T1538规定进行。5.7施胶度的测定按GB/T460规定进行。5.8吸水值的测定按GB/T1540规定进行,吸水时间为60s。5.9水分的测定按GB/T462规定进行。266
标注度瘦网Aw.bzs
各类标注行业资料科免费下载
QB/T1457--1992
5.10在测定卷筒内部纸病时,去掉外面5层后,再取5层试样,切成0.03m2纸片(试样小片数为100),然后选出有纸病的纸片,计算其占试样的百分率。6检验规则
6.1以一次交货量为一批,但不多于50t。6.2生产厂应保证所生产的纱管纸板符合本标准要求,每卷、每件纱管纸板应附合格证。6.3交收检验捆样应按GB/T2828规定进行。交收检验琐的分组序及检查水平和合格质量水平(AL)按表2规定。6.4
卷(件)
91~280
检查水平1
正常捡查一次抽样方案
B类不合格品
样本大小
C类不合格品
AQL m 6.5
不合格分类
不合格
耐破指数
不合格
耐折度
滋胶度
吸水值
交货水分
6.5需方对产品质量有异议,应在到贷后一个月内通知供方,共同取样进行检验,著不符合本标准规定,则判为批不合格。由供方负责处理,著合格,则由需方负责处理。7标志、包装、遥輪、楚存
7.1纸板的包装和标志按GB/T10342规定,或按定货合同的要求。7.2纸板应要警保管,以防雨,雪和地面有害物质的影响。7.3运输时应用有篷而洁净的运输工具,严禁在卸货时从高处下。7.4由于保管和运输不符合本标准的规定要求,产品发生变质或其他损失,应由造成揽失的责任方负贵。
标准慢授文
各标行
QB/T 1457--1992
附录A
FDY用纱管纸板
(补充件)
A1对高速纺FDY用纱管纸板(H型)的技术要求如表A1。表Al
指标名
度360g/m2
430g/m2
360g/m2
430g/m2
吸水值
吸液高度
交货水分
不小于
注:吸液高度暂不作交收检验的依据。试验方法
A2.1定量的测定按GB/T451.2规定进行。A2.2厚度的测定按GB/T451.3规定进行。A2.3耐破度的测定按GB/T1539规定进行。A2.4吸水值的测定按GB/T1540规定进行。单
mm/10min
吸液高度的测定按GB/T461.1规定进行。A2.5
A2.6水分的测定按GB/T462规定进行。附加说明:
本标准由轻工业部造纸工业司提出。本标准由全国造纸标准化中心归口。本标准由江苏省苏州市华盛造纸厂负责起草。规
360±14.5
430±17.0
0.50±0.02
0.60±0.02
100~200
10~15
7. 0~12. 0
本标准主要起草人肖枫桥、严国祥。自本标准实施之日起,原轻工业部部标准QB739一1980《纱管纸板》作废。本标准参照采用苏联标准FOCT891一1975《纺织纱管和锥管用纸和纸板》。268
双资免下票
小提示:此标准内容仅展示完整标准里的部分截取内容,若需要完整标准请到上方自行免费下载完整标准文档。
纱管纸板
主题内容与适用范围
QB/T1457-1992
本标准规楚了纱管纸板的产品分类、技术要求、试验方法、检验规则和标志、包装、运输、贮存。本标推适用于制造粗纱管、化纤纱管及其他类似用途的纸芯管用的纱管纸板。2引用标准
GB/T450纸和纸板试样的采取
GB/T451.1纸和纸板尺寸及偏斜度的测定法GB/T 451.2纸和纸板定量的测定法GB/T451.3纸和纸板厚度的测定法纸和纸板施胶度的定法(墨水划线法)GB/T 460
GB/T 461. 1
纸和纸板毛细级液离度的测定法(克列姆法)纸和纸板水分的测定法
GB/T 462
纸板耐折度的测定法(肖伯尔式测定仪)GB/T 1538
GB/T 1539
GB/T 1540
GB/T 2828
GB/T 10342
纸板耐破度的测定法
纸和纸板吸水性的测定法(可勃法)逐批检查计数抽样程序及抽样表(适用于连续批的检查)纸张的包装和标志
纸浆、纸和纸板试样处理和试验的标催大气GB/T 10739
3产品分类
3.1纱管纸板分G型和H型,G型是挂面纱管纸板用于POY纱管及锥管,H型为灌合浆纱管纸板用于DTY及POY纱管。用于FDY型纱管的H型纱管纸板列于附录A中。3.2纱管纸极的技术质量承平分为A、B、C三等。3.3纱管纸板又分为平板、卷筒两种。3.4产品的厚度及定量亦可按合同的规定执行。4技术要求免费标准下载网bzxz
4.1平板尺寸为787mm×1092mm,或按订货合同的规定。尺寸偏差不许超过±5mm,偏斜度不超过5mm.
4.2卷简宽度为787、1220.1600mm:藏按订货合同的规定。每卷重量在400~500kg之间,或按订货合同规定。宽度偏差不许超过士5mm4.3纱管纸板的技术指标必须符合表1规定。中华人民共和国轻工业部1992-0414批准标准搜
标准行业餐科免费下载
1992-12-01实施
耐破指数
不小于
耐折度
施胶度
吸水值
交货水分
指标名称
285g/m2
360g/m2
厚度390g/m2
430g/m2
510g/m2
0.40,0.50,0.55,
0. 60.0. 70mm
不小于
不小于
QB/T 1457—1992
kPa-m\/g
285±11.5
360±14.5
390±15.5
430-19:8
510元
0.40±0.02
0. 50±0.02
0.55±0.02
0.60±0. 02
0.70±0.02
14. 0~80. 0
285±13
360±16
390±17
430±19
510±23
0. 40±0. 03
0.50±0.03
0.55±0.03
0.60±0.03
0.70±0.03
4.4纸面应平整,不许有砂子、硬质块、洞眼、褶子、裂口等影响使用的外观纸病。4.5纱管纸板不许有大于1cm2的浆块,小于1cm2的浆块。A、B等不许超过2个/m2,C等不许超过4个/m\。
4.6卷筒卷取过程中,卷简内部不易发现的非周期性纸病不许超过3%。卷简内部断头应作出明显的标志,每卷内断头A、B等不许超过2个,C等不许超过3个。4.7
有下列情况者可列为二等品,但不得同时超过两项。a.
定量超过规定2%以内者;
厚度超过规定0.01mm以内者;
耐破指数低于规定10%以内者;
水分超过规定2%以内者;
卷简断头在5个以内者。
5试验方法
检验前试样的处理按GB/T10739规定进行,采样按GB/T450规定进行。尺寸与偏斜度的测定按GB/T451.1规定进行。5.3定量的测定按GB/T451.2规定进行。5.4厚度的测定按GB/T451.3规定进行。5.5耐破指数的测定按GB/T1539规定进行。5.6耐折度的测定按GB/T1538规定进行。5.7施胶度的测定按GB/T460规定进行。5.8吸水值的测定按GB/T1540规定进行,吸水时间为60s。5.9水分的测定按GB/T462规定进行。266
标注度瘦网Aw.bzs
各类标注行业资料科免费下载
QB/T1457--1992
5.10在测定卷筒内部纸病时,去掉外面5层后,再取5层试样,切成0.03m2纸片(试样小片数为100),然后选出有纸病的纸片,计算其占试样的百分率。6检验规则
6.1以一次交货量为一批,但不多于50t。6.2生产厂应保证所生产的纱管纸板符合本标准要求,每卷、每件纱管纸板应附合格证。6.3交收检验捆样应按GB/T2828规定进行。交收检验琐的分组序及检查水平和合格质量水平(AL)按表2规定。6.4
卷(件)
91~280
检查水平1
正常捡查一次抽样方案
B类不合格品
样本大小
C类不合格品
AQL m 6.5
不合格分类
不合格
耐破指数
不合格
耐折度
滋胶度
吸水值
交货水分
6.5需方对产品质量有异议,应在到贷后一个月内通知供方,共同取样进行检验,著不符合本标准规定,则判为批不合格。由供方负责处理,著合格,则由需方负责处理。7标志、包装、遥輪、楚存
7.1纸板的包装和标志按GB/T10342规定,或按定货合同的要求。7.2纸板应要警保管,以防雨,雪和地面有害物质的影响。7.3运输时应用有篷而洁净的运输工具,严禁在卸货时从高处下。7.4由于保管和运输不符合本标准的规定要求,产品发生变质或其他损失,应由造成揽失的责任方负贵。
标准慢授文
各标行
QB/T 1457--1992
附录A
FDY用纱管纸板
(补充件)
A1对高速纺FDY用纱管纸板(H型)的技术要求如表A1。表Al
指标名
度360g/m2
430g/m2
360g/m2
430g/m2
吸水值
吸液高度
交货水分
不小于
注:吸液高度暂不作交收检验的依据。试验方法
A2.1定量的测定按GB/T451.2规定进行。A2.2厚度的测定按GB/T451.3规定进行。A2.3耐破度的测定按GB/T1539规定进行。A2.4吸水值的测定按GB/T1540规定进行。单
mm/10min
吸液高度的测定按GB/T461.1规定进行。A2.5
A2.6水分的测定按GB/T462规定进行。附加说明:
本标准由轻工业部造纸工业司提出。本标准由全国造纸标准化中心归口。本标准由江苏省苏州市华盛造纸厂负责起草。规
360±14.5
430±17.0
0.50±0.02
0.60±0.02
100~200
10~15
7. 0~12. 0
本标准主要起草人肖枫桥、严国祥。自本标准实施之日起,原轻工业部部标准QB739一1980《纱管纸板》作废。本标准参照采用苏联标准FOCT891一1975《纺织纱管和锥管用纸和纸板》。268
双资免下票
小提示:此标准内容仅展示完整标准里的部分截取内容,若需要完整标准请到上方自行免费下载完整标准文档。
标准图片预览:




- 其它标准
- 热门标准
- 轻工行业标准(QB)
- QB/T5247-2018 箱包配件塑料插扣耐 用性能试验方法
- QB/T2856-2007 毛革服装
- QB/T2425-1998 封箱用再湿性牛皮纸胶粘带
- QB/T3520-1999 500kV油纸套管绝缘纸
- QB2584-2003 蒸汽淋浴房
- QB/T2591-2003 抗菌塑料-抗菌性能试验方法和抗菌效果
- QB/T1439-2005 帐册
- QB/T1584-2005 日用皮手套
- QB/T1756-1993 造纸机械湍流式中浓度浆泵
- QB/T1782-1993 苯乙醇
- QB/T1664-1998 纸板戳穿强度测定仪
- QB/T1702.2-1993 括板升运机
- QB/T2501-2000 重力式自动装料衡器
- QB/T2161-1995 儿童推车整车通用技术条件
- QB/T3510-1999 Y311条粗条干仪用记录纸
- 行业新闻
请牢记:“bzxz.net”即是“标准下载”四个汉字汉语拼音首字母与国际顶级域名“.net”的组合。 ©2025 标准下载网 www.bzxz.net 本站邮件:bzxznet@163.com
网站备案号:湘ICP备2025141790号-2
网站备案号:湘ICP备2025141790号-2